См. также:
Гидравлические схемы DOOSAN серии Mega - V
(Mega 160-V, Mega 200-V, Mega 250-V (1001-3000), Mega 250-V (3001+), Mega 300-V (1001-3000), Mega 300-V (3001+), Mega 400-V (1001-3000), Mega 400-V (3001+), Mega 500-V)
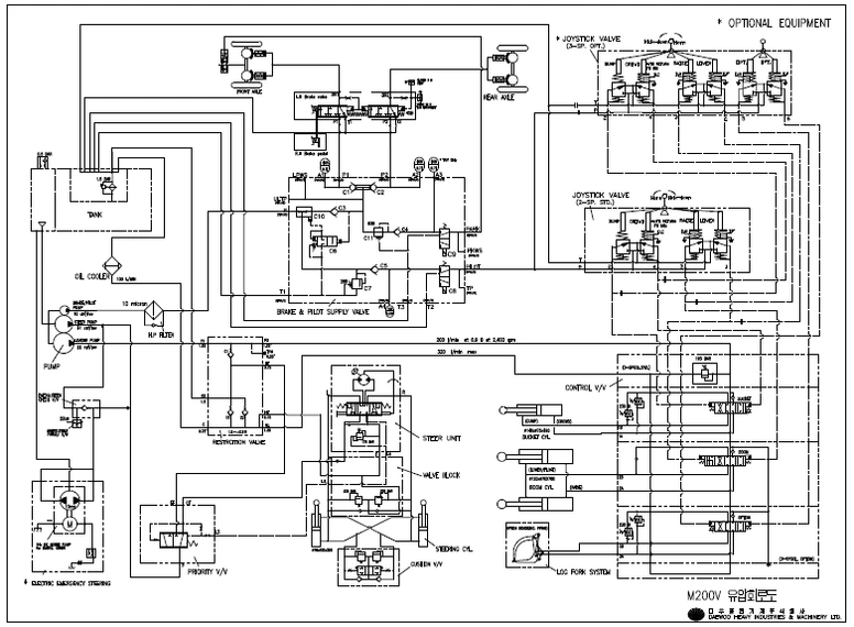
Mega 160-V
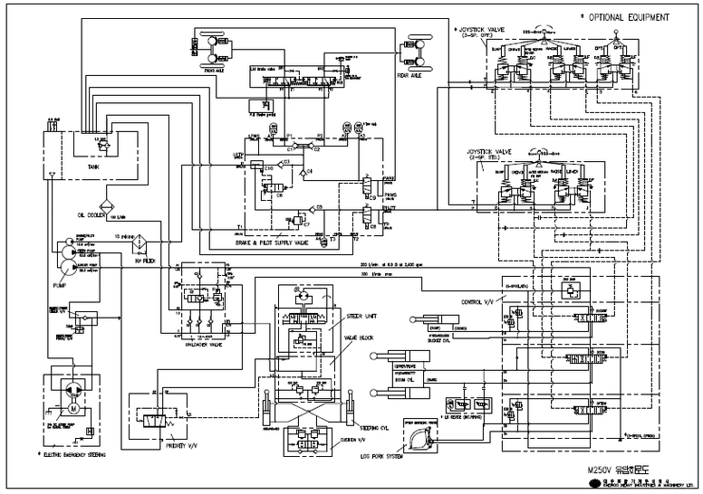
Mega 200-V
Mega 250-V (1001-3000)
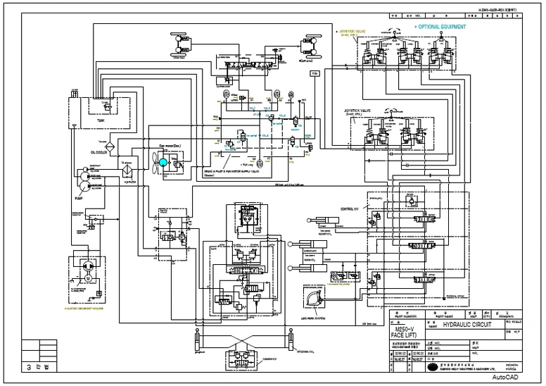
Mega 250-V (3001+)
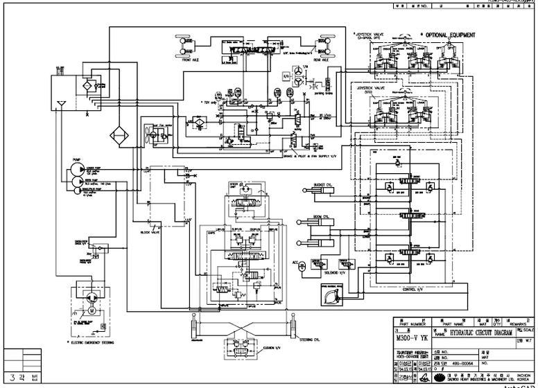
Mega 300-V (1001-3000)
Mega 300-V (3001+)
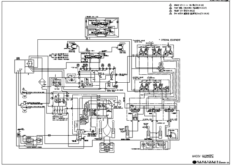
Mega 400-V (1001-3000)
Mega 400-V (3001+)
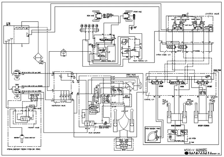
Mega 500-V








