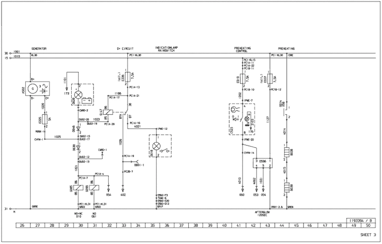
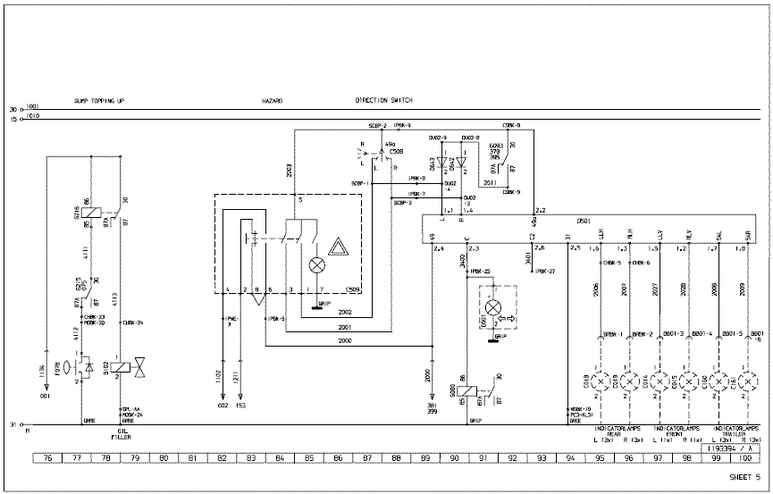
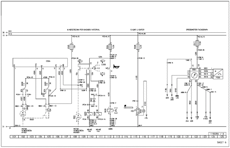
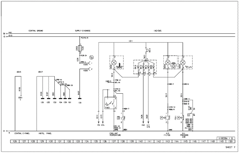
Электросхема автобуса SB 220 GS/LT STANDARD DAF



















ecn plaats/lieu benaming nom
- A500 006 Accu’s (2x) Battéries (2x)
- A502 026 Generator (geïntegreerde spanningsregelaar) 1 Alternateur (avec régulateur de tension intégré) 1
- B000 102 Motor ruitewisser Moteur essuie-glace
- B001 108 Motor ruitewasserpomp Moteur pompe de lave-glace
- B007 287-291 Motor snelheid/toeren (V/N) EGAS Moteur réglage vitesse/régime EGAS
- B010 051 Motor start Démarreur
- B012 140 Zoemer remdruk/Motorruimtetemperatuur/Koelvloeistoftemperatuur Bruiteur pression reinage/temp. compartiment moteur/temp. liquide de refroidissement
- B013 406 Ventilator motorruimtekoeling Ventilateur refroidissement compartiment moteur
- B028 112 Klaxon Avertisseur sonore
- B030 115 Sigareaansteker links Allume-cigare gauche
- B034 167 Weerstand instrumentenverlichting Résistance éclairage des instruments
- B038 044 Gloeispiraal 1e Bougie de préchauffage 1ère
- B039 044 Gloeispiraal 2e Bougie de préchauffage 2ème
- B042 473 Luchtdroger verwarmingselement Chauffage du sécheur d’air
- B045 011 Magneet koudstarthulp Aimant dipositif de démarrage à froid
- B046 230 Ventiel ABS links voor Valve ABS avant gauche
- B047 232 Ventiel ABS rechts voor Valve ABS avant droite
- B048 239 Ventiel ABS aangedreven as links Valve ABS essieu moteur gauche
- B049 237 Ventiel ABS aangedreven as rechts Valve ABS essieu moteur droit
- B052 427 Ventiel ECAS luchtvoorraad achteras Valve ECAS alimentation d’air essieu AR
- B053 428 Ventiel ECAS aangedreven as links Valve ECAS essieu moteur gauche
- B054 429 Ventiel ECAS aangedreven as rechts Valve ECAS essieu moteur droit
- B055 431 Ventiel ECAS gestuurde voorloopas/ sleepas links Valve ECAS essieu AR antérieur/essieu fou gauche
- B056 432 Ventiel ECAS gestuurde voorloopas/ sleepas rechts Valve ECAS essieu AR antérieur/essieu fou droit
- B058 309 Ventiel retarder 1e Valve ralentisseur 1ère
- B059 310 Ventiel retarder 2e Valve ralentisseur 2ème
- B069 456/461 Ventiel pomp centrale smering Valve pompe de graissage central
- B082 061/063 Ventiel motorstop/motorrem (ESU) Valve arrêt du moteur/ralentisseur sur échappement (ESU)
- B087 073 Brandstofklep (CVS) Centrale veiligheids schakeling Soupape à carburant (CVS) Circuit de sécurité central
- B102 078 Ventiel carter vulinstallatie Valve système de remplissage carter
- B103 072/387 Ventiel brandstofklep motor Valve soupape à carburant moteur
- B111 242 Ventiel ASR aangedreven as rechts Valve ASR essieu moteur droit
- B112 240 Ventiel ASR aangedreven as links Valve ASR essieu moteur gauche
- B124 353 Ventiel halterem Valve frein par ouverture des portes
- B143 366 Ventiel antigas Valve antigaz
- B152 420 Ventiel dalen onder rijhoogte Valve abaissement sous hauteur de conduite
- B161 227/272 Ventiel ABS snelheidsbegrenzer Valve ABS commande limiteur de vitesse
- B255 352 Zoemer halterem, handrem uit Vibreur frein par ouverture des portes, frein de parcage desserré
- B291 367 Ventiel luchtvoorraad stuurhoogte bediening Valve alimentation d’air commande hauteur du volant
- B292 433 Ventiel ECAS-2 Valve ECAS-2
- B501 122/167 Kompakt tachograaf Tachygraphe compact
- B502 157 Toerenteller (plus) Compte-tours (+)
- B507 155 Voltmeter Voltmètre
- B508 160 Meter motorkoelvloeistoftemperatuur Thermomètre liquide de refroidissement du moteur
- B509 164 Meter motoroliedruk Manomètre de pression d’huile moteur
- B511 158 Meter olietemperatuur versnellingsbak Thermomètre huile de la boîte de vitesses
- B513 154 Meter brandstofvoorraad Jauge de carburant
- B516 163 Meter luchtdruk Manomètre de pression d’air
- C000 184 Dimlicht links Feu de croisement gauche
- C001 183 Dimlicht rechts Feu de croisement droit
- C002 190 Grootlicht links Feu de route gauche
- C003 189 Grootlicht rechts Feu de route droit
- C008 194 Mistlamp voor links Antibrouillard avant gauche
- C009 195 Mistlamp voor rechts Antibrouillard avant droit
- C010 177 Breedtelicht koplamp links Feu de position, phare gauche
- C011 178 Breedtelicht koplamp rechts Feu de position, phare droit
- C014 097 Richtinglamp links voor Clignotant avant gauche
- C015 098 Richtinglamp rechts voor Clignotant avant droit
- C018 095 Richtinglamp links achter Clignotant arrière gauche
- C019 096 Richtinglamp rechts achter Clignotant arrière droit
- C020 203 Stoplicht links Feu stop gauche
- C021 204 Stoplicht rechts Feu stop droit
- C022 179 Achterlicht links Feu arrière gauche
- C023 180 Achterlicht rechts Feu arrière droit
- C024 196 Mistachterlamp links Feu de brouillard arrière gauche
- C025 197 Mistachterlamp rechts Feu de brouillard arrière droit
- C026 218 Achteruitrijlamp links Phare de recul gauche
- C027 219 Achteruitrijlamp rechts Phare de recul droit
- C098 191 Koplamp F2100-2500 links Phare gauche F2100-2500
- C099 192 Koplamp F2100-2500 rechts Phare droite F2100-2500
- C152 181 Achterlicht links (trekkers) Feu arrière gauche (tracteurs)
- C153 182 Achterlicht rechts (trekkers) Feu arrière droit (tracteurs)
- C160 099 Richtinglamp links (trekkers) Clignotants gauche (tracteurs)
- C161 100 Richtinglamp rechts (trekkers) Clignotants droite (tracteurs)
- C500 171 Schakelaar verlichting Interrupteur d’éclairage
- C503 168 Schakelaar mistlampen voor Interrupteur antibrouillards avant
- C504 171 Schakelaar mistlampen achter Interrupteur feux de brouillard arrière
- C508 088/108-112/174 Schakelaar richting/dim/grootlicht, klaxon, ruitewis/was/interval Interrupteur clignotant/feu de croisement/feu de route, avertisseur sonore, essuie-/lave-glace/ intermittence
- C509 082-087 Schakelaar waarschuwingsknipperlichten (M-zoekverlichting) Interrupteur signal de détresse (avec éclairage de repérage)
- C520 020 Schakelaar kontakt/gloei/start Interrupteur contact/préchauffage/démarrage
- C522 011 Schakelaar koudstart Interrupteur démarrage à froid
- C523 041 Schakelaar gloeien Interrupteur préchauffage
- C525 008 Schakelaar bediening hoofdschakelaar Commutateur commande interrupteur principal
- C577 057 Schakelaar extra bediening start Interrupteur commande supplémentaire démarrage
- C578 059 Schakelaar extra bediening stop Interrupteur commande supplémentaire arrêt
- C579 058 Schakelaar extra bediening gloeien Interrupteur commande supplémentaire préchauffage
- C580 057 Schakelaar motorbediening motorruimte Interrupteur commande du moteur dans compartiment moteur
- C582 301-311 Schakelaar stappen 4/5 HP500 Interrupteur à positions 4/5 HP 500
- C596 305/340 Schakelaar achteruitrijlamp Interrupteur feu de recul
- C626 377/393 Schakelaar centrale veiligheidsschakeling (501) Interrupteur circuit central de sécurité (501)
- C629 448 Schakelaar rijhoogte ECAS Interrupteur hauteur de route ECAS
- C631 421/445 Schakelaar ECAS heffen/zakken Interrupteur ECAS levage/abaissement
- C632 013 Schakelaar kontakt Interrupteur contact
- C633 015/017 Schakelaar start Interrupteur démarrage
- C634 317/322/326/339 Schakelaar retarder aan/uit Interrupteur ralentisseur en/hors fonction
- C683 358 Controleschakelaar halterem Commutateur de controle frein par ouverture de portes
- C692 347 Schakelaar pedaal retarder (stappen) Interrupteur pédale ralentisseur (positions)
- C759 442 Schakelaar ECAS-2 zakken Interrupteur ECAS-2 abaissement
- D000 192 Kontrolelamp blauw grootlicht Voyant bleu feux de route
- D001 092 Kontrolelamp groen richting trekkend voertuig Voyant vert clignotants véhicule tracteur
- D005 206 Kontrolelamp Rood parkeerrem Voyant rouge frein de parcage
- D006 162 Kontrolelamp Rood luchtdruk(rem) Voyant rouge pression d’air (freins)
- D007 161 Kontrolelamp rood olietemperatuur retarder Voyant rouge température d’huile ralentisseur
- D018 035 Kontrolelamp groen hoofdschakelaar Voyant vert interrupteur principal
- D028 030 Kontrolelamp rood laadstroom generator 2 Voyant rouge courant de charge alternateur 2
- D029 145 Kontrolelamp rood motoroliedruk Voyant rouge pression huile moteur
- D032 137 Kontrolelamp rood motorkoelvloeistoftemperatuur Voyant rouge température liquide de refroidissement moteur
- D039 143 Kontrolelamp oranje luchtfilter motor Voyant orange filtre à air moteur
- D041 271/283 Kontrolelamp rood snelheidsbegrenzer/EGAS defekt Voyant rouge anomalie limiteur de vitesse/EGAS
- D042 285 Kontrolelamp oranje EGAS overspeed Voyant orange surrégime EGAS
- D043 249 Kontrolelamp rood ABS trekkend voertuig defekt Voyant rouge anomalie ABS véhicule tracteur
- D047 410/416 Kontrolelamp rood motorruimtetemperatuur te hoog (alarm)+ Voyant rouge température compartiment moteur trop élevée (alarme) + actionnement ventilatorwerking du ventilateur
- D050 426 Kontrolelamp rood ECAS defekt Voyant rouge anomalie ECAS
- D051 424/429 Kontrolelamp rood ECAS voertuighoogte niet korrekt (funktie) Voyant rouge ECAS, hauteur véhicule incorrect (fonction)
- D053 457/464 Kontrolelamp oranje centrale smering Voyant orange graissage central
- D066 390 Kontrolelamp rood Voyant rouge
- D075 317/326 Kontrolelamp rood retarder uit Voyant rouge ralentisseur hors fonction
- D076 313/328 Kontrolelamp groen retarder funktie Voyant vert ralentisseur en fonction
- D078 152 Kontrolelamp geel differentieel blokkering Voyant jaune blocage différentiel
- D081 187 Kontrolelamp groen dimlicht Voyant vert feux de croisement
- D093 197 Kontrolelamp geel mistlamp achter Voyant jaune feu de brouillard arrière
- D113 354 Kontrolelamp rood halterem Voyant rouge frein par ouverture des portes
- D119 350 Kontrolelamp rood versnellingsbak defect Voyant rouge défectuosité boîte de vitesses
- D501 089-100 Elektronische unit knipperlichten Unité électronique clignotants
- D504 101-107 Elektronische unit ruitewis/was/interval Unité électronique essuie-/lave-glace/intermittence
- D507 276-292 Elektronische unit EGAS Unité électronique EGAS
- D508 226-249 Elektronische unit ABS Unité électronique ABS
- D512 268-274 Elektronische unit snelheidsbegrenzer Unité électronique limiteur de vitesse
- D519 453-457/460-463 Elektronische unit centrale smering (w.vogel) Unité électronique graissage central (W. Vogel)
- D530 306-320 Elektronische unit 4/5 HP500 Unité électronique 4/5 HP500
- D531 316-320/345-350 Elektronische unit 4/5 HP500 (versnellingsbak) Unité électronique boîte de vitesses 4/5 HP500
- D541 198-200/402-404 Elektronische unit dim-dip Unité électronique dim-dip
- D569 043 Elektronische unit Voith bediening automatische versnellingsbak Unité électronique Voith commande boîte de vitesses automatique
- D577 sheet24 Elektronische unit signaal omvormer Unité électronique convertisseur de signal
- D581 384 Elektronische unit EPS Unité électronique EPS
- D590 329-350 Electronische unit Voith versnellingsbak Unité électronique boîte de vitesses Voith
- D596 043 Elektronische unit timer nagloeien Unité électronique minuterie post-chauffage
- D600 170 Diode mistlamp achter (dimlicht) Diode feu de brouillard arrière (feu de croisement)
- D601 169 Diode mistlamp achter (mistlamp voor) Diode feu de brouillard arrière (antibrouillard avant)
- D609 172 Diode lichtschakelaar Diode interrupteur d’éclairage
- D610 173 Diode groot/dimlicht Diode feux de route/croisement
- D614 141 Diode motortemperatuur Diode température moteur
- D615 140 Diode remdruk Diode pression de freinage
- D616 140 Diode watertemperatuur Diode température liquide de refroidissement
- D618 065 Diode motor stop Diode arrêt moteur
- D637 008 Diode elektrische hoofdschakelaar Diode interrupteur principal électrique
- D638 030 Diode overname relais hoofdschakelaar generator 1 Diode relais maintien interrupteur principal alternateur 1
- D642 090 Diode richtinglampen links Diode clignotants gauche
- D643 090 Diode richtinglampen rechts Diode clignotants droit
- D646 030 Diode IWS generatorspanning te laag generator 1 Diode IWS tension d’alternateur 1 trop faible
- D650 011 Diode motorruimteventilator Diode ventilateur compartiment moteur
- D651 406 Diode instrumentenverlichting D+ Diode éclairage des instruments D+
- D652 407 Diode demping motorruimte ventilator Diode amortissement ventilateur compartiment moteur
- D654 065 Diode motorstop Diode arrêt moteur
- D655 210 Diode remlichten Diode feux stop
- D656 062 Diode motor stop magneet Diode aimant arrêt moteur
- D657 306 Diode achteruitrijlampen bediening Diode commande phares de recul
- D661 357 Diode halterem schakelen blokkering Diode frein par overture des portes, blocage passage des vitesses
- D662 358 Diode parkeerrem kontrolelamp Diode voyant frein de parcage
- D663 361 Diode rem schakelen blokkering Diode frein de service, blocage passage des rapports
- D665 065 Diode wegrijhulp voorkom terugvoeding Diode report de charge empêchement contre-alimentation
- D666 206 Diode controlelamp handrem Diode voyant frein de parcage
- D667 389 Diode waarschuwingslamp EPS Diode voyant EPS
- D672 209 Diode remvloeistofniveau Diode niveau liquide de frein
- D680 361 Diode snelheidsignaal halterem Diode signal de vitesse, frein par ouverture des portes
- D681 288/297 Diode vrijloop relais, gaspedaal bediend Diode relais course à vide, pédale d’accélération commandée
- D692 110 Diode ruitewisserschakelaar Diode essuie-glace
- D695 142 Diode zoemer oliedruk Diode bruiteur pression d’huile
- D802 426-446 Elektronische unit ECAS-2 Unité électronique ECAS-2
- D832 332-338 Electronische unit Voith versnellingsbak bediening Unité électronique commande boîte de vitesses Voith
- E000 179 Zekering 7,5A markeer/omtrek/achterlicht links Fusible 7,5A feu de gabarit/hauts de caisse/feu arrière gauche
- E001 177 Zekering 7,5A markeer/omtrek/achterlicht rechts Fusible 7,5A feu de gabarit/hauts de caisse/feu arrière droit
- E004 185 Zekering 7,5A dimlicht links Fusible 7,5A feu de croisement gauche
- E005 183 Zekering 7,5A dimlicht/kontrole dimlicht rechts Fusible 7,5A feu de croisement/contrôle feu de croisement droit
- E006 191 Zekering 7,5A grootlicht links Fusible 7,5A feu de route gauche
- E007 198 Zekering 7,5A grootlicht/kontrole grootlicht rechts Fusible 7,5A feu de route/contrôle feu de route droit
- E009 194 Zekering 7,5A mistlampen voor Fusible 7,5A feux de brouillard avant
- E010 196 Zekering 7,5A mistlampen achter Fusible 7,5A feux de brouillard arrière
- E013 211 Zekering 7,5A stoplichten Fusible 7,5A feux stop
- E016 218 Zekering 7,5A achteruitrijlampen Fusible 7,5A phares de recul
- E017 122 Zekering 7,5A waarschuwingsknipperlicht-inst./tachograaf (A3) Fusible 7,5A système signal de détresse/tachygraphe (A3)
- E019 041 Zekering 7,5A bediening gloeien Fusible 7,5A commande préchauffage
- E022 002 Zekering 7,5A waarschuwingsknipperlicht-installatie Fusible 7,5A système signal de détresse
- E024 112 Zekering 7,5A ruitewisser/wasser/intervalbediening Fusible 7,5A essuie-/lave-glace/intermittence
- E025 108 Zekering 15A ruitewissermotor/koplampwassermotor Fusible 15A moteur essuie-glace/lave-phare
- E026 115 Zekering 7,5A sigareaanstekers Fusible 7,5A allume-cigares
- E029 324/327 Zekering 7,5A vertragers/motorrem Fusible 7,5A ralentisseurs/ralentisseur sur échappement
- E035 151/sheet24 Zekering 7,5A instrumenten en kontrolelampen Fusible 7,5A instruments et voyants
- E037 019/043 Zekering 7,5A kontaktslot Fusible 7,5A antivol
- E040 228 Zekering 7,5A ABS Fusible 7,5A ABS
- E041 227 Zekering 7,5A ABS Fusible 7,5A ABS
- E042 245 Zekering 7,5A ABS Fusible 7,5A ABS
- E049 004 Zekering 7,5A centrale smering Fusible 7,5A graissage central
- E050 455/461 Zekering 7,5A centrale smering Fusible 7,5A graissage central
- E051 442 Zekering 7,5A ECAS-1 Fusible 7,5A ECAS-1
- E053 133 Zekering 7,5A ECAS (16-polige connector diagnose) Fusible 7,5A ECAS (connecteur de diagnostic 16 bornes)
- E055 276 Zekering 7,5A EGAS (6/2) Fusible 7,5A EGAS (6/2)
- E056 269/293 Zekering 7,5A EGAS Fusible 7,5A EGAS
- E061 421/437 Zekering 7,5A ECAS bus Fusible 7,5A ECAS autocars/autobus
- E065 057 Zekering 7,5A startsperrelais/extra bediening Fusible 7,5A relais verrou de démarrage/commande supplémentaire
- E084 175 Zekering 7,5A verlichting Fusible 7,5A éclairage
- E089 005 Zekering 7,5A kompakt tachograaf VLG A1 Fusible 7,5A tachygraphe compact VLG A1
- E091 473 Zekering 7,5A verwarming luchtdroger/ brandstof vuilafscheider Fusible 7,5A chauffage sécheur d’air/ filtre d’impuretes carburant
- E101 303 Zekering 7,5A neutraalstand Easy-shift Fusible 7,5A point mort Easy-shift
- E104 199 Zekering 5A verlichting/Dim-Dip unit Fusible 5A éclairage/unité dim-dip
- E107 003 Zekering 15A centrale veiligheidsschakelaar Fusible 15A interrupteur de sécurité central
- E109 072 Zekering 7,5A carter vulinstallatie/brandstofklep motor Fusible 7,5A système remplissage du carter/soupape à carburant moteur
- E119 153 Zekering 7,5A controle relais motorolietemperatuur Fusible 7,5A relais contrôle température huile moteur
- E131 191 Zekering 7,5A grootlicht Fusible 7,5A feux de route
- E132 185 Zekering 7,5A dimlicht Fusible 7,5A feux de croisement
- E201 403/414 Zekering 15A motorruimteventilator Fusible 15A ventilateur compartiment moteur
- E225 027 Zekering 5A dynamo D+ Fusible 5A alternateur D+
- E226 033/075 Zekering 7,5A accu opladen D+ Fusible 7,5A recharge de batterie D+
- E227 359 Zekering 7,5A halterem (N.B.S.) Fusible 7,5A frein par ouverture des portes (N.B.S.)
- E228 384 Zekering 7,5A motorbeveiligingssysteem Fusible 7,5A système protection moteur
- E231 001 Zekering 7,5A cartervulinstallatie Fusible 7,5A système remplissage du carter
- E232 052 Zekering 15A startrelais Fusible 15A relais de démarrage
- E247 008 Zekering 7,5A Hoofdschakelaar stuursignaal Fusible 7,5A Interrupteur principal signal de direction
- E249 181 Zekering 7,5A achterlicht (trekkers) Fusible 7,5A feu arrière (tracteurs)
- E503 454/462 Bedieningsschakelaar cyclus centraal smeersysteem Contacteur de commande cycle du système de graissage central
- E511 211 Bedieningsschakelaar stoplicht 1e Contacteur de commande feu stop 1er
- E519 320/330 Bedieningsschakelaar 4/5 HP500 kickdown Contacteur de commande kickdown 4/5 HP500
- E520 322 Bedieningsschakelaar retarder ZF-bediening Contacteur de commande ralentisseur ZF
- F000 206 Kontroleschakelaar parkeerrem Contacteur de contrôle frein de parcage
- F006 152 Kontroleschakelaar blokkering 1e differentieel Contacteur de contrôle blocage 1er différentiel
- F011 145 Kontroleschakelaar motoroliedruk Contacteur de contrôle pression huile moteur
- F016 143 Kontroleschakelaar luchtfilter motor Contacteur de contrôle filtre à air moteur
- F025 435 Kontroleschakelaar luchtdruk luchtvering Contacteur de contrôle pression d’air suspension pneumatique
- F049 446 Kontroleschakelaar deurvrijgave bus ECAS Contacteur de contrôle déblocage portes autocars/autobus ECAS
- F061 387-389 Kontroleschakelaar oliedruk EPS Contacteur de contrôle pression d’huile moteur EPS
- F062 387-390 Kontroleschakelaar koelwatertemperatuur EPS Contacteur de contrôle température liquide de refroidissement EPS
- F078 077 Kontroleschakelaar cartervulinstallatie Contacteur de contrôle système de remplissage carter
- F083 137 Kontroleschakelaar motorkoelvloeistof niveau Contacteur de contrôle niveau liquide refroidissement moteur
- F086 352 Kontroleschakelaar halterem Contacteur de contrôle frein par ouverture des portes
- F501 157/300/346/sheet24 Sensor motortoerental Capteur régime moteur
- F502 138 Sensor motorkoelvloeistoftemperatuur met schakelaar Capteur température liquide de refroidissement avec contacteur
- F503 164 Sensor motoroliedruk Capteur pression huile moteur
- F505 159 Sensor versnellingsbak olie temperatuur Capteur température d’huile boîte de vitesses
- F512 230 Sensor blokkeersignaal ABS links voor Capteur signal blocage ABS avant gauche
- F513 232 Sensor blokkeersignaal ABS rechts voor Capteur signal blocage ABS avant droit
- F514 239 Sensor blokkeersignaal ABS aangedreven as links Capteur signal blocage ABS essieu moteur gauche
- F515 237 Sensor blokkeersignaal ABS aangedreven as rechts Capteur signal blocage ABS essieu moteur droit
- F526 432 Sensor hoogte achteras ECAS links Capteur hauteur essieu AR ECAS gauche
- F527 433 Sensor hoogte achteras ECAS rechts Capteur hauteur essieu AR ECAS droit
- F531 288-292 Sensor gaspedaal EGAS Capteur pédale d’accélérateur EGAS
- F533 125 Sensor voertuigsnelheid 4-polig 1e Capteur vitesse véhicule (4 bornes) 1er
- F535 161 Sensor motor koelvloeistoftemperatuur Capteur température liquide de refroidissement moteur
- F540 153 Sensor brandstofniveau Capteur niveau de carburant
- F541 307/343 Sensor brandstofpompstand Capteur position pompe à carburant
- F543 405 Sensor motorruimtetemperatuur 70°C Capteur température compartiment moteur 70°C
- F548 409/414 Sensor blokkeer signaal ABS 2e vooras links Capteur signal blocage ABS second essieu avant gauche
- F551 434 Sensor hoogte vooras ECAS Capteur hauteur essieu AV ECAS
- F569 430 Sensor druk, ECAS aangedreven as links/rechts Capteur pression ECAS essieu moteur gauche/droit
- F573 295 Sensor halterem Capteur frein par ouverture des portes
- G000 172 Relais breedte/markeer/achterverlichting Relais feux de position/de gabarit/arrière
- G001 173 Relais dimlicht Relais feux de croisement
- G002 175 Relais grootlicht Relais feux de route
- G004 169/194 Relais mistlamp voor Relais feux de brouillard avant
- G005 171/196 Relais mistlamp achter Relais feux de brouillard arrière
- G007 304/332 Relais achteruitrijlampen Relais phares de recul
- G008 111 Relais ruitewissers (snelheid I, II) Relais essuie-glace (vitesses I, II)
- G009 110 Relais ruitewissers (automatische nulstand) Relais essuie-glace (point mort automatique)
- G014 058 Relais gloeien spiraal Relais résistance de préchauffage
- G015 014/019 Relais kontakt Relais contact
- G021 242 Relais ABS voeding Relais alimentation ABS
- G022 243 Relais ABS voeding Relais alimentation ABS
- G023 245 Relais ABS 3e rem/vertragers Relais ABS 3eme frein/ralentisseurs
- G025 241 Relais ABS kontrolelamp Relais voyant ABS
- G036 211/202 Relais stoplicht 1e Relais feux stop 1er
- G038 055 Relais start relais Relais démarrage
- G039 302/330 Relais start blokkering Relais blocage démarrage
- G053 007 Relais hoofdschakelaar Relais interrupteur principal
- G059 322/333 Relais retarder bediening Relais commande ralentisseur
- G062 405 Relais motorruimteventilatie hulp Relais ventilation supplémentaire compartiment moteur
- G079 054 Relais start blokkering Relais blocage demarrage
- G080 090 Relais akoestisch signaal richting Relais signal acoustique clignotants
- G081 409/414 Relais alarm motorruimtetemperatuur Relais alarme température compartiment moteur
- G082 378/394 Relais centrale veiligheidsschakeling/uitschakelen motorruimte- Relais circuit de sécurité central/mise hors fonction ventilateur compartiment moteur/pilotage ESU ventilator/aansturen ESU
- G083 377/393 Relais afval hoofdschakelaar/CVS Relais coupe de l’interrupteur principal/ CVS
- G085 030 Relais overname hoofdschakelaar Relais maintien interrupteur principal
- G093 379/395 Relais CVS inschakelen waarschuwingknipperinstallatie Relais interrupteur de sécurité central, mise en fonction signal de détresse
- G099 031 Relais motorstop D+ Relais arrêt moteur D+
- G106 334 Relais bediening automatische versnellingsbak Voith Relais commande boîte de vitesses automatique Voith
- G118 303 Relais achteruitrij, automatische versnellingsbak Relais marche AR boîte de vitesses automatique
- G119 065 Relais motorstop EGAS Relais arrêt moteur EGAS
- G125 158 Relais motorolie temperatuur kontrole Relais contrôle température huile moteur
- G134 357 Relais deur vrijgave Relais déblocage portes
- G135 210 Relais voorkom schakelen Relais empêchement passage des rapports
- G138 363 Relais gas blokkering Relais blocage accélérateur
- G139 312/337 Relais 3 km/h Relais 3 km/h
- G140 287/296 Relais gaspedaal stand Relais position pédale d’accélérateur
- G141 358 Relais overname halterem Relais maintien frein par ouverture des portes
- G143 389 Relais oliedruk motor EPS Relais pression huile moteur EPS
- G147 032 Relais laadstroom Relais courant de charge
- G149 301/331 Relais vrijgave gas blokkering neutraal Relais déblocage accélérateur point mort
- G155 421 Relais waarschuwingslamp, stijgen/dalen vooras Relais voyant levage/abaissement essieu AV
- G168 355 Relais daalbeveiliging Relais de protection empêchement abaissement
- G169 208 Relais halterem Relais frein par ouverture des portes
- G200 342 Relais retarder reductie Relais réduction ralentisseur
- G215 075 Relais cartervulinstallatie (uitgeschakeld) Relais système remplissage du carter (coupé)
- G216 077 Relais cartervulinstallatie (ingeschakeld) Relais système remplissage du carter (actionné)
- G229 021 Relais motor stop Relais arrêt moteur
- G233 396 Relais centrale veiligheidsschakelaar overname functie Relais interrupteur de sécurité central maintien fonctionnement
- G251 380/398 Relais centrale veiligheidsschakelaar voeding waarschuwings- Relais interrupteur central de sécurité alimentation signal de détresse knipperlichten
- G252 187 Relais dimlicht (trekkers) Relais feux de croisement (tracteurs)
- G253 188 Relais grootlicht (trekkers) Relais feux de route (tracteurs)
- G254 364 Relais snelheidsbegrenzer antigas Relais limiteur de vitesse antigaz
- G265 015/022 Relais zoemer halterem, handrem uit Relais bruiteur frein par ouverture des portes, frein de parcage desserré
- G510 278-282 Massapunt 10 voudig Point de masse (10 bornes)
- G515 126 Centraal massapunt kabine (centraalkast) Point de masse central cabine (boîtier central)
- G517 128 Centraal massapunt kabine (chauffeurszijde) Point de masse central cabine (côté conducteur)
- H300 134 Konnektor 16 voudig Connecteur (16 bornes)
- A500 006 Batteries (2x) Batterien (2 Stck.)
- A502 026 Alternator (with integrated voltage regulator) 1 Generator (mit integriertem Spannungsregler) 1.
- B000 102 Motor, windscreen wiper Motor Scheibenwischer
- B001 108 Motor, windscreen washer pump Motor Scheibenwascherpumpe
- B007 287-291 Motor, road speed/engine speed, EGAS Motor Geschwindigkeit/Drehzahl EGAS
- B010 051 Motor, starter Anlasser
- B012 140 Buzzer, braking pressure/engine compartment temperature/coolant Summer Bremsdruck/Motorraumtemperatur/Kühlflüssigkeitstemperatur temperature
- B013 406 Fan, engine compartment cooling Motorraumlüfter
- B028 112 Horn Signalhorn
- B030 115 Cigar lighter, right Zigarettenanzünder links
- B034 167 Resistor, instrument lighting Widerstand Instrumentenbeleuchtung
- B038 044 Glow plug 1st Vorglühspirale 1.
- B039 044 Glow plug 2nd Vorglühspirale 2.
- B042 473 Air drier, heating element Heizelement Lufttrockner
- B045 011 Solenoid, cold start Elektromagnet Kaltstarthilfe
- B046 230 Valve, ABS, LH front Ventil ABS links vorn
- B047 232 Valve, ABS, RH front Ventil ABS rechts vorn
- B048 239 Valve, ABS, driven axle, LH Ventil ABS Antriebsachse links
- B049 237 Valve, ABS, driven axle, RH Ventil ABS Antriebsachse rechts
- B052 427 Valve, ECAS air supply, rear axle Ventil ECAS Druckluftvorrat Hinterachse
- B053 428 Valve, ECAS, driven axle, LH Ventil ECAS Antriebsachse links
- B054 429 Valve, ECAS, driven axle, RH Ventil ECAS Antriebsachse rechts
- B055 431 Valve, ECAS steered leading-rear axle/trailing LH Ventil ECAS gelenkte Vorlaufachse/Nachlaufachse links
- B056 432 Valve, ECAS second steered leading-rear axle/trailing axle RH Ventil ECAS gelenkte Vorlaufachse/Nachlaufachse rechts
- B058 309 Valve, retarder 1st Ventil Strömungsbremse 1.
- B059 310 Valve, retarder 2nd Ventil Strömungsbremse 2.
- B069 456/461 Valve, central lubrication pump Ventil Pumpe Zentralschmieranlage
- B082 061/063 Valve, engine stop/exhaust brake (ESU) Ventil Motorabstellvorrichtung/Motorbremse (ESU)
- B087 073 Fuel valve (CVS) Central Safety Circuit Ventil Kraftstoff (CVS) Zentrale Sicherheits Schaltung
- B102 078 Valve, oil sump filling system Ventil Ölnachfüllanlage
- B103 072/387 Valve, engine fuel valve Ventil Kraftstoffventil Motor
- B111 242 Valve, antiskid system of driven axle, RH Ventil ASR Antriebsachse rechts
- B112 240 Valve, antiskid system of driven axle, LH Ventil ASR Antriebsachse links
- B124 353 Valve, stop brake Ventil Haltestellebremse
- B143 366 Valve, anti-throttle Ventil Anti-Gas
- B152 420 Valve, lowering below normal height Ventil Senken unter Fahrhöhe
- B161 227/272 Valve, ABS speed limiter Ventil ABS Betätigung Geschwindigkeitsbegrenzer
- B255 352 Buzzer, stop brake, parking brake off Summer Haltestellebremse, Feststellbremse ausgeschaltet
- B291 367 Valve, air supply steering height adjustment Ventil Druckluftvorrat Lenkhöhenbedienung
- B292 433 Valve, ECAS-2 Ventil ECAS-2
- B501 122/167 Compact tachograph Kompaktfahrtschreiber
- B502 157 Rev counter (+) Drehzahlmesser (plus)
- B507 155 Volt meter Voltmeter
- B508 160 Gauge, engine coolant temperature Fernthermometer Motorkühlflüssigkeit
- B509 164 Gauge, engine oil pressure Motoröldruckmesser
- B511 158 Gauge, gearbox oil temperature Fernthermometer Getriebeöl
- B513 154 Gauge, fuel level Kraftstoffvorratsanzeiger
- B516 163 Gauge, air pressure Luftdruckmesser
- C000 184 Dipped beam, left Abblendlicht links
- C001 183 Dipped beam, right Abblendlicht rechts
- C002 190 Main beam, left Fernlicht links
- C003 189 Main beam, right Fernlicht rechts
- C008 194 Fog light, left Nebelscheinwerfer links
- C009 195 Fog light, right Nebelscheinwerfer rechts
- C010 177 Width indicator light, left Begrenzungsleuchte, Scheinwerfer links
- C011 178 Width indicator light, right Begrenzungsleuchte, Scheinwerfer rechts
- C014 097 Direction indicator, LH front Blinker links vorne
- C015 098 Direction indicator, RH front Blinker rechts vorne
- C018 095 Direction indicator, LH rear Blinker links hinten
- C019 096 Direction indicator, RH rear Blinker rechts hinten
- C020 203 Stop light, left Bremsleuchte links
- C021 204 Stop light, right Bremsleuchte rechts
- C022 179 Tail light, left Rückleuchte links
- C023 180 Tail light, right Rückleuchte rechts
- C024 196 Rear fog light, left Nebelrückleuchte links
- C025 197 Rear fog light, right Nebelrückleuchte rechts
- C026 218 Reversing lamp, left Rückfahrscheinwerfer links
- C027 219 Reversing lamp, right Rückfahrscheinwerfer rechts
- C098 191 Head lamp, F2100-2500, LH Scheinwerfer F2100-2500, links
- C099 192 Head lamp, F2100-2500, RH Scheinwerfer F2100-2500, rechts
- C152 181 Tail light, LH (tractors) Rückleuchte links (Sattelzugmaschinen)
- C153 182 Tail light, RH (tractors) Rückleuchte rechts (Sattelzugmaschinen)
- C160 099 Direction indicator LH (tractors) Blinker links (Sattelzugmaschinen)
- C161 100 Direction indicator RH (tractors) Blinker rechts (Sattelzugmaschinen)
- C500 171 Switch, lighting Schalter Beleuchtung
- C503 168 Switch, fog lights Schalter Nebelscheinwerfer
- C504 171 Switch, rear fog lights Schalter Nebelrückleuchten
- C508 088/108-112/174 Switch, direction indicators, dipped/main beam, horn, windscreen Schalter Blinker, Fern-/Abblendlicht, Signalhorn, Scheibenwischer/-wascher/Intervall wipe/wash, intermittent wipe
- C509 082-087 Switch, hazard warning lights (with switch lighting) Schalter Warnblinkleuchten (mit Suchbeleuchtung)
- C520 020 Switch, ignition/glowing/starting Schalter Kontakt/Vorglühen/Anlassen
- C522 011 Switch, cold-starting Schalter Kaltstarthilfe
- C523 041 Switch, glowing Schalter Vorglühen
- C525 008 Switch, main switch control Schalter Hauptschalterbetätigung
- C577 057 Switch, additional start control Schalter Zusatzbetätigung Anlassen
- C578 059 Switch, additional stop control Schalter Zusatzbetätigung Motorabstellen
- C579 058 Switch, additional glowing control Schalter Zusatzbetätigung Vorglühen
- C580 057 Switch, engine control, engine compartment Schalter zusätzl. Motorbetätigung
- C582 301-311 Switch, 4/5 HP 500 (stepping) Stufenschalter 4/5 HP 500
- C596 305/340 Switch, reversing light Schalter Rückfahrscheinwerfer
- C626 377/393 Switch, central safety circuit (501) Schalter zentrale Sicherheitsschaltung (501)
- C629 448 Switch, normal height, ECAS Schalter Fahrhöhe ECAS
- C631 421/445 Switch, ECAS, lifting/lowering Schalter ECAS Heben/Senken
- C632 013 Ignition switch Kontaktschalter
- C633 015/017 Starter switch Anlaßschalter
- C634 317/322/326/339 Switch, retarder on/off Schalter Dauerbremse ein/aus
- C683 358 Control switch stop brake Prüfschalter Haltestellebremse
- C692 347 Switch, retarder pedal control (stepping) Schalter Pedal Dauerbremse (Stufen)
- C759 442 Switch, ECAS-2 lowering Schalter ECAS-2 Senken
- D000 192 Warning lamp, blue, main beam Anzeigeleuchte, blau, Fernlicht
- D001 092 Warning lamp, green, direction indicators, tractive vehicle Anzeigeleuchte, grün, Blinker Zugmaschine
- D005 206 Warning lamp, red, parking brake Anzeigeleuchte, rot, Feststellbremse
- D006 162 Warning lamp, red, air pressure (brakes) Anzeigeleuchte, rot, Luftdruck Bremsen
- D007 161 Warning lamp, red, oil temperature (retarder) Anzeigeleuchte, rot, Öltemperatur Dauerbremse
- D018 035 Warning lamp, green, main switch Anzeigeleuchte, grün, Hauptschalter
- D028 030 Warning lamp, red, battery charge, alternator 2 Anzeigeleuchte, rot, Ladestrom 2. Generator
- D029 145 Warning lamp, red, engine oil pressure Anzeigeleuchte, rot, Motoröldruck
- D032 137 Warning lamp, red, engine coolant temperature Anzeigeleuchte, rot, Motorkühlflüssigkeitstemperatur
- D039 143 Warning lamp, orange, air cleaner, engine Anzeigeleuchte, orange, Luftfilter Motor
- D041 271/283 Warning lamp, red, speed limiter (EGAS) out of order Anzeigeleuchte, rot, Geschwindigkeitsbegrenzer/EGAS defekt
- D042 285 Warning lamp, orange, overspeed (EGAS) Anzeigeleuchte, orange, EGAS Überdrehzahl
- D043 249 Warning lamp, red, ABS (tractive vehicle) out of order Anzeigeleuchte, rot, ABS Zugmaschine defekt
- D047 410/416 Warning lamp, red, engine compartment temperature too high Anzeigeleuchte, rot, Motorraumtemperatur zu hoch (Alarm) + Betrieb Lüfter (alarm) + fan operation
- D050 426 Warning lamp, red, ECAS out of order Anzeigeleuchte, rot, ECAS defekt
- D051 424/429 Warning lamp, red, ECAS vehicle height incorrect (function) Anzeigeleuchte, rot, ECAS Fahrzeughöhe nicht richtig (Funktion)
- D053 457/464 Warning lamp, orange, central lubrication Anzeigeleuchte, orange, Zentralschmieranlage
- D066 390 Warning lamp, red Anzeigeleuchte, rot
- D075 317/326 Warning lamp, red, retarder off Anzeigeleuchte, rot, Dauerbremse aus
- D076 313/328 Warning lamp, green, retarder (function) Anzeigeleuchte, grün, Dauerbremse (Funktion)
- D078 152 Warning lamp, yellow, differential locking Anzeigeleuchte, gelb, Ausgleichsperre
- D081 187 Warning lamp, green, dipped beam Anzeigeleuchte, grün, Abblendlicht
- D093 197 Warning lamp, yellow, rear fog lamp Anzeigeleuchte, gelb, Nebelrückleuchte
- D113 354 Warning lamp, red, stop brake Anziegeleuchte, rot, Haltestellebremse
- D119 350 Warning lamp, red, gearbox out of order Anzeigeleuchte, rot, Getriebe defekt
- D501 089-100 Electronic unit, flasher unit (direction indicators) Elektron. Steuergerät Blinker
- D504 101-107 Electronic unit, wipe/wash/intermittent wipe Elektron. Steuergerät Scheibenwischer/-wascher/Intervall
- D507 276-292 Electronic unit, EGAS Elektron. Steuergerät EGAS
- D508 226-249 Electronic unit, ABS Elektron. Steuergerät ABS
- D512 268-274 Electronic unit, speed limiter Elektron. Steuergerät Geschwindigkeitsbegrenzer
- D519 453-457/460-463 Electronic unit, central system lubrication (W. Vogel) Elektron. Steuergerät Zentralschmieranlage (W. Vogel)
- D530 306-320 Electronic unit, 4/5 HP500 Elektron. Steuergerät 4/5 HP500
- D531 316-320/345-350 Electronic unit, 4/5 HP500 (gearbox) Elektron. Steuergerät 4/5 HP500 (Getriebe)
- D541 198-200/402-404 Electronic unit, dim-dip Elektron. Steuergerät GB-Abblendlicht
- D569 043 Electronic unit, operation, automatic gearbox, Voith Elektron. Steuergerät Voith-Automatgetriebe
- D577 sheet24 Electronic unit, signal converter Elektron. Steuergerät Signalumformer
- D581 384 Electronic unit, EPS Elektron. Steuergerät EPS
- D590 329-350 Electronic unit, Voith gearbox Elektron. Steuergerät Voith Getriebe
- D596 043 Electronic unit, timer, glowing Elektron. Steuergerät Timer Nachglühen
- D600 170 Diode, rear fog light (dipped beam) Diode Nebelrückleuchte (Abblendlicht)
- D601 169 Diode, rear fog light (fog light) Diode Nebelrückleuchte/Nebelscheinwerfer
- D609 172 Diode, light switch Diode Beleuchtungsschalter
- D610 173 Diode, main beam/dipped beam Diode Fern-/Abblendlicht
- D614 141 Diode, engine coolant temperature Diode Motortemperatur
- D615 140 Diode, braking pressure Diode Bremsdruck
- D616 140 Diode, coolant temperature Diode Kühlflüssigkeitstemperatur
- D618 065 Diode, engine stop Diode Motorabstellvorrichtung
- D637 008 Diode, electrical main switch Diode elektrischer Hauptschalter
- D638 030 Diode, transfer relay, main switch, alternator 1 Diode Weiterschaltrelais Hauptschalter 1. Generator
- D642 090 Diode, LH direction indicators Diode Blinker links
- D643 090 Diode, RH direction indicators Diode Blinker rechts
- D646 030 Diode, IWS, alternator voltage too low, alternator 1 Diode IWS Generatorspannung zu niedrig (1. Generator)
- D650 011 Diode, engine compartment fan Diode Motorraumlüfter
- D651 406 Diode, instrument lighting, D+ Diode Instrumentenbeleuchtung D+
- D652 407 Diode, damping, engine compartment fan Diode Dämpfung Motorraumlüfter
- D654 065 Diode, engine stop Diode Motorabstellvorrichtung
- D655 210 Diode, stop lights Diode Bremsleuchten
- D656 062 Diode, engine stop solenoid Diode Elektromagnet Motorabstellvorrichtung
- D657 306 Diode, operation of reversing lights Diode Schalter Rückfahrscheinwerfer
- D661 357 Diode, stop brake, gearshift function blocked Diode Schaltsperre Haltestellebremse
- D662 358 Diode, parking brake warning lamp Diode Anzeigeleuchte Feststellbremse
- D663 361 Diode, service brake, gearshift function blocked Diode Schaltsperre Betriebsbremse
- D665 065 Diode, increase traction feedback prevention Diode Anfahrhilfe, Rückspeisung verhindern
- D666 206 Diode, parking brake, warning lamp Diode Anzeigeleuchte Feststellbremse
- D667 389 Diode, warning lamp EPS Diode Anzeigeleuchte EPS
- D672 209 Diode, brake fluid level Diode Bremsflüssigkeitsstand
- D680 361 Diode, speed signal, stop brake Diode Geschwindigkeitssignal Haltestellebremse
- D681 288/297 Diode, idle relay, accelerator pedal control Diode Freilauf Relais, Betätigung über Gaspedal
- D692 110 Diode, windscreen wiper Diode Scheibenwischer
- D695 142 Diode, buzzer, oil pressure Diode Summer Öldruck
- D802 426-446 Electronic unit, ECAS-2 Elektron. Steuergerät ECAS-2
- D832 332-338 Electronic unit, operation Voith gearbox Elektron. Steuergerät Voith Bedienung Getriebe
- E000 179 Fuse 7.5A, LH side-marker/corner-marker/tail light Sicherung 7,5A Seitenmarkierungs-/Umriß-/Rückleuchte links
- E001 177 Fuse 7.5A, RH side-marker/corner-marker/tail light Sicherung 7,5A Seitenmarkierungs-/Umriß-/Rückleuchte rechts
- E004 185 Fuse 7.5A, dipped beam, left Sicherung 7,5A Abblendlicht, links
- E005 183 Fuse 7.5A, dipped beam/dipped beam warning lamp, right Sicherung 7,5A Abblendlicht/Abblendlicht Anzeige, rechts
- E006 191 Fuse 7.5A, main beam, left Sicherung 7,5A Fernlicht, links
- E007 198 Fuse 7.5A, main beam/main beam warning lamp, right Sicherung 7,5A Fernlicht/Fernlicht Anzeige, rechts
- E009 194 Fuse 7.5A, fog lights Sicherung 7,5A Nebelscheinwerfer
- E010 196 Fuse 7.5A, rear fog lights Sicherung 7,5A Nebelrückleuchten
- E013 211 Fuse 7.5A, stop lights Sicherung 7,5A Bremsleuchten
- E016 218 Fuse 7.5A, reversing lights Sicherung 7,5A Rückfahrscheinwerfer
- E017 122 Fuse 7.5A, hazard warning system/tachograph measuring system (A3) Sicherung 7,5A Warnblinkanlage/Fahrtschreibermeßwerk (A3)
- E019 041 Fuse 7.5A, operation, glowing Sicherung 7,5A Vorglühbetätigung
- E022 002 Fuse 7.5A, hazard warning system Sicherung 7,5A Warnblinkanlage
- E024 112 Fuse 7.5A, wipe/wash/intermittent wipe Sicherung 7,5A Scheibenwischer/-wascher/Intervallschaltung
- E025 108 Fuse 15A, windscreen wiper motor/headlamp washer motor Sicherung 15A Scheibenwischermotor/Scheinwerferwaschermotor
- E026 115 Fuse 7.5A, cigar lighter Sicherung 7,5A Zigarettenanzünder
- E029 324/327 Fuse 7.5A, retarder/exhaust brake Sicherung 7,5A Dauerbremse/Motorbremse
- E035 151/sheet24 Fuse 7.5A, instruments and warning lamps Sicherung 7,5A Instrumente und Anzeigeleuchten
- E037 019/043 Fuse 7.5A, ignition lock Sicherung 7,5A Kontaktschloß
- E040 228 Fuse 7.5A, ABS Sicherung 7,5A ABS
- E041 227 Fuse 7.5A, ABS Sicherung 7,5A ABS
- E042 245 Fuse 7.5A, ABS Sicherung 7,5A ABS
- E049 004 Fuse 7.5A, central lubrication Sicherung 7,5A Zentralschmieranlage
- E050 455/461 Fuse 7.5A, chassis lubrication Sicherung 7,5A Zentralschmieranlage
- E051 442 Fuse 7.5A, ECAS-1 Sicherung 7,5A ECAS-1
- E053 133 Fuse 7.5A, ECAS (16-pole diagnostic connector) Sicherung 7,5A ECAS (16-poliger Diagnoseanschluß)
- E055 276 Fuse 7.5A, EGAS (6/2) Sicherung 7,5A EGAS (6/2)
- E056 269/293 Fuse 7.5A, EGAS Sicherung 7,5A EGAS
- E061 421/437 Fuse 7.5A, ECAS bus Sicherung 7,5A ECAS Bus
- E065 057 Fuse 7.5A, start locking relay/additional operation Sicherung 7,5A Start-Sperrelais/Zusatzbetätigung
- E084 175 Fuse 7.5A, lighting Sicherung 7,5A Beleuchtung
- E089 005 Fuse 7.5A, compact tachograph, VLG A1 Sicherung 7,5A Kompaktfahrtschreiber VLG A1
- E091 473 Fuse 7.5A, heating element, air drier, fuel sedimenter Sicherung 7,5A Heizelement Lufttrockner/Kraftstoff-Schmutzabscheider
- E101 303 Fuse 7.5A, neutral position, Easyshift Sicherung 7,5A Neutralposition Easyshift
- E104 199 Fuse 5A, lighting/dim-dip unit Sicherung 5A Beleuchtung/GB-Abblendlicht
- E107 003 Fuse 15A, central safety switch Sicherung 15A Zentrale Sicherheitsschaltung
- E109 072 Fuse 7.5A, oil sump filling system/engine fuel valve Sicherung 7,5A Ölwannefüllanlage/Kraftstoffventil Motor
- E119 153 Fuse 7.5A, control relay, power supply unit injector Sicherung 7,5A Prüfrelais Motoröltemperatur
- E131 191 Fuse 7.5A, main beam Sicherung 7,5A Fernlicht
- E132 185 Fuse 7.5A, dipped beam Sicherung 7,5A Abblendlicht
- E201 403/414 Fuse 15A, engine compartment fan Sicherung 15A Motorraumlüfter
- E225 027 Fuse 5A, alternator D+ Sicherung 5A Generator D+
- E226 033/075 Fuse 7.5A, battery charge D+ Sicherung 7,5A Batterie Ladestrom D+
- E227 359 Fuse 7.5A, stop brake Sicherung 7,5A Haltestellebremse (N.B.S)
- E228 384 Fuse 7.5A, engine protection system Sicherung 7,5A Motorschutzsystem
- E231 001 Fuse 7.5A, oil sump filling system Sicherung 7,5A Ölwannenfüllanlage
- E232 052 Fuse 15A, start relay Sicherung 15A Anlaßrelais
- E247 008 Fuse 7.5A, main switch steering signal Sicherung 7,5A Hauptschalter Lenksignal
- E249 181 Fuse 7.5A, tail light (tractors) Sicherung 7,5A Rückleuchte (Sattelzugnaschinen)
- E503 454/462 Operating switch, central lubrication cycle Schalter Zentralschmierzyklus
- E511 211 Operating switch, stop light, 1st Schalter Bremsleuchte (1.)
- E519 320/330 Operating switch, 4/5 HP500, kickdown Schalter Kick-down 4/5 HP500
- E520 322 Operating switch, ZF retarder, operation Schalter Strömungsbremse ZF
- F000 206 Control switch, parking brake Prüfschalter Feststellbremse
- F006 152 Control switch, (1st) differential lock Prüfschalter Ausgleichsperre 1. Achse
- F011 145 Control switch, engine oil pressure Prüfschalter Motoröldruck
- F016 143 Control switch, air cleaner, engine Prüfschalter Luftfilter Motor
- F025 435 Control switch, air pressure, air suspension system Prüfschalter Luftdruck Luftfederung
- F049 446 Control switch, door release, bus, ECAS Prüfschalter Türfreigabe Bus ECAS
- F061 387-389 Control switch, engine oil pressure EPS Prüfschalter Motoröldruck EPS
- F062 387-390 Control switch, coolant temperature EPS Prüfschalter Motorkühlflüssigkeitstemperatur EPS
- F078 077 Control switch, oil sump filling system Prüfschalter Ölwannenfüllanlage
- F083 137 Control switch, engine coolant level Prüfschalter Motorkühlflüssigkeitsstand
- F086 352 Control switch, stop brake Prüfschalter Haltestellebremse
- F501 157/300/346/sheet24 Sensor, engine speed Sensor Motordrehzahl
- F502 138 Sensor, engine coolant temperature with switch Sensor Motorkühlflüssigkeitstemperatur mit Schalter
- F503 164 Sensor, engine oil pressure Sensor Motoröldruck
- F505 159 Sensor, gearbox oil temperature Sensor Getriebeöltemperatur
- F512 230 Sensor, locking signal, ABS, LH front Sensor Blockiersignal ABS links vorn
- F513 232 Sensor, locking signal, ABS, RH front Sensor Blockiersignal ABS rechts vorn
- F514 239 Sensor, locking signal, ABS, driven axle, LH Sensor Blockiersignal ABS Antriebsachse links
- F515 237 Sensor, locking signal, ABS, driven axle, RH Sensor Blockiersignal ABS Antriebsachse rechts
- F526 432 Sensor, height rear axle LH, ECAS Sensor Höhe Hinterachse links ECAS
- F527 433 Sensor, height rear axle RH, ECAS Sensor Höhe Hinterachse rechts ECAS
- F531 288-292 Sensor, accelerator pedal, EGAS Sensor Pedalwertgeber EGAS
- F533 125 Sensor, road speed (4-pole) Sensor Fahrgeschwindigkeit, 4 polig, 1.
- F535 161 Sensor, engine coolant temperature Sensor Motorkühlflüssigkeitstemperatur
- F540 153 Sensor, fuel level Sensor Kraftstoffvorrat
- F541 307/343 Sensor, fuel pump position Sensor Einspritzpumpenstand
- F543 405 Sensor, engine compartment temperature, 70°C Sensor Motorraumtemperatur 70°C
- F548 409/414 Sensor, locking signal, ABS, 2nd front axle, LH Sensor Blockiersignal ABS 2. Vorderachse links
- F551 434 Sensor, height front axle, ECAS Sensor Höhe Vorderachse ECAS
- F569 430 Sensor, pressure, ECAS, driven axle, LH, RH Sensor Druck ECAS Antriebsachse links/rechts
- F573 295 Sensor, stop brake Sensor Haltestellebremse
- G000 172 Relay, width indicator/side-marker/tail lights Relais Begrenzungs-/Seitenmarkierungs-/Rückleuchte
- G001 173 Relay, dipped beam Relais Abblendlicht
- G002 175 Relay, main beam Relais Fernlicht
- G004 169/194 Relay, fog light Relais Nebelscheinwerfer
- G005 171/196 Relay, fog light, rear Relais Nebelrückleuchte
- G007 304/332 Relay, reversing lamps Relais Rückfahrscheinwerfer
- G008 111 Relay, windscreen wipers (speed I, II) Relais Scheibenwischer (Geschwindigkeit I, II)
- G009 110 Relay, windscreen wipers (automatic parked position) Relais Scheibenwischer (automat. neutral)
- G014 058 Relay, glow plug Relais Vorglühkerze
- G015 014/019 Relay, ignition Relais Kontakt
- G021 242 Relay, ABS power supply Relais ABS Stromzufuhr
- G022 243 Relay, ABS power supply Relais ABS Stromzufuhr
- G023 245 Relay, ABS, 3rd brake/retarder Relais ABS 3. Bremse/Dauerbremsen
- G025 241 Relay, ABS warning lamp Relais ABS Anzeigeleuchte
- G036 211/202 Relay, stop light, 1st Relais 1. Bremsleuchte
- G038 055 Relay, start Relais Anlaß
- G039 302/330 Relay, start inhibitor Relais Anlaß-Sperre
- G053 007 Relay, main switch Relais Hauptschalter
- G059 322/333 Relay, retarder operation Relais Betätigung Dauerbremse
- G062 405 Relay, engine compartment fan, auxiliary fan Relais zusätzliche Motorraumlüftung
- G079 054 Relay, start inhibitor Relais Anlaßsperre
- G080 090 Relay, acoustic signal, direction indicators Relais akustisches Signal Blinker
- G081 409/414 Relay, alarm, engine compartment temperature Relais Alarm Motorraumtemperatur
- G082 378/394 Relay, central safety circuit/switching off engine compartment Relais Zentraler Sicherheitsschaltung/Ausschalten Motorraumlüfter/Ansteuern ESU fan/ ESU control
- G083 377/393 Relay, main switch, drop-out/CVS Relais Ausfallen Hauptschalter/CVS
- G085 030 Relay, main switch, transfer Relais Weiterschaltung Hauptschalter
- G093 379/395 Relay, central safety circuit, switching on hazard warning lights Relais zentrale Sichterheitsschalter Einschalten Warnblinkanlage
- G099 031 Relay, engine stop, D+ Relais Motorabstellvorrichtung D+
- G106 334 Relay, control, automatic gearbox, Voith Relais Voith-Automatgetriebe-Steuerung
- G118 303 Relay, reversing gear, automatic gearbox Relais Rückwärtsgang Automatgetriebe
- G119 065 Relay, engine stop, EGAS Relais Motorabstellvorrichtung EGAS
- G125 158 Relay, engine oil temperature control Relais Anzeigeleuchte Motoröltemperatur
- G134 357 Relay, door release Relais Türfreigabe
- G135 210 Relay, gearshift prevention Relais Schaltsperre
- G138 363 Relay, throttle blocking Relais Gassperre
- G139 312/337 Relay, 3 km/h Relais 3 km/h
- G140 287/296 Relay, accelerator pedal position Relais Gaspedalposition
- G141 358 Relay, stop brake transfer Relais Weiterschaltung Haltestellebremse
- G143 389 Relay, engine oil pressure EPS Relais Motoröldruck EPS
- G147 032 Relay, charging current Relais Ladestrom
- G149 301/331 Relay, throttle blocking released if gearbox is in neutral Relais Freigabe Gassperre Neutralposition
- G155 421 Relay, warning lamp lifting/lowering front axle Relais Anzeigeleuchte heben/senken Vorderachse
- G168 355 Relay, safety, lowering prevented Relais Senken verhindern
- G169 208 Relay, stop brake Relais Ausschalten Haltestellebremse
- G200 342 Relay, retarder reduction Relais Dauerbremse Reduzierung
- G215 075 Relay, oil sump filling system (off) Relais Ausschalten Ölwannenfüllanlage
- G216 077 Relay, oil sump filling system (on) Relais Einschalten Ölwannenfüllanlage
- G229 021 Relay, engine stop Relais Motorabstellvorrichtung
- G233 396 Relay, central safety switch transfer function Relais zentrale Sicherheitsschaltung Übernahme
- G251 380/398 Relay, central safety switch hazard lights supply Relais Zentraler Sicherheitsschalter Stromversorgung Warnblinkanlage
- G252 187 Relay, dipped beam (tractors) Relais Abblendlicht (Sattelzugmaschimen)
- G253 188 Relay, main beam (tractors) Relais Fernlicht (Sattelzugmaschinen)
- G254 364 Relay, speed limiter anti-throttle Relais Geschwindigkeitsbegrenzer Anti-Gas
- G265 015/022 Relay, stop brake buzzer, parking brake off Relais Summer Haltestellebremse, Feststellbremse ausgeschaltet
- G510 278-282 Earth connection, 10-pole Masseanschluß (10 polig)
- G515 126 Central earth connection, cab (central box) Zentralmasse Fahrerhaus (Zentralschaltkasten)
- G517 128 Central earth connection, cab (driver’s side) Zentralmasse Fahrerhaus (Fahrerseite)
- H300 134 Connector, 16-pole Konnektor (16 polig)
CODE D1193394 DESCRIPC
- A500 006 Baterías (2 unidades)
- A502 026 Alternador (con regulador de tensión integrado) 1.
- B000 102 Motor limpiaparabrisas
- B001 108 Motor bomba lavaparabrisas
- B007 287-291 Motor reglaje velocidad/régimen EGAS
- B010 051 Motor arranque
- B012 140 Zumbador presión frenado/temperatura compartimiento motor/temperatura refrigerante
- B013 406 Ventilador refrigeración compartimiento motor
- B028 112 Bocina
- B030 115 Encendedor de cigarrillos lado conductor
- B034 167 Resistencia alumbrado instrumentos
- B038 044 Antorcha de precalentamiento 1.
- B039 044 Antorcha de precalentamiento 2.
- B042 473 Elemento calefactor secador de aire
- B045 011 Imán dispositivo auxiliar arranque en frío
- B046 230 Válvula ABS delantera izquierda
- B047 232 Válvula ABS delantera derecha
- B048 239 Válvula ABS eje motor, izquierda
- B049 237 Válvula ABS eje motor, derecha
- B052 427 Válvula ECAS suministro aire eje trasero
- B053 428 Válvula ECAS eje motor, izquierda
- B054 429 Válvula ECAS eje motor, derecha
- B055 431 Válvula ECAS eje direccionable/eje arrastrado, izquierda
- B056 432 Válvula ECAS eje direccionable/eje arrastrado derecha
- B058 309 Válvula retardador 1.
- B059 310 Válvula retardador 2.
- B069 456/461 Válvula bomba engrase centralizado
- B082 061/063 Válvula parada motor/freno motor (ESU)
- B087 073 Válvula combustible (CVS) Circuito de seguridad central
- B102 078 Válvula sistema llenado cárter
- B103 072/387 Válvula mariposa combustible del motor
- B111 242 Válvula ASR eje motor, derecha
- B112 240 Válvula ASR eje motor, izquierda
- B124 353 Válvula freno paradas
- B143 366 Válvula antiaceleración
- B152 420 Válvula descenso por debajo altura marcha
- B161 227/272 Válvula ABS limitador velocidad
- B255 352 Zumbador freno paradas, freno estacionamiento desconexión
- B291 367 Válvula suministro aire mando altura del volante
- B292 433 Válvula ECAS-2
- B501 122/167 Tacógrafo compacto
- B502 157 Cuentarrevoluciones (+)
- B507 155 Voltímetro
- B508 160 Indicador temperatura refrigerante motor
- B509 164 Manómetro presión aceite motor
- B511 158 Indicador temperatura aceite caja de cambios
- B513 154 Indicador nivel combustible
- B516 163 Manómetro presión aire
- C000 184 Luz cruce izquierda
- C001 183 Luz cruce derecha
- C002 190 Luz carretera izquierda
- C003 189 Luz carretera derecha
- C008 194 Faro antiniebla izquierdo
- C009 195 Faro antiniebla derecho
- C010 177 Luz anchura/faro izquierdo
- C011 178 Luz anchura/faro derecho
- C014 097 Intermitente dirección delantero izquierdo
- C015 098 Intermitente dirección delantero derecho
- C018 095 Intermitente dirección trasero izquierda
- C019 096 Intermitente dirección trasero derecha
- C020 203 Luz de pare izquierda
- C021 204 Luz de pare derecha
- C022 179 Luz trasera izquierda
- C023 180 Luz trasera derecha
- C024 196 Luz antiniebla trasera izquierda
- C025 197 Luz antiniebla trasera derecha
- C026 218 Luz marcha atrás izquierda
- C027 219 Luz marcha atrás derecha
- C098 191 Faro izquierdo F2100-2500
- C099 192 Faro derecho F2100-2500
- C152 181 Luz trasera izquierda (tractoras)
- C153 182 Luz trasera derecha (tractoras)
- C160 099 Intermitente dirección izquierda (tractoras)
- C161 100 Intermitente dirección derecha (tractoras)
- C500 171 Interruptor alumbrado
- C503 168 Interruptor faros antiniebla
- C504 171 Interruptor luces antiniebla traseras
- C508 088/108-112/174 Interruptor intermitentes dirección/luz carretera/luz cruce/bocina/limpia/lavaparabrisas/temporizador
- C509 082-087 Interruptor intermitentes de aviso con alumbrado de ubicación
- C520 020 Interruptor contacto/precalentamiento/arranque
- C522 011 Interruptor arranque en frío
- C523 041 Interruptor precalentamiento
- C525 008 Interruptor mando interruptor principal
- C577 057 Interruptor mando auxiliar arranque motor
- C578 059 Interruptor mando auxiliar parada motor
- C579 058 Interruptor mando auxiliar precalentamiento
- C580 057 Interruptor conmutación motor en compartimiento motor
- C582 301-311 Interruptor paso a paso 4/5 HP 500
- C596 305/340 Interruptor luz marcha atrás
- C626 377/393 Interruptor circuito central de seguridad (501)
- C629 448 Interruptor nivel de marcha ECAS
- C631 421/445 Interruptor ECAS elevación/descenso
- C632 013 Interruptor de contacto
- C633 015/017 Interruptor de arranque
- C634 317/322/326/339 Interruptor conexión/desconexión retardador
- C683 358 Conmutador de control freno de paradas
- C692 347 Interruptor pedal retardador (posiciones)
- C759 442 Interruptor ECAS-2 descenso
- D000 192 Testigo azul luz carretera
- D001 092 Testigo verde intermitentes dirección vehículo tractor
- D005 206 Testigo rojo freno estacionamiento
- D006 162 Testigo rojo presión aire (frenos)
- D007 161 Testigo rojo temperatura aceite retardador
- D018 035 Testigo verde interruptor principal
- D028 030 Testigo rojo corriente de carga alternador 2
- D029 145 Testigo rojo presión aceite motor
- D032 137 Testigo rojo temperatura refrigerante motor
- D039 143 Testigo naranja filtro aire motor
- D041 271/283 Testigo rojo avería limitador velocidad/EGAS
- D042 285 Testigo naranja sobrevelocidad/EGAS
- D043 249 Testigo rojo avería ABS vehículo tractor
- D047 410/416 Testigo rojo temperatura compartimiento motor demasiado alta (alarma) + funcionamiento ventilación
- D050 426 Testigo rojo avería ECAS
- D051 424/429 Testigo rojo ECAS altura vehículo incorrecta (funcción)
- D053 457/464 Testigo naranja engrase centralizado
- D066 390 Testigo rojo
- D075 317/326 Testigo rojo retardador fuera de servicio
- D076 313/328 Testigo verde función retardador
- D078 152 Testigo amarillo bloqueo diferencial
- D081 187 Testigo verde luz cruce
- D093 197 Testigo amarillo luz antiniebla trasera
- D113 354 Testigo rojo freno paradas
- D119 350 Testigo rojo avería caja de cambios
- D501 089-100 Unidad electrónica central intermitentes
- D504 101-107 Unidad electrónica limpia/lavaparabrisas/temporizador
- D507 276-292 Unidad electrónica EGAS
- D508 226-249 Unidad electrónica ABS
- D512 268-274 Unidad electrónica limitador velocidad
- D519 453-457/460-463 Unidad electrónica engrase centralizado (W. Vogel)
- D530 306-320 Unidad electrónica 4/5 HP500
- D531 316-320/345-350 Unidad electrónica caja de cambios 4/5 HP500
- D541 198-200/402-404 Unidad electrónica atenuación luz cruce
- D569 043 Unidad electrónica mando caja de cambios automática Voith
- D577 sheet24 Unidad electrónica señal convertidor
- D581 384 Unidad electrónica EPS
- D590 329-350 Unidad electrónica caja de cambios Voith
- D596 043 Unidad electrónica temporizador recalentamiento
- D600 170 Diodo luz antiniebla trasera (luz cruce)
- D601 169 Diodo luz antiniebla trasera (faro antiniebla)
- D609 172 Diodo interruptor alumbrado
- D610 173 Diodo luz carretera/luz cruce
- D614 141 Diodo temperatura motor
- D615 140 Diodo presión frenado
- D616 140 Diodo temperatura refrigerante
- D618 065 Diodo parada motor
- D637 008 Diodo interruptor principal eléctrico
- D638 030 Diodo relé relevo momentáneo interruptor principal alternador primero
- D642 090 Diodo intermitentes dirección izquierda
- D643 090 Diodo intermitentes dirección derecha
- D646 030 Diodo IWS, tensión alternador 1. demasiado baja
- D650 011 Diodo ventilador compartimiento motor
- D651 406 Diodo alumbrado instrumentos D+
- D652 407 Diodo amortiguación ventilador compartimiento motor
- D654 065 Diodo parada motor
- D655 210 Diodo luces de pare
- D656 062 Diodo imán parada motor
- D657 306 Diodo mando luces marcha atrás
- D661 357 Diodo freno paradas bloqueo cambio de marcha
- D662 358 Diodo testigo freno estacionamiento
- D663 361 Diodo bloqueo de cambio con freno puesto
- D665 065 Diodo incrementador tracción desactivación retroalimentación
- D666 206 Diodo testigo freno estacionamiento
- D667 389 Diodo testigo EPS
- D672 209 Diodo nivel líquido frenos
- D680 361 Diodo señal velocidad freno paradas
- D681 288/297 Diodo relé carrera libre activado por pedal freno
- D692 110 Diodo interruptor limpiaparabrisas
- D695 142 Diodo zumbador presión aceite
- D802 426-446 Unidad electrónica ECAS-2
- D832 332-338 Unidad electrónica de mando caja de cambios Voith
- E000 179 Fusible 7,5A luz anchura/luz trasera izquierda
- E001 177 Fusible 7,5A luz anchura/ luz trasera derecha
- E004 185 Fusible 7,5A luz cruce izquierda
- E005 183 Fusible 7,5A testigo luz cruce derecha
- E006 191 Fusible 7,5A luz carretera izquierda
- E007 198 Fusible 7,5A luz carretera/testigo luz carretera derecha
- E009 194 Fusible 7,5A faros antiniebla
- E010 196 Fusible 7,5A luz antiniebla trasera
- E013 211 Fusible 7,5A luces pare
- E016 218 Fusible 7,5A luces marcha atrás
- E017 122 Fusible 7,5A sistema testigos aviso/sistema de medición tacógrafo (A3)
- E019 041 Fusible 7,5A mando precalentamiento
- E022 002 Fusible 7,5A sistema intermitentes de aviso
- E024 112 Fusible 7,5A limpia/lavaparabrisas/barrido intermitente
- E025 108 Fusible 15A motor limpiaparabrisas/motor lavafaros
- E026 115 Fusible 7,5A encendedor de cigarrillos
- E029 324/327 Fusible 7,5A retardadores/freno motor
- E035 151/sheet24 Fusible 7,5A instrumentos y testigos
- E037 019/043 Fusible 7,5A interruptor de contacto
- E040 228 Fusible 7,5A ABS
- E041 227 Fusible 7,5A ABS
- E042 245 Fusible 7,5A ABS
- E049 004 Fusible 7,5A engrase centralizado
- E050 455/461 Fusible 7,5A engrase centralizado
- E051 442 Fusible 7,5A ECAS-1
- E053 133 Fusible 7,5A ECAS (conector de diagnóstico 16 polos)
- E055 276 Fusible 7,5A EGAS (6/2)
- E056 269/293 Fusible 7,5A EGAS
- E061 421/437 Fusible 7,5A ECAS autobús
- E065 057 Fusible 7,5A relé bloqueo arranque/mando auxiliar
- E084 175 Fusible 7,5A alumbrado
- E089 005 Fusible 7,5A tacógrafo compacto VLG A1
- E091 473 Fusible 7,5A elemento calefactor secador de aire/separador impurezas combustible
- E101 303 Fusible 7,5A punto muerto Easy-shift
- E104 199 Fusible 5A alumbrado unidad atenuación luz cruce
- E107 003 Fusible 15A interruptor central de seguridad
- E109 072 Fusible 7,5A sistema alimentación cárter/válvula bloqueo combustible motor
- E119 153 Fusible 7,5A relé control temperatura aceite motor
- E131 191 Fusible 7,5A luz carretera
- E132 185 Fusible 7,5A luz cruce
- E201 403/414 Fusible 15A ventilador compartimiento motor
- E225 027 Fusible 5A alternador D+
- E226 033/075 Fusible 7,5A carga de batería D+
- E227 359 Fusible 7,5A freno paradas (autobús)
- E228 384 Fusible 7,5A sistema protección motor
- E231 001 Fusible 7,5A sistema alimentación cárter
- E232 052 Fusible 15A relé de arranque
- E247 008 Fusible 7,5A interruptor principal señal dirección
- E249 181 Fusible 7,5A luz trasera (tractoras)
- E503 454/462 Interruptor de mando ciclo de engrase centralizado
- E511 211 Interruptor de mando luz de pare
- E519 320/330 Interruptor de mando reducción marcha 4/5 HP500
- E520 322 Interruptor de mando accionamiento retardador ZF
- F000 206 Contacto de control freno estacionamiento
- F006 152 Contacto de control bloqueo diferencial 1
- F011 145 Contacto de control presión aceite motor
- F016 143 Contacto de control filtro aire motor
- F025 435 Contacto presión aire suspensión neumática
- F049 446 Contacto liberación puertas autobús, ECAS
- F061 387-389 Contacto de control presión aceite motor EPS
- F062 387-390 Contacto de control temperatura refrigerante motor EPS
- F078 077 Contacto de control sistema alimentación llenado cárter
- F083 137 Contacto de control nivel refrigerante motor
- F086 352 Contacto de control freno paradas
- F501 157/300/346/sheet24 Sensor régimen motor
- F502 138 Sensor temperature refrigerante motor con interruptor
- F503 164 Sensor presión aceite motor
- F505 159 Sensor temperatura aceite caja de cambios
- F512 230 Sensor señal bloqueo ABS delantero izquierda
- F513 232 Sensor señal bloqueo ABS delantero derecha
- F514 239 Sensor señal bloqueo ABS eje motor izquierda
- F515 237 Sensor señal bloqueo ABS eje motor derecha
- F526 432 Sensor de altura ECAS eje trasero, izquierda
- F527 433 Sensor de altura ECAS eje trasero, derecha
- F531 288-292 Sensor pedal acelerador EGAS
- F533 125 Sensor velocidad (4 polos) 1.
- F535 161 Sensor temperatura refrigerante motor
- F540 153 Sensor nivel combustible
- F541 307/343 Sensor posición bomba inyección
- F543 405 Sensor temperatura compartimiento motor 70°C
- F548 409/414 Sensor señal bloqueo ABS 2. eje delantero, izquierda
- F551 434 Sensor altura eje delantero, ECAS
- F569 430 Sensor presión ECAS eje motor, izquierda/derecha
- F573 295 Sensor freno paradas
- G000 172 Relé luz anchura/luces traseras
- G001 173 Relé luz cruce
- G002 175 Relé luz carretera
- G004 169/194 Relé faros antiniebla
- G005 171/196 Relé luz antiniebla trasera
- G007 304/332 Relé luces marcha atrás
- G008 111 Relé limpiaparabrisas (velocidad I, II)
- G009 110 Relé limpiaparabrisas (punto muerto automático)
- G014 058 Relé antorcha precalentamiento
- G015 014/019 Relé contacto
- G021 242 Relé alimentación ABS
- G022 243 Relé alimentación ABS
- G023 245 Relé ABS 3er freno/retardadores
- G025 241 Relé testigo ABS
- G036 211/202 Relé luz de pare 1o
- G038 055 Relé de arranque
- G039 302/330 Relé bloqueo arranque
- G053 007 Relé interruptor principal
- G059 322/333 Relé mando retardador
- G062 405 Relé ventilación compartimiento motor (relé auxiliar)
- G079 054 Relé bloqueo de arranque
- G080 090 Relé señal acústica intermitentes dirección
- G081 409/414 Relé alarma temperatura compartimiento motor
- G082 378/394 Relé interruptor central de seguridad/desconexión ventilador compartimiento motor/mando ESU
- G083 377/393 Relé corta del interruptor principal/ CVS
- G085 030 Relé relevo momentáneo funciones interruptor principal
- G093 379/395 Relé CVS conexión intermitentes de aviso
- G099 031 Relé parada motor D+
- G106 334 Relé mando caja de cambios automática Voith
- G118 303 Relé marcha atrás caja de cambios automática
- G119 065 Relé EGAS parada motor
- G125 158 Relé control temperatura aceite motor
- G134 357 Relé liberación puerta
- G135 210 Relé impedir cambio de marcha
- G138 363 Relé bloqueo acelerador
- G139 312/337 Relé 3 km/h
- G140 287/296 Relé posición pedal acelerador
- G141 358 Relé relevo momentáneo freno paradas
- G143 389 Relé presión aceite motor EPS
- G147 032 Relé carga batería
- G149 301/331 Relé liberación bloqueo acelerador punto muerto
- G155 421 Relé testigo elevación/descenso eje delantero
- G168 355 Relé de protección desactivación descenso
- G169 208 Relé desactivación freno paradas
- G200 342 Relé reducción retardador
- G215 075 Relé sistema alimentación cárter (desconexión)
- G216 077 Relé sistema alimentación cárter (conexión)
- G229 021 Relé parada motor
- G233 396 Relé interruptor central de sequridad relevo momentáneo funciones
- G251 380/398 Relé interruptor central de seguridad alimentación intermitentes de aviso
- G252 187 Relé luz cruce (tractoras)
- G253 188 Relé luz carretera (tractoras)
- G254 364 Relé limitador velocidad antiaceleratión
- G265 015/022 Relé zumbador freno paradas, freno estacionamiento desconexión
- G510 278-282 Punto de masa (10 polos)
- G515 126 Punto central masa cabina, caja central
- G517 128 Punto central masa cabina, lado conductor
- H300 134 Conector (16 polos)
