Электросхемы автобуса Setra S315

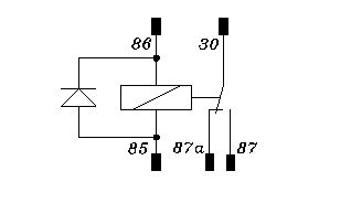
Low-voltage relay with diode and changeover relay
(KWD)

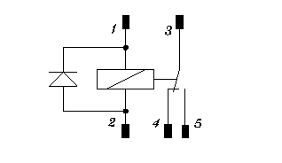
Low-voltage relay with diode without changeover relay
(KW)

Micro-relay
(M)

Low-voltage relay without diode with make contact
(KS)

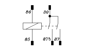
Low-voltage relay without diode with double make contact
(KDS)

Low-voltage relay without diode with changeover relay and resistor
(KWR)
COMPONENT DESIGNATION S309HD - S315 HD/S317HDH
ITEM NO. TYPE OF TERMINAL FUNCTION
3A 1
IG 433-5
Central lubrication system
3C 1
1000µF 40V
Emergency switch
3C 2
1000µF 40V
Emergency switch
3C 3
1000µF 40V
Door II
3C 4
1000µF 40V
Door I
3F 1
7.5 A
Left-hand dipped beam lighting
3F 2
7.5 A
Right-hand dipped beam lighting
3F 3
7.5 A
Left-hand main beam lighting
3F 4
7.5 A
Right-hand main beam lighting
3F 5
7.5 A - term. 58
Fog lamps/rear fog lamps
3F 6
3F 7
3F 8
7.5 A
Marker lights/tail lights
3F 9
7.5 A - term. 58
Marker lights/tail lights/identification lights
3F 10
7.5 A - term. 58
Reading lamps/transp./instr. lighting/wash-wipe
3F 11
7.5 A - term. 58
Luggage compartment lighting
3F 12
7.5 A - term. 58
Doorway lighting/driver’s light/all-round warning beacon
3F 13
15 A - term. 30
El./manual roof hatches
3F 14
7.5 A - term. 30
Brake light/cruise control coupling
3F 15
7.5 A - term. 30
Aisle lighting/engine running
3F 16
7.5 A - term. 30
ATR- US. Ceiling
3F 17
25 A - term. 30
Left-hand reading lamps
3F 18
25 A - term. 30
Right-hand reading lamps
3F 19
15 A - term. 30
Video, up to 8 monitors
3F 20
15 A - term. 30
Video, up to 16 monitors
3F 21
7.5 A - term. 30
Headlight flasher
3F 22
7.5 A - term. 30
Ceiling strip lighting/courier reading lamps
3F 23
15 A - term. 30
24V socket on instrument panel
3F 24
15 A - term. 30
Window winding mechanism
3F 25
15 A - term. 30
Driver’s windscreen heating
3F 26
15 A - term. 30
Door I windscreen heating
3F 27
7.5 A - term. 30
Nose cabinet blower
3F 28
7.5 A - term. 30
Space module system/video TV
3F 29
7.5 A - term. 30
Exterior lighting, daylight travel
3F 30
7.5 A - term. 30
Driver’s light/monitoring system/reading lamps
3F 31
7.5 A - term. 30
Radio, CD player
3F 32
7.5 A - term. 30
Digital clock, light writing, ABS indicator lamp
3F 33
15 A - term. 30
Windscreen – wash/wipe (upper)
3F 34
15 A - term. 30
Ceiling strip lighting
3F 35
15 A - term. 30
Ceiling strip lighting
3F 36
7.5 A - term. 30
Search light/sunscreen roller blind
3F 37
7.5 A / 25 A
ABS gamma 2 / ABS-CI12
3F 38
7.5 A - term. 30
Transmission
3F 39
3 A - term. 30
ABS/ASR – trailer operation
3F 40
7.5 A - term. 30
Fog lamps
3F 41
7.5 A - term. 30
Transmission
3F 42
7.5 A - term. 30
Horn
3F 43
15 A - term. 30
Headlight washer system
3F 44
7.5 A - term. 30
Driver’s blower/kitchen
3F 45
7.5 A - term. 30
Indicator lamps
3F 46
7.5 A - term. 30
Direction indicator system
3F 47
15 A - term. 30
All-round warning beacon
3F 48
15 A - term. 30
ATR-E left-hand ceiling blower
3F 49
15 A - term. 30
ATR – front left-hand ceiling heating
3F 50
15 A - term. 30
ATR – rear left-hand ceiling heating
3F 51
15 A - term. 30
ATR – front right-hand ceiling heating
3F 52
15 A - term. 30
ATR – rear right ceiling heating
3F 53
15 A - term. 30
ATR-E right-hand ceiling blower
3F 54
7.5 A - term. 15
Toilet in WC/CC
3F 55
15 A –socket 15
Fridge, door I
3F 56
15 A - term. 15
Air dryer
3F 57
15 A - term. 15
Windscreen wiper system
3F 58
7.5 A - term. 15
Transmission
3F 59
7.5 A - term. 15
Transmission
3F 60
7.5 A - term. 15
Fuel supply shut-off valve
3F 61
7.5 A - term. 15
Radio/telephone/buzzer/hostess call
3F 62
7.5 A - term. 15
ATR – controls
3F 63
7.5 A - term. 15
Retarder/Intarder (3A)
3F 64
7.5 A - term. 15
ECAS
3F 65
7.5 A - term. 15
Engine brake
3F 66
7.5 A - term. 15
Servotronic steering/flame starting system
3F 67
7.5 A - term. 15
External mirror
3F 68
7.5 A - term. 15
Combination instrument
3F 69
7.5 A - term. 15
Door II/limiting value sensor on door I
3F 70
7.5 A - term. 15
Door I/driver’s light (F)
3F 71
7.5 A - term. 15
Reverse travel light/brake light
3F 72
15 A - term. 15
Driver’s seat/passenger seat
3F 73
7.5 A - term. 15
Horn/fire alarm/engine speed warning system
3F 74
15 A - term. 15
Central lubrication system
3F 75
3F 76
15 A - term. 30 B+
Electrical roof hatches
3F 77
15 A - term. 30 B+
Ceiling strip lighting, Norway
3F 78
15 A - term. 30 B+
Ceiling strip lighting, Norway
3F 79
7.5 A - term. 30 B+
Combination instrument, tachograph
3F 80
10 A - term. 30 B+
Hazard warning flasher system
3F 81
7.5 A - term. 30 B+
WC – cold-weather insulated/driver’s seat with memory
3F 82
15 A - term. 30 B+
WC – cold-weather insulated
3F 83
7.5 A - term. 30 B+
Radio – RDS
3F 84
7.5 A - term. 30 B+
ATR – controls
3F 85
7.5 A - term. 30 B+
Ignition switch/starter inhibit
3F 86
7.5 A - term. 30 B+
Combination instrument/diagnosis
3F 87
7.5 A - term. 30 B+
Door I/driver’s light
3F 88
7.5 A - term. 30 B+
Door II
3F 89
15 A - term. 30 B+
24V/12V socket/telephone on C/D network
3F 90
7.5 A - term. 30 B+
Parking light/clock/anti-theft warning device/fuse checking
3F 101
0,3 A - term. 30
Heating oil supply display
3K 1
M
Driver’s lighting, delay with driver’s door + door I
3K 2
M
Horn I/II
3K 3
M
Parking light (+emergency switch)
3K 4
M
Manual roof hatches – with electric locking
3K 5
3K 6
M
AVS reverse travel lights
3K 7
M
Reverse travel camera
3K 8
M
Low beam lights economy setting / AVS-EURO2
3K 9
M
Low beam lighting / AVS-EURO2
3K 10
M
ABS: retarder off
3K 11
M
ABS: engine brake
3K 12
M
Central lubrication system
3K 13
M
Retarder-Telma
3K 14
M
Door I
3K 15
M
Door II
3K 16
M
Door II
3K 17
M
Door I
3K 18
M
Door I
3K 19
M
Emergency switch (I): fuel valve/fire alarm
3K 20
M
Emergency switch (I): fuel valve
3K 21
M
Luggage compartment lighting
3K 22
M
ATR – voltage supply for sub-stations
3K 23
3K 24
M
Range/change display for ZF transmission
3K 25
M
Emergency switch (I): preselector clock
3K 26
M
Parking light switch
3K 27
M
Delayed driver’s lighting
3K 28
M
Door I
3K 29
M
ECAS
3K 30
M
Fire alarm MR-(F) / emergency switch (I)
3K 31
M
Brake light – retarder
3K 32
M
EFR off – retarder / AVS-EURO2
3K 33
M
ATR – driver’s cabin control
3K 34
M
Engine speed warning system
3K 35
M
Direction indicator system
3K 36
M
School bus hazard warning flasher system (F)
3K 37
M
Parking light switch
3K 38
M
Parking light switch
3K 39
M
Anti-theft warning device
3K 40
M
Door II (only with ATR-E)
3K 68
KWD
Driver’s window heating
3K 69
KWD
Dipped beam lighting (emergency switch)
3K 70
KWD
Exterior lighting, daylight travel
3K 71
KWD
Night-time consumers
3K 72
KWD
Low beam lighting, economy setting
3K 73
KWD
Windscreen heating for door I
3K 74
KW
Bus stop warning hazard warning system, Germany
3K 75
3K 76
KW
School bus hazard warning flasher system / hazard warning light (A)
3K 77
KDS
School bus hazard warning flasher system
3K 78
3K 79
KWD
Brake light relay
3K 80
KWD
Fog lamps
3K 81
KWD
Ceiling strip lighting: stage I
3K 82
KWD
Ceiling strip lighting: stage II
3K 83
KDS
Positive with engine running
3K 84
KWD
Reading lamps, left-hand 1st stage
3K 85
KWD
Reading lamps, right-hand 1st stage
3K 86
KWD
Reading lamps, left-hand 2nd stage
3K 87
KWD
Reading lamps, right-hand 2nd stage
3K 88
KWD
Upper wash/wipe windscreen system
3K 89
KWD
Exterior lighting, daylight travel
3K 90
KWD
Video, up to 8 monitors
3K 91
KWD
Video, up to 16 monitors
3K 92
KDS
Door II
3K 93
KDS
Door I
3K 94
KWD
Door I + door II
3K 95
KWD
Retarder-Digiprop
3K 96
KW
Exterior lighting
3K 100
10 sec
Driver’s lighting time relay
3K 101
Intermittent windscreen washing system
3K 102
0.7 sec
Headlamp cleaning system time relay
3K 103
30 A
Emergency switch
3K 104
3K 105
4+1*21 W
Warning flasher transmitter
3K 106
80 A
Daytime consumers
3K 107
30 A
Emergency switch
3K 108
50 A
Ceiling strip lighting: stage II
3K 109
KW
ABS voltage supply
3R 1
560 W / 2 W
Emergency switch
3V 1
3 diodes/group
Door I/II
3V 2
3 diodes/group
Door I/II
3V 3
3 diodes/group
Door I
3V 4
3 diodes/group
Daylight travel economy setting
3V 5
3V 6
3 diodes/group
Emergency exit roof hatches/luggage compartment lighting
3V 7
3 diodes/group
ATR passenger compartment
3V 8
3 diodes/group
Voltage supply
3V 9
3 diodes/group
Fog lamps/luggage compartment warning display/EDW
3V 10
3 diodes/group
Emergency operation
3V 11
3 diodes/group
AVS emergency operation
3V 12
5 diodes/group
Intarder above foot plate
3V 13
5 diodes/group
Intarder above foot plate
3V 14
3 diodes/group
Direction indicator system
3V 15
3 diodes/group
Upper windscreen wash/wipe system
3V 16
3V 17
3X 99
6 pin terminal block
Voltage supply
4F 1
- term.30
4F 2
15 A - term. 30
Doorway II refrigerator
4F 3
7.5 A - term. 30
ATR – rear wall-mounted heater
4F 4
7.5 A - term. 30
ATR – front wall-mounted heater
4F 5
7.5 A - term. 30
Fan coupling
4F 6
- term. 30
4F 7
15 A - term. 30
ATR – auxiliary wapu/rear toilet
4F 8
- term. 30
4F 9
- term. 30
4F 10
7.5 A - term. 30
Cruise control actuator motor/IS module on Euro II MB
4F 11
- term. 30
4F 12
25 A - term. 30
Diesel heating
4F 13
7.5 A - term. 30
Crew cab
4F 14
7.5 A - term. 30
Club corner lighting
4F 15
7.5 A - term. 30
Engine compartment lighting + auxiliary switch panel
4F 16
3 A - term. 30
ABS/ASR
4F 17
5 A - term. 30
ABS/ASR
4F 18
7.5 A - term. 30
Retarder
4F 19
7.5 A
ATR – vario drive
4F 20
7.5 A - term. 30
Coolant level display
4F 21
7.5 A - term. 30
ECAS
4F 22
4F 23
4F 24
20 A - term. 30
ABS/ASR – trailer operation
4F 25
7.5 A
Alternator
4F 26
7.5 A
Alternator
4F 27
15 A - term. 30 B+
ATR – water heater
4F 28
15 A - term. 30 B+
ATR – circulation pump
4F 29
7.5 A - term. 30 B+
ATR – main water valve
4F 30
15 A - term. 30 B+
Diesel heating
4F 31
7.5 A - term. 30 B+
Fuse checking/heated driver’s recliner
4F 32
7.5 A - term. 30 B+
ECAS
4F 33
25 A
Condenser fan
4F 34
25 A
Condenser fan
4F 35
25 A
Condenser fan
4F 36
25/40 A - term. 30 B+
Flame starting system MB/MAN
4F 37
7.5 A
ATR-US. Doorway II
4F 38
7.5 A
ATR-US. Rear
4F 39
7.5 A
ATR-US. Lower rear, lower front
4F 40
25 A - term. 30
Starter motor voltage supply
4F 41
20 A
EDC-Scania
4F 42
10 A
Transmission with Scania
4F 43
10 A
Cold-weather insulated WC
4F 44
4F 45
25 A
Condenser fan
4F 46
25 A
Condenser fan
4F 47
25 A
Condenser fan
4F 48
40 A
24/35A socket on doorway II
4F 101
4F 102
5 A
Kitchen water pump
4F 103
5 A
WC water pump
4F 104
0.3 A
Water supply
4F 105
50 A
Mini kitchen
4K 1
M
Toilet in rear WC
4K 2
M
Toilet in rear WC
4K 3
M
EDC Scania/EDC MAN
4K 4
M
Water pump in kitchen 11
4K 5
M
Cruise control/engine brake/CAG
4K 6
M
Starter inhibit
4K 7
M
AVS/automatic/CAG
4K 8
M
ATR – voltage supply
4K 9
M
CAG
4K 10
M
CAG
4K 11
M
EDC-Scania
4K 12
M
ATR/ATR-E air conditioning system
4K 13
M
ATR/ATR-E air conditioning system
4K 14
M
4K 15
M
Toilet ventilation
4K 16
M
Heater driver’s recliner
4K 17
M
Heater driver’s recliner
4K 18
M
Emergency switch I/F with EDC-Scania
4K 19
M
Anti-theft warning device
4K 20
4K 86
KDS
Toilet in WC
4K 87
KWD
ATR/ATR-E air conditioning system
4K 88
KS
Diesel heating
4K 89
KS
Starter control relay
4K 90
KWD
ATR/ATR-E air conditioning system
4K 91
KDS
ATR – auxiliary water pump
4K 92
KW
EDC/CAG
4K 93
KW
ATR driver’s cabin water pump
4K 94
KW
EDC (MAN)
4K 95
KW
4K 96
KW
4K 97
KW
4K 98
KWD
ATR/ATR-E air conditioning system
4K 99
KWD
ATR/ATR-E Air conditioning system
4K 100
50 A / 24 V
Diesel heating
4K 102
50 A / 24 V
Electrical connection on WC
4K 103
3 sec time relay
Toilet in rear WC
4K 104
4K 105
4K 106
80 A / 24 V
ATR/ATR-E air conditioning system
4K 107
30 A
Emergency switch, France
4K 108
Current relay open
NSL cut-out
4V 1
5 diodes/group
Voltage supply/ heated driver’s recliner
4V 2
5 diodes/group
EFR engine brake
4V 3
5 diodes/group
Toilet/ATR-E
4V 4
5 diodes/group
ECD/CAG
4X 97
1 pin terminal block
EDC, ignition key
4X 98
1 pin terminal block
ATR-E condenser fan
4X 99
6 pin terminal block
Voltage supply
5N 1
Final stage
Vario drive
5X 98
2 pin terminal block
Voltage supply
5X 99
2 pin terminal block
Voltage supply
6F 1
50 A
Kitchen
6F 2
100 A
Kitchen/microwave
6F 3
50 A
Kitchen/coffee machine
6F 4
80 A
Condenser fan
6F 5
Reserve
6F 6
80 A
Terminal 30
6F 7
80 A
Terminal 30
6F 8
150 A
Retarder-Telma
6F 9
50 A
Terminal 30 B+
6F 10
25 A
Terminal 30 B+, for EDC + ignition key
6K 1
NO switch - 20 A
Small relay for main switch battery
6K 2
SH 19 / 2D 36 A
Main switch
6S 1
Workshop switch
6V 1
Jäger-1N4005
Voltage supply




















