TATA Daewoo HCV, DLDV, Euro5, LHD
(дилерские схемы)
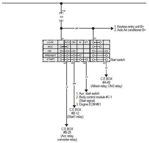
1. STARTER SWITCH "ACC", "ON" CIRCUIT DIAGRAM
2. CHARGING AND STARTER MOTOR CIRCUIT DIAGRAM
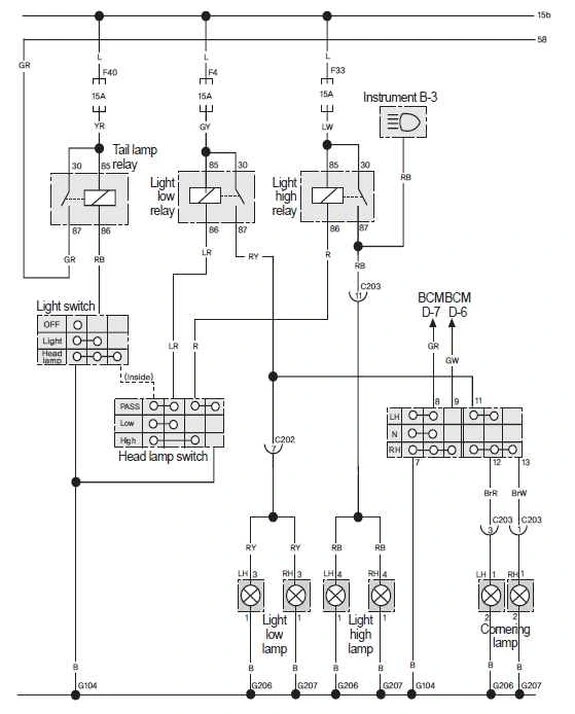
3. LIGHT, CORNERING LAMP CIRCUIT DIAGRAM
4. TURN SIGNAL LAMP, HAZARD WARNING LAMP CIRCUIT DIAGRAM
5. CLEARANCE, LICENSE LAMP, FOG LAMP, CUSTOMER SERVICE CIRCUIT DIAGRAM
6. WORKING LAMP CIRCUIT DIAGRAM
7. STOP LAMP, PARKING LAMP CIRCUIT DIAGRAM
8. BACK UP LAMP, HORN CIRCUIT DIAGRAM
9. SEAT BELT TENSION REDUCER, STEP LAMP, LARGE ROOM/READING/MOOD LAMP CIRCUIT DIAGRAM
10. KEYLESS ENTRY SYSTEM CIRCUIT DIAGRAM
11. 12V CONNERTER, CIGAR LIGHTER, BED/SEAT HEATER CIRCUIT DIAGRAM
12. CASSETTE CIRCUIT DIAGRAM
13. WIPER CIRCUIT DIAGRAM
14. AUTO MIRROR, MIRROR HEATER, FUEL HEATER CIRCUIT DIAGRAM
15. HEATER & AIR CONDITIONER CIRCUIT DIAGRAM
16. FULL AUTO AIR CONDITIONER CIRCUIT DIAGRAM
17. CAB TILT SYSTEM CIRCUIT DIAGRAM
18. AUTO GREASE, AUX-HEATER CIRCUIT DIAGRAM
19. FOLDING MIRROR CIRCUIT DIAGRAM
20. DIAGNOSIS CONNECTOR CIRCUIT DIAGRAM
21. TACHOGRAPH & DIGITAL CLOCK CIRCUIT DIAGRAM
22. AIR DRYER, DUMPING SWITCH, TANK LORRY SWITCH CIRCUIT DIAGRAM
23. P.T.O, TOWING HOOK SWITCH CIRCUIT DIAGRAM
24. SPLIT SYSTEM CIRCUIT DIAGRAM
25. DIFFERENTIAL LOCK CIRCUIT DIAGRAM
26. EMERGENCY STEERING SYSTEM
27. LIFT AXLE(EXCEPT ELM), OFFROAD CIRCUIT DIAGRAM
28. ELM(ELECTRONIC LEVELING MODULE)
29. MIXER WATER PUMP CIRCUIT DIAGRAM
30. ABS/ASR ELECTRIC CIRCUIT DIAGRAM
31. ABS/ASR PRESSURE CONTROL VALVE, WHEEL SPEED SENSOR CIRCUIT DIAGRAM
32. ABS BLINK CODE DESCRIPTION
33. SCR MODULE CIRCUIT DIAGRAM
34. AUXILIARY FUSE BOX CIRCUIT DIAGRAM
35. BODY CONTROL MODULE(DIODE)
36. B.C.M(WIPER, DOOR LOCK, TURN SIGNAL, WARNING LAMP)
37. B.C.M(MIRROR HEATER, POWER WINDOW, FOLDING MIRROR)
38. B.C.M(T/M BLOCK CONTROL)
39. INSTRUMENT SYSTEM CIRCUIT DIAGRAM(1)
40. INSTRUMENT SYSTEM CIRCUIT DIAGRAM(2)
41. ZF AUTO T/M(T.C.U)
42. ZF AUTO T/M(E-MODULE)
43. ZF INTARDER CIRCUIT DIAGRAM
44. ALLISON AUTO T/M
45. DL/DV ENGINE(1)
46. DL/DV ENGINE(2)
47. DL/DV ENGINE(3)
STARTER SWITCH "ACC", "ON" CIRCUIT DIAGRAM

CHARGING AND STARTER MOTOR CIRCUIT DIAGRAM

LIGHT, CORNERING LAMP CIRCUIT DIAGRAM

TURN SIGNAL LAMP, HAZARD WARNING LAMP CIRCUIT DIAGRAM

Все схемы в высоком качестве в