Тормозная система ABS-D DAF

Питание и "масса" электронного блока АБС-D (D850)


Клапан АБС (B256, B257, B258, B259)

Сопротивление обмотки
электромагнита
15 ± 5 Ом(1 )
(1) Коэффициент сопротивления при 25 °C

Пневматические соединения
1. Давление на входе
2. Давление на выходе
3. Сливное отверстие

Электрические соединения
1. Электромагнитный клапан, стравливание
2. "Масса"
3. Аэрационный электромагнитный клапан
Клапан ASR (B237)

Клапан ASR (B237)
Сопротивление обмотки электромагнита
34,9 ± 2 Ом при 20°C
Изменение сопротивления на 3,9% на 10 °C
Пневматические соединения
1. Давление на входе
2. Давление на выходе
3. Сливное отверстие

Датчик проскальзывания колеса (F512, F513, F514, F515)

Тип датчика Индуктивный датчик
Модель датчика "S"
Коэффициент сопротивления обмотки 1250 ± 250 Ом при 25 °C
Воздушный зазор между кольцом датчика и датчиком колеса 0,3 - 0,6 мм
Тип сигнала Синусоидальный сигнал
Минимальное пиковое напряжение (Vmin), генерируемое при 5 км/ч(1 ) >0,3 В
Отношение Vmax/Vmin ≤ 2,0

Соединение CAN, электронный блок АБС/ASR-D (D850)

Линия K, электронный блок АБС/ASR-D (D850)

Допуск по размеру шин
Максимальная разница в размере шин14 %
Переключатель ASR (C737)

Система АБС

Электронный блок АБС (D850)
Электронный блок проверяет и контролирует функции управления системы АБС.
К функциям управления относятся:
- Управление АБС
- Управление ASR
- Управление сигнальной лампой
Датчик проскальзывания колеса (F512/F513/F514/F515)
Электронный блок АБС получает информацию о текущей скорости колеса от датчиков проскальзывания
колес.
Эти данные могут использоваться для определения показаний текущего замедления автомобиля и
проскальзывания колеса.
Клапан АБС (B256/B257/B258/B259)
Повышает, уменьшает или поддерживает давление в тормозных цилиндрах на постоянном уровне под
управлением АБС.
Клапан ASR (B237)
Клапан ASR предназначен для передачи тормозного давления на клапан АБС во время работы
дифференциального тормоза ASR.
Переключатель ASR (C737)
С помощью переключателя ASR можно увеличить допустимое проскальзывание до включения системы управления ASR.
Данный переключатель имеется на автомобилях с системой управления ASR.
Разъем прицепа (A004)
Через данный разъем подается питание на электронный блок АБС прицепа.
Через него также подается сообщение об ошибке прицепа с АБС на щиток приборов.
VIC-2 / DIP (D310/D899)
Сообщает водителю на щитке приборов о следующем:
- Неисправности АБС грузового автомобиля
- Неисправности АБС прицепа
- Сигнал включения ASR
Сеть CAN
Связь электронного блока АБС с другими электронными системами автомобиля осуществляется по сети
CAN.
Назначение системы АБС
Обеспечение оптимальной курсовой устойчивости и работы системы управления при торможении.
Максимальное сокращение тормозного пути, учитывая вышеуказанные требования.
Принцип работы АБС
Тормозная сила, которую шина оказывает на дорожное покрытие, зависит не только от осевой нагрузки, она также зависит от величины проскальзывания колеса с дорожным покрытием.
Заблокированные колеса (100% проскальзывание колес) имеют следующие характеристики:
- заблокированные передние колеса не способны
- амортизировать горизонтальные силы, что делает управление невозможным;
- заблокированные задние колеса не способны амортизировать горизонтальные силы, что приводит к снижению
- устойчивости задней части автомобиля.
- у заблокированного колеса продольное сцепление с дорожным покрытием меньше, чем у вращающегося. Поэтому тормозной путь автомобиля увеличивается.
Сила сцепления между шиной и дорожным покрытием всегда должна быть как можно большей.
Действующее сцепление с дорожным покрытием зависит от следующих факторов:
тип дорожного покрытия
- профиль шин
- нагрузка на ось
- скорость автомобиля
- проскальзывание между шиной и дорожным покрытием.

Больший тормозной момент приводит к большей тормозной силе и увеличению проскальзывания колеса.
Если проскальзывание колеса остается в диапазоне от 0% до 30%, автомобиль стабилен, и по прежнему обеспечиваются курсовая устойчивость и работа рулевого управления.
Увеличение тормозной силы приводит к уменьшению коэффициента сцепления и увеличению
проскальзывания колеса. Автомобиль двигается нестабильно при проскальзывании в диапазоне от 30%
до 100%.
Чтобы изменить направление движения автомобиля, также требуется сцепление с дорожным
покрытием в поперечном направлении. По мере увеличения проскальзывания колеса, сцепление
уменьшается до такого значения, что к заблокированным колесам практически невозможно приложение
какой-либо продольной силы.
Если проскальзывание колеса находится в диапазоне от 10% до 30%, поперечные силы все еще
достаточно велики, чтобы автомобиль оставался управляемым и устойчивым.
Принцип работы АБС

Скорости колес измеряются с помощью датчиков проскальзывания колеса (1) и колец датчиков (2).
Электронный блок (3) системы АБС сравнивает скорости колес друг с другом, а также с заранее
запрограммированной эталонной скоростью. Таким образом определяется необходимость
включения клапанов АБС (4) во время торможения для поддержания проскальзывания колес в диапазоне от 10% до 30%. Когда система АБС выключена, клапан АБС (4) позволяет тормозному давлению свободно перейти из емкости для сжатого воздуха (9) в тормозную камеру (5), когда клапан
ножного тормоза (8) выжат.
Автомобиль разделен по двум диагоналям. Это означает, что переднее правое колесо сравнивается с задним левым колесом, а переднее левое – с задним правым.
Управление АБС действует на все колеса автомобиля.
Поскольку используется так называемая система АБС 4S/4M (4 Сенсора/4 Магнитных (электромагнитных) клапана), необходимая тормозная сила определяется с помощью колес, на которых установлены датчики.
На автомобилях с количеством осей более двух тормозные камеры передних или задних осей с одной стороны автомобиля пневматически соединены с одним клапаном АБС.
При включении АБС по сети CAN опосредованно передается сигнал на отключение любого
замедлителя или тормоза двигателя, которые могут быть включены.
Система ASR (система противоскольжения)
Назначение системы ASR
Предотвращение ненужного высокого проскальзывания при трогании, повороте и движении по сколькой дороге.
Вмешательство системы ASR обеспечивает оптимальное тяговое усилие.
Принцип работы системы ASR
Система ASR используется только на ведущих колесах. Помимо прочего, она использует те же датчики
проскальзывания колес и кольца датчиков, что и система АБС.
Скорость ведущих колес сравнивается со скоростью противоположных по диагонали неведущих передних колес.
ASR включается, если скорость ведущих колес выше фиксированного значения, которое было ранее
запрограммировано в электронном блоке.
ASR включается в следующих случаях:
- одно из ведущих колес тормозится, а другое вращается.
- эффективная мощность двигателя снижается при вращении обоих ведущих колес.
- указанные выше системы управления используются совместно, если вращаются оба колеса, и одно из них превышает заданную скорость.
Управление дифференциальным тормозом ASR
Управление дифференциальным тормозом ASR включается, на ведомой оси вращается одно колесо.
Вращающееся колесо должно вращаться не менее чем на 2,7 км/ч быстрее эталонного колеса.
Система ASR попытается синхронизировать ведущие колеса.

Электронный блок (3) подает питание на клапан ASR (6), который обеспечивает прохождение воздуха
под давлением от емкости для сжатого воздуха (9) на клапан АБС (4) через двухходовой клапан (7).
Электронный блок (3) поддерживает клапан АБС (4) в открытом положении, пока необходимое
тормозное давление не пройдет в тормозную камеру (5).
Соответствующее колесо замедляется, создавая один из типов блокировки дифференциала. После
этого мощность двигателя можно передать на колесо, которое не вращается.
Если автомобиль движется на скорости от 35 до 50 км/ч, тормозное давление (с включенной системой
управления ASR) пропорционально снижается, чтобы избежать перегрева тормозов.
При движении на скорости более 50 км/ч и наличии неисправностей управление тормозами ASR
невозможно.
Управление двигателем ASR
Управление двигателем ASR начинается, если вращаются оба колеса на ведомой оси.
Вращающиеся колеса должны вращаться не менее чем на 2,7 км/ч быстрее эталонных колес. Сигнал на
уменьшение эффективной мощности двигателя передается через сеть CAN.
Система управления двигателем снизит его эффективную мощность и, таким образом, увеличит тяговое
усилие на ведомой оси.
Если скорость одного колеса становится выше определенного уровня при вращении обоих колес, опять включится управление дифференциальным тормозом ASR, чтобы синхронизировать колеса.
Датчик проскальзывания колеса (F512, F513, F514, F515)

Функция датчика проскальзывания колеса (F512, F513, F514, F515):
измерение скорости колеса. Это позволяет вычислить следующее:
- ускорение колеса с помощью датчиков проскальзывания колес на задней оси для работы системы управления ASR;
- значение проскальзывания колеса для работы системы управления АБС.
Датчик проскальзывания колеса является индуктивным. Он состоит из постоянного магнита (3) с круглым выводом (1) и обмотки (2).
При повороте ступицы и кольца датчика в катушке (2) датчика проскальзывания колеса возникает синусоидальный переменный ток. Частота тока изменяется по мере изменения скорости колеса.
Электронный блок рассчитывает текущую скорость колеса, ускорение колеса, замедление колеса и значения проскальзывания колеса по изменению частоты в единицу времени.
Датчик проскальзывания колеса не требует регулировки.
При установке датчика проскальзывания колеса нажмите на датчик в сторону кольца датчика.
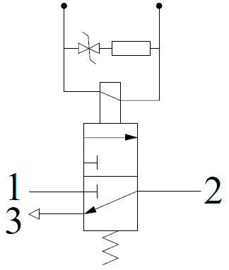
Клапан АБС (B256, B257, B258, B259)
Функцией клапана АБС является:
- передача тормозного давления, создаваемого в тормозных цилиндрах.
- увеличение, поддержание или снижение давления в тормозных цилиндрах переднего и заднего моста во время работы системы АБС.
- увеличение, поддержание или снижение давления в тормозных цилиндрах заднего моста во время работы системы дифференциального торможения ASR.
Повышение давления в точке подключения (2)
Давление на входе в точке подключения (1), поступающее из клапана ножного тормоза, поднимает
диафрагму (5) с седла (7), что приводит к подаче тормозного давления в тормозную камеру через
точку подключения (2).
Давление на входе также направляется через отверстие в обмотке электромагнита (10) в пространстве (19) под диафрагмой (6), благодаря чему диафрагма (6) образует уплотнение на седле (8).
Таким образом, точка подключения (2) герметизируется от сливного отверстия.

Понижение давления в точке подключения (2)
Посредством включения обмотки электромагнита (9) электромагнитный клапан (11) открывает отверстие (15) и закрывает отверстие (22). В результате этого давление на входе поступает в пространство (15) над диафрагмой (5) через отверстие.
Диафрагма (5) уплотняет седло (7), чтобы не возникло дополнительного давления.
После включения обмотки электромагнита (10) одновременно открывается отверстие (16) и закрывается отверстие (23).

Посредством открывания отверстия (16) давление под диафрагмой (6) можно снизить через сливное
отверстие. После этого давление в тормозной камере можно стравить через точку подключения (2),
пространство (20) и внутреннее отверстие сливного отверстия.
Поддержание давления в точке подключения (2)
После выключения обмотки электромагнита (10) давление на входе можно направить через отверстие к обмотке электромагнита (10) в пространство (19) под диафрагмой (6), герметизируя диафрагму (6).
После этого нет необходимости направлять давление в тормозной камере в сливное отверстие через
пространство (20).
Это позволяет поддерживать давление в тормозной камере на одном уровне.

Клапан ASR (B237)

Функцией клапана ASR является:
передача давления на клапан АБС во время работы дифференциального тормоза ASR.
В зависимости от проскальзывания клапан АБС осуществляет управление тормозным давлением в соответствующей тормозной камере.
Клапан ASR представляет собой простой электропневматический клапан, который передает воздух под давлением после подачи на него электропитания.
Подача электропитания контролируется электронным блоком АБС/ASR.
Если на обмотку (E) клапана ASR подается электропитание, сердечник (B) поднимется, преодолев давление пружины (F).
После этого уплотнение A откроет точку подключения (1), чтобы давление подачи могло стравиться из клапана через точку подключения (2). Отверстие (C) и, соответственно, отверстие (3) также закрываются по мере движения сердечника (B) вверх.
Когда на обмотку (E) не подается электропитание, сердечник (B) опустится под действием пружины (F).
Это обеспечивает закрытие точки подключения (1) и открытие отверстия (C). Точка подключения (2) теперь связана со сливным отверстием (3).
Принцип работы АБС
Существуют различные типы управления АБС для управления осями лево/право, например:
- Управление SLC
- Управление IC
- Управление MIC

Управление SLC
Если к передней оси применяется управление SLC ("Select Low Control"), к обоим тормозным цилиндрам, правому и левому, применяется одинаковое тормозное давление, а именно наименьшее допустимое тормозное давление двух колес одной оси.
Тормозная сила обоих колес на передней оси одинакова.
Преимуществом такой системы является отсутствие отклонения автомобиля от направления движения
при торможении.
Недостатком является более длинный тормозной путь по сравнению с использованием управления ABS-IC.
Управление IC
Управление IC ("Individual Control") означает раздельное управление тормозным давлением левой и правой стороны.
На обеих сторонах применяется максимально допустимое тормозное давление для оптимального
использования тормозной силы.
Недостаток заключается в отклонении автомобиля от направления движения во время торможения.

Управление MIC
В качестве компромиссного решения между SIC и IC была разработана система MIC ("Modified Individual
Control"). Она изначально обладает всеми преимуществами SLC.
Если при слишком сильном действии тормоза на одной стороне колесо проскальзывает, тормозное давление на стороне с наибольшим сцеплением с дорожным полотном поэтапно увеличивается до максимального уровня.
Сначала система работает как SLC, однако, спустя 0,5 секунд начинает работать как IC (с ограничениями).
Преимуществом данной системы является то, что водитель может контролировать отклонение от
направления движения автомобиля, придя в себя после неожиданности.

Отклонение от направления движения
Это сила, воздействующая на автомобиль, которая возникает в результате большого различия
сцепления с дорожным полотном левого и правого колеса. Отклонение от направления движения - это
поворот автомобиля вокруг вертикальной оси (проскальзывание).
Управление задними осями осуществляется раздельно (IC).
Система SLC или IC на передних осях не обеспечивает удовлетворительных результатов. Система SLC на передней оси увеличивает тормозной путь, а система IC создает слишком большую разницу тормозной силы.
Это может привести к отклонению от направления движения и изменению характеристик рулевого управления, при которых управление автомобилем затрудняется. По этой причине для передней оси используется система управления MIC.

Управление АБС и ASR

Управление АБС
Электронный блок АБС (D850) измеряет скорость колеса для системы управления АБС с помощью
датчиков проскальзывания колеса (F512, F513, F514 и F515).
Скорости колес сравниваются электронным блоком АБС с рассчитанными эталонными скоростями автомобиля.
Если измеренное проскальзывание колеса слишком велико (более 7%), включается АБС.
При включении АБС работающий тормоз двигателя/интардер отключаются по сети CAN.
Управление ASR
Для работы системы управления ASR блок АБС (D850) регистрирует любое проскальзывание по датчикам проскальзывания колес (F512, F513, F514 и F515).
Если проскальзывание ведущей оси слишком велико, включается управление ASR.
В зависимости от интенсивности проскальзывания ведущей оси и/или от того, одно или оба задних колеса проскальзывают, блок АБС/ASR направляет выходное давление в тормозной цилиндр, и/или
электронный блок АБС снижает эффективную мощность двигателя по сети CAN.
О включении системы управления ASR водителя информирует сигнальная лампа на щитке приборов.
В зависимости от даты выпуска автомобиля сигнальная лампа может быть в виде указателя ASR или
указателя проскальзывания (см. рисунок).

После нажатия переключателя ASR (C737) допустимое проскальзывание ведущей оси увеличивается.
Сигнальная лампа (ASR или проскальзывание) начинает мигать с целью предупреждения водителя о
том, что система управления ASR увеличила значение проскальзывания.
Соединение CAN

Связь CAN: системы автомобиля
Электронный блок АБС (D850) может связываться с другими электронными системами автомобиля через
соединение CAN в точках подключения A01 и A03.
По этим соединениям передаются данные, например:
- запрос на снижение эффективной мощности двигателя и выключение круиз-контроля во время работы системы противоскольжения (ASR).
- запрос на выключение тормоза двигателя/замедлителя во время работы системы АБС.
- запрос на вывод сообщения об ошибке на DIP.
- запрос на включение сигнальной лампы ASR или проскальзывания на DIP.
Управление сигнальной лампой

В случае неисправности системы включается предупреждение на DIP.
DIP получает такую информацию от электронного блока VIC-2 (D310), который связан с DIP через сеть CAN.

VIC-2 получает такую информацию по сети CAN, которая подключена в точках A01 и A03 электронного блока АБС (D850).

VIC-2 получает такую информацию от разъема прицепа (A004).
Реагирование системы
Реакция системы во время включения зажигания, во время неисправностей и т.д. зависит от версии АБС или EBS прицепа. На рисунке показаны различные предупреждения в DIP.
Буквы на рисунке соответствую буквам, показанным в соответствующих характеристиках управляемости.

- A. Отображение во время запуска системы на главном дисплее DIP
- B Сигнал от прицепа
- C. Индикатор прицепа с АБС на DIP
- D. Предупреждение АБС прицепа на главном дисплее DIP
- E. Предупреждение EBS прицепа на главном дисплее DIP
ФАЗА ЗАПУСКА
Фаза запуска зависит от версии АБС/EBS прицепа. Сигнал от прицепа можно запрограммировать как на скорость, так и на время.

АБС или EBS прицепа, зависимость от скорости
Когда включается зажигание (1), на главном дисплее появляется начальный экран (A), и включается
сигнал от прицепа (B) и индикатор АБС в DIP (C). Спустя 3 секунды (2) начальный экран на главном дисплее (A) исчезает. Сигнал от прицепа (B) остается включенным, поэтому индикатор АБС в DIP (C) также остается включенным. Когда скорость автомобиля достигает приблизительно 7 км/ч (3), сигнал от прицепа отключается (B). В результате индикатор АБС в DIP (C) также отключается.

АБС или EBS прицепа, зависимость от времени
Когда включается зажигание (1), на главном дисплее появляется A. Отображение во время запуска
системы на главном дисплее DIP B Сигнал от прицепа C. Индикатор прицепа с АБС на DIP начальный экран (A), и включается сигнал от прицепа (B) и индикатор АБС в DIP (C). В зависимости от системы АБС или EBS, которую использует производитель прицепа, сигнал от прицепа (B) отключается
спустя 2-3 секунды (2). В результате этого, начальный экран на главном дисплее (A) и индикатор АБС в DIP (C) исчезают спустя 3 секунды.
НЕИСПРАВНОСТЬ АБС или EBS ПРИЦЕПА
В случае неисправности АБС или EBS прицепа в отношении контроля DIP различаются неисправности, присутствующие во время запуска, и неисправности, возникшие во время движения.

АБС или EBS прицепа с неисправностью во время запуска
Когда включается зажигание (1), на главном дисплее появляется начальный экран (A), и включается
сигнал от прицепа (B) и индикатор АБС в DIP (C). Спустя 3 секунды (2) начальный экран исчезает на главном дисплее (A). Из-за наличия неисправности сигнал от прицепа (B) остается включенным. Индикатор АБС в DIP (C) также остается включенным.
Когда автомобиль достигает скорости 10 км/ч (3), на главном дисплее (D) показывается предупреждение АБС прицепа.

АБС или EBS прицепа с неисправностью во время движения
Если в АБС или EBS возникает неисправность во время движения, включается (3) сигнал от прицепа (B).
После задержки включается индикатор АБС в DIP (C), и показывается предупреждение АБС прицепа на главном дисплее (D) (4).
Задержка между 3 и 4 обусловливается тем, что VIC должен знать, относится ли уведомление к
неисправности (непрерывный сигнал) или предупреждению об обслуживании (пульсирующий сигнал)
прицепа (B).
ПРЕДУПРЕЖДЕНИЕ ОБ ОБСЛУЖИВАНИИ

Предупреждение об обслуживании EBS прицепа
При возникновении предупреждения об обслуживании сигнал от прицепа (B) включается в виде импульсов (3).
Одновременно с этим включается индикатор АБС в DIP (C). Индикатор мигает с одинаковой частотой, что и сигнал прицепа. Частота зависит от системы EBS, используемой производителем прицепа.
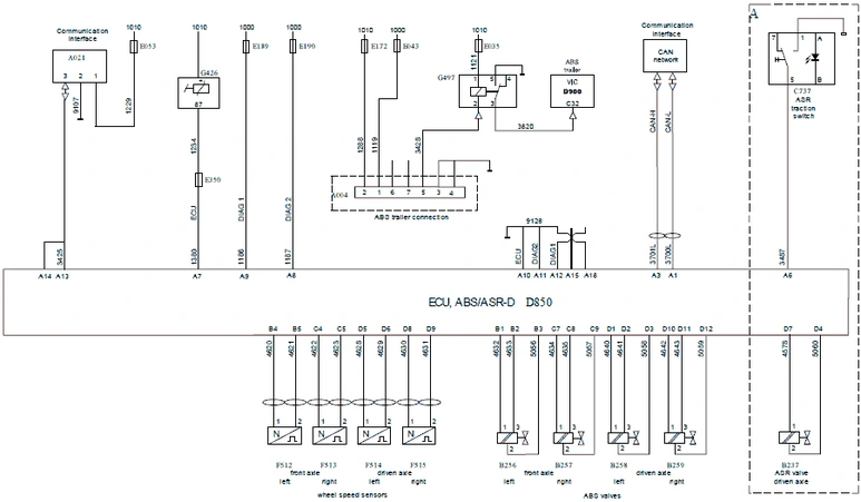
Блок-схема
- A004 Разъем, АБС/EBS прицепа, 7-контактный
- A021 Разъем, диагностика, 16-контактный
- B237 Клапан ASR
- B256 Клапан, АБС, левый, передний
- B257 Клапан, АБС, правый, передний
- B258 Клапан, АБС, ведомая ось, левый
- B259 Клапан, АБС, ведомая ось, правый
- C737 Переключатель, ASR
- D850 ЭБУ, АБС/ASR-D
- D310 ЭБУ, VIC-2
- E035 Предохранитель, рулевая колонка
- E043 Предохранитель, АБС/EBS, прицеп
- E053 Предохранитель, диагностика
- E172 Предохранитель, АБС/EBS прицепа
- E189 Предохранитель, EBS, задняя ось
- E190 Предохранитель, передняя ось, АБС-EBS
- E350 Предохранитель, электрические системы
- F512 Датчик, левый, передняя ось
- F513 Датчик, правый, передняя ось
- F514 Датчик, левый, ведомая ось
- F514 Датчик, правый, ведомая ось
- G426 Контактное реле
- G497 Реле, EBS/АБС, прицеп
Блок-схема R600943 относится к:
CF75 IV, CF85 IV, XF105, неделя спецификации не позднее 32 недели 2007 г.
A Версия с ASR

Информация о расположении, ABS-D
Схема E503410 относится к:
Автомобиль, тип FAT

Схема E503475 относится к:
Автомобиль, тип FAD
