MITSUBISHI CANTER ECO HYBRID Series truck
(diesel engine)

CONTENT
- GENERAL
- ENGINE
- LUBRICATION
- FUEL AND ENGINE CONTROL
- COOLING
- INTAKE AND EXHAUST
- EMISSION CONTROL
- HYBRID ELECTRIC VEHICLE SYSTEM
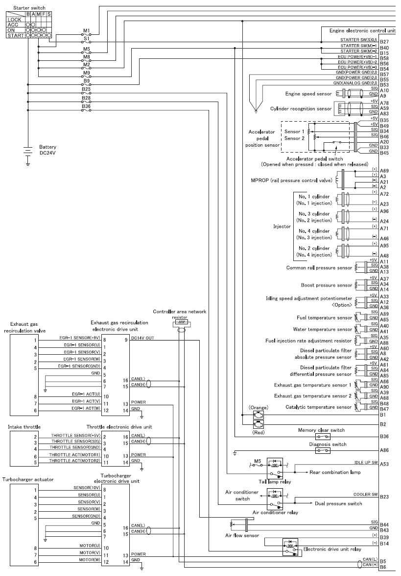
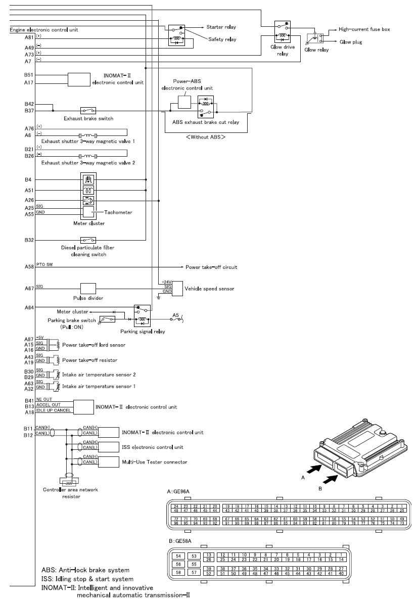
Electronic Control Unit Connection Diagram


Accel Control

• The engine is electronically controlled by the engine electronic control unit (ECU).
• By processing accelerator pedal position data from the accelerator position sensor, the engine electronic control unit controls the injectors for optimum fuel injection.
Diagnosis Procedure
• Perform the inspection in accordance with the following flowchart.

Diagnostic Precautions
• Before measuring voltage, check the battery for charged condition and specific gravity. If system inspection is performed with the battery uncharged or reduced in specific gravity, accurate measurements cannot be achieved.
• Before disconnecting battery cables, harnesses and connectors, set the starter switch to LOCK or OFF, then allow at least 20 seconds.
• To avoid having electrical parts damaged, set the starter switch and lighting switch to LOCK or OFF before reconnecting battery cables, harnesses and connectors.
• When performing measurement with the tester, handle the test bar carefully so that it does not damage internal circuit and other electrical parts of the electronic control unit to result in a short-circuit failure between terminals in connector or between connector and car body.
• Resistance is affected by temperature. Determine the necessity of resistance measurement following given temperature specification as a guide. Otherwise, use normal temperature (10 to 35°C) as the measuring condition.
Inspections Based on Diagnosis Codes
Diagnosis code list
• Diagnosis codes shown by the Multi-Use Tester and those indicated by flashing of the warning lamp are different.




Diagnosis code generation conditions and inspection items
P0002: Fuel system (warning lamp flashes: 63)

P0004: Fuel system (High) (warning lamp flashes: 63)

P0016: Ne SNSR Offset/Backup Mode (warning lamp flashes: 14)

P0087: CRS (Too Low) (warning lamp flashes: 36)

Полный мануал в