Описание газового двигателя 820.60-260 КАМАЗ
Иллюстрации показывают расположение ос-новных деталей и узлов, а также навесных агрегатов двигателей.

Общий вид газового двигателя 820.60-260

Продольный разрез двигателя 820.60-260 (основная комплектация)
1 - катушки зажигания 2 - вентиляция картера; 3 - компрессор; 4 - фильтр очистки газа; 5 - картер агрегатов; 6 - турбокомпрессор; 7 - маховик; 8 - картер маховика; 9 - коленчатый вал; 10 - масляный картер; 11 - форсунка охлаждения поршня; 12 - масляный насос; 13 - гаситель крутильных колебаний; 14 - шкив привода водяного насоса и генератора; 15 - вентилятор с вязкостной муфтой; 16 - блок управления; 17 - жгут проводов.

Двигатель, поперечный разрез:
1 - бачок ГУР; 2 - жгут проводов; 3 - головка цилиндров; 4 - поршень; 5 - блок цилиндров; 6 - свеча зажигания; 7 - высоковольтный провод; 8 - электромагнитный дозатор газа; 9 - фильтр очистки газа; 10 - трубки подвода газа к коллекторам.

Двигатель 820.60-260, продольный разрез (автобусная комплектация):
1 - фильтр очистки газа; 2 - высоковольтный провод; 3 - катушки зажигания; 4 - вентиляция картера; 5 - компрессор; 6 - картер маховика; 7 - датчик фазы; 8 - колесо датчика фазы; 9 - маховик; 10 - коленчатый вал; 11 - масляный картер; 12 - форсунка охлаждения поршня; 13 - масляный насос; 14 - гаситель крутильных колебаний; 15 - шкив коленчатого вала; 16 - турбокомпрессор; 17 - маслоналивной патрубок; 18 - тройник.
РЕКОМЕНДУЕМЫЕ РЕЖИМЫ РАБОТЫ ДВИГАТЕЛЯ
В период эксплуатации необходимо соблюдать следующие рекомендации:
- во избежание подсоса масла из турбокомпрессоров и попадания его в цилиндры двигателя, на проточные части компрессора и турбины не рекомендуется длительная (более 10 мин.) работа двигателя при минимальной и максимальной частотах вращения холостого хода коленчатого вала, так как это приводит к закоксовыванию поршневых колец, загрязнению проточной части компрессора и нагарообразованию на проточной части турбины, повышенному расходу масла на “угар”;
- длительная (более 10 мин.) работа двигателя на режимах холостого хода допускается только для накачки воздуха в баллоны тормозной системы.
- следите за давлением масла и температурой охлаждающей жидкости, если давление масла или температура охлаждающей жидко-сти выходят за пределы, указанные в технической характеристике, остановите двигатель;
- в процессе эксплуатации двигателя обращайте особое внимание на отклонения в работе двигателя (необычные шумы, вибрации, перебои в работе, снижение мощности, дымление, утечки газа, масла и охлаждающей жидкости). Следите за показаниями приборов.
- перед остановкой двигателя после его работы под нагрузкой, необходимо поработать на режиме холостого хода в течение не менее 3-х минут во избежание перегрева подшипника ТКР и закоксовывание ротора ТКР.
ЗАПРЕРЩАЕТСЯ РЕЗКАЯ ОСТАНОВКА ДВИГАТЕЛЯ ПОСЛЕ РАБОТЫ ПОД НАГРУЗКОЙ.
ПУСК, РАБОТА И ОСТАНОВ ДВИГАТЕЛЯ
Порядок выполнения пуска двигателя зависит от его теплового состояния и температуры окружающего воздуха.
Для обеспечения пуска двигателя при температурах окружающего воздуха ниже плюс 8 °С рекомендуется применять предпусковой подогрев и средства тепловой подготовки.
Пуск двигателя следует выполнять в следующей последовательности:
- открыть магистральный вентиль;
- включить аккумуляторные батареи, кратковременно нажав на кнопку выключателя АКБ;
- вставить ключ в замок выключателя приборов и стартера, расфиксировать вал рулевого колеса. Повернуть ключ в положение “I” (указатель на замке зажигания);
- перевести переключатель индикатора давления газа из положения "0" в положение "II";
- убедиться в исправности:
- ЭСУД (лампа диагностики «CHECK ENGINE» должна загореться и погаснуть до запуска двигателя);
- газобаллонного оборудования, а также в отсутствии утечки газа (отсутствует звуковая сигнализация и не должна загораться лампа световой сигнализации утечки газа);
- убедиться, что рычаг переключения передач КП находится в нейтральном положении (клавиша управления ГМП (или АКП “ZF-ECOMAT”) – в нейтральном положении «N»);
- завести двигатель, повернув ключ в положение “II”.
После запуска двигателя проверить его работу по контрольным приборам. Состояние электронной системы управления двигателем контролируется лампой диагностики «CHECK ENGINE» (неисправность двигателя).
При включении зажигания «лампа диагностики» должна загореться и погаснуть после пуска двигателя. Если лампа не загорится или горит постоянно, в системе управления двигателем возникла неисправность. Проверить двигатель сканер - тестером АСКАН-10 и принять меры для устранения неисправности.
Сразу после пуска прогреть двигатель на режиме холостого хода до температуры охлаждающей жидкости не менее 40 °С. Частота вращения коленчатого вала на режиме холостого хода поддерживается автоматически и зависит от температуры охлаждающей жидкости. После этого можно начинать работу под нагрузкой.
ВНИМАНИЕ! Нельзя допускать работу непрогретого двигателя с частотой вращения коленчатого вала более 1400 мин -1.
Следует помнить, что продолжительность непрерывной работы стартера не должна превышать 15 с. Повторно пускать двигатель стартером можно только после перерыва 1 - 2 минуты. Если после трех попыток двигатель не начнет работать, необходимо найти и устранить неисправность.
ВНИМАНИЕ! После завершения рейса запрещается сразу же остановить двигатель. Перед остановом он должен поработать на минимальных оборотах холостого хода не менее трех минут для снижения и стабилизации температуры турбины.
При пуске двигателя нельзя пользоваться открытым пламенем факела и паяльной лампы для прогрева газа в магистрали и всасываемого воздуха.
ВНИМАНИЕ!
Нельзя допускать работу непрогретого двигателя с частотой вращения коленчатого вала более 1400 мин-1.
Продолжительность непрерывной работы стартера не должна превышать 15 с.
Повторно пускать двигатель стартером можно только после перерыва 1…2 мин.
Если после трех попыток двигатель не начинает работать, найти и устранить неисправность.
При пуске двигателя нельзя пользоваться открытым пламенем факела и паяльной лампы для прогрева газа в магистрали и всасываемого воздуха.
СИСТЕМА УПРАВЛЕНИЯ ДВИГАТЕЛЕМ
Транспортные газовые двигатели (ТГД) оборудованы электронной системой управления двигателем (ЭСУД) которая выполняет следующие функции:
- управление запуском и остановом двигателя;
- управление подачей газа на всех режимах работы двигателя;
- управление временем накопления энергии и моментом зажигания;
- поддержание стабильной частоты вращения двигателя на режимах холостого хода;
- ограничение максимальной частоты вращения двигателя;
- поддержание состава рабочей смеси, удовлетворяющего требованиям к экономичности и токсичности отработавших газов;
- защита двигателя при аварийных режимах работы;
- управление двигателем в аварийных режимах;
- централизованная диагностика элементов системы;
- сигнализация об аварийных и критических режимах работы двигателя и системы.
СОСТАВ ЭСУД
Система управления транспортного газового двигателя (СУ ТГД) состоит из следующих узлов:
- микропроцессорного блока управления «М 20»;
- жгута проводов;
- датчика углового положения коленчатого вала 23.3847;
- датчика фазы 25.3855;
- датчика температуры воздуха во впускном коллекторе 233.3828;
- датчика температуры охлаждающей жидкости 233.3828;
- датчика давления воздуха во впускном коллекторе (40…250 кПа), 45.3829 М;
- датчика температуры газа 233.3828;
- датчика давления газа (40…400 кПа), 59.3829;
- привода дроссельной заслонки;
- модуля педального КДБА 453621.001;
- электромагнитного дозатора газа ИВУА.407212.024;
- катушек зажигания 27.3705;
- проводов высоковольтных;
- датчиков температуры отработавших газов.

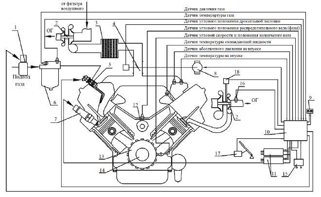
Принципиальная схема системы управления газового двигателя:
1 - отсечной электромагнитный клапан; 2 - турбокомпрессоры; 3 - охладитель наддувочного воздуха; 4 - дроссельная заслонка; 5 - электромагнитный дозатор газа; 6 - фильтр газовый; 7 - свеча зажигания; 8 - электропривод дроссельной заслонки; 9 - разъем диагностический; 10 - электронный блок управления газовым двигателем (М20); 11 - катушки зажигания; 12 - колесо датчика фазы; 13 - зубчатый венец противовеса коленчатого вала переднего; 14 - коленчатый вал; 15 - питание 24 В; 16 - датчик температуры ОГ (2 шт.); 17 - датчик положения педали; 18 – исполнительный механизм привода перепускного клапана (2 шт.).
ЭЛЕМЕНТЫ СИСТЕМЫ УПРАВЛЕНИЯ
Микропроцессорный блок управления «М 20» предназначен для выработки сигналов управления катушками зажигания, приводом дроссельной заслонки, электромагнитными дозаторами газа и электромагнитным клапаном высокого давления на основе информации, получаемой от датчиков ЭСУД, а также определяет неисправности в системе управления и предупреждает о них водителя включением диагностической лампы «Check Engine» (проверь двигатель) в комбинации приборов.
При включении зажигания лампа должна загореться и погаснуть после пуска двигателя. Если лампа не загорится или горит постоянно, в системе управления двигателем возникла неисправность, в этом случае, водителю необходимо обратиться на станцию технического обслуживания для определения и устранения неисправности в работе двигателя.
В качестве прибора системы диагностики работы ЭСУД используется сканер-тестер, который подключается к диагностическому разъему системы управления.
Датчики системы управления служат для получения информации, необходимой для выработки сигналов управления двигателя.
Привод дроссельной заслонки предназначен для управления положением дроссельной заслонки по сигналам от электронного блока управления двигателем.
Электромагнитный дозатор газа ИВУА.407212.024 осуществляет фазированную подачу необходимого количества газа по сигналам блока управления.
Электромагнитный клапан 113.4412010-20 осуществляет отключение подачи газа при выключении системы управления и при аварийных ситуациях.
Жгут проводов соединяет элементы системы управления с электронным блоком, шиной питания и шиной заземления. Применяемые электрические соединители обеспечивают надежность соединений и их защиту от влияния внешних условий. Расположение жгута проводов на установках должно исключать опасность его перелома при вибрации или повреждения острыми или нагретыми частями.
Датчик положения коленчатого вала (ДПКВ) 23.3847 – индуктивного типа. Установлен на передней крышке двигателя. Датчик представляет собой катушку с магнитным сердечником. Для нормальной работы системы управления необходимо, чтобы зазор между датчиком и зубьями диска составлял 0,5-1,2 мм. Наличие посторонних частиц (загрязнений) в зазоре не допускается. Соединительный кабель датчика должен быть надежно закреплен во избежание его повреждения вращающимися деталями двигателя. При неисправном датчике положе-ния коленчатого вала, повреждениях соединительного жгута эксплуатация двигателя невозможна.
Датчик фазы 25.3855 установлен на картере маховика. На валу 13 (рисунок 6) находится колесо датчика фаз 18 с выступом. Принцип действия датчика основан на эффекте Холла. Он выдает контроллеру информацию об угловом положении распределительного вала. Наличие посторонних частиц (загрязнений) в зазоре не допускается. Соединительный кабель датчика должен быть надежно закреплен во избежание его повреждения вращающимися деталями двигателя.
Датчик давления 59.3829 и 45.3829 М (газа на выходе из газового фильтра и абсолютного давления во впускном трубопроводе).
Датчик давления газа в системе питания установлен на корпусе фильтра очистки газа, датчик абсолютного давления воздуха во впускном трубопроводе – за дроссельным пространством впускного трубопровода. По измеренным значениям давлений блок управления определяет количество воздуха, поступающего в цилиндры двигателя и количество газа, необходимое для обеспечения режимов работы двигателя.
Датчик питается стабилизированным напряжением 5В и имеет линейную характеристику зависимости выходного напряжения от величины измеряемого давления. Датчик подключается к жгуту проводов посредством трехконтактной вилки. В системе управления применяются датчики модели 45.3829 М (датчик абсолютного давления во впускном трубопроводе) и датчик 59.5829 абсолютного давления газа. Нарушение электрических соединений, работоспособности датчиков приводит к сбоям в работе системы управления.
Не допускается повреждение корпусов датчиков давления и повреждения соединительных шлангов (растрескивание, нарушение герметичности, отсутствие хомутов).
Датчики температуры полупроводникового типа и предназначены для определения температурного состояния систем двигателя (система охлаждения, система питания воздухом, система питания газом). В соответствии с измеренным значением температуры электронный блок корректирует значения угла опережения зажигания, положения дросселя и топливоподачи. Датчик температуры охлаждающей жидкости 233.3828 установлен на корпусе термостатов двигателя, датчик температуры воздуха 233.3828 – на передней стенке впускного трубопровода, датчик температуры газа 233.3828 – на корпусе газового фильтра. Датчики подключаются к жгуту проводов посредством двухконтактного соединителя.
Неисправность датчиков приводит к нарушениям работы системы управления и снижению мощности двигателя.
Датчики температуры отработавших газов установлены в приемных патрубках, непосредственно после турбин. По показаниям датчиков блок управления определяет состояние двигателя. Если разница температур ОГ левого и правого полублоков превысит 70°С, что говорит о нарушении сгорания рабочей смеси в одном из цилиндров, то на панели приборов загорается диагностическая лампа. Если температура ОГ превысит 660°С, то двигатель переходит в режим поддержания повышенной частоты вращения холостого хода (1200 мин-1) и через 2 минуты останавливается. При этом также включается диагностическая лампа. Запуск двигателя возможен после снижения температуры ОГ, выключения и повторного включения зажигания.
ВНИМАНИЕ!
Не допускается короткое замыкание выводов контактного разъема блока управления на массовый или положительный полюс источника питания.
Не допускается изменение полярности источника питания.
Полную информацию смотрите в