Подписчикам
"Большой энциклопедии
для автоэлектриков
и диагностов"
доступно 52 гиг. информации
по спецтехнике
KOMATSU
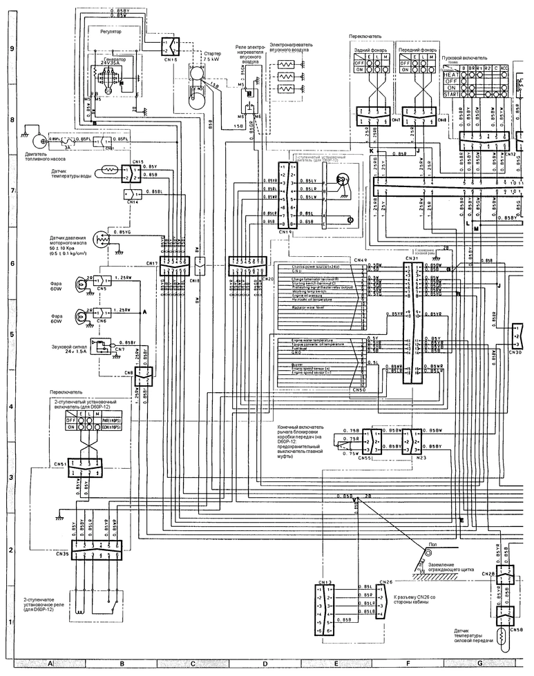
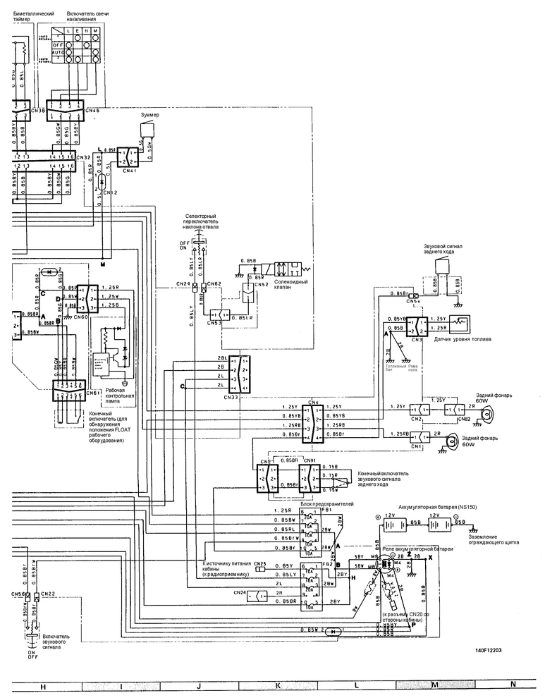
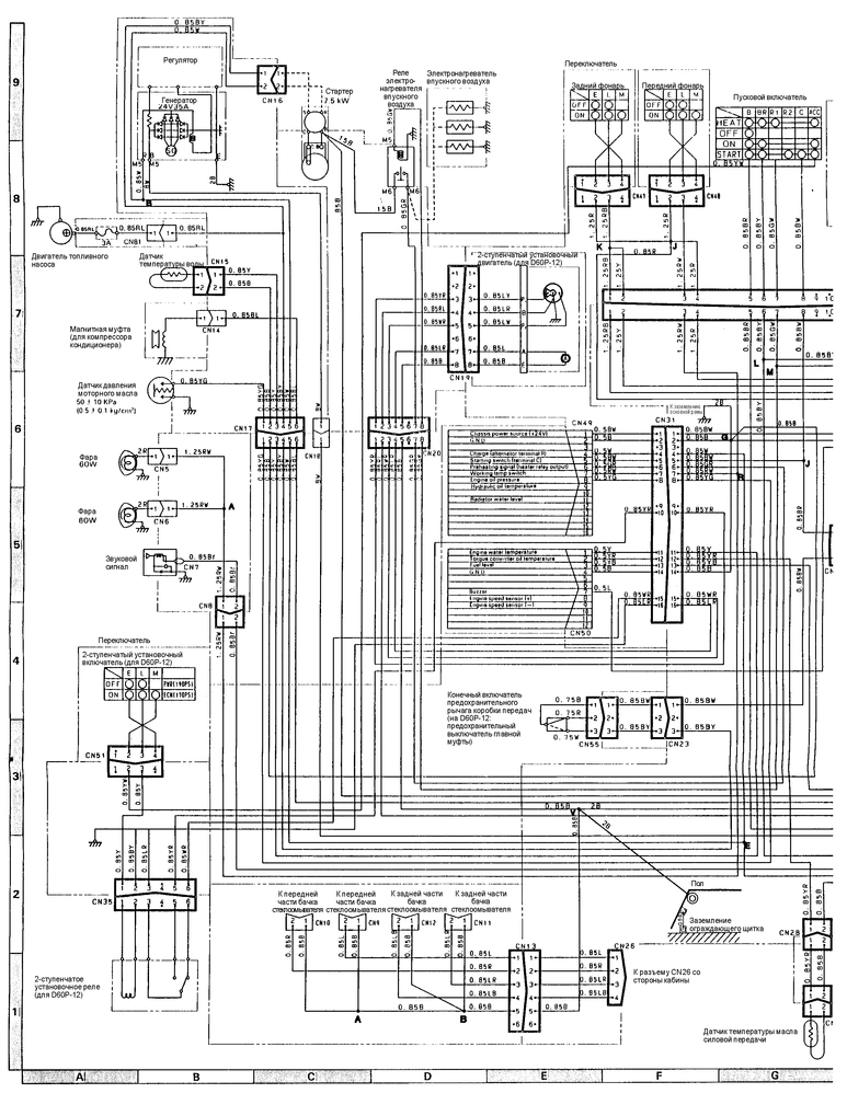
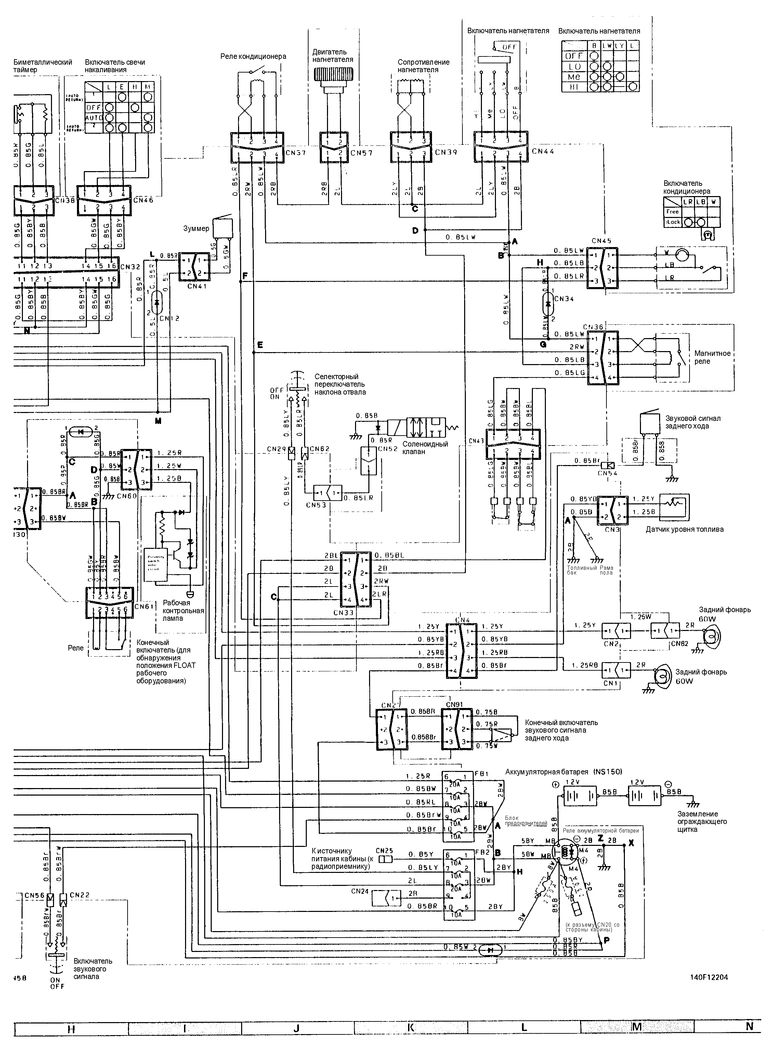
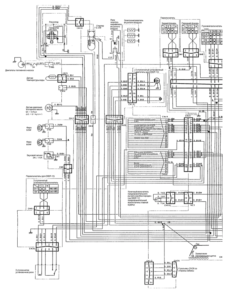
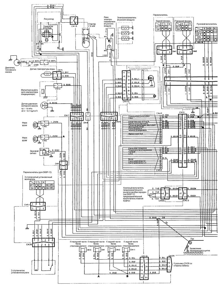
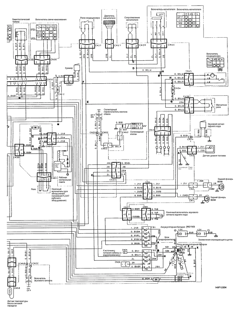
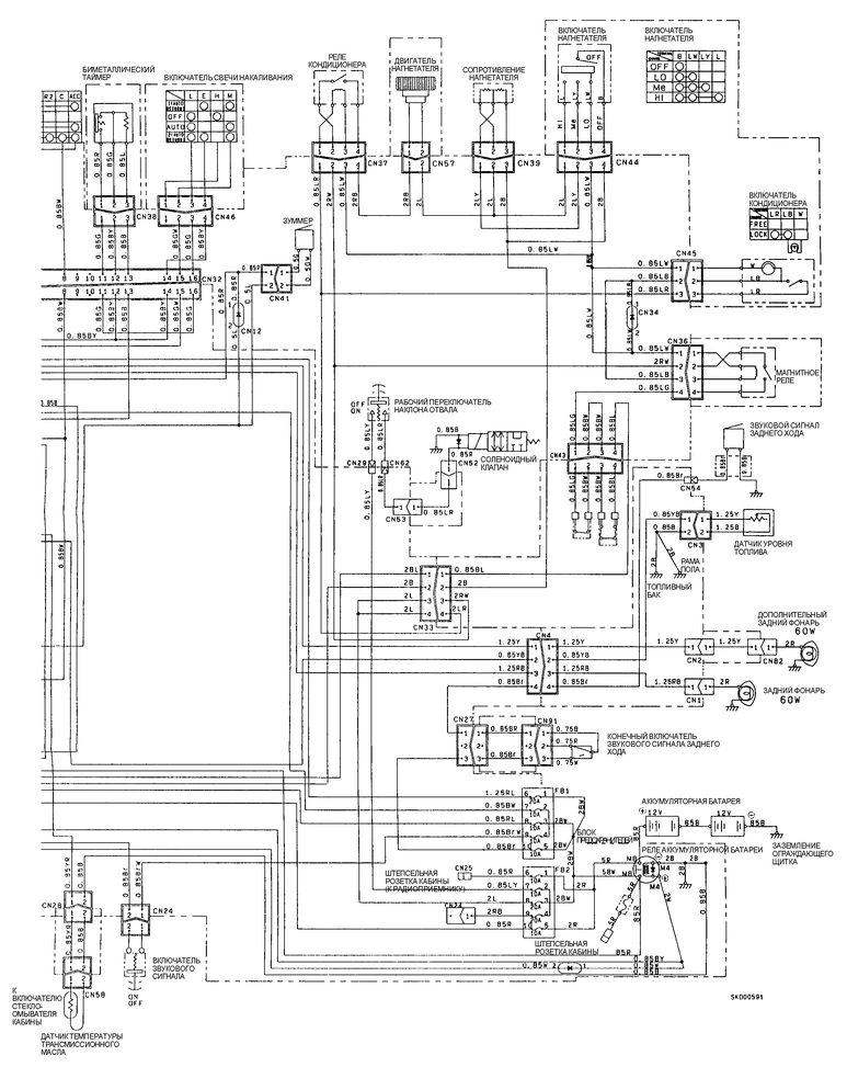
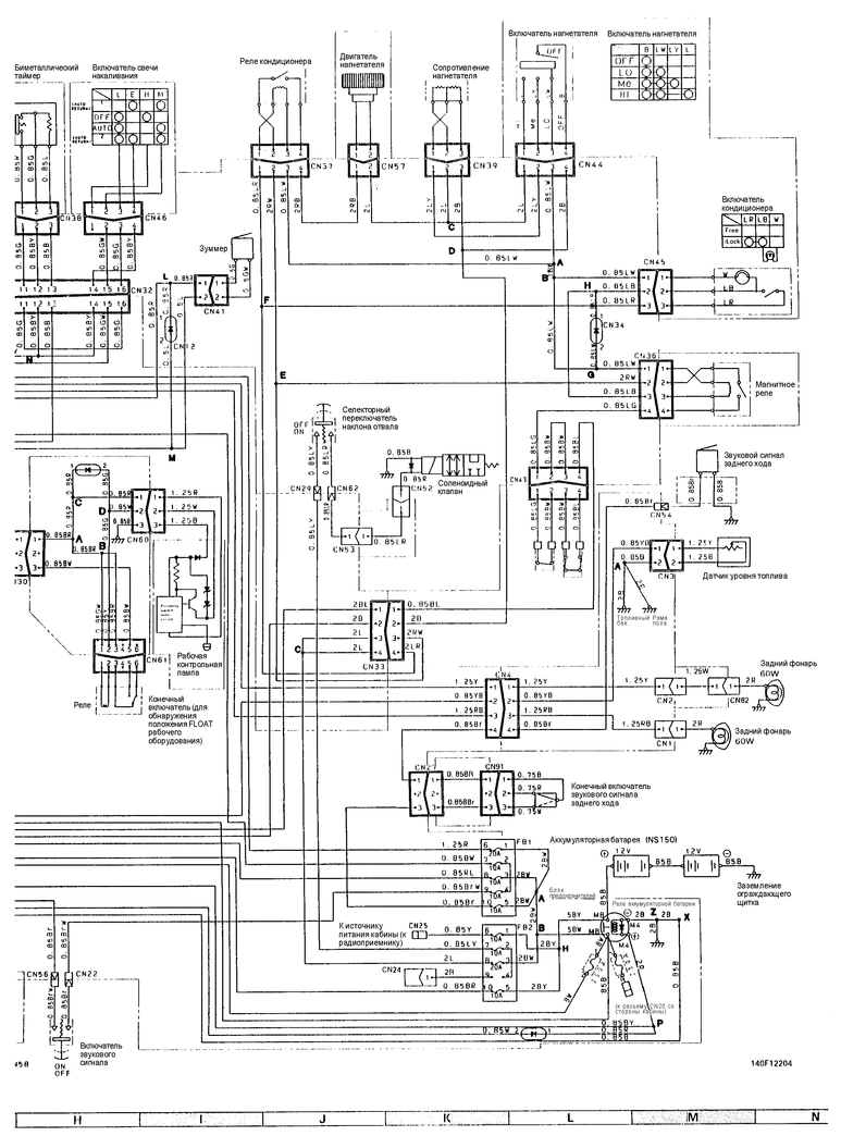
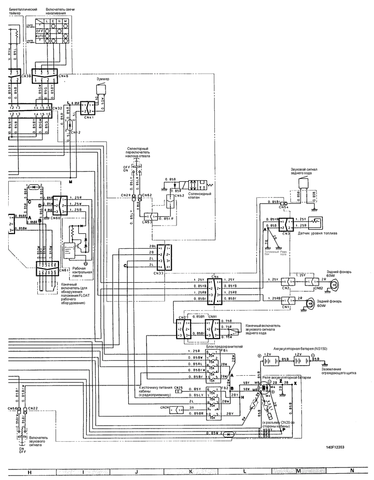
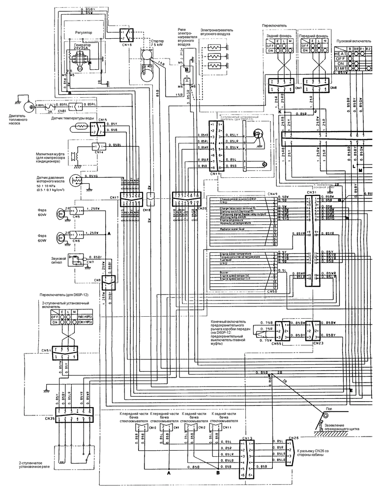
Разъем № | Место установки |
CN1 | Задняя лампа |
CN2 | Задняя лампа (дополнительная) |
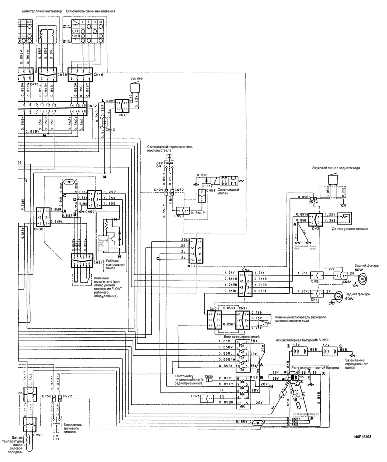
CN3 | Датчикуровня топлива |
CN4 | Промежуточный соединитель |
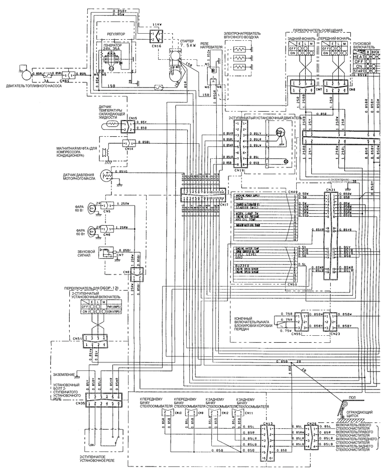
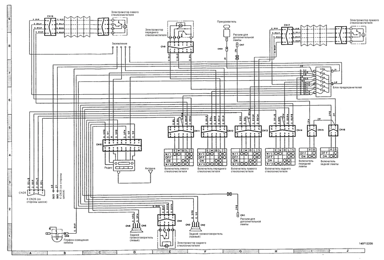
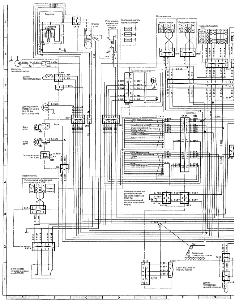
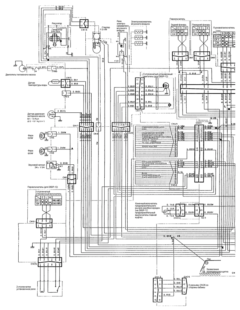
CN5 | Передняя лампа (левая) |
CN6 | Передняя лампа (правая) |
CN7 | Звуковой сигнал |
CN8 | Промежуточный соединитель |
CN9 | Передний бачок омывателя (для модели с кабиной) |
CN10 | Передний бачок омывателя (для модели с кабиной) |
CN11 | Задний бачок омывателя (для модели с кабиной) |
CN12 | Задний бачок омывателя (для модели с кабиной) |
CN13 | Промежуточный соединитель (для модели с кабиной) |
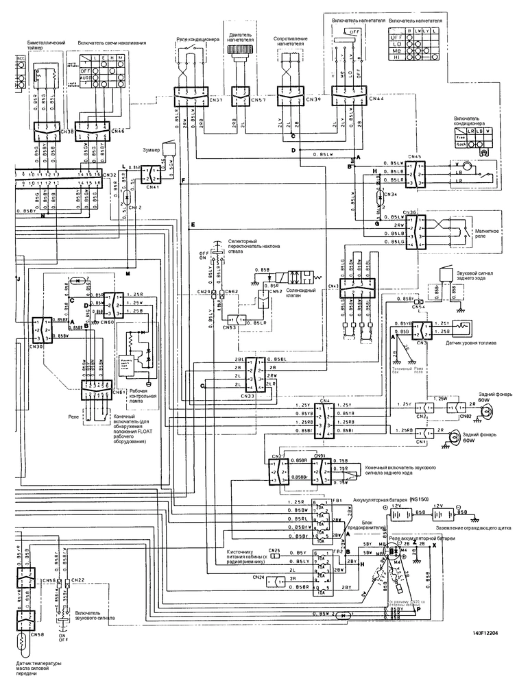
CN14 | Магнитная муфта кондиционера (для модели с кабиной) |
CN15 | Датчик температуры охлаждающей жидкости |
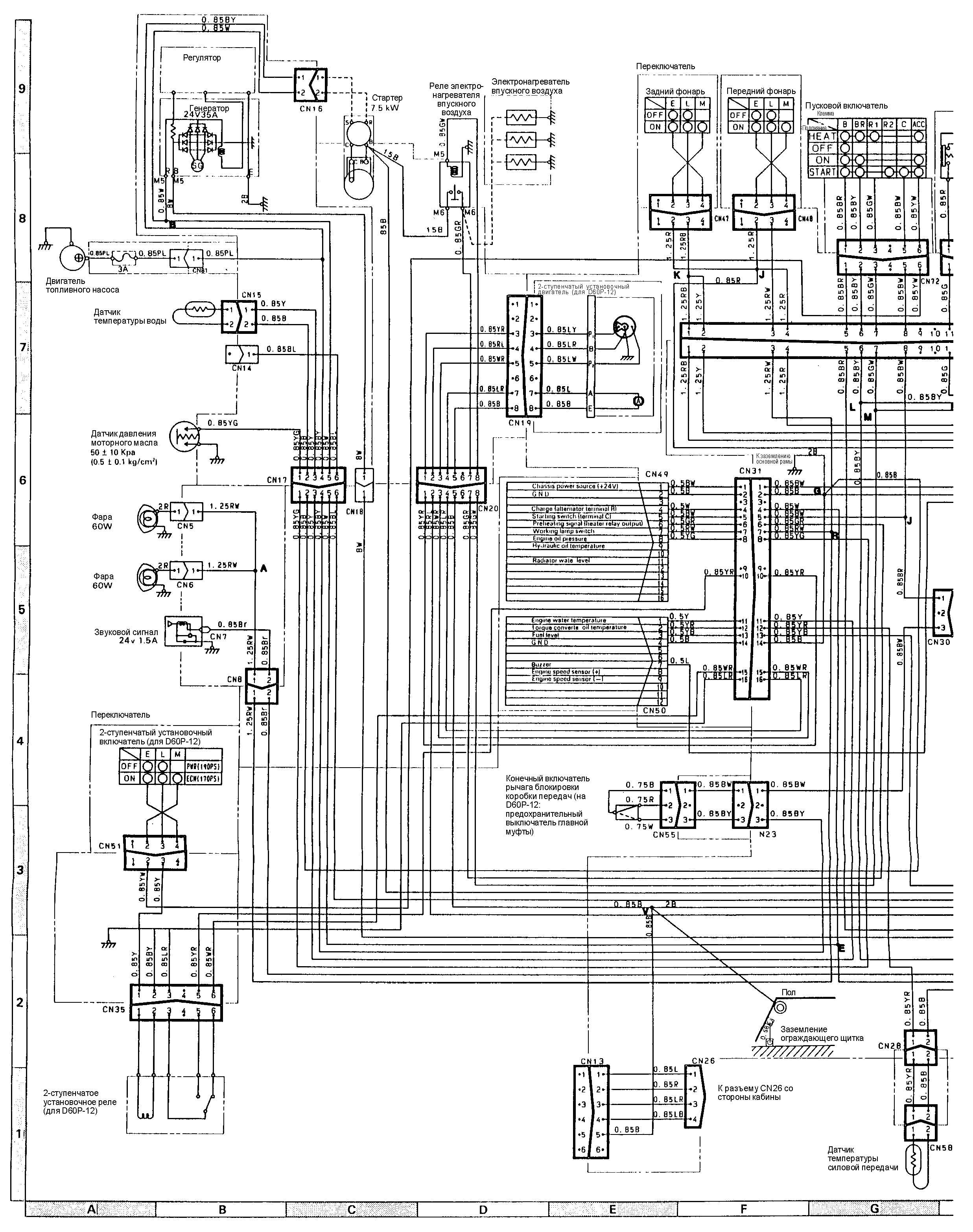
CN16 | Стартер |
CN17 | Промежуточный соединитель |
CN18 | Генератор |
CN19 | 2-тактовый мотор (только для модели D60) |
CN20 | Промежуточный соединитель |
CN22 | Включатель звукового сигнала |
CN23 | Промежуточный соединитель |
CN24 | - |
CN25 | Штепсельная розетка в кабине (для радио) (для модели с кабиной) |
CN26 | Выключатель омывателя кабины (для модели с кабиной) |
CN27 | Выключатель звукового сигнала заднего хода (для модели с кабиной) |
CN28 | Промежуточный соединитель |
CN29 | Выключатель режима наклона |
CN30 | Выключатель блокировки рабочего оборудования |
CN31 | Промежуточный соединитель |
CN32 | Промежуточный соединитель |
CN33 | Промежуточный соединитель |
CN35 | Реле на 2 положения (только для модели D60) |
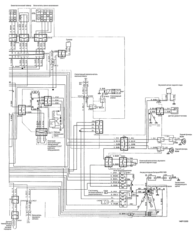
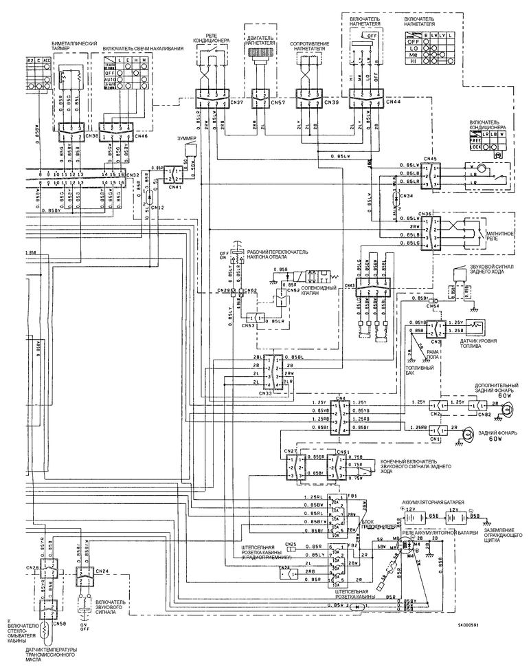
CN36 | Магнитное реле (для модели с кабиной) |
CN37 | Реле кондиционера (для модели с кабиной) |
CN38 | Биметаллический таймер |
| CN39 | Резистор нагнетателя (для модели с кабиной) |
CN41 | Зуммер |
CN43 | Термостат, включатель датчика-сигнализатора давления (для модели с кабиной) |
CN44 | Включатель нагнетателя (для модели с кабиной) |
CN45 | Включатель кондиционера (для модели с кабиной) |
CN46 | Включатель свечи накаливания |
CN47 | Включатель освещения (передняя лампа) |
CN48 | Включатель освещения (задняя лампа) |
CN49 | Контрольная панель |
CN50 | Контрольная панель |
CN51 | Включатель на 2 положения (Только для модели D60) |
CN52 | Клапан соленоида режима наклона |
CN53 | Клапан соленоида режима наклона |
CN54 | Звуковой сигнал заднего хода |
CN55 | Включатель нейтрализации случайного включения |
CN56 | Включатель звукового сигнала |
CN57 | Мотор нагнетателя (для модели с кабиной) |
CN58 | Датчик температуры масла силовой передачи |
CN60 | Микровыключатель |
CN61 | Реле нейтрализации случайного включения |
CN62 | Включатель режима наклона |
CN72 | Пусковой включатель (для модели без кабины) |
CN81 | Мотор насоса |
CN82 | Задняя лампа (дополнительная) |
CN91 | Включатель звукового сигнала заднего хода |
ЭЛЕКТРОСХЕМЫ
Продолжение информации и в полном объеме - только в















