Подписчикам
"Большой энциклопедии
для автоэлектриков
и диагностов"
доступно 52 гиг. информации
по спецтехнике
KOMATSU
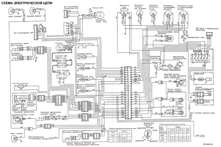
Электрические схемы экскаватора Komatsu D155C-1
Продолжение информации и в полном объеме - только в

