См. также:
Электросхема автомобиля FOTON AUMAN
в исполнении «Foton & Daimler»
Цифра перед наименованием показывает место расположения компонента на электросхеме.
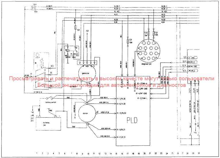
- 1-5. Аккумуляторная батарея
- 1-5. Выключатель батареи
- 9. Генератор
- 10. Стартер
- 21. Диагностический разъем
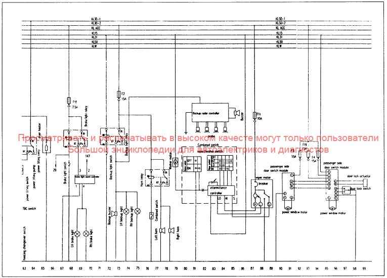
- 29. Контакт сервисного тормоза
- 29. Контакт стояночного тормоза
- 30. Контакт сцепления
- 31. Контакт круиз-контроля СС-
- 31. Контакт круиз-контроля СС+
- 32. Выключатель круиз-контроля
- 33. Тормоз двигателя
- 35. Ограничитель
- 36. Ограничитель
- 36. Останов двигателя
- 36. Ограничитель
- 37. Вентилятор
- 38. Контакт нейтрального положения КПП
- 39. Датчик уровня охлаждающей жидкости
- 42. Контакт конфигурации входа
- 43. Останов двигателя наружный
- 43. Тормоз двигателя 2 (постоянная заслонка)
- 46. Обороты двигателя
- 47. Давление масла
- 47. Температура охлаждающей жидкости
- 48. Уровень масла двигателя
- 49. Останов двигателя
- 49. Проверка двигателя
- 50. Предварительный подогрев двигателя
- 50. Масляный фильтр
- 61. Звуковой сигнализатор
- 62. Насос подъема кабины
- 65. Нагреватель осушителя
- 67-70. Стоп-сигналы, выключатель, реле, лампы
- 72-75. Огни заднего хода, реле, выключатель, звуковой сигнализатор
- 76-79. Клаксон, реле, выключатель
- 80. Мотор стеклоомывателя
- 81-86. Парктроник
- 81-86. Комбинированный переключатель стеклоочистителя
- 87-89. Мотор стеклоочистителя
- 90-96. Модуль управления на двери пассажира, стеклоподъемник
- 98-99. Блокировка замков дверей
- 100-120. Модуль управления кондиционером
- 101. Датчик давления
- 102. Реле компрессора
- 116. Мотор вентилятора кондиционера
- 115. Реле включения вентилятора
- 122-130. Комбинированный выключатель сигналов поворота
- 122. Лампа правого бокового сигнала поворота
- 123. Лампа правого переднего сигнала поворота
- 125. Лампа правого заднего сигнала поворота
- 126. Лампа левого переднего сигнала поворота
- 127. Лампа левого заднего сигнала поворота
- 128. Лампа левого бокового сигнала поворота
- 140-170. Индикаторные лампы приборной панели
- 141. Индикаторная лампа ASR
- 142. Индикаторная лампа блокировки защелки кабины
- 143. Индикаторная лампа включения понижающей передачи
- 144. Индикаторная лампа центральной смазки
- 144. Индикаторная лампа масляного фильтра
- 146. Индикаторная лампа стояночного тормоза
- 150. Индикаторная лампа включения блокировки дифференциала
- 151. Индикаторная лампа включения раздатки
- 152. Индикаторная лампа заряда аккумуляторной батареи
- 154-161. Микропроцессор
- 162-170. Индикаторная лампа уровня масла
- 163. Индикаторная лампа остановки двигателя
- 165. Индикаторная лампа проверки двигателя
- 166. Индикаторная лампа включения дальнего света
- 170. Индикаторная лампа включения противотуманных фар
- 172. Индикаторная лампа давления масла
- 171-178. Микропроцессор 2
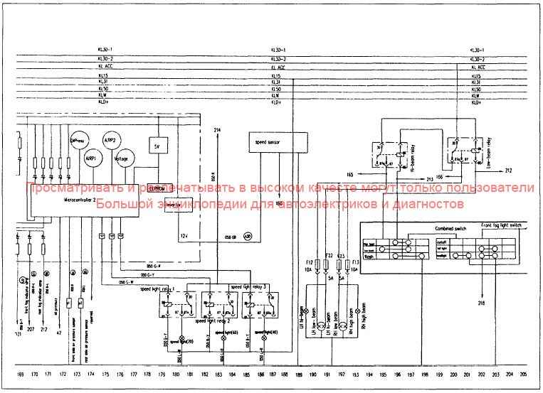
- 180-188. Реле включения отображения скорости
- 188. Датчик скорости
- 190-194. Фары ближнего и дальнего света
- 195-196. Реле включения дальнего света фар
- 201-202. Реле включения ближнего света фар
- 194-206. Комбинированный переключатель света фар
- 208. Передние противотуманные фары
- 210. Боковые лампы
- 211-215. Выключатель задних противотуманных фар
- 211-213. Задние противотуманные фары
- 218-229. Лампы левых и правых габаритов
- 235-238. Освещение кабины
- 238. Подсветка ступенек
- 241. Реле включения прикуривателя
- 246. Прикуриватель
- 248-252. Магнитола
- 257-267 Электронный блок управления автомобилем
- 263. Диагностический разъем
- 270. Выключатель колесной блокировки
- 273. Выключатель и клапан осевой блокировки







