Электросхема HPS система гидропневматического переключения передач Mercedes Actros
- Цветовая маркировка проводов -
- bl Синий
- br Коричневый
- ge Жёлтый
- gn Зелёный
- gr Серый
- rs Розовый
- rt Красный
- sw Чёрный
- vi Фиолетовый
- ws Белый
- tk Бирюзовый (бензин)
- or Оранжевый
- tr Световое табло
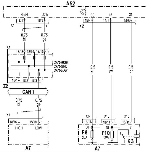
А52 : Электропитание HPS система гидропневматического переключения передач

- А7: Базовый модуль
- А52: Блок управления HPS система гидропневматического переключения передач
- Z2: Точка звезды CAN на консоли
В88, В89 : Датчики давления

- А52 : Блок управления HPS система гидропневматического переключения передач
- В88 : Датчик давления 1
- В89 : Датчик давления 2
- Х93 : Штекерное соединение
Y68, Y69 : Электромагнитные клапаны

- А52: Блок управления HPS система гидропневматического переключения передач
- XI.2 : Штекерное соединение 'Плата штекеров - Кабина водителя -шасси'
- ХЗб : Штекерное соединение 'Датчик скорости/усилитель переключения'
- Y68 : Электромагнитный клапан 1
- Y69 : Электромагнитный клапан 2
Z2 : Точка звезды CAN

- А7: Базовый модуль
- А52: Блок управления HPS система гидропневматического переключения передач
- Z2: Точка звезды CAN на консоли




