Подписчикам
"Большой энциклопедии
для автоэлектриков
и диагностов"
доступно 52 гиг. информации
по спецтехнике
KOMATSU
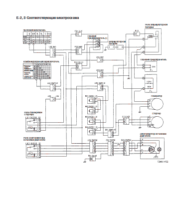
Электросхема Komatsu WF550A-3




- A4 Сервомотор подачи воздуха
- A5 Терморезистор
- A6 Сервомотор смешивания воздуха
- A7 Электромотор и резистор нагнетателя
- A8A Промежуточный соединитель (реле кондиционера)
- A8B Промежуточный соединитель (реле кондиционера)
- A9 Реле нагнетателя (главное)
- A10 Реле нагнетателя (Hi)
- A11 Реле нагнетателя (М2)
- A12 Реле конденсатора
- A13 Реле нагнетателя (М1)
- A14 Включатель М6
- A14 Реле конденсатора (Hi)
- A15 Переключатель Hi/Lo
- A15 Реле магнитной муфты
- A16 Контроллер кондиционера
- A17 Контроллер кондиционера
- A18 Сервомотор обнаружения левого хода
- A19 Сервомотор обнаружения правого хода
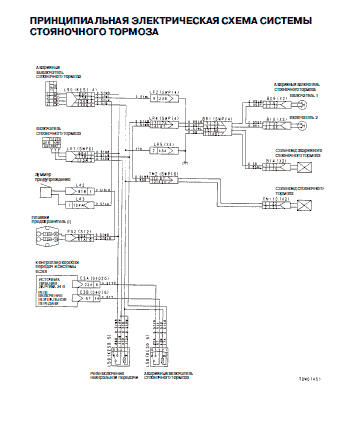
- B01 Включатель давления зарядки
- B03 Конденсатор (верхний)
- B04 Стеклоомыватель
- B05 Стеклоомыватель
- B06 Диод
- B07 Диод
- B08 Конденсатор (нижний)
- B09 Датчик низкого давления гидро аккумулятора тормозной системы
- B10 Включатель аварийного тормоза
- B11 Включатель аварийного тормоза
- B12 Конденсатор (верхний)
- B13 Конденсатор (нижний)
- B14 Соленоид аварийного выключения стояночного тормоза
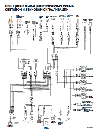
- C01 Электромотор переднего стеклоочистителя
- C02 Радиоприемник
- C03 Передняя рабочая фара
- C04 Передняя рабочая фара
- C05 Включатель лампы предупреждения
- C06 Плафон освещения кабины
- C07 Электромотор заднего стеклоочистителя
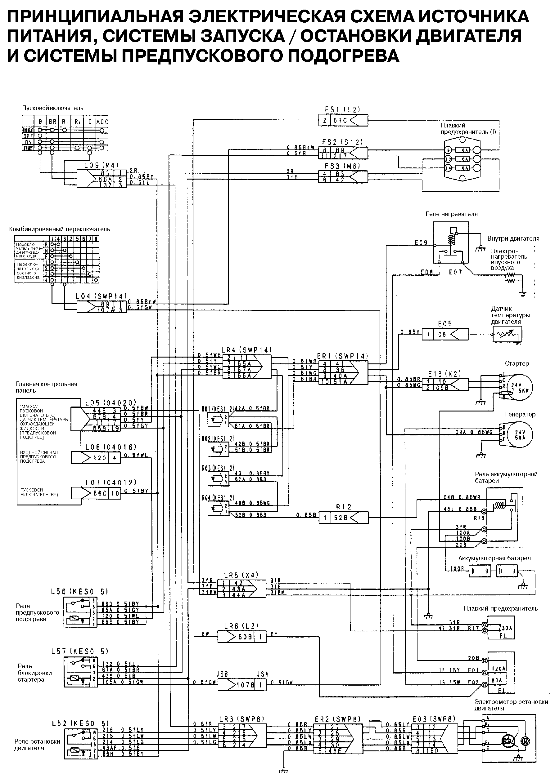
- C1 Контроллер коробки передач
- C2 Контроллер коробки передач
- C3A Контроллер коробки передач
- C3B Контроллер коробки передач
- C4 Контроллер коробки передач
- C5 Контроллер коробки передач
- CH1 Контроллер коробки передач и системы ECSS
- CH2 Контроллер коробки передач и системы ECSS
- CL1 Промежуточный соединитель (рабочая фара, радиоприемник)
- CL2 Промежуточный соединитель (кондиционера)
- CL3 Промежуточный соединитель (кондиционера)
- CN3 Датчик частоты вращения
- CN4 Соленоид 1й передачи
- CN5 Включатель наполнения муфты 1й передачи
- CN6 Соленоид 2й передачи
- CN7 Включатель наполнения муфты 2й передачи
- CN8 Соленоид 4й передачи
- CN9 Включатель наполнения муфты 4й передачи
- CN10 Соленоид стояночного тормоза
- CN11 Датчик температуры масла в коробке передач
- CN12 Соленоид 3й передачи
- CN13 Включатель наполнения муфты 3й передачи
- CN14 Соленоид заднего хода
- CN15 Включатель наполнения муфты заднего хода
- CN16 Соленоид переднего хода
- CN17 Включатель наполнения муфты переднего хода
- CN18 Датчик температуры масла в гидротрансформаторе
- CN19 Включатель стояночного тормоза
Продолжение информации и в полном объеме - только в


