Электросхемы и коды неисправностей
319E and 323E Compact Track Loader John Deere
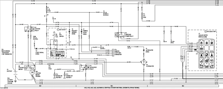
- 1 - Key Start
- 2 - Keyless Start
- A1 - Sealed Switch Module (SSM)
- F1 - Unswitched Power 7.5 A Fuse
- F15 - Switched Power 15 A Fuse
- F31 - Air Heater 80 A Fuse
- G1 - Battery
- G2 - Alternator
- K1 - Starter Relay
- K2 - Air Heater Relay
- K8 - Switched Power Relay
- M1 - Starter Motor
- R11 - Engine Air Heater 1
- R12 - Engine Air Heater 2
- S1 - Key Switch
- V1 - Remote Start Diode
- V2 - Polarity Sensing Diode
- V4 - Start Signal Diode
- V5 - Alternator Diode
- W30 - Battery-to-Frame Ground
- W31 - Starter Motor Ground
- X1 - Cab Harness-to-Main Harness 14-Pin Connector
- X2 - Cab Harness-to-Main Harness 47-Pin Connector
- X10 - Remote Start Box Connector
- X11 - Sealed Switch Module (SSM) 6-Pin Connector
- X20 - Main Harness-to-Battery 1-Pin Connector
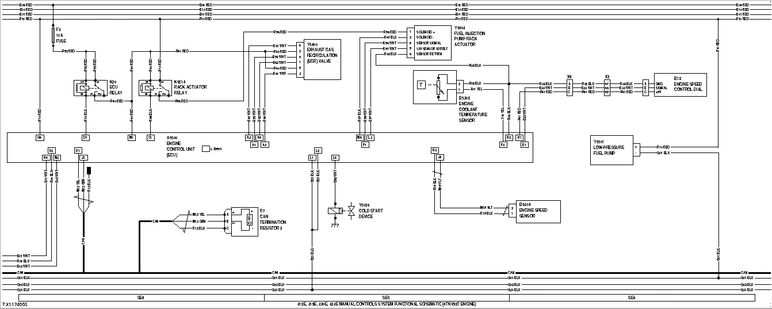
- A5500 - Engine Control Unit (ECU)
- B18 - Engine Speed Control Dial
- B5208 - Engine Coolant Temperature Sensor
- B5304 - Engine Speed Sensor
- F3 - ECU Unswitched Power 10 A Fuse
- K20 - Engine Control Unit (ECU) Relay
- K5814 - Rack Actuator Relay
- R7 - CAN Termination Resistor 2
- X2 - Cab Harness-to-Main Harness 47-Pin Connector
- X9 - Service Engine Speed Control Connector
- X5501 - Engine Control Unit (ECU) 48-Pin Connector
- Y5026 - Cold Start Device
- Y5400 - Exhaust Gas Recirculation (EGR) Valve
- Y5403 - Fuel Injection Pump Rack Actuator
- Y5501 - Low-Pressure Fuel Pump

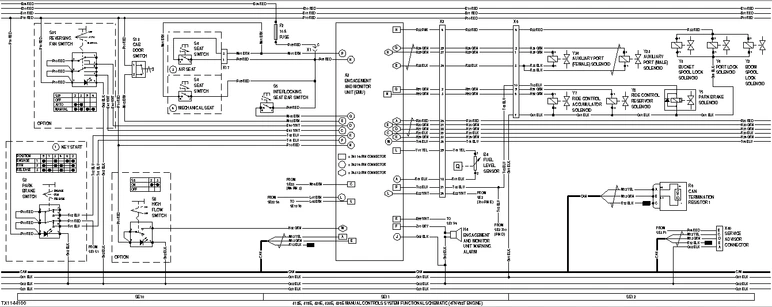
- 1 - Key Start
- 3 - Air Seat
- 4 - Mechanical Seat
- A2 - Engagement and Monitor Unit (EMU)
- B4 - Fuel Level Sensor
- F2 - Monitor Unswitched Power 10 A Fuse
- H4 - Engagement and Monitor Unit Warning Alarm
- R6 - CAN Termination Resistor 1
- S2 - Park Brake Switch
- S4 - Seat Switch
- S5 - Interlocking Seat Bar Switch
- S8 - High Flow Switch
- S13 - Cab Door Switch
- S35 - Reversing Fan Switch
- X1 - Cab Harness-to-Main Harness 14-Pin Connector
- X2 - Cab Harness-to-Main Harness 47-Pin Connector
- X6 - Main Harness-to-Hydraulic Valve Harness Connector
- X17 - Cab Harness-to-Air Seat 6-Pin Connector
- X40 - Service ADVISOR ™ Connector
- X41 - Engagement and Monitor Unit (EMU) 16-Pin Connector 1
- X42 - Engagement and Monitor Unit (EMU) 14-Pin Connector 2
- X43 - Engagement and Monitor Unit (EMU) 12-Pin Connector 3
- Y2 - Boom Spool Lock Solenoid
- Y3 - Bucket Spool Lock Solenoid
- Y4 - Port Lock Solenoid
- Y5 - Park Brake Solenoid
- Y7 - Ride Control Accumulator Solenoid
- Y8 - Ride Control Reservoir Solenoid
- Y23 - Auxiliary Port (male) Solenoid
- Y24 - Auxiliary Port (female) Solenoid

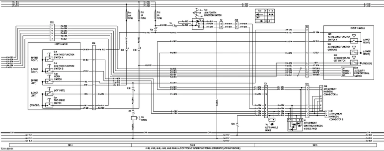
- B15 - Auxiliary Proportional Switch
- F16 - Horn 10 A Fuse
- F17 - Handle Switches 5 A Fuse
- F18 - Handle Switches 5 A Fuse
- H3 - Horn
- S25 - Two Speed Switch
- S28 - Auxiliary Flow Set Switch
- S29 - Auxiliary Second Function Switch A
- S30 - Auxiliary Second Function Switch B
- S31 - Auxiliary Third Function Switch A
- S32 - Auxiliary Third Function Switch B
- S33 - Auxiliary Fourth Function Switch
- S34 - Horn Switch
- V6 - Left Handle Diode
- V7 - Attachment Control Harness 5-Diode Pack
- X1 - Cab Harness-to-Main Harness 14-Pin Connector
- X2 - Cab Harness-to-Main Harness 47-Pin Connector
- X22 - Right Control Lever 12-Pin Connector
- X24 - Left Control Lever 8-Pin Connector
- X26 - Attachment Control Frame Harness-to-Attachment Control Boom Harness 8-Pin Connector
- X27 - Attachment Control Harness 8-Pin Connector
- X28 - Main Harness-to-Control Lever Harness 12-Pin Connector
- X29 - Main Harness-to-Control Lever Harness 4-Pin Connector
- X49 - Attachment Harness Connector A
- X50 - Attachment Harness Connector B

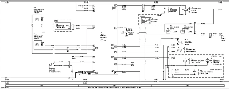
- A8 - Vehicle Control Unit (VCU)
- B2 - Hydraulic Oil Temperature Sensor
- B3 - Hydraulic Oil Filter Restriction Switch
- B19 - Engine Speed Control Pedal (if equipped)
- B20 - Hydrostatic Oil Temperature Sensor
- B5111 - Air Filter Restriction Switch
- B5115 - Engine Oil Pressure Switch
- H1 - Backup Alarm
- S10 - Left Reverse Switch
- S11 - Right Reverse Switch
- X6 - Main Harness-to-Hydraulic Valve Harness Connector
- X18 - Main Harness-to-Reverse Switch Harness Connector
- X31 - Hydrostatic Control Valve Harness Connector
- X34 - Main Harness-to-Rear Engine Harness 12-Pin Connector
- X47 - Vehicle Control Unit (VCU) Connector
- Y6 - Two Speed Solenoid
- Y9 - Pump Pressure Bypass Solenoid
- Y10 - High Flow Solenoid
- Y30 - Hydraulic Fan Speed Solenoid
- Y31 - Hydraulic Reversing Fan Solenoid A (S.N. —269401)
- Y32 - Hydraulic Reversing Fan Solenoid B (S.N. —269401)
- Y33 - Hydraulic Reversing Fan Solenoid (S.N. 269402— )

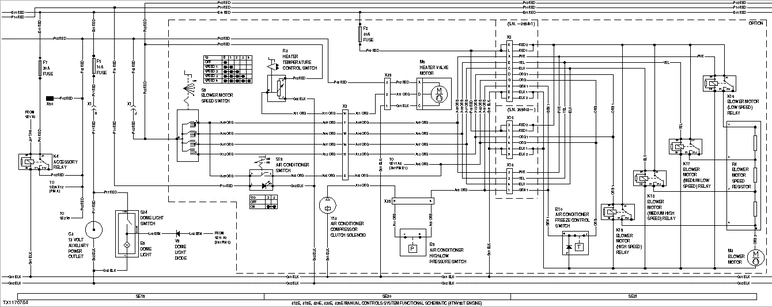
- B9 - Air Conditioner High/Low Pressure Switch
- B10 - Air Conditioner Freeze Control Switch
- E9 - Dome Light
- F5 - Dome Light and Accessory Power Outlet 10 A Fuse
- F7 - Accessory 20 A Fuse
- F8 - Air Conditioner and Heater 30 A Fuse
- G3 - 12 Volt Auxiliary Power Outlet
- K4 - Accessory Relay
- K16 - Blower Motor (low speed) Relay
- K17 - Blower Motor (medium low speed) Relay
- K18 - Blower Motor (medium high speed) Relay
- K19 - Blower Motor (high speed) Relay
- M3 - Blower Motor
- M6 - Heater Valve Motor
- R3 - Heater Temperature Control Switch
- R4 - Blower Motor Speed Resistor
- S9 - Blower Motor Speed Switch
- S19 - Air Conditioner Switch
- S24 - Dome Light Switch
- V9 - Dome Light Diode
- X1 - Cab Harness-to-Main Harness 14-Pin Connector
- X2 - Cab Harness-to-Main Harness 47-Pin Connector
- X8 - Main Harness-to-Air Conditioner and Heater Harness 14-Pin Connector (S.N. —269401)
- X15 - Main Harness-to-Air Conditioner and Heater Harness 6-Pin Connector (S.N. 269402— )
- X16 - Main Harness-to-Air Conditioner and Heater Harness 4-Pin Connector (S.N. 269402— )
- X39 - High/Low Pressure Switch and Heater Valve Motor Harness Connector
- X60 - Accessory Power Switch 1-Pin Connector
- Y13 - Air Conditioner Compressor Clutch Solenoid

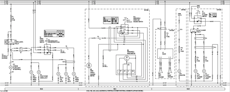
- A7 - Radio
- B26 - Left Speaker
- B27 - Right Speaker
- E1 - Left Front Work Light
- E2 - Right Front Work Light
- E3 - Right Tail Light
- E4 - Left Tail Light
- E5 - Rear Work Light
- E6 - Left Flasher Light
- E7 - Right Flasher Light
- E8 - Beacon
- E11 - License Plate Light (if equipped)
- F6 - Lights 25 A Fuse
- F10 - Left Flasher Light In-Line 5 A Fuse
- F11 - Right Flasher Light In-Line 5 A Fuse
- F12 - Radio In-Line 3 A Fuse
- F19 - Beacon In-Line 5 A Fuse
- K5 - Dual Flasher Relay
- K6 - Work Lights Relay
- M4 - Windshield Wiper Motor
- M5 - Windshield Washer Motor
- S6 - Work Lights Switch
- S7 - Dual Flasher Switch
- S12 - Windshield Wiper and Washer Switch
- X1 - Cab Harness-to-Main Harness 14-Pin Connector
- X2 - Cab Harness-to-Main Harness 47-Pin Connector
- X12 - Main Harness-to-Dual Flasher Harness 6-Pin Connector
- X21 - Cab Harness-to-Radio Harness 4-Pin Connector
- X34 - Main Harness-to-Rear Engine Harness 12-Pin Connector
- X71 - License Plate Light Harness Connector

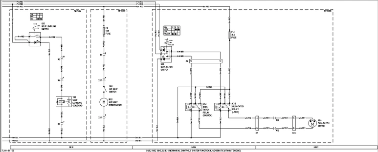
- F4 - Air Seat 10 A Fuse
- F14 - Quik-Tatch ™ 30 A Fuse
- K13 - Quik-Tatch ™ Relay (LOCK)
- K14 - Quik-Tatch ™ Relay (UNLOCK)
- M10 - Quik-Tatch ™ Motor
- M12 - Air Seat Compressor
- S26 - Quik-Tatch ™ Switch
- S38 - Self Leveling Switch
- S39 - Air Seat Switch
- X1 - Cab Harness-to-Main Harness 14-Pin Connector
- X2 - Cab Harness-to-Main Harness 47-Pin Connector
- X6 - Main Harness-to-Hydraulic Valve Harness Connector
- X7 - Main Harness-to- Quik-Tatch ™ Frame Harness 2-Pin Connector
- X17 - Cab Harness-to-Air Seat 6-Pin Connector
- X32 - Quik-Tatch ™ 1-Pin Connector 1
- X33 - Quik-Tatch ™ 1-Pin Connector 2
- X35 - Quik-Tatch ™ Boom Harness-to- Quik-Tatch ™ Actuator Harness Connector
- Y38 - Self Leveling Solenoid
Все коды диагностики неисправностей
ЕСМ
- 000029.00 Secondary Throttle Signal Extremely High
- 000029.01 Secondary Throttle Signal Extremely Low
- 000029.02 Secondary Throttle Signal Invalid
- 000029.03 Secondary Throttle Signal Out of Range High
- 000029.04 Secondary Throttle Signal Out of Range Low
- 000029.08 Secondary Throttle Signal Abnormal
- 000029.15 Secondary Throttle Signal Slightly High
- 000091.00 Primary Throttle Signal Extremely High
- 000091.01 Primary Throttle Signal Extremely Low
- 000091.02 Primary Throttle Signal Invalid
- 000091.03 Primary Throttle Signal Out of Range High
- 000091.03 Acceleration / Sensor 1
- 000091.03 Acceleration / Sensor 1
- 000091.04 Primary Throttle Signal Out of Range Low
- 000091.04 Acceleration / Sensor 1
- 000091.04 Acceleration / Sensor 1
- 000091.15 Primary Throttle Signal Slightly High
- 000100.01 Engine Oil Pressure Signal Extremely Low
- 000100.04 Engine Oil Pressure Signal Out of Range Low
- 000108.02 Barometric Pressure Signal Invalid
- 000108.03 Barometric Pressure Signal Out of Range High
- 000108.04 Barometric Pressure Signal Out of Range Low
- 000110.00 Engine Coolant Temperature Signal Extremely High
- 000110.02 Engine Coolant Temperature Signal Invalid
- 000110.03 Engine Coolant Temperature Signal Out of Range High
- 000110.04 Engine Coolant Temperature Signal Out of Range Low
- 000158.00 Switched Battery Voltage Extremely High
- 000158.01 Switched Battery Voltage Extremely Low
- 000167.01 Charging System Voltage Extremely Low
- 000167.04 Charging System Circuit Out of Range Low
- 000190.00 Engine Speed Extremely High
- 000628.02 ECM Internal Fault 1
- 000628.12 ECM Internal Fault 2
- 000630.02 ECM Internal Fault 3
- 000630.12 ECM Internal Fault 4
- 000638.02 Fuel Injection Pump Rack Actuator Invalid
- 000638.03 Fuel Injection Pump Rack Actuator Circuit Out of Range High
- 000638.04 Fuel Injection Pump Rack Actuator Circuit Out of Range Low
- 000638.07 Fuel Injection Pump Rack Actuator Not Responding
- 000639.12 CAN Communication Error
- 001078.04 Engine Speed Sensor Signal Out of Range Low
- 001079.02 Sensor Supply #1 Voltage Invalid
- 001079.03 Sensor Supply #1 Voltage Out of Range High
- 001079.04 Sensor Supply #1 Voltage Out of Range Low
- 001136.00 Engine Control Module (ECM) Internal Temperature Extremely High
- 001136.02 Engine Control Module (ECM) Internal Temperature Sensor Intermittent Error
- 001136.03 Engine Control Module (ECM) Internal Temperature Signal Out of Range High
- 001136.04 Engine Control Module (ECM) Internal Temperature Signal Out of Range Low
- 001202.02 Vehicle Immobilizer System Invalid
- 001210.03 Fuel Injection Pump Rack Position Sensor Signal Out of Range High
- 001210.04 Fuel Injection Pump Rack Position Sensor Signal Out of Range Low
- 001485.04 Engine Control Module (ECM) Main Relay Out of Range Low
- 001485.07 Main Relay / ECU
- 001485.07 Main Relay / ECU
- 522241.02 Fuel Injection Pump Rack Actuator Relay Invalid
- 522241.03 Fuel Injection Pump Rack Actuator Relay Out of Range High
- 522241.04 Fuel Injection Pump Rack Actuator Relay Out of Range Low
- 522242.02 Cold Start Relay Driver Circuit Invalid
- 522242.03 Cold Start Aid Relay Driver Circuit Out of Range High
- 522242.03 Cold Start Aid Solenoid
- 522242.03 Cold Start Aid Solenoid
- 522242.04 Cold Start Aid Relay Driver Circuit Out of Range Low
- 522242.04 Cold Start Aid Solenoid
- 522242.04 Cold Start Aid Solenoid
- 522243.02 Air Heater Relay Driver Circuit Invalid
- 522243.03 Air Heater Relay Driver Circuit Out of Range High
- 522243.04 Air Heater Relay Driver Circuit Out of Range Low
- 522243.05 Start Assist / Relay
- 522243.05 Start Assist / Relay
- 522243.06 Start Assist / Relay
- 522243.06 Start Assist / Relay
- 522251.03 EGR Valve Actuator Drive 1 Circuit Out of Range High
- 522251.04 EGR Valve Actuator Drive 1 Circuit Out of Range Low
- 522252.03 EGR Valve Actuator Drive 2 Circuit Out of Range High
- 522252.04 EGR Valve Actuator Drive 2 Circuit Out of Range Low
- 522253.03 EGR Valve Actuator Drive 3 Circuit Out of Range High
- 522253.04 EGR Valve Actuator Drive 3 Circuit Out of Range Low
- 522254.03 EGR Valve Actuator Drive 4 Circuit Out of Range High
- 522254.04 EGR Valve Actuator Drive 4 Circuit Out of Range Low
- 522314.00 Engine Coolant Temperature Extremely High
- 522323.00 Air Filter Pressure Differential Extremely High
- 522329.00 Water-In-Fuel Level Extremely High
- 522402.04 Auxiliary Speed Sensor Out of Range Low
- 522727.12 ECM Internal Fault 5
- 522728.12 ECM Internal Fault 6
- 522730.08 Vehicle Immobilizer System CAN Communication Error
- 522730.12 Vehicle Immobilizer System Pulse Communication Error
EMU
- 000070.02 Park Brake / Release Input
- 000070.02 Park Brake / Release Input
- 000070.04 Park Brake / Release Input
- 000070.04 Park Brake / Release Input
- 000096.03 Fuel Level / Sensor
- 000096.03 Fuel Level / Sensor
- 000096.04 Fuel Level / Sensor
- 000096.04 Fuel Level / Sensor
- 000158.00 System Voltage
- 000158.00 System Voltage
- 000158.01 System Voltage
- 000158.01 System Voltage
- 000162.04 2-Speed / Switch Input
- 000162.04 2-Speed / Switch Input
- 000234.14 Software Mismatch
- 000234.14 Software Mismatch
- 000920.05 Alarm Output
- 000920.05 Alarm Output
- 000920.06 Alarm Output
- 000920.06 Alarm Output
- 001196.11 Anti Theft
- 001196.11 Anti Theft
- 001504.04 Seat Switch / Input
- 001504.04 Seat Switch / Input
- 002000.09 No ECU Data / On CAN Bus
- 002000.09 No ECU Data / On CAN Bus
- 002228.09 No HCU Data / On CAN Bus
- 002228.09 No HCU Data / On CAN Bus
- 003413.04 Door Switch / Input
- 003413.04 Door Switch / Input
- 003597.03 5 Volt Sensor / Supply 1
- 003597.03 5 Volt Sensor / Supply 1
- 003597.04 5 Volt Sensor / Supply 1
- 003597.04 5 Volt Sensor / Supply 1
- 521050.04 Aux Flow On-Off / Switch Input
- 521050.04 Aux Flow On-Off / Switch Input
- 521197.04 Courtesy Light / Switch Input
- 521197.04 Courtesy Light / Switch Input
- 522379.05 Park Brake / Release Output
- 522379.05 Park Brake / Release Output
- 522379.06 Park Brake / Release Output
- 522379.06 Park Brake / Release Output
- 522398.02 Park Brake Run / Switch Input
- 522398.02 Park Brake Run / Switch Input
- 522398.04 Park Brake Run / Switch Input
- 522398.04 Park Brake Run / Switch Input
- 522826.00 Fan Purge / Switch Input
- 522826.00 Fan Purge / Switch Input
- 522826.04 Fan Purge / Switch Input
- 522826.04 Fan Purge / Switch Input
- 522827.04 Fan Auto / Switch Input
- 522827.04 Fan Auto / Switch Input
- 522828.03 Creep Mode/ Switch Input
- 522828.04 Creep Mode/ Switch Input
- 522828.07 Creep Mode/ Switch Input
- 522859.04 Lap Bar/ Switch Input
- 522859.04 Lap Bar/ Switch Input
- 523217.06 Hydraulic Valve / Power 3 to HCU
- 523217.06 Hydraulic Valve / Power 3 to HCU
- 523218.06 Propel Valve / Power 2 to HCU
- 523218.06 Propel Valve / Power 2 to HCU
- 523219.06 Hydraulic Valve / Power Output
- 523219.06 Hydraulic Valve / Power Output
- 523693.03 Aux Hyd / Channel 1 Input
- 523693.03 Aux Hyd / Channel 1 Input
- 523693.04 Aux Hyd / Channel 1 Input
- 523693.04 Aux Hyd / Channel 1 Input
- 523694.03 Aux Hyd / Channel 2 Input
- 523694.03 Aux Hyd / Channel 2 Input
- 523694.04 Aux Hyd / Channel 2 Input
- 523694.04 Aux Hyd / Channel 2 Input
- 523694.12 Aux Hyd / Channel 2 Input
- 523694.12 Aux Hyd / Channel 2 Input
- 523822.04 High Flow / Switch Input
- 523822.04 High Flow / Switch Input
- 523935.05 Aux Hyd / Extend Output
- 523935.05 Aux Hyd / Extend Output
- 523935.06 Aux Hyd / Extend Output
- 523935.06 Aux Hyd / Extend Output
- 523941.05 Aux Hyd / Retract Output
- 523941.05 Aux Hyd / Retract Output
- 523941.06 Aux Hyd / Retract Output
- 523941.06 Aux Hyd / Retract Output
- 523948.05 Ride Control 1 / Solenoid Current
- 523948.05 Ride Control 1 / Solenoid Current
- 523948.06 Ride Control 1 / Solenoid Current
- 523948.06 Ride Control 1 / Solenoid Current
- 523949.05 Ride Control 2 / Solenoid Current
- 523949.05 Ride Control 2 / Solenoid Current
- 523949.06 Ride Control 2 / Solenoid Current
- 523949.06 Ride Control 2 / Solenoid Current
- 524225.04 Remote Start / Input
- 524225.04 Remote Start / Input
- 524264.11 Checksum Error
- 524264.11 Checksum Error
HCU (Hydraulic Control Unit)
- 000630.13 Cal Missing / Or Incomplete
- 001594.00 Left Speed / Sensor Input
- 001594.01 Left Speed / Sensor Input
- 001594.02 Left Speed / Sensor Input
- 001594.14 Left Speed / Sensor Input
- 001595.00 Right Speed / Sensor Input
- 001595.01 Right Speed / Sensor Input
- 001595.02 Right Speed / Sensor Input
- 001595.14 Right Speed / Sensor Input
- 002201.09 Right Joystick / CAN Data
- 002213.09 Left Joystick / CAN Data
- 002660.07 Right Joystick / X-Axis
- 002661.07 Right Joystick / Y-Axis
- 002697.07 Left Joystick / X-Axis
- 002698.07 Left Joystick / Y-Axis
- 516193.03 Left Foot Pedal / Signal 1
- 516193.04 Left Foot Pedal / Signal 1
- 516193.07 Left Foot Pedal / Signal 1
- 516193.16 Left Foot Pedal / Signal 1
- 516193.18 Left Foot Pedal / Signal 1
- 516194.03 Left Foot Pedal / Signal 2
- 516194.04 Left Foot Pedal / Signal 2
- 516195.03 Right Foot Pedal / Signal 2
- 516195.04 Right Foot Pedal / Signal 2
- 516196.03 Right Foot Pedal / Signal 1
- 516196.04 Right Foot Pedal / Signal 1
- 516196.07 Right Foot Pedal / Signal 1
- 516196.16 Right Foot Pedal / Signal 1
- 516196.18 Right Foot Pedal / Signal 1
- 520652.05 Bucket Curl / Solenoid Current
- 520652.06 Bucket Curl / Solenoid Current
- 520652.16 Bucket Curl / Solenoid Current
- 520653.05 Bucket Dump / Solenoid Current
- 520653.06 Bucket Dump / Solenoid Current
- 520653.16 Bucket Dump / Solenoid Current
- 522377.03 Boom Sensor / Signal 1
- 522377.04 Boom Sensor / Signal 1
- 522377.12 Boom Sensor / Signal 1
- 522377.13 Boom Sensor / Signal 1
- 522436.03 Bucket Sensor / Signal 1
- 522436.04 Bucket Sensor / Signal 1
- 522436.12 Bucket Sensor / Signal 1
- 522436.13 Bucket Sensor / Signal 1
- 522437.03 Bucket Sensor / Signal 2
- 522437.04 Bucket Sensor / Signal 2
- 522447.05 Right Pump / Fwd Sol Current
- 522447.06 Right Pump / Fwd Sol Current
- 522447.16 Right Pump / Fwd Sol Current
- 522448.05 Right Pump / Rev Sol Current
- 522448.06 Right Pump / Rev Sol Current
- 522448.16 Right Pump / Rev Sol Current
- 522449.05 Left Pump / Rev Sol Current
- 522449.06 Left Pump / Rev Sol Current
- 522449.16 Left Pump / Rev Sol Current
- 522450.05 Left Pump / Fwd Sol Current
- 522450.06 Left Pump / Fwd Sol Current
- 522450.16 Left Pump / Fwd Sol Current
- 523217.03 Hydraulic Valve / Power 3 to HCU
- 523217.04 Hydraulic Valve / Power 3 to HCU
- 523218.03 Propel Valve / Power 2 to HCU
- 523218.04 Propel Valve / Power 2 to HCU
- 523219.03 Hydraulic Valve / Power 1 to HCU
- 523219.04 Hydraulic Valve / Power 1 to HCU
- 523378.03 Boom Sensor / Signal 2
- 523378.04 Boom Sensor / Signal 2
- 523411.05 Boom Down / Solenoid Current
- 523411.06 Boom Down / Solenoid Current
- 523411.16 Boom Down / Solenoid Current
- 523414.05 Boom Up / Solenoid Current
- 523414.06 Boom Up / Solenoid Current
- 523414.16 Boom Up / Solenoid Current
JSL
- 002697.03 Left Joystick / X-Axis
- 002697.04 Left Joystick / X-Axis
- 002697.13 Left Joystick / X-Axis
- 002697.14 Left Joystick / X-Axis
- 002698.03 Left Joystick / Y-Axis
- 002698.04 Left Joystick / Y-Axis
- 002698.13 Left Joystick / Y-Axis
- 002698.14 Left Joystick / Y-Axis
JSR
- 002660.03 Right Joystick / X-Axis
- 002660.04 Right Joystick / X-Axis
- 002660.13 Right Joystick / X-Axis
- 002660.14 Right Joystick / X-Axis
- 002661.03 Right Joystick / Y-Axis
- 002661.04 Right Joystick / Y-Axis
- 002661.13 Right Joystick / Y-Axis
- 002661.14 Right Joystick / Y-Axis
OC4
- 0000629.12 Controller Fault
- 0000629.12 Controller Fault
- 002033.09 VCU CAN Comm
- 002033.09 VCU CAN Comm
- 002634.04 Ignition Relay
- 002634.04 Ignition Relay
- 002634.05 Ignition Relay
- 002634.05 Ignition Relay
- 523850.04 SSM Button 15
- 523850.04 SSM Button 15
- 523850.09 SSM Button 15
- 523850.09 SSM Button 15
- 523852.04 SSM Button 14
- 523852.04 SSM Button 14
- 523852.09 SSM Button 14
- 523852.09 SSM Button 14
- 523854.04 SSM Button 13
- 523854.04 SSM Button 13
- 523854.09 SSM Button 13
- 523854.09 SSM Button 13
- 523855.04 SSM Button 12
- 523855.04 SSM Button 12
- 523855.09 SSM Button 12
- 523855.09 SSM Button 12
- 523856.04 SSM Button 11
- 523856.04 SSM Button 11
- 523856.09 SSM Button 11
- 523856.09 SSM Button 11
- 523857.04 SSM Button 10
- 523857.04 SSM Button 10
- 523857.09 SSM Button 10
- 523857.09 SSM Button 10
- 523858.04 SSM Button 9
- 523858.04 SSM Button 9
- 523858.09 SSM Button 9
- 523858.09 SSM Button 9
- 523860.04 SSM Button 8
- 523860.04 SSM Button 8
- 523860.09 SSM Button 8
- 523860.09 SSM Button 8
- 523861.04 SSM Button 7
- 523861.04 SSM Button 7
- 523861.09 SSM Button 7
- 523861.09 SSM Button 7
- 523862.04 SSM Button 6
- 523862.04 SSM Button 6
- 523862.09 SSM Button 6
- 523862.09 SSM Button 6
- 523863.04 SSM Button 5
- 523863.04 SSM Button 5
- 523863.09 SSM Button 5
- 523863.09 SSM Button 5
- 523864.04 SSM Button 4
- 523864.04 SSM Button 4
- 523864.09 SSM Button 4
- 523864.09 SSM Button 4
- 523865.04 SSM Button 3
- 523865.04 SSM Button 3
- 523865.09 SSM Button 3
- 523865.09 SSM Button 3
- 523867.04 SSM Button 2
- 523867.04 SSM Button 2
- 523867.09 SSM Button 2
- 523867.09 SSM Button 2
- 523868.04 SSM Button 1
- 523868.04 SSM Button 1
- 523868.09 SSM Button 1
- 523868.09 SSM Button 1
VCU
- 000091.03 Accelerator 2 - Pedal Voltage Above Normal
- 000091.03 Accelerator 2 - Pedal Voltage Above Normal
- 000091.04 Accelerator 2 - Pedal Voltage Below Normal
- 000091.04 Accelerator 2 - Pedal Voltage Below Normal
- 000100.01 Oil Pressure Switch
- 000100.01 Oil Pressure Switch
- 000158.03 Battery Voltage Switched Power
- 000158.03 Battery Voltage Switched Power
- 000158.04 Battery Voltage Switched Power
- 000158.04 Battery Voltage Switched Power
- 000168.03 Unswitched Power / Input
- 000168.03 Unswitched Power / Input
- 000168.04 Unswitched Power / Input
- 000168.04 Unswitched Power / Input
- 000977.05 Fan Direction / Mode
- 000977.05 Fan Direction / Mode
- 000977.06 Fan Direction / Mode
- 000977.06 Fan Direction / Mode
- 001071.05 Fan Speed / Solenoid
- 001071.05 Fan Speed / Solenoid
- 001071.06 Fan Speed / Solenoid
- 001071.06 Fan Speed / Solenoid
- 001508.00 Hydraulic Oil / Temperature
- 001508.00 Hydraulic Oil / Temperature
- 001508.03 Hydraulic Oil / Temperature
- 001508.03 Hydraulic Oil / Temperature
- 001508.04 Hydraulic Oil / Temperature
- 001508.04 Hydraulic Oil / Temperature
- 001713.00 Hydraulic Filter / Restr Switch
- 001713.00 Hydraulic Filter / Restr Switch
- 001713.03 Hydraulic Filter / Restr Switch
- 001713.03 Hydraulic Filter / Restr Switch
- 003512.03 5 Volt Sensor / Supply 4
- 003512.04 5 Volt Sensor / Supply 4
- 003597.03 5 Volt Sensor / Supply 1
- 003597.04 5 Volt Sensor / Supply 1
- 003598.03 5 Volt Sensor / Supply 2
- 003598.04 5 Volt Sensor / Supply 2
- 003599.03 5 Volt Sensor - Supply 3
- 003599.03 5 Volt Sensor - Supply 3
- 003599.04 5 Volt Sensor - Supply 3
- 003599.04 5 Volt Sensor - Supply 3
- 004056.05 2-Speed Output
- 004056.05 2-Speed Output
- 004056.06 2-Speed Output
- 004056.06 2-Speed Output
- 516249.04 Controller Power Supply
- 520194.13 Machine Model ID / Wrong or Missing
- 520194.13 Machine Model ID / Wrong or Missing
- 520194.14 Machine Model ID / Wrong or Missing
- 520194.14 Machine Model ID / Wrong or Missing
- 520849.03 Right Joystick / Trigger Input
- 520849.04 Right Joystick / Trigger Input
- 521466.05 Fan Direction / Relief
- 521466.05 Fan Direction / Relief
- 521466.06 Fan Direction / Relief
- 521466.06 Fan Direction / Relief
- 521806.05 HST Bypass Solenoid
- 521806.05 HST Bypass Solenoid
- 521806.06 HST Bypass Solenoid
- 521806.06 HST Bypass Solenoid
- 522820.05 High Flow / Driver
- 522820.05 High Flow / Driver
- 522820.06 High Flow / Driver
- 522820.06 High Flow / Driver
- 524084.00 Hydrostat Oil / Temperature
- 524084.00 Hydrostat Oil / Temperature
- 524084.03 Hydrostat Oil / Temperature
- 524084.03 Hydrostat Oil / Temperature
- 524084.04 Hydrostat Oil / Temperature
- 524084.04 Hydrostat Oil / Temperature
- 524264.11 Checksum Error
- 524264.11 Checksum Error

