Электросхема автобуса MAN RH353 / 403 F
Электропитание, распределение напряжения приборного отсека, распределение напряжения приборной платы 1, распределение напряжения основной коммутационной платы
- A = Электропитание
- B = Распределение напряжения приборного отсека
- C = Распределение напряжения приборной платы 1
- D = Распределение напряжения основной коммутационной платы
- F100 (108) Основной предохранитель
- G100 (100) Аккумуляторная батарея 1 170 А-ч
- (105) Аккумуляторная батарея 1 200 А-ч
- G101 (100) Аккумуляторная батарея 2 170 А-ч
- (105) Аккумуляторная батарея 2 200 А-ч
- Q100 (100) Основной выключатель аккумулятора
- S100 (100) Выключатель аккумулятора
- X100 Точка массы двигателя
- X101 (127) Клеммник приборной панели 1
- X102 (127) Клеммник основной коммутационной платы
- X257 (129) Перемычка клеммника основной коммутационной платы X102, 1-6
- X613 (127) Клеммник приборного отсека
- X614 (129) Перемычка клеммника X613 клемма 1-6
- X615 (128) Распределитель клеммника X613, кабель 31000
- X616 (128) Распределитель клеммника X101, кабель 30000
- X617 (128) Распределитель клеммника X102, кабель 31000
- X618 (128) Распределитель клеммника X102, кабель 31000
- X622 (128) Распределитель клеммника X613, кабель 15001
- X624 (128) Распределитель клеммника X101, кабель 15001
Электропитание центрального распределительного устройства, генератора 1, генератора
- A = Электропитание центрального распределительного устройства
- B = Генератор 1
- C = Генератор 2
- A100 (100) Центральное распределительное устройство
- F116 (105) Предохранитель стояночного заднего габарита, противотуманной фары заднего противотуманного фонаря, подсветки приборной панели и подножки
- G102 (101) Генератор
- G104 (101) Генератор 2
- H100 (100) Контрольная лампа зарядного тока
- H138 (100) Контрольная лампа зарядного тока генератора 2
- V100 (100) Диод подавления помех (клемма 15)
- X103 (109) Перемычка на ЦРУ между кл. 91 и кл. 94
- X104 Штекерное соединение главный фидер – приборная плата 1
- X105 Штекерное соединение главный фидер – основная коммутационная плата
- X109 Штекерное соединение основная коммутационная плата – приборная панель
- X110 Штекерное соединение основная коммутационная плата – приборная панель
- X269 Штекерное соединение главный фидер – аккумуляторный ящик
- X616 (128) Распределитель клеммника X101, кабель 30000
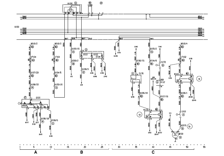
Замок рулевого колеса, управление основным выключателем аккумулятора, стартерная система
- A = Замок рулевого колеса
- B = Управление основным выключателем аккумулятора
- C = Стартерная система
- A100 (100) Центральное распределительное устройство
- F101 (101) Предохранитель основного выключателя аккумулятора
- F102 (103) Предохранитель управления запуском
- F104 (103) Предохранитель замка зажигания
- K100 (100) Реле основного выключателя аккумулятора
- K101 (100) Реле стартерной системы
- K175 (100) Реле блокировки стартера
- M100 (100) Стартер
- Q101 (102) Выключатель стартера
- S101 (137) Пусковой блокиратор
- S172 Выключатель – нейтральное положение
- S176 (148) Выключатель пуска/останова двигателя
- V101 (102) Диод основного выключателя аккумулятора, клемма 15
- V102 (102) Диод основного выключателя аккумулятора, клемма D+
- V134 (102) Диод удерживающего контура основного выключателя аккумулятора, клемма D+ генератор 2
- X104 Штекерное соединение главный фидер – приборная плата 1
- X105 Штекерное соединение главный фидер – основная коммутационная плата
- X106 Штекерное соединение кабельный жгут дополнительного отопления
- X107 Штекерное соединение главный фидер – приборная плата 1
- X108 Штекерное соединение главный фидер – приборная панель
- X109 Штекерное соединение основная коммутационная плата – приборная панель
- X112 (102) Универсальный распределительный блок в задней части кузова
- X189 (104) Перемычка на ЦРУ (поз. 52)
- X269 Штекерное соединение главный фидер – аккумуляторный ящик
- X616 (128) Распределитель клеммника X101, кабель 30000
- X2075 Штекерное соединение клемма 50
Звуковой сигнал
- A = Звуковой сигнал
- A100 (100) Центральное распределительное устройство
- F107 (101) Предохранитель фонаря заднего хода, звукового сигнала, стеклоподъемников, мониторов
- F129 (104) Предохранитель внутреннего освещения, контур 2
- H102 (101) Звуковой сигнал
- H169 (118) Звуковой сигнал (двухтональный)
- S103 (103) Кнопка звукового сигнала
- X109 Штекерное соединение основная коммутационная плата – приборная панель
- X114 (103) Перемычка на ЦРУ (поз. 47)
- X116 Штекерное соединение основная коммутационная плата – передок справа
- X267 Штекерное соединение основная коммутационная плата – главный фидер
Тормозное давление 1, 2 и топливный индикатор, индикация давления масла и температуры охлаждающей жидкости, центральная сигнальная лампа, контрольные лампы давления масла, давления в ресиверах и температуры охлаждающей жидкости, распределитель кабеля 16000
- A = Тормозное давление 1, 2 и топливный индикатор
- B = Индикатор давления масла и температуры охлаждающей жидкости
- C = Центральная сигнальная лампа, контрольные лампы давления масла, давления в ресиверах и температуры охлаждающей жидкости
- D = Распределитель кабеля 16000
- A100 (100) Центральное распределительное устройство
- B101 (101) Датчик давления воздуха в ресиверах тормозного контура 1
- B102 (101) Датчик давления воздуха в ресиверах тормозного контура 2
- B103 (263) Датчик запаса топлива 1
- B104 (103) Сенсор давления масла
- B105 (104) Датчик температуры охлаждающей жидкости
- B107 (106) Реле давления в ресивере стояночного тормоза
- F108 (101) Предохранитель эксплуатационного контроля
- H108 (100) Контрольная лампа давления в ресиверах
- H109 (100) Контрольная лампа давления масла
- H110 (100) Контрольная лампа температуры охлаждающей жидкости
- H111 (100) Центральная предупредительная лампа СТОП
- P102 (100) Индикатор давления воздуха в ресиверах тормозного контура 1
- P103 (100) Индикатор давления воздуха в ресиверах тормозного контура 2
- P104 (100) Индикатор запаса топлива
- P105 (101) Индикатор давления масла
- P106 (101) Индикатор температуры охлаждающей жидкости
- R102 (101) Уравнительное сопротивление для топливного индикатора (только с баком 300 л)
- X108 Штекерное соединение главный фидер – приборная панель
- X109 Штекерное соединение основная коммутационная плата – приборная панель
- X112 (102) Универсальный распределительный блок в задней части кузова
- X115 Штекерное соединение основная коммутационная плата – передок слева
- X116 Штекерное соединение основная коммутационная плата – передок справа
- X248 (130) Распределитель кабеля 16000 на приборной панели
Стоп-сигнал, моторный тормоз, усилитель сигнала клемма W, останов двигателя
- A = Стоп-сигнал
- B = Моторный тормоз
- C = Усилитель сигнала клеммы W
- D = Останов двигателя
- A100 (100) Центральное распределительное устройство
- F109 (103) Предохранитель стоп-сигнала, обогрева лобового и боковых стекол, моторного тормоза
- F110 (101) Предохранитель остановки двигателя
- F242 (101) Предохранитель стоп-сигнала
- H112 (102) Стоп-сигнал справа
- H113 (102) Стоп-сигнал слева
- H395 (146) Фонарь стоп-сигнала верхний
- K103 (105) Датчик предельного значения моторного тормоза
- K104 (106) Реле времени остановки двигателя
- K217 (100) Реле останова двигателя
- K239 (100) Реле моторного тормоза ВЫКЛ
- N100 (104) Усилитель сигнала клеммы W
- S105 (105) Ножная кнопка моторного тормоза
- S161 (128) Выключатель на приближение – сигнал тормоза
- X105 Штекерное соединение главный фидер – основная коммутационная плата
- X106 Штекерное соединение кабельный жгут дополнительного отопления
- X107 Штекерное соединение главный фидер – приборная плата 1
- X109 Штекерное соединение основная коммутационная плата – приборная панель
- X112 (102) Универсальный распределительный блок в задней части кузова
- X115 Штекерное соединение основная коммутационная плата – передок слева
- X118 (104) Перемычка на центральном распределительном устройстве (поз. 63)
- X120 (104) Перемычка на ЦРУ (поз. 55)
- X122 (105) Перемычка моторного тормоза
- X123 (106) Розетка прицепа
- X138 Штекерное соединение в потолке справа (вентиляционный канал)
- X151 (103) Перемычка между кабелем 59101 и 59103 (клемма W)
- X183 Штекерное соединение основная коммутационная плата – потолок (масса)
- X199 Штекерное соединение главный фидер – приборная плата 1
- X237 Штекерное соединение главный фидер – приборная плата 2
- X262 Штекерное соединение главный фидер – приборная плата 3
- X264 (104) Перемычка между кабелем 43000 и 43003
- X267 Штекерное соединение основная коммутационная плата – главный фидер
- X269 Штекерное соединение главный фидер – аккумуляторный ящик
- X643 (103) Перемычка на центральном распределительном устройстве (поз. 61)
- Y102 (101) Магнитный клапан останова двигателя, моторного тормоза
Стеклоподъемник, централизованная смазочная система, стояночный тормоз, подсветка моторного отсека – розетка приборной платы
- A = Стеклоподъемник
- B = Централизованная смазочная система
- C = Стояночный тормоз
- D = Подсветка моторного отсека – розетка приборной платы 1
- A100 (100) Центральное распределительное устройство
- A102 (275) Блок управления централизованной смазочной системой
- B108 (196) Контактор централизованной смазочной системы
- B109 (106) Контактор контрольной лампы стояночного тормоза
- E104 (104) Подсветка моторного отсека
- F111 (103) Предохранитель подсветки моторного отсека, розетка и внутреннее освещение
- H116 (100) Контрольная лампа централизованной смазочной системы
- H117 (100) Контрольная лампа стояночного тормоза
- K308 Реле стеклоподъемника (ЗАКР)
- K309 Реле стеклоподъемника (ОТКР)
- M101 (101) Мотор стеклоподъемника со стороны водителя
- M131 (127) Насос централизованной смазочной системы
- S107 (139) Кнопка водителя стеклоподъемника со стороны водителя
- S294 Верхний концевой выключатель стеклоподъемника
- S295 Нижний концевой выключатель стеклоподъемника
- S407 (118) Кнопка промежуточной смазки
- X104 Штекерное соединение главный фидер – приборная плата 1
- X105 Штекерное соединение главный фидер – основная коммутационная плата
- X109 Штекерное соединение основная коммутационная плата – приборная панель
- X110 Штекерное соединение основная коммутационная плата – приборная панель
- X112 (102) Универсальный распределительный блок в задней части кузова
- X116 Штекерное соединение основная коммутационная плата – передок справа
- X124 Штекерное соединение приборной панели к двери водителя
- X125 Штекерное соединение Приборная панель
- X127 Штекерное соединение основная коммутационная плата – середина автомобиля
- X128 (107) Розетка на приборной плате 1
- X616 (128) Распределитель клеммника X101, кабель 30000
- X718 Штекерное соединение кабина – централизованная смазочная система
- X1071 (152) Перемычка централизованной смазочной системы, текучая смазка
- XT Штекерное соединение в двери водителя
Указатель поворота – коммутатор аварийной световой сигнализации, дополнительный указатель поворота передка, фонари указателя поворота слева, фонари указателя поворота справа, контрольная
лампа указателя поворота
- A = Указатель поворота, коммутатор аварийной световой сигнализации
- B = Дополнительный указатель поворота передка
- C = Фонари указателя поворота слева
- D = Фонари указателя поворота справа
- E = Контрольная лампа указателя поворота
- A100 (100) Центральное распределительное устройство
- F113 (101) Предохранитель светосигнального устройства
- F114 (101) Предохранитель аварийной световой сигнализации
- H118 (100) Контрольная лампа указателя поворота тягача
- H120 (107) Указатель поворота спереди справа
- H121 (107) Указатель поворота спереди слева
- H122 (102) Указатель поворота сзади справа
- H123 (103) Указатель поворота сзади слева
- H124 (127) Указатель поворота сбоку справа
- H125 (126) Указатель поворота сбоку слева
- H126 (109) Указатель поворота сзади справа сверху
- H127 (109) Указатель поворота сзади слева сверху
- H153 (114) Дополнительный указатель поворота спереди слева
- H154 (114) Дополнительный указатель поворота спереди справа
- K107 (109) Интервальный датчик стеклоочистителя, указателя поворота
- K108 (100) Силовое реле – указатель поворота справа
- K109 (100) Силовое реле – указатель поворота слева
- K110 (255) Прерыватель
- K188 (100) Реле дополнительных фонарей указателя поворота в передке
- K479 (100) Реле дополнительных фонарей указателя поворота в передке
- S108 (107) Переключатель на рулевой колонке (указатель поворота, стеклоочиститель и фары)
- S109 (108) Выключатель аварийной световой сигнализации
- X105 Штекерное соединение главный фидер – основная коммутационная плата
- X107 Штекерное соединение главный фидер – приборная плата 1
- X108 Штекерное соединение главный фидер – приборная панель
- X109 Штекерное соединение основная коммутационная плата – приборная панель
- X112 (102) Универсальный распределительный блок в задней части кузова
- X115 Штекерное соединение основная коммутационная плата – передок слева
- X116 Штекерное соединение основная коммутационная плата – передок справа
- X129 (104) Перемычка на ЦРУ (поз. 49)
- X134 Штекерное соединение основная коммутационная плата – потолок
- X137 Штекерное соединение в потолке слева (вентиляционный канал)
- X138 Штекерное соединение в потолке справа (вентиляционный канал)
- X163 Штекерное соединение 1-я заслонка слева
- X165 Штекерное соединение амортизатора
- X616 Распределитель клеммника X101, кабель 30000
Указатель поворота прицепа, стеклоочиститель/стеклоомыватель, подсветка маршрутной таблички, прикуриватель
- A = Указатель поворота прицепа
- B = Стеклоочиститель/стеклоомыватель
- C = Подсветка маршрутной таблички
- D = Прикуриватель
- A100 (100) Центральное распределительное устройство
- E105 Подсветка маршрутной таблички спереди
- E106 Подсветка маршрутной таблички сзади
- E107 Подсветка маршрутной таблички сбоку
- F112 (103) Предохранитель стеклоочистителя/стеклоомывателя
- F158 (101) Предохранитель прикуривателя
- H119 (100) Контрольная лампа указателя поворота прицепа
- K106 (244) Реле импульса стеклоочистителя
- K107 (109) Интервальный датчик стеклоочистителя, указателя поворота
- K110 (255) Прерыватель
- M102 (102) Мотор стеклоочистителя
- M103 (103) Насос стеклоомывателя
- M127 (103) 2-й насос омывателя для фароочистителя
- R108 (110) Прикуриватель
- S108 (107) Переключатель на рулевой колонке (указатель поворота, стеклоочиститель и фары)
- S110 (318) Выключатель подсветки маршрутной таблички
- X105 Штекерное соединение главный фидер – основная коммутационная плата
- X108 Штекерное соединение главный фидер – приборная панель
- X109 Штекерное соединение основная коммутационная плата – приборная панель
- X110 Штекерное соединение основная коммутационная плата – приборная панель
- X111 Штекерное соединение основная коммутационная плата – приборная панель
- X112 Универсальный распределительный блок в задней части кузова
- X113 Штекерное соединение главный фидер – задняя часть кузова
- X115 Штекерное соединение основная коммутационная плата – передок слева
- X123 (106) Розетка прицепа
- X127 Штекерное соединение основная коммутационная плата – середина автомобиля
- X135 Штекерное соединение основная коммутационная плата – потолок
- X138 Штекерное соединение в потолке справа (вентиляционный канал)
Тахоспидограф, усилитель сигнала скорости, тахометр, защита от пониженного напряжения
- A = Тахоспидограф, усилитель сигнала скорости
- B = Тахометр
- C = Защита от пониженного напряжения
- A100 (100) Центральное распределительное устройство
- B110 (108) Импульсный датчик тахоспидографа
- F115 (101) Предохранитель защиты от пониженного напряжения
- H128 (100) Контрольная лампа защиты от пониженного напряжения
- K113 (254) Реле защиты от пониженного напряжения
- K114 (100) Реле защиты от пониженного напряжения
- N107 (106) Усилитель v-сигнала B7
- N133 (106) Импульсный усилитель v-сигнала D3
- P100 (102) Тахоспидограф
- P101 (103) Тахометр
- S180 Коммутатор индикации переднего делителя
- X108 Штекерное соединение главный фидер – приборная панель
- X110 Штекерное соединение основная коммутационная плата – приборная панель
- X111 Штекерное соединение основная коммутационная плата – приборная панель
- X112 (101) Универсальный распределительный блок в задней части кузова
- X113 Штекерное соединение главный фидер – задняя часть кузова
- X199 Штекерное соединение главный фидер – приборная плата 1
- X237 Штекерное соединение главный фидер – приборная плата 2
- X246 Штекерное соединение главный фидер – приборная панель
- X260 (130) Распределитель кабеля 15005
- X267 Штекерное соединение основная коммутационная плата – главный фидер
- X341 Штекерное соединение переключатель системы отопления – приборная панель
- X2001 (130) Распределитель кабеля 15005 на основной коммутационной плате
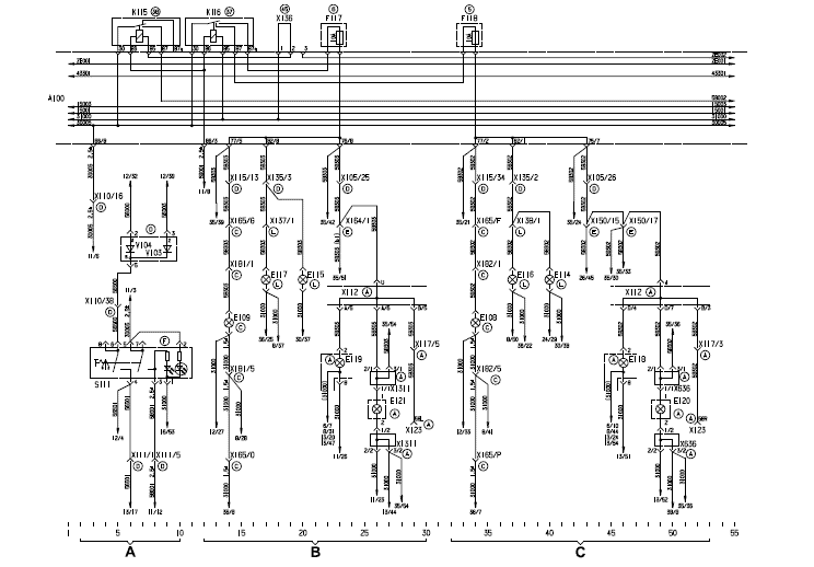
Выключатель света, стояночный задний габарит и освещение номерного знака слева, стояночный задний габарит и освещение номерного знака справа
- A = Выключатель света
- B = Стояночный задний габарит и освещение номерного знака слева
- C = Стояночный задний габарит и освещение номерного знака справа
- A100 (100) Центральное распределительное устройство
- E108 (106) Стояночный свет справа
- E109 (105) Стояночный свет слева
- E114 (109) Габаритный контурный фонарь спереди справа
- E115 (109) Габаритный контурный фонарь спереди слева
- E116 (110) Габаритный контурный фонарь сзади справа
- E117 (110) Габаритный контурный фонарь сзади слева
- E118 (102) Задний габаритный фонарь справа
- E119 (103) Задний габаритный фонарь слева
- E120 (166) Подсветка номерного знака справа
- E121 (166) Подсветка номерного знака слева
- F117 (101) Предохранитель стояночного заднего габарита слева
- F118 (101) Предохранитель стояночного заднего габарита справа
- K115 (100) Реле – клемма 58
- K116 (114) Реле стояночного заднего габарита
- S111 (169) Переключатель света
- V103 (102) Диод выключателя света слева
- V104 (102) Диод выключателя света справа
- X105 Штекерное соединение главный фидер – основная коммутационная плата
- X110 Штекерное соединение основная коммутационная плата – приборная панель
- X111 Штекерное соединение основная коммутационная плата – приборная панель
- X112 (102) Универсальный распределительный блок в задней части кузова
- X115 Штекерное соединение основная коммутационная плата – передок слева
- X116 Штекерное соединение основная коммутационная плата – передок справа
- X117 Штекерное соединение к розетке прицепа
- X123 (106) Розетка прицепа
- X135 Штекерное соединение основная коммутационная плата – потолок
- X136 (104) Перемычка на ЦРУ (поз. 45)
- X137 Штекерное соединение в потолке слева (вентиляционный канал)
- X138 Штекерное соединение в потолке справа (вентиляционный канал)
- X150 Штекерное соединение кабельного жгута двери и туалета
- X164 Штекерное соединение 1-я заслонка справа
- X165 Штекерное соединение амортизатора
- X181 Штекерное соединение фары слева
- X182 Штекерное соединение фары справа
- X636 (170) Штекерное соединение подсветки номерного знака
- X1311 (170) Штекерное соединение подсветки номерного знака
Переключатель на рулевой колонке, ближний свет, дальний свет
- A = Переключатель на рулевой колонке
- B = Ближний свет
- C = Дальний свет
- A100 (100) Центральное распределительное устройство
- E110 (106) Ближний свет справа
- E111 (105) Ближний свет слева
- E112 (108) Дальний свет справа
- E113 (107) Дальний свет слева
- F119 (101) Предохранитель ближнего света слева
- F120 (101) Предохранитель ближнего света справа
- F121 (101) Предохранитель дальнего света слева
- F122 (101) Предохранитель дальнего света справа
- H129 (100) Контрольная лампа дальнего света
- K119 (100) Реле ближнего света слева
- K120 (100) Реле ближнего света справа
- K121 (100) Реле дальнего света слева
- K122 (100) Реле дальнего света справа
- S108 (107) Переключатель на рулевой колонке (указатель поворота, стеклоочиститель и фары)
- X108 Штекерное соединение главный фидер – приборная панель
- X111 Штекерное соединение основная коммутационная плата – приборная панель
- X115 Штекерное соединение основная коммутационная плата – передок слева
- X139 (108) Перемычка на ЦРУ (поз. 36)
- X140 (108) Перемычка на ЦРУ (поз. 36)
- X165 Штекерное соединение амортизатора
- X181 Штекерное соединение фары слева
- X182 Штекерное соединение фары справа
- X190 Штекерное соединение главный фидер – приборная плата 2
Противотуманная фара, задний противотуманный фонарь, фонари заднего хода
- A = Противотуманная фара
- B = Задний противотуманный фонарь
- C = Фонари заднего хода
- A100 (100) Центральное распределительное устройство
- A357 (266) Контроллер задних противотуманных фонарей
- E100 (128) Дополнительный фонарь заднего хода справа
- E101 (128) Дополнительный фонарь заднего хода слева
- E102 (102) Фара заднего хода справа
- E103 (103) Фара заднего хода слева
- E122 (112) Противотуманная фара справа
- E123 (112) Противотуманная фара слева
- E124 (102) Задний противотуманный фонарь справа
- E125 (103) Задний противотуманный фонарь слева
- F124 (101) Предохранитель противотуманной фары, заднего противотуманного фонаря
- K117 (100) Реле – противотуманная фара
- K118 (100) Реле заднего противотуманного фонаря
- K652 (100) Реле противотуманной фары
- S104 (104) Контактор, задний ход ВКЛ
- S293 (168) Выключатель противотуманных фар/заднего противотуманного фонаря
- X105 Штекерное соединение главный фидер – основная коммутационная плата
- X108 Штекерное соединение главный фидер – приборная панель
- X109 Штекерное соединение основная коммутационная плата – приборная панель
- X111 Штекерное соединение основная коммутационная плата – приборная панель
- X112 (102) Универсальный распределительный блок в задней части кузова
- X113 Штекерное соединение главный фидер – задняя часть кузова
- X115 Штекерное соединение основная коммутационная плата – передок слева
- X165 Штекерное соединение амортизатора
- X188 (104) Перемычка на ЦРУ (поз. 50)
- X199 Штекерное соединение главный фидер – приборная плата 1
- X262 Штекерное соединение главный фидер – приборная плата 3
- X1059 Перемычка заднего противотуманного фонаря, контроллер
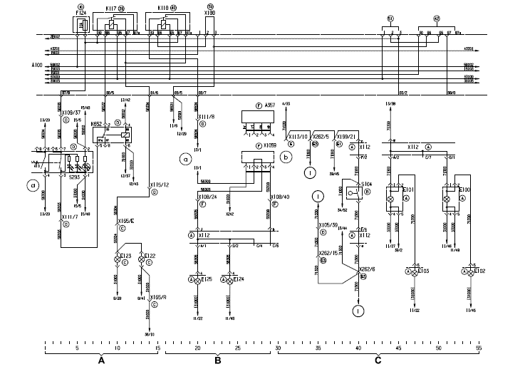
Система управления циркуляционным насосом, дополнительное отопление, циркуляционный насос
- A = Система управления циркуляционного насоса
- B = Дополнительное отопление, циркуляционный насос
- A100 (100) Центральное распределительное устройство
- A103 (104) Блок управления дополнительного отопления
- F126 (103) Предохранитель дополнительного отопления (циркуляционный насос и зажигание)
- F127 (103) Предохранитель дополнительного отопления (горелка)
- F128 (103) Предохранитель постоянных потребителей
- K124 (100) Реле управления циркуляционного насоса
- K451 (100) Реле отключения дополнительного отопления
- K452 (X101) Перемычка
- M104 (104) Циркуляционный насос дополнительного отопления
- X105 Штекерное соединение главный фидер – основная коммутационная плата
- X106 Штекерное соединение кабельный жгут дополнительного отопления
- X107 Штекерное соединение главный фидер – приборная плата 1
- X110 Штекерное соединение основная коммутационная плата – приборная панель
- X616 (128) Распределитель клеммника X101, кабель 30000
Внутреннее освещение контур 1, внутреннее освещение контур 2, ночник
- A = Внутреннее освещение, контур 1
- B = Внутреннее освещение, контур 2
- C = Ночник
- A100 (100) Центральное распределительное устройство
- E127 (113) 1-й плафон кабины (слева)
- E128 (113) 1-й плафон кабины (справа)
- E129 (113) 2-й плафон кабины (слева)
- E130 (113) 2-й плафон кабины (справа)
- E131 (113) 3-й плафон кабины (слева)
- E132 (113) 3-й плафон кабины (справа)
- E133 (113) 4-й плафон кабины (слева)
- E134 (113) 4-й плафон кабины (справа)
- E135 (113) 5-й плафон кабины (слева)
- E136 (113) 5-й плафон кабины (справа)
- E137 (113) 6-й плафон кабины (слева)
- E138 (113) 6-й плафон кабины (справа)
- E139 (113) 1-й ночник слева
- E140 (113) 1-й ночник справа
- E141 (113) 2-й ночник слева
- E142 (113) 2-й ночник справа
- E143 (113) 3-й ночник слева
- E144 (113) 3-й ночник справа
- E145 (113) 4-й ночник слева
- E146 (113) 4-й ночник справа
- E147 (113) 5-й ночник слева
- E148 (113) 5-й ночник справа
- E149 (113) 6-й ночник слева
- S115 (221) Выключатель внутреннего освещения, контур 1
- S117 (220) Выключатель ночника
- X108 Штекерное соединение главный фидер – приборная панель
- X110 Штекерное соединение основная коммутационная плата – приборная панель
- X111 Штекерное соединение основная коммутационная плата – приборная панель
- X135 Штекерное соединение основная коммутационная плата – потолок
- X144 Штекерное соединение в потолке справа (канал)
- X145 Штекерное соединение в потолке слева (поручень)
- X146 Штекерное соединение в потолке справа (поручень)
Лампа водителя, лампа пассажира, подсветка прохода, плафон для чтения, подсветка подножки водителя, подсветка ступенек, распределитель кабеля 58000, реостат подсветки приборной панели
- A = Лампа водителя
- B = Лампа пассажира
- C = Подсветка прохода
- D = Плафон для чтения
- E = Подсветка подножки водителя
- F = Подсветка ступенек
- G = Распределитель кабеля 58000
- H = Реостат подсветки приборной панели
- A100 (100) Центральное распределительное устройство
- E126 (117) Светильник направленного света (пассажир)
- E151 (120) Лампа водителя
- E152 (115) 1-я напольная подсветка
- E153 (115) 2-я напольная подсветка
- E154 (115) 3-я напольная подсветка
- E155 (115) 4-я напольная подсветка
- E156 (115) 5-я напольная подсветка
- E157 (115) 6-я напольная подсветка
- E158 (115) Подсветка ступенек
- E199 (122) Светильник направленного света над водителем
- E200 (122) Светильник направленного света над пассажиром
- E203 (123) Лампа подножки водителя
- F125 (101) Предохранитель подсветки приборов, выключателей и поисковой подсветки
- R106 (105) Потенциометр подсветки приборной панели
- S118 (222) Выключатель лампы водителя
- S119 (222) Выключатель лампы полки для мелкой ручной клади
- S120 (365) Выключатель лампы пассажира
- V597 (102) Диод подсветки подножки
- V598 (102) Диод подсветки подножки
- X110 Штекерное соединение основная коммутационная плата – приборная панель
- X111 Штекерное соединение основная коммутационная плата – приборная панель
- X116 Штекерное соединение основная коммутационная плата – передок справа
- X135 Штекерное соединение основная коммутационная плата – потолок
- X143 Штекерное соединение в потолке слева (канал)
- X144 Штекерное соединение в потолке справа (канал)
- X145 Штекерное соединение в потолке слева (поручень)
- X146 Штекерное соединение в потолке справа (поручень)
- X179 Штекерное соединение напольной подсветки +
- X180 Штекерное соединение напольной подсветки -
- X249 (130) Распределитель кабеля 58000 на приборной панели
- X341 Штекерное соединение переключатель системы отопления – приборная панель
Система кондиционирования передка
- A = Система кондиционирования передка
- A100 (100) Центральное распределительное устройство
- A105 (106) Элемент управления обогрева спереди
- A106 (107) Обогреватель
- F133 (104) Предохранитель обогревателя
- X110 Штекерное соединение основная коммутационная плата – приборная панель
- X111 Штекерное соединение основная коммутационная плата – приборная панель
- X319 (130) Распределитель массы датчика температуры MANTRONIC
- X1963 Штекерное соединение средняя часть приборной панели
Подпольный отопитель автобусного кондиционера, электропитание

- A = Подпольный отопитель автобусного кондиционера
- B = Подача напряжения
- A100 (100) Центральное распределительное устройство
- F131 (104) Предохранитель вентилятора системы отопления
- F132 (104) Предохранитель вентилятора системы отопления
- Y107 (103) Магнитный клапан теплой воды сзади слева
Вентилятор потолочного канала, управление

- A = Вентилятор потолочного канала, управление
- A100 (100) Центральное распределительное устройство
- F135 (104) Предохранитель вентилятора потолочного канала 1 слева
- F136 (104) Предохранитель вентилятора потолочного канала 1 справа
- F137 (103) Предохранитель вентилятора потолочного канала 2 слева
- F138 (103) Предохранитель вентилятора потолочного канала 2 справа
- X134 Штекерное соединение основная коммутационная плата – потолок
- X143 Штекерное соединение в потолке слева (канал)
- X144 Штекерное соединение в потолке справа (канал)
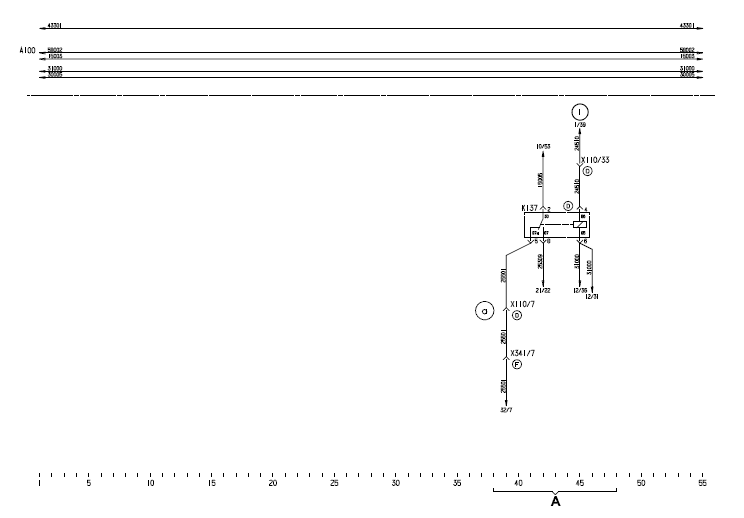
Переключение режима циркуляции воздуха

- A = Переключение режима циркуляции воздуха
- A100 (100) Центральное распределительное устройство
- K137 (100) Реле режима циркуляции воздуха
- X110 Штекерное соединение основная коммутационная плата – приборная панель
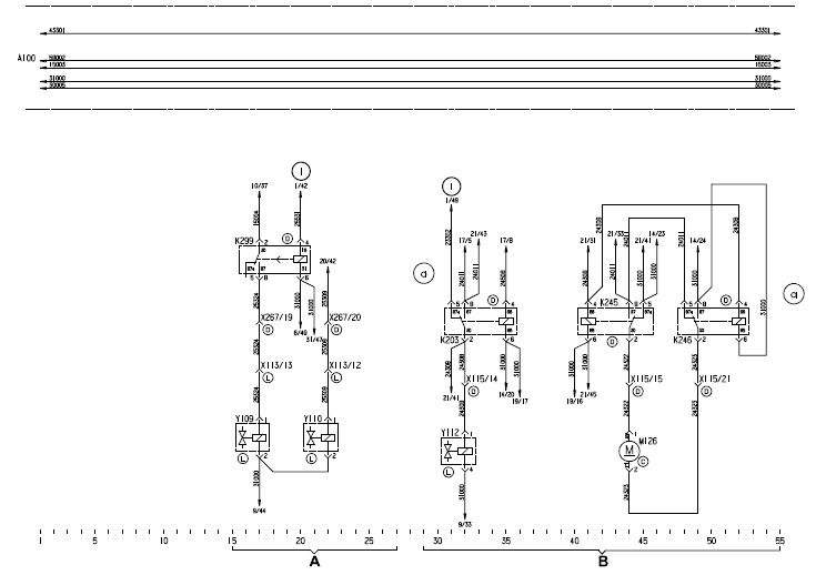
Приточная и рециркуляционная заслонка в крыше, приточная и рециркуляционная заслонка в передке

- A = Приточная и рециркуляционная заслонка в крыше
- B = Приточная и рециркуляционная заслонка в передке
- A100 (100) Центральное распределительное устройство
- K203 (100) Реле приточной /рециркуляционной заслонки передка
- K245 (100) Реле рециркуляционной заслонки передка
- K246 (100) Реле рециркуляционной заслонки передка
- K299 (262) Реле времени приточной заслонки на крыше
- M126 Сервомотор рециркуляционной заслонки в передке
- X113 Штекерное соединение главный фидер – задняя часть кузова
- X115 Штекерное соединение основная коммутационная плата – передок слева
- X267 Штекерное соединение основная коммутационная плата – главный фидер
- Y109 (104) Магнитный клапан приточной заслонки крыши
- Y110 (104) Магнитный клапан рециркуляционной заслонки крыши
- Y112 (104) Магнитный клапан приточной/рециркуляционной заслонки передка
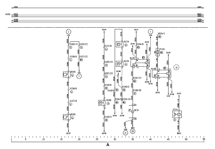
Кондиционер (система управления)

- A = Кондиционер (система управления)
- A100 (100) Центральное распределительное устройство
- B114 (112) Реле минимального давления кондиционера
- B115 (113) Реле избыточного давления кондиционера
- B164 (129) Сигнализатор обледенения кондиционера справа
- B165 (129) Сигнализатор обледенения кондиционера слева
- B168 (142) Реле давления в ресиверах
- F140 (101) Предохранитель холодильного компрессора
- H131 (100) Контрольная лампа кондиционера
- K145 (100) Реле контрольной лампы кондиционера
- K146 (100) Реле компрессора кондиционера
- X104 Штекерное соединение главный фидер – приборная плата 1
- X105 Штекерное соединение главный фидер – основная коммутационная плата
- X107 Штекерное соединение главный фидер – приборная плата 1
- X108 Штекерное соединение главный фидер – приборная панель
- X137 Штекерное соединение в потолке слева (вентиляционный канал)
- X138 Штекерное соединение в потолке справа (вентиляционный канал)
- X149 Штекерное соединение кабельного жгута кондиционера
- X183 Штекерное соединение основная коммутационная плата – потолок (масса)
- X267 Штекерное соединение основная коммутационная плата – главный фидер
- X624 (128) Распределитель клеммника X101, кабель 15001
- Y114 (106) Электромагнитная муфта компрессора
Кондиционер передней части кабины, увеличение частоты вращения двигателя на холостом ходу при работе кондиционера

- A = Кондиционер передней части кабины
- B = Повышение частоты вращения на холостом ходу при работе кондиционера
- A100 (100) Центральное распределительное устройство
- B170 (141) Сигнализатор обледенения кондиционера передка
- K195 (100) Реле переднего кондиционера
- X104 Штекерное соединение главный фидер – приборная плата 1
- X108 Штекерное соединение главный фидер – приборная панель
- X111 Штекерное соединение основная коммутационная плата – приборная панель
- X149 Штекерное соединение кабельного жгута кондиционера
- Y113 (101) Магнитный клапан повышения частоты вращения
- Y117 (119) Магнитный клапан кондиционера передней части кабины
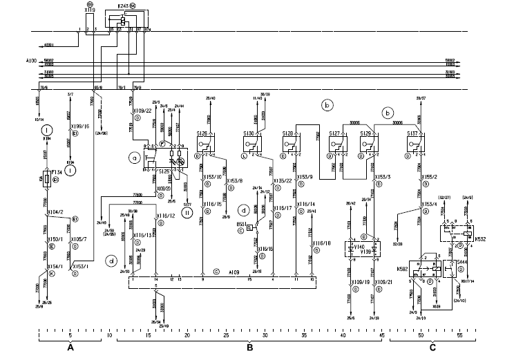
Электропитание системы дверного управления, система управления двери 1,
внешнее управление двери 1

- A = Электропитание системы дверного управления
- B = Система управления двери 1
- C = Внешнее управление двери 1
- A100 (100) Центральное распределительное устройство
- A109 Блок управления двери 1
- B531 Реле давления в ресивере 4 бар E
- F134 (101) Предохранитель системы дверного управления
- K243 (144) Датчик предельных значений контактора двери
- K532 (100) Реле внешней дверной кнопки, дверь 1)
- K582 (289) Реле времени внешней кнопки
- S125 (502) Водительская кнопка, дверь 1
- S126 (116) Выключатель, дверь 1 полностью открыта
- S127 (116) Реверсивный выключатель двери 1
- S128 (116) Выключатель, дверь 1 не закрыта
- S129 (116) Выключатель, дверь 1 не закрыта
- S130 (116) Аварийный выключатель двери 1
- S137 (116) Выключатель на замке, дверь 1
- S444 (436) Кнопка двери 1 внутри)
- V139 (101) Диод контрольной лампы двери 1
- V140 (101) Диод контрольной лампы двери 2
- X104 Штекерное соединение главный фидер – приборная плата 1
- X105 Штекерное соединение главный фидер – основная коммутационная плата
- X109 Штекерное соединение основная коммутационная плата – приборная панель
- X116 Штекерное соединение основная коммутационная плата – передок справа
- X119 (104) Перемычка на ЦРУ (поз. 65)
- X135 Штекерное соединение основная коммутационная плата – потолок
- X150 Штекерное соединение кабельного жгута двери и туалета
- X153 Штекерное соединение дверь 1
- X154 Штекерное соединение дверь 2
- X155 Штекерное соединение в створке двери 1
- X199 Штекерное соединение главный фидер – приборная плата 1
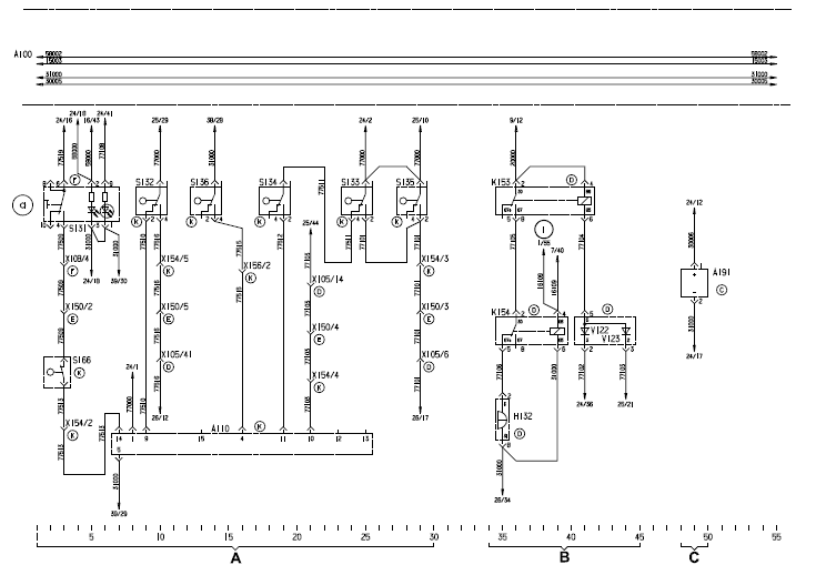
Система управления двери 2, сигнал аварийного крана, сиденье пассажира

- A = Система управления двери 2
- B = Сигнализация аварийного крана
- C = Сиденье пассажира
- A100 (100) Центральное распределительное устройство
- A110 (110) Блок управления двери 2
- A191 (125) Сиденье пассажира
- H132 (110) Зуммер аварийного крана
- K153 (100) Реле сигнала аварийного крана
- K154 (100) Реле сигнала аварийного крана
- S131 (502) Водительская кнопка, дверь 2
- S132 (116) Выключатель, дверь 2 полностью открыта
- S133 (116) Реверсивный выключатель двери 2
- S134 (116) Выключатель, дверь 2 не закрыта
- S135 (116) Выключатель, дверь 2 не закрыта
- S136 (118) Выключатель на аварийном кране, дверь 2
- S166 (130) Концевой выключатель блокировки, дверь 2
- V122 (103) Диод сигнала аварийного крана, дверь 1
- V123 (103) Диод сигнала аварийного крана, дверь 2
- X105 Штекерное соединение главный фидер – основная коммутационная плата
- X108 Штекерное соединение главный фидер – приборная панель
- X150 Штекерное соединение кабельного жгута двери и туалета
- X154 Штекерное соединение дверь 2
- X156 Штекерное соединение к аварийному крану двери 2
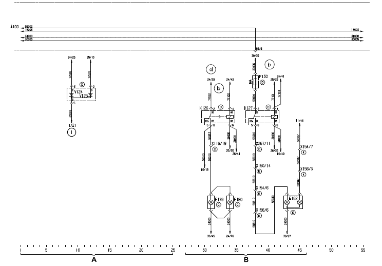
Отключение вентилятора при закрытии двери, подсветка подножки дверь 1, дверь 2

- A = Отключение вентилятора при закрытии двери
- B = Подсветка подножки двери 1, двери 2
- A100 (100) Центральное распределительное устройство
- E162 (114) Подсветка подножки двери 2
- E179 (115) 1-я подсветка подножки двери 1
- E180 (115) 2-я подсветка подножки двери 1
- F130 (101) Предохранитель подсветки подножки
- K126 (286) Реле подсветки подножки двери 1
- K127 (100) Реле подсветки подножки двери 2
- V124 (102) Диод отключения вентилятора потолочного канала при закрытии двери
- V125 (102) Диод отключения вентилятора потолочного канала при закрытии двери
- X116 Штекерное соединение основная коммутационная плата – передок справа
- X150 Штекерное соединение кабельного жгута двери и туалета
- X154 Штекерное соединение дверь 2
- X156 Штекерное соединение к аварийному крану двери 2
- X267 Штекерное соединение основная коммутационная плата – главный фидер
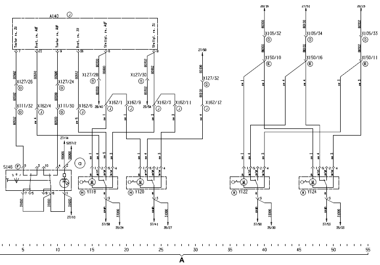
Центральный замок, левая сторона

- A = Центральный замок, левая сторона
- A140 (246) Блок управления центрального замка справа
- F151 (103) Предохранитель центрального замка слева
- H137 (100) Контрольная лампа центрального замка
- S147 (227) Кнопка центрального замка слева
- V133 (101) Диод управления подсветкой багажника
- X105 Штекерное соединение главный фидер – основная коммутационная плата
- X107 Штекерное соединение главный фидер – приборная плата 1
- X111 Штекерное соединение основная коммутационная плата – приборная панель
- X127 Штекерное соединение основная коммутационная плата – середина автомобиля
- X161 Штекерное соединение крышки багажника слева
- X168 (130) Распределитель кабеля 80100
- X616 (128) Распределитель клеммника X101, кабель 30000
- Y119 (152) Исполнительный элемент центрального замка 1-й заслонки слева
- Y121 (152) Исполнительный элемент центрального замка 2-й заслонки слева
- Y123 (152) Исполнительный элемент центрального замка 3-й заслонки слева
Центральный замок, правая сторона

- A = Центральный замок, правая сторона
- A140 (246) Блок управления центрального замка справа
- S146 (227) Кнопка центрального замка справа
- X105 Штекерное соединение главный фидер – основная коммутационная плата
- X111 Штекерное соединение основная коммутационная плата – приборная панель
- X127 Штекерное соединение основная коммутационная плата – середина автомобиля
- X150 Штекерное соединение кабельного жгута двери и туалета
- X162 Штекерное соединение крышек багажника справа
- Y118 (152) Исполнительный элемент центрального замка 1-й заслонки справа
- Y120 (152) Исполнительный элемент центрального замка 2-й заслонки справа
- Y122 (152) Исполнительный элемент центрального замка 3-й заслонки справа
- Y124 (152) Исполнительный элемент центрального замка 4-й заслонки справа
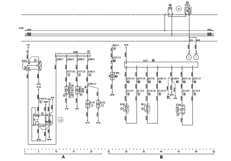
Подсветка багажника, система управления вентилятором

- A = Подсветка багажника
- B = Система управления вентилятором
- A100 (100) Центральное распределительное устройство
- A147 (181) Блок управления привода вентилятора
- B160 (132) Датчик температуры привода вентилятора (охлаждающая жидкость)
- B211 (158) Датчик температуры наддувочного воздуха (привод вентилятора)
- E159 (119) 1-я лампа багажника слева
- E161 (119) 2-я лампа багажника слева
- E165 (119) 3-я лампа багажника слева
- E166 (119) 1-я лампа багажника справа
- E167 (119) 4-я лампа багажника слева
- E168 (119) 2-я лампа багажника справа
- E169 (119) 5-я лампа багажника слева
- E170 (119) 3-я лампа багажника справа
- E171 (119) 6-я лампа багажника слева
- E172 (119) 4-я лампа багажника справа
- F159 (111) Предохранитель привода вентилятора
- F315 (101) Предохранитель кондиционера
- K163 (100) Реле подсветки багажника
- S148 (226) Выключатель подсветки багажника
- X105 Штекерное соединение главный фидер – основная коммутационная плата
- X109 Штекерное соединение основная коммутационная плата – приборная панель
- X113 Штекерное соединение главный фидер – задняя часть кузова
- X127 Штекерное соединение основная коммутационная плата – середина автомобиля
- X150 Штекерное соединение кабельного жгута двери и туалета
- X190 Штекерное соединение главный фидер – приборная плата 2
- X237 Штекерное соединение главный фидер – приборная плата 2
- X268 (130) Распределитель кабеля 58312
- X622 (128) Распределитель клеммника X613, кабель 15001
- X958 (103) Перемычка на ЦРУ (поз. 48)
- Y114 (118) Регулирующий клапан привода вентилятора
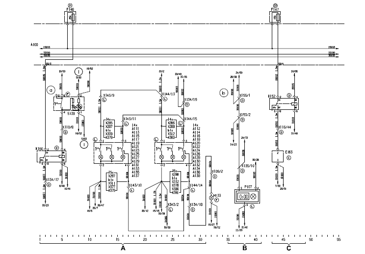
Плафоны для чтения, вызов бортпроводника, часы, холодильник

- A = Плафоны для чтения, вызов бортпроводника
- B = Часы
- C = Холодильник
- A100 (100) Центральное распределительное устройство
- A111 (109) Сопловой блок, 1-й ряд сидений слева
- A112 (109) Сопловой блок, 1-й ряд сидений справа
- A113 (109) Сопловой блок, 2-й ряд сидений слева
- A114 (109) Сопловой блок, 2-й ряд сидений справа
- A115 (109) Сопловой блок, 3-й ряд сидений слева
- A116 (109) Сопловой блок, 3-й ряд сидений справа
- A117 (109) Сопловой блок, 4-й ряд сидений слева
- A118 (109) Сопловой блок, 4-й ряд сидений справа
- A119 (109) Сопловой блок, 5-й ряд сидений слева
- A120 (109) Сопловой блок, 5-й ряд сидений справа
- A121 (109) Сопловой блок, 6-й ряд сидений слева
- A122 (109) Сопловой блок, 6-й ряд сидений справа
- A123 (109) Сопловой блок, 7-й ряд сидений слева
- A124 (109) Сопловой блок, 7-й ряд сидений справа
- A125 (109) Сопловой блок, 8-й ряд сидений слева
- A126 (109) Сопловой блок, 8-й ряд сидений справа
- A127 (109) Сопловой блок, 9-й ряд сидений слева
- A128 (109) Сопловой блок, 9-й ряд сидений справа
- A129 (109) Сопловой блок, 10-й ряд сидений слева
- A130 (109) Сопловой блок, 10-й ряд сидений справа
- A131 (109) Сопловой блок, 11-й ряд сидений слева
- A132 (109) Сопловой блок, 11-й ряд сидений справа
- A133 (109) Сопловой блок, 12-й ряд сидений слева
- A134 (109) Сопловой блок, 12-й ряд сидений справа
- A135 (109) Сопловой блок, 13-й ряд сидений слева
- A136 (109) Сопловой блок, 13-й ряд сидений справа
- A137 (109) Сопловой блок, 14-й ряд сидений слева
- A138 (109) Сопловой блок, 14-й ряд сидений справа
- E163 Холодильник
- F147 (103) Предохранитель холодильника
- F148 (105) Предохранитель плафонов для чтения
- H133 (111) Контрольная лампа вызова бортпроводника
- K152 (100) Реле холодильника
- K160 (100) Реле плафонов для чтения
- P107 (104) Часы
- S139 (231) Выключатель плафонов для чтения
- X109 Штекерное соединение основная коммутационная плата – приборная панель
- X110 Штекерное соединение основная коммутационная плата – приборная панель
- X116 Штекерное соединение основная коммутационная плата – передок справа
- X134 Штекерное соединение основная коммутационная плата – потолок
- X135 Штекерное соединение основная коммутационная плата – потолок
- X143 Штекерное соединение в потолке слева (канал)
- X144 Штекерное соединение в потолке справа (канал)
- X153 Штекерное соединение дверь 1
- X155 Штекерное соединение в створке двери 1
- X287 Клеммный распределитель к сопловому блоку слева
- X312 Клеммный распределитель к сопловому блоку справа
- X378 Зажимное соединение к лампе пассажира
- X379 Зажимное соединение к монитору спереди
- X380 Зажимное соединение к монитору сзади
- X381 Зажимное соединение к лампе "Занято"
Система освещения, розетка, койка водителя, переговорное устройство, электропитание туалета, распределение массы центрального распределительного устройства

- A = Система освещения, розетка, койка водителя, переговорное устройство
- B = Электропитание туалета
- C = Распределение массы центрального распределительного устройства
- A100 (100) Центральное распределительное устройство
- A192 (125) Переговорное устройство (пассажир)
- B169 (140) Динамик/микрофон места водителя
- E190 (121) Лампа койки водителя внизу
- F149 (101) Предохранитель туалета
- F173 (101) Предохранитель переговорного устройства/койки водителя
- H155 (110) Зуммер переговорного устройства
- S196 (288) Кнопка переговорного устройства
- X109 Штекерное соединение основная коммутационная плата – приборная панель
- X157 (103) Перемычка на ЦРУ (поз. 46)
- X410 Штекерное соединение койка водителя – приборная панель
- X423 Штекерное соединение кабельного жгута койка водителя – койка водителя
- X425 Розетка 24В в койке водителя
- X816 Адаптерный штекер койки водителя
Крышки люков

- A = Крышки люков
- A100 (108) Центральное распределительное устройство
- A108 (108) Крышка люка 2 (сзади)
- F139 (103) Предохранитель крышек люков
- H130 (100) Контрольная лампа крышек люков
- K169 (100) Реле крышек люков
- S124 (114) Выключатель крышки люка 1
- S170 (114) Выключатель крышки люка 2
- S280 (231) Выключатель крышек люков ОТКР
- V112 (107) Диод крышки люка 1, сзади ОТКР
- V113 (107) Диод крышки люка 1, спереди ОТКР
- V114 (107) Диод крышки люка 2, сзади ОТКР
- V115 (107) Диод крышки люка 2, спереди ОТКР
- V177 (107) Диод крышки люка 1, сзади ОТКР
- V178 (107) Диод крышки люка 2, сзади ОТКР
- V179 (107) Диод крышки люка 1 ОТКР
- V180 (107) Диод крышки люка 2 ОТКР
- X105 Штекерное соединение главный фидер – основная коммутационная плата
- X110 Штекерное соединение основная коммутационная плата – приборная панель
- X135 Штекерное соединение основная коммутационная плата – потолок
- X147 Штекерное соединение сдвижной панели крыши/крышки люка
- X199 Штекерное соединение главный фидер – приборная плата 1
- X341 Штекерное соединение переключатель системы отопления – приборная панель
Туалет

- A = Туалет
- A278 (362) Туалет
- H135 (100) Контрольная лампа заполнения фекальной емкости/отсутствия свежей воды
- H136 (E130) Контрольная лампа ЗАНЯТО
- H184 (E130) Контрольная лампа ЗАНЯТО
- S144 (508) Тумблер фекальная емкость ОТКР/туалет ВЫКЛ
- X105 Штекерное соединение главный фидер – основная коммутационная плата
- X108 Штекерное соединение главный фидер – приборная панель
- X110 Штекерное соединение основная коммутационная плата – приборная панель
- X134 Штекерное соединение основная коммутационная плата – потолок
- X144 Штекерное соединение в потолке справа (канал)
- X146 Штекерное соединение в потолке справа (поручень)
- X150 Штекерное соединение кабельного жгута двери и туалета
- X649 Штекерное соединение кабельного жгута двери и туалета
Обогрев стекол/зеркал заднего вида, регулировка зеркала заднего вида, обогрев топливного фильтра, зонд уровня охлаждающей жидкости, воздушная сушилка

- A = Обогрев окон/зеркал заднего вида
- B = Регулировка зеркала заднего вида
- C = Обогрев топливного фильтра
- D = Зонд уровня охлаждающей жидкости
- E = Воздушная сушилка
- A156 (124) Основное зеркало заднего вида (пассажир)
- A157 (125) Основное зеркало заднего вида (водитель)
- B139 (290) Зонд уровня охлаждающей жидкости
- B163 (138) Термоклапан обогрева топливного фильтра
- F156 (105) Предохранитель обогрева топливного фильтра
- H152 (100) Контрольная лампа уровня охлаждающей жидкости
- K177 (276) Реле обогрева топливного фильтра
- R103 (104) Обогрев окна водителя
- R107 (105) Воздухоосушитель
- R110 Обогрев топливного фильтра 1
- R118 Обогрев топливного фильтра 2
- S106 (364) Выключатель обогрева стекол/зеркал
- S191 (133) Выключатель регулировки основного зеркала
- S371 (177) Выключатель обогрева зеркал заднего вида
- X104 Штекерное соединение главный фидер – приборная плата 1
- X106 Штекерное соединение кабельный жгут дополнительного отопления
- X109 Штекерное соединение основная коммутационная плата – приборная панель
- X113 Штекерное соединение главный фидер – задняя часть кузова
- X124 Штекерное соединение приборной панели к двери водителя
- X125 Штекерное соединение в двери водителя
- X246 Штекерное соединение главный фидер – приборная панель
- X439 Штекерное соединение обогрева топливного фильтра
- XT Штекерное соединение в двери водителя
Габаритные фонари

- A = Боковые габаритные фонари
- E210 (129) 1-й боковой габаритный фонарь справа
- E211 (129) 1-й боковой габаритный фонарь слева
- E212 (129) 2-й габаритный фонарь справа
- E213 (129) 2-й габаритный фонарь слева
- E214 (129) 3-й габаритный фонарь справа
- E215 (129) 3-й габаритный фонарь слева
- E216 (129) 4-й габаритный фонарь справа
- E217 (129) 4-й габаритный фонарь слева
- E218 (129) 5-й габаритный фонарь справа
- E219 (129) 5-й габаритный фонарь слева
- E220 (129) 6-й боковой габаритный фонарь справа
- E221 (129) 6-й боковой габаритный фонарь слева
- X116 Штекерное соединение основная коммутационная плата – передок справа
- X127 Штекерное соединение основная коммутационная плата – середина автомобиля
- X144 Штекерное соединение в потолке справа (канал)
- X161 Штекерное соединение крышек багажника слева
- X162 Штекерное соединение крышек багажника справа
- X163 Штекерное соединение 1-я заслонка слева
- X166 Штекерное соединение боковой габаритный фонарь 1 справа
- X167 Штекерное соединение боковой габаритный фонарь 1 слева
- X169 Штекерное соединение боковой габаритный фонарь 2 слева
- X170 Штекерное соединение боковой габаритный фонарь 2 справа
- X171 Штекерное соединение боковой габаритный фонарь 3 слева
- X172 Штекерное соединение боковой габаритный фонарь 3 справа
- X174 Штекерное соединение боковой габаритный фонарь 4 справа
Распределение массы передка, распределение массы потолка

- A = Распределение массы передка
- B = Распределение массы потолка
- X115 Штекерное соединение основная коммутационная плата – передок справа
- X116 Штекерное соединение основная коммутационная плата – передок слева
- X137 Штекерное соединение в потолке слева (вентиляционный канал)
- X138 Штекерное соединение в потолке справа (вентиляционный канал)
- X143 Штекерное соединение в потолке слева (канал)
- X144 Штекерное соединение в потолке справа (канал)
- X145 Штекерное соединение в потолке слева (поручень)
- X146 Штекерное соединение в потолке справа (поручень)
- X147 Штекерное соединение сдвижной панели крыши/крышки люка
- X183 Штекерное соединение основная коммутационная плата – потолок (масса)
- X617 (128) Распределитель клеммника X102, кабель 31000
- X618 (128) Распределитель клеммника X102, кабель 31000
Распределение массы центральной части, распределение массы центрального замка

- A = Распределение массы центральной части
- B = Распределение массы центрального замка
- X127 Штекерное соединение основная коммутационная плата – середина автомобиля
- X150 Штекерное соединение кабельного жгута двери и туалета
- X161 Штекерное соединение крышек багажника слева
- X162 Штекерное соединение крышек багажника справа
- X615 (128) Распределитель клеммника X613, кабель 31000
- X617 (128) Распределитель клеммника X102, кабель 31000
- X618 (128) Распределитель клеммника X102, кабель 31000
Распределение массы универсального распределителя, распределение массы кондиционера – дверь 2
– подогрев фильтра, распределение массы туалета, распределение массы дополнительного отопления

- A = Распределение массы, универсальный распределитель
- B = Распределение массы кондиционера – дверь 2 – подогрев фильтра
- C = Распределение массы туалета
- D = Распределение массы дополнительного отопления
- X104 Штекерное соединение главный фидер – приборная плата 1
- X106 Штекерное соединение кабельный жгут дополнительного отопления
- X107 Штекерное соединение главный фидер – приборная плата 1
- X112 (102) Универсальный распределительный блок в задней части кузова
- X123 (106) Розетка прицепа
- X150 Штекерное соединение кабельного жгута двери и туалета
- X154 Штекерное соединение дверь 2
- X156 Штекерное соединение к аварийному крану двери 2
- X164 Штекерное соединение 1-я заслонка справа
- X615 (128) Распределитель клеммника X613, кабель 31000
Распределение массы приборной панели, электропитание диагностики

- A = Распределитель массы приборной панели
- B = Электропитание диагностики
- X111 Штекерное соединение основная коммутационная плата – приборная панель
- X202 Штекерное соединение диагностика (мигающий код) ABS
- X203 Штекерное соединение диагностика (мигающий код) ECAS
- X207 Штекерное соединение диагностика (мигающий код) тормоза-замедлителя
- X210 Штекерное соединение диагностика (мигающий код) E-газ
- X242 (130) Распределитель массы приборной панели (слева)
- X244 (130) Распределитель массы приборной панели (справа)
- X272 Штекерное соединение калибровки ECAS
- X341 Штекерное соединение переключатель системы отопления – приборная панель
- X618 (128) Распределитель клеммника X102, кабель 31000
Резервные кабели
- A = Резервные кабели
- X111 Штекерное соединение основная коммутационная плата – приборная панель
- X183 Штекерное соединение основная коммутационная плата – потолок (масса)
- X246 Штекерное соединение главный фидер – приборная панель
- X267 Штекерное соединение основная коммутационная плата – главный фидер
- X423 Штекерное соединение кабельного жгута койка водителя – койка водителя



















