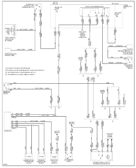
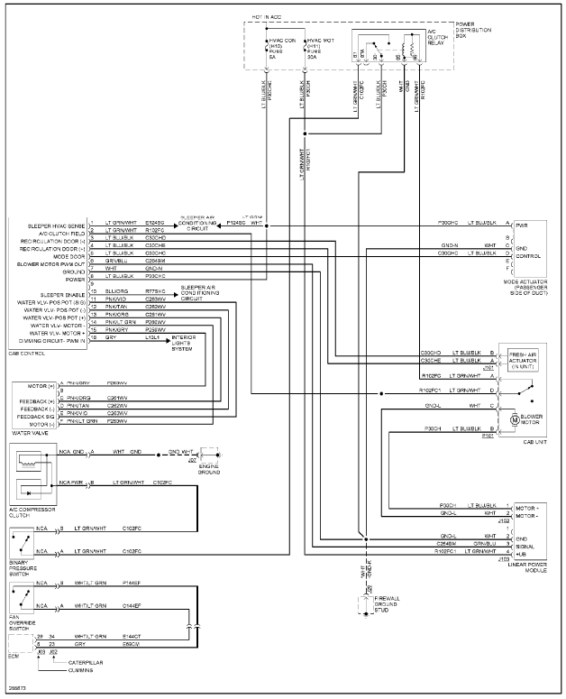
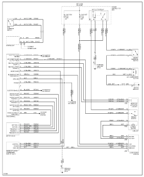
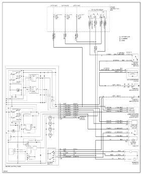
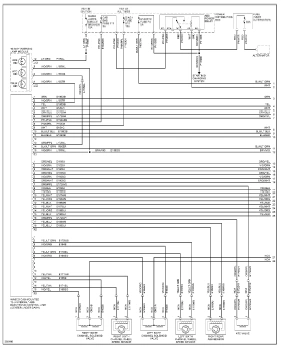
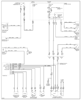
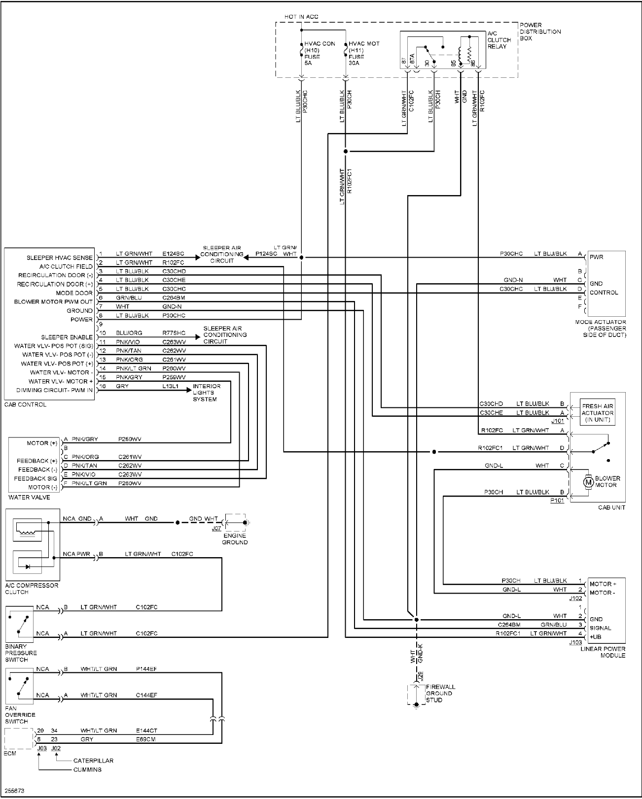
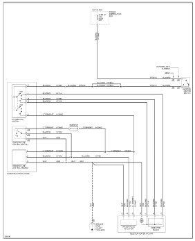
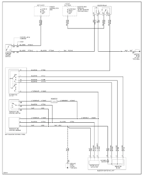
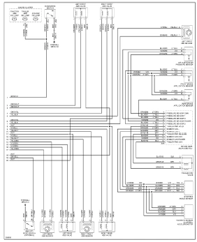
Электросхемы грузовика KENWORTH T800 (2013 г.)
Содержание
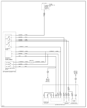
- AIR CONDITIONING
- ANTI-LOCK BRAKES
- COOLING FAN
- CRUISE CONTROL
- ENGINE ACCESSORIES
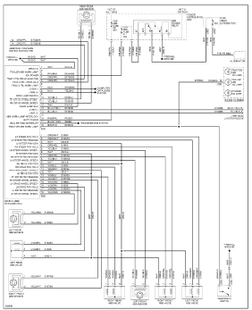
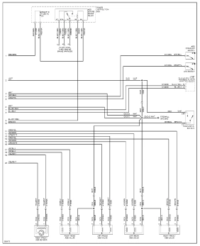
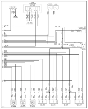
- EXTERIOR LIGHTS
- HEADLIGHTS
- HORN
- INTERIOR LIGHTS
- PNEUMATIC SYSTEMS
- POWER MIRRORS
- POWER WINDOWS
- RADIO
- SLEEPER CAB ACCESSORIES
- STARTING/CHARGING
- TRANSMISSION
- WIPER/WASHER








Все схемы в высоком качестве доступны только пользователям


