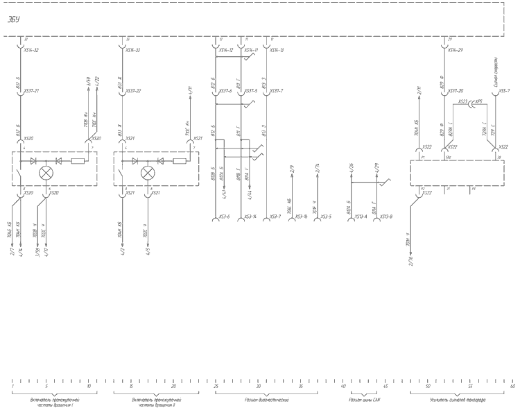
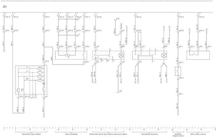
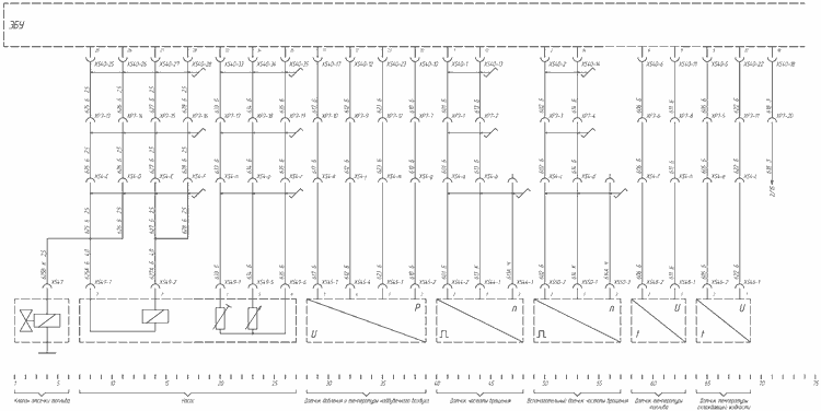
Электросхема топливной системы BOSCH MS 6.1 КАМАЗ
Электрическая принципиальная схема подключения электронной системы управления двигателем КАМАЗ с электронным блоком BOSCH MS 6.1. Номера проводов на схеме соответствует нумерации на проводах жгута.
Электронный блок MS 6.1 достаточно стоек к внешним воздействиям и если на автомобиле не производились сварочные работы при которых забыли снять разъёмы с блока или на автомобиле не вышел из строя генератор отечественного производства не имеющий защиты от перенапряжения, то причину ошибок надо искать прежде всего в неконтакте в разъёмах, а дальше в неправильной сборке автомобиля.



