Электронный таймер и система аварийной сигнализации
ETACS
Hyundai HD 65-72-78
ОБЩИЕ СВЕДЕНИЯ
Система ETACS предназначена для автоматического управления сигнальной лампой непристегнутого ремня безопасности, индикатором предпускового прогрева, реле предпускового прогрева, реле прерывистого режима работы стеклоочистителя, реле обогрева зеркала, реле запирания/отпирания дверей, реле электростеклоподъемников и реле задних фонарей. Получая сигналы от различных выключателей, она исполняет функции управления с задержкой времени (TIME) и аварийной
сигнализации (ALARM).
ТЕХНИЧЕСКИЕ ХАРАКТЕРИСТИКИ

ПРИНЦИП ДЕЙСТВИЯ
1. Переменный прерывистый режим работы стеклоочистителя
1) При включении зажигания.
2) При включении прерывистого режима работы стеклоочистителей.

Совместная работа стеклочистителя и стеклоомывателя
1) Если при включении зажигания выключатель стеклоомывателя находится во включённом положении, то через 1 сек. включается реле стеклоочистителя. Если по прошествии временного интервала T3 выключатель стеклоочистителя не будёт включён водителем, то через временной интервал T4 реле стеклоочистителя выключится автоматически.
2) Если при включении зажигания выключатель стеклоомывателя находится во включённом положении, то через 1 сек. включается реле стеклоочистителя. Если в течение временного интервала T4 водитель не включит стеклоомыватель, выключатель стеклоомывателя автоматически выключается, затем на
временной интервал T2 включается реле стеклоочистителя.
После этого, выключатель стеклоомывателя переходит в выключенное состояние.
3) Данная функция имеет приоритет над функцией прерывистой работы стеклоочистителя.

Управление центральным дверным замком
1) Запирание/отпирание дверей может производиться по входному сигналу от внутренней ручки замка с места водителя или пассажира.
2) Наличие питания от аккумуляторной батареи не влияет на состояние замков. (Если РУЧКА находится
в состоянии «закрыто» или «открыто», не подавайте выходной сигнал закрытия на замок от реле, даже если подается питание от аккумуляторной батареи).

Таймер электростеклоподъемника
1) Когда включено зажигание, реле электростеклоподъемника находится во включённом
состоянии.
2) При выключении зажигания, реле электростеклоподъемника продолжает оставаться во включённом
состоянии в течение 30 секунд, а затем отключается.
3) В состоянии 2), если открыть и закрыть дверь водителя или пассажира, реле отключается немедленно.

Таймер предупреждения о непристегнутом ремне безопасности
1) При включении зажигания в течение временного интервала Т1 выдаётся сигнал на лампу
предупреждения о непристегнутом ремне безопасности (с частотой 0,6 Гц).
2) В пределах заданного интервала времени при выключении зажигания сигнальная лампа
непристегнутого ремня безопасности гаснет.
3) В пределах заданного интервала времени, если концевой выключатель замка ремня безопасности
находится в замкнутом положении, сигнальная лампа непристегнутого ремня безопасности продолжает гореть в течение оставшегося времени контрольного периода.
Если же в это время застегнуть и сразу отсегнуть ремень безопасности, то, получив сигнал об этом, таймер сбрасывается в исходное состояние.
4) При включении зажигания, если ремень безопасности пристегивается и затем снова отстегивается,
в течение временного интервала Т1 выдаётся сигнал на лампу предупреждения о непристегнутом ремне безопасности.

Таймер обогревателя зеркал заднего вида
1) При включении зажигания, если выключатель обогрева зеркал заднего вида находится во включенном положении после начала работы генератора «L», реле обогревателя включается в течение временного интервала T2.
2) Пока включено реле обогревателя зеркал заднего вида, если выключатель обогрева снова включить, реле обогревателя выключится.
3) Когда реле обогревателя находится во включённом состоянии, а генератор «L» прекращает работать или выключается зажигание, реле обогревателя выключается.

Датчик уровня охлаждающей жидкости
1) При включении зажигания, если датчик уровня охлаждающей жидкости в течение временного
интервала T1 сохраняет сопротивление 30 кОм, то загорается сигнальная лампа.
2) Если сопротивление датчика уровня охлаждающей жидкости в течение временного интервала
T2 поддерживается на уровне менее 30 кОм, то сигнальная лампа гаснет.

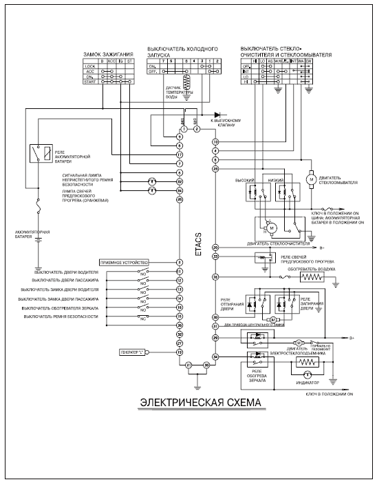
ЭЛЕКТРИЧЕСКАЯ СХЕМА

РАЗЪЕМ

