Электрооборудование автомобилей
сем. МАЗ-6430

Система электропитания

Муфта вентилятора охлаждения двигателя и резервное реле

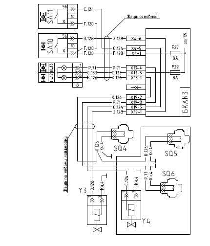
Система передних противотуманных фар

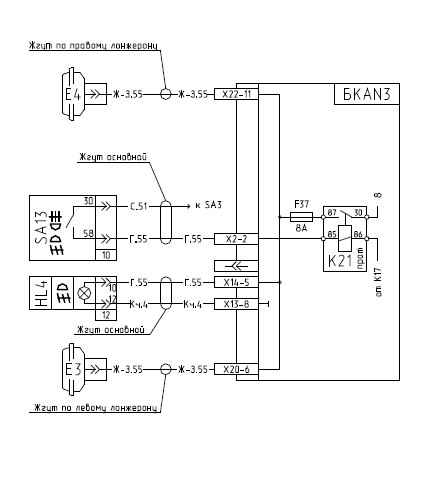
Блокиройка межколесных и межосебого дифференциалов

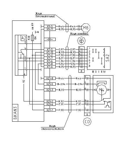
Система управления стеклоочистителем и стеклоомывателем

.
.
.
.
.
Продолжение смотри в