См. также:
Электросхема управления двигателем MR KAMAZ (mercedes) euro 4-5
QM501, QM502, ОМ900, ОМ904, ОМ906, ОМ924, ОМ926, ОМ457
Предохранитель A1/F11-A24

- А1: Держатель предохранителя А1
- А7: Базовый модуль GM
- А95: Модуль SCR на раме (Евро 4 или Евро 5)
- F11-A24: Предохранитель Клемма 30
- Х4.2: Штекерное соединение 'Кабина водителя-шасси'
- ХВ.30.4: Место спайки проводов 'Кл. 30'
- XR.5.1: Место спайки проводов 'кл. 31'
Датчик NOx

- А95: Модуль SCR на раме
- А113: Датчик NOx
Датчик температуры топлива

- Аб: Блок управления MR система управления двигателем
- Х2: Штекерное соединение (55-контактное)
- В10: Датчик температуры топлива
Заданные значения и параметры:
- Заданное сопротивление прим. при 25 °С: 1975 - 2155 Ом
- Заданное сопротивление прим. при 60 °С: 575 - 613 Ом
- Заданное сопротивление прим. при 90 °С: 239 - 249 Ом
- Заданное сопротивление прим. при 120 °С: 111 - 117 Ом
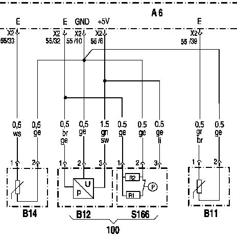
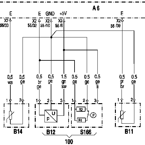
Датчик температуры масла

- Аб: Блок управления MR система управления двигателем
- В11: Датчик температуры масла
- В12: Датчик давления масла
- В14: Датчик уровня масла
- S166: Датчик давления масла
- 100: На выбор в зависимости от исполнения
Заданные значения и параметры:
- Заданное сопротивление прим. при 25 °С: 1975 - 2155 Ом
- Заданное сопротивление прим. при 60 °С: 575 - 613 Ом
- Заданное сопротивление прим. при 90 °С: 239 - 249 Ом
- Заданное сопротивление прим. при 120 °С: 111 - 117 Ом
Датчик давления масла

- Аб: Блок управления MR система управления двигателем
- В11: Датчик температуры масла
- В12: Датчик давления масла
- В14: Датчик уровня масла
- S166: Датчик давления масла
- 100: На выбор в зависимости от исполнения
Заданные значения и параметры:
- Напряжение питания : 5 V
- Напряжение датчиков : 0,5 V - 4,5 V
- Заданное значение при 0,5 бар: 0,5 В
- Заданное значение при б бар: 4,5 В
Датчик уровня масла

- Аб: Блок управления MR система управления двигателем
- В11: Датчик температуры масла
- В12: Датчик давления масла
- В14: Датчик уровня масла
- S166: Датчик давления масла
- 100: На выбор в зависимости от исполнения
Фрагмент электросхемы датчика положения

- Аб: Блок управления MR система управления двигателем
- Х2: Штекерное соединение (55-контактное)
- В15: Датчик положения коленвала
- В16: Датчик положения распредвала
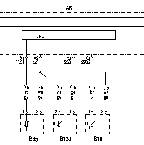
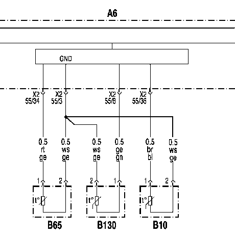
Датчик температуры охлаждающей жидкости

- Аб: Блок управления MR система управления двигателем
- Х2: Штекерное соединение (55-контактное)
- В65: Датчик температуры охлаждающей жидкости
Заданные значения и параметры:
- Заданное сопротивление прим. при 25 °С: 1975 - 2155 Ом
- Заданное сопротивление прим. при 60 °С: 575 - 613 Ом
- Заданное сопротивление прим. при 90 °С: 239 - 249 Ом
- Заданное сопротивление прим. при 120 °С: 111 - 117 Ом
Комбинированный датчик 'Давление и температура нагнетаемого воздуха'

- Аб: Блок управления MR система управления двигателем
- Х2: Штекерное соединение (55-контактное)
- B111: Комбинированный датчик 'Давление и температура нагнетаемого воздуха'
Датчики температуры на катализаторе

- А95: Модуль SCR на раме (Евро 4 или Евро 5)
- В115: Датчик температуры перед катализатором
- В116: Датчик температуры после катализатора
Датчик 'Уровень/температура бака AdBlue'

- А95: Модуль SCR на раме (Евро 4 или Евро 5)
- В117: Датчик 'Уровень/температура бака AdBlue'
Датчик давления AdBlue / Датчик сжатого воздуха SCR

- Аб: Блок управления MR система управления двигателем
- В128: Датчик сжатого воздуха SCR
- В129: Датчик давления AdBlue
Датчик 'Влажность воздуха/температура воздуха'

- А95: Модуль SCR на раме (Евро 4 или Евро 5)
- В132: Датчик 'Влажность воздуха/температура воздуха'
Датчик температуры AdBlue

- Аб: Блок управления MR система управления двигателем
- В10: Датчик температуры топлива
- В65: Датчик температуры охлаждающей жидкости
- В130: Датчик температуры AdBlue
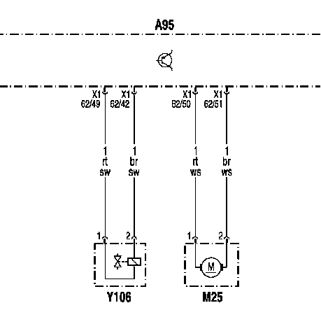
Насос AdBlue

- А95: Модуль SCR на раме (Евро 4 или Евро 5)
- М25: Насос AdBlue
- Y106: Электромагнитный клапан 'Ограничение сжатого воздуха'
Кнопка пуска и остановки двигателя

- Аб: Блок управления MR система управления двигателем
- N3: Штекерное соединение (55-контактное)
- S10: Кнопка пуска двигателя
- S11: Кнопка остановки двигателя
Переключающий клапан сжатого воздуха SCR

- А95: Модуль SCR на раме (Евро 4 или Евро 5)
- М25: Насос AdBlue
- Y106: Переключающий клапан сжатого воздуха SCR
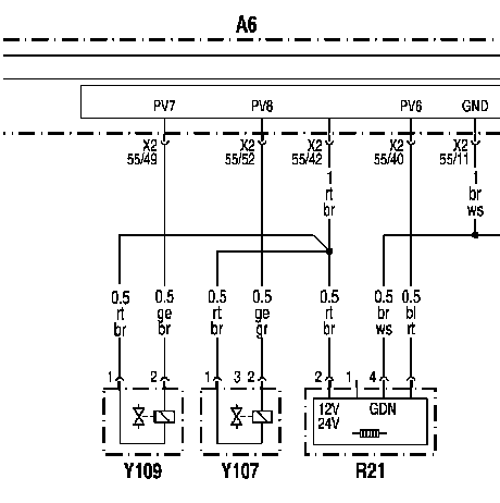
Электромагнитный клапан 'Подогрев бака AdBlue'

- Аб: Блок управления MR система управления двигателем
- Y107: Электромагнитный клапан 'Подогрев бака AdBlue'
- Y109: Дозирующий клапан AdBlue
- R21: Нагревательный фланец Нагнетаемый воздух (На выбор в зависимости от исполнения)
Дозирующий клапан AdBlue

- Аб: Блок управления MR система управления двигателем
- Y107: Электромагнитный клапан 'Подогрев бака AdBlue'
- Y109: Дозирующий клапан AdBlue
- R21: Нагревательный фланец Нагнетаемый воздух
Блокирующий клапан сжатого воздуха SCR

- А95: Модуль SCR на раме (Евро 4 или Евро 5)
- Y128: Блокирующий клапан сжатого воздуха SCR
Указание:
- Только на а/м GGVS
Шина данных CAN двигателя

- АЗ: Блок управления FR система управления движением
- Аб: Блок управления MR система управления двигателем
- XI: Штекерное соединение (16-контактное)
- Х2.2: Штекерное соединение (18-контактное)
- Х4: Штекерное соединение (18-контактное)
Указание:
- Место установки штекерного соединения Х2.2 на плате штекеров 'Кабина водителя - шасси'
CAN А95 - Аб

- Аб: Блок управления MR система управления двигателем
- А95: Модуль SCR на раме (Евро 4 или Евро 5)
- Х2.1: Штекерное соединение 'Кабина водителя-шасси'
- Х4.2: Штекерное соединение 'Кабина водителя-шасси'
- Z3: Точка звезды CAN
Датчик NOx

- 1: Катализатор
- 2: Датчик NOx
- 3: Блок управления Датчик NOx
Место установки датчика температуры топлива

- 1: Датчик температуры топлива
Место установки датчика температуры масла

- 1: Датчик давления масла В12
- 2: Датчик температуры масла В11
Место установки датчика давления масла

- 1: Датчик давления масла В12
- 2: Датчик температуры масла В11
Место установки датчика уровня масла

- 1: Блок управления системы управления двигателем (MR)
- 2: Датчик уровня масла В14
- 3: Штекерное соединение датчика уровня масла
Место установки датчика положения коленвала

- 1: Датчик положения коленвала
Место установки датчика положения распредвала

- 1: Датчик положения распредвала (датчик ВМТ, цилиндр 1)
Место установки датчика охлаждающей жидкости

- 1: Датчик охлаждающей жидкости
Место установки комбинированного датчика
'Давление и температура нагнетаемого воздуха'

- 1: Комбинированный датчик 'Давление и температура нагнетаемого воздуха'
- 2: Штекер (4-контактный) комбинированного датчика
Датчики температуры на катализаторе

- 1: Датчик температуры после катализатора (В116)
- 2: Датчик температуры перед катализатором (В115)
- 3: Штекерное соединение В116
- 4: Штекерное соединение В115
- 5: Катализатор
Дозатор

- 1: Датчик давления AdBlue (В129)
- 2: Датчик температуры AdBlue (В130)
- 3: Датчик сжатого воздуха SCR (В128)
- 4: Дозирующий клапан AdBlue (Y109)
Датчик 'Влажность воздуха/температура воздуха'

- 1: Датчик 'Влажность воздуха/температура воздуха' (В132)
Стартер (Реле управления , Тяговое реле)

- 1: Реле управления
- 2: Выход 'Клемма 87' с тягового реле
- 3: Провод управления (клемма 50) от блока управления MR
- 4: Стартер
- 5: Клемма 30 на реле управления
- 6: Тяговое реле
- 7: Клемма 86 на реле управления
- 8: Выход 'Клемма 87' на реле управления
- 9: Вход 'Клемма 50' с реле управления
- 10: Клемма 30
Подогрев диффузора

- 2: Датчик давления AdBlue (В129)
- 3: Датчик температуры AdBlue (В130)
- 5: Дозирующий клапан AdBlue (Y109)
- 6: Диффузор
- 7: Датчик сжатого воздуха SCR (В128)
- 8: Соединение пневматического трубопровода
-11: Фильтр
-12: Подогрев диффузора
-13: Штекерное соединение Подогрев диффузора
Место установки кнопки пуска и остановки двигателя

- 1: Блок управления MR система управления двигателем
- 2: Кнопка остановки двигателя
- 3: Кнопка пуска двигателя
Переключающий клапан сжатого воздуха SCR

- 1: Переключающий клапан сжатого воздуха SCR ( Y106 )
- 2: Штекерное соединение (Y106)
ТНВД цилиндра с винтовыми клеммами

- 1+2: Клеммы подключения электромагнитного клапана ТНВД цилиндра
- 3: ТНВД цилиндров
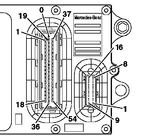
XI / Х2: Штекер на блоке управления MR

Назначение штекерных соединений Х2 (слева) и XI (справа) на блоке управления MR система управления двигателем
a) Штекерное соединение Х2
(55-контактное):
- 0: Электростатический маслоотделитель (Диагностический провод)
- 1: Датчик положения распредвала (-)
- 2: Датчик положения коленвала (-)
- 3: Обратная связь датчика температуры охлаждающей жидкости
- 4: Обратная связь датчика температуры топлива
- 5: Датчик числа оборотов турбонагнетателя (-)
- 6: Датчик давления масла (активный датчик) - Питание 5 В
- 7: Комбинированный датчик 'Давление и температура нагнетаемого воздуха': питание - 5 V
- 8: Не используется
- 9: Обратная связь ТНВД цилиндров 2 ряда
- 10: Датчик давления масла (активный датчик) - Провод массы
- 11: Электростатический маслоотделитель (Провод массы)
- 12: Обратная связь пропорциональных клапанов 1, 3 и 4
- 13: Не используется
- 14: Не используется
- 15: Обратная связь датчика температуры масла
- 16: Обратная связь ТНВД цилиндров 1 ряда
- 17: Не используется
- 18: Управление стартером 'Клемма 50'
- 19: Датчик положения коленвала (+)
- 20: Датчик положения распредвала (+)
- 21: Не используется
- 22: Не используется
- 23: Комбинированный датчик 'Давление и температура нагнетаемого воздуха': обратная связь
- 24: Датчик числа оборотов турбонагнетателя (+)
- 25: Вход кнопки пуска двигателя
- 26: Не используется
- 27: Электростатический маслоотделитель (Провод питания 24 V)
- 28: Не используется
- 29: Комбинированный датчик 'Давление и температура нагнетаемого воздуха': сигнал давления
- 30: Питание кнопки пуска и остановки двигателя
- 31: Не используется
- 32: Датчик давления масла (активный датчик) - Сигнальный провод
- 33: Сигнал датчика уровня масла
- 34: Сигнал датчика температуры охлаждающей жидкости
- 35: Вход кнопки остановки двигателя
- 36: Сигнал датчика температуры топлива
- 37: Не используется
- 38: Активация ТНВД цилиндра 6
- 39: Сигнал датчика температуры масла
- 40: Не используется
- 41: Пропорциональный клапан 3
- 42: Не используется
- 43: Пропорциональный клапан 4
- 44: Активация ТНВД цилиндра 5
- 45: Активация ТНВД цилиндра 4
- 46: Не используется
- 47: Активация ТНВД цилиндра 3
- 48: Комбинированный датчик 'Давление и температура нагнетаемого воздуха': сигнал температуры
- 49: Обратная связь датчика уровня масла
- 50: Пропорциональный клапан 2
- 51: Пропорциональный клапан 1
- 52: Обратная связь пропорционального клапана 2
- 53: Активация ТНВД цилиндра 2
- 54: Активация ТНВД цилиндра 1
b) Штекерное соединение XI
(16-контактное):
- 1: CAN-H
- 2: CAN-L
- 3: CAN-GND (масса)
- 4: CAN-GND (масса)
- 5: Клемма 30
- 6: Клемма 30
- 7: Провод CAN-High к модулю SCR на раме
- 8: Клемма 50 (вход)
- 9: Клемма 31 (масса)
- 10: Провод CAN-Low к модулю SCR на раме
- 11: Клемма 31 (масса)
- 12: Управление стартером 'Клемма 50'
- 13: Диагностический разъем ISO (провод активации контроля токсичности ОГ)
- 14: Обратная связь пропорционального клапана 3
- 15: Клемма 15
- 16: CAN-провод массы к модулю SCR на раме
Штекерное соединение XI 62-контактное

- Все неуказанные контакты не заняты.
- 5: CAN-GND (масса)
- 9: CAN-GND (масса)
- И : CAN-High
- 16: CAN-Low
- 17: Провод датчика Датчик температуры перед катализатором
- 18: Провод массы Датчик температуры перед катализатором
- 21: Провод массы Датчик 'Уровень/температура бака AdBlue'
- 22: Провод датчика Датчик 'Уровень/температура бака AdBlue'
- 25: Провод датчика Датчик температуры после катализатора
- 26: Провод массы Датчик температуры после катализатора
- 29: Провод массы Датчик 'Уровень/температура бака AdBlue'
- 30: Провод датчика Датчик 'Уровень/температура бака AdBlue'
- 32: Напряжение питания Датчик 'Влажность воздуха/температура воздуха'
- 34: Провод датчика Датчик 'Влажность воздуха/температура воздуха'
- 37: Провод датчика Датчик 'Влажность воздуха/температура воздуха'
- 38: Провод массы Датчик 'Влажность воздуха/температура воздуха'
- 42: Электромагнитный клапан 'Ограничение сжатого воздуха'
- 44: Напряжение питания (кл. 15)
- 49: Напряжение питания Электромагнитный клапан 'Ограничение сжатого воздуха'
- 50: Напряжение питания Насос AdBlue
- 51: Насос AdBlue
- 60: Напряжение питания ( Клемма 30 )
- 62: Клемма 31 (масса)
Датчик давления масла В12

- 1: Сигнал датчика
- 2: Масса
- 3: Электропитание 5 В
Заданные значения и параметры:
- Напряжение питания: 5 V
- Напряжение датчиков: 0,5 V - 4,5 V
- Заданное значение при 0,5 бар: 0,5 В
- Заданное значение при б бар: 4,5 В
Комбинированный датчик 'Давление и температура нагнетаемого воздуха' (B111)

- 1: Сигнал давления
- 2: Электропитание 5 В
- 3: Сигнал температуры
- 4: Общий провод обратной связи (AGND)
Штекерное соединение Датчик сжатого воздуха SCR

- 1: Сигнал датчика
- 2: Масса
- 3: Напряжение питания Датчик сжатого воздуха SCR
Штекерное соединение Датчик давления AdBlue

- 1: Сигнал датчика
- 2: Масса
- 3: Напряжение питания Датчик давления AdBlue
Штекерное соединение Датчик температуры AdBlue

- 1: Сигнал датчика
- 2: Масса
Штекерное соединение Датчик 'Влажность воздуха/температура воздуха'

-1: Масса
- 2: Сигнал RH
- 3: Напряжение питания Датчик 'Влажность воздуха/температура воздуха'
- 4: Сигнал температуры Датчик 'Влажность воздуха/температура воздуха'
Штекерное соединение Дозирующий клапан AdBlue

- 1: Провод к электромагнитному клапану Y109
- 2: Масса
Взаимодействие иммобилайзера, блока управления движением и двигателем

- 3: Провод 'кл. 50'
- 5: Замок зажигания
- 7: Шина данных CAN двигателя
- 8: Стартер
- 9: ТНВД цилиндров
- 10: Считывающий блок иммобилайзера
- FR: Блок управления FR система управления движением
- MR: Блок управления MR система управления двигателем