См. также:
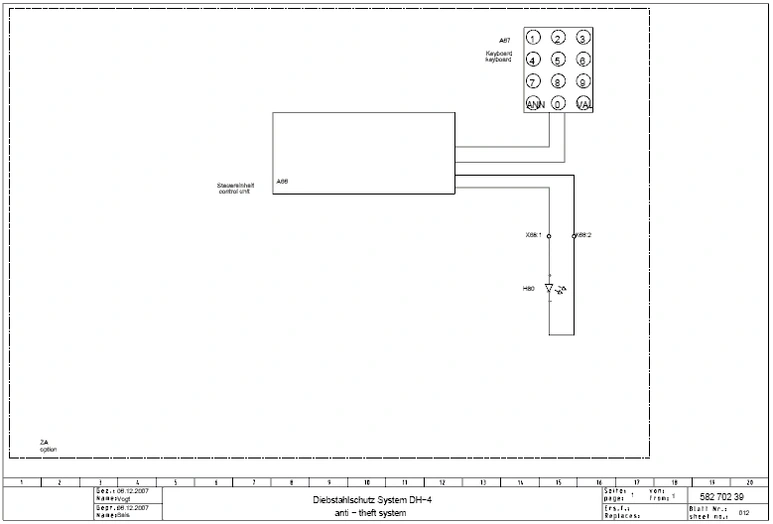
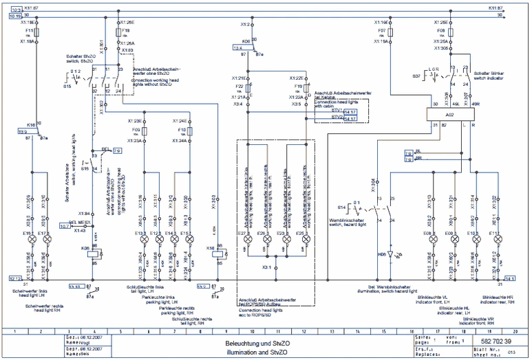
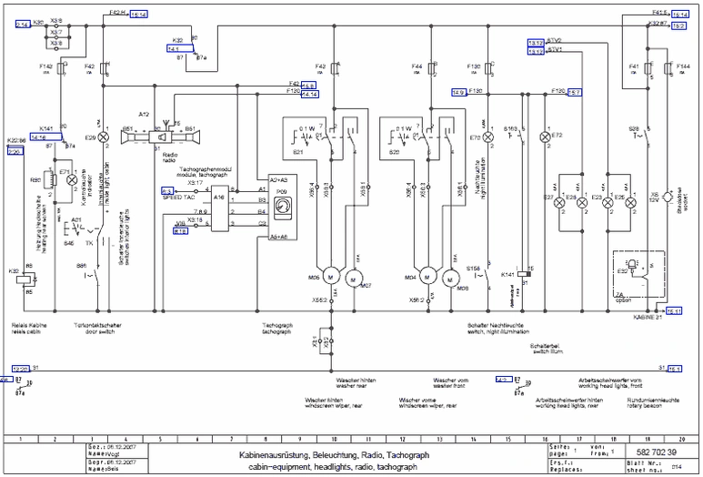
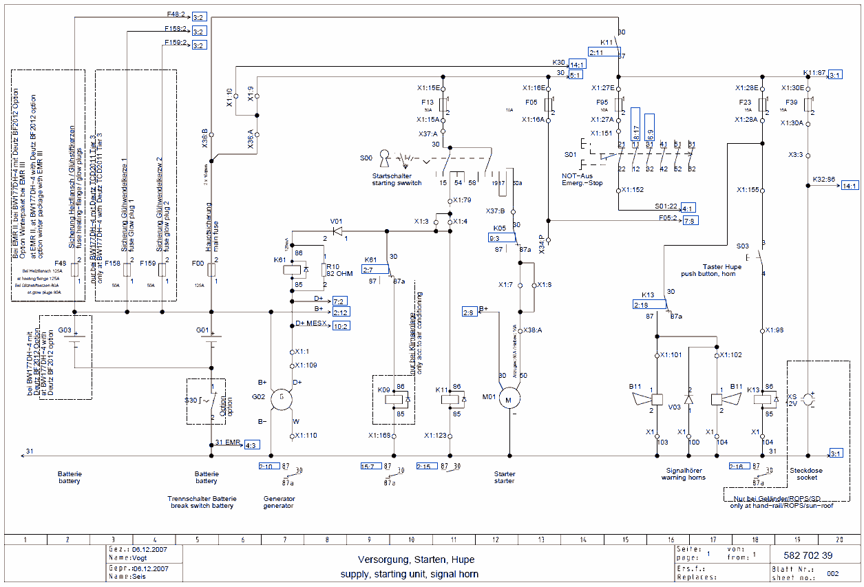
Электросхемы дорожных катков JCB BW 177-226 DH-4













Просматривать и распечатывать в высоком качесте полную информацию -
могут только пользователи
Подписывайтесь на наш канал в Telegram и будьте всегда в курсе самых последних сообщений и публикаций с сайта. |












