Электрооборудование автомобилей
МАЗ-5440E9, 5340E9, 6310E9, 6430E9
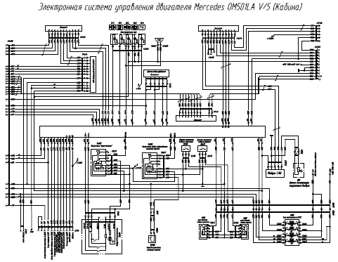
с двигателем Mercedes OM501LAV/4 (-5)
Перечень элементов электрооборудования
- А Блок коммутационной аппаратуры
- А1 Прерыватель
- А2 Прерыватель стеклоочистителя
- А7 Радиоприемник с СD-проигрывателем 'Ural'
- ВА1.ВА2 Широкополосная акустическая система
- ВР1.ВР2 Датчик комбинированный давления
- ВР4 Выключатель пневматический
- ВV1 Датчик скорости
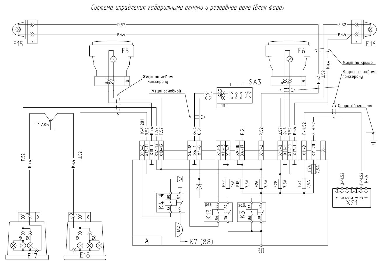
- Е1.Е2 Фара
- Е3.Е4 Фара противотуманная
- Е5.Е6 Влок-фара
- Е7.Е8 Указатель поворота передний
- Е9...Е11 Знак опознавательный
- Е13.Е14 Указатель поворота боковой дополнительный
- Е15.Е16 Фонарь боковой габаритный
- Е17 Фонарь задний
- Е18 Фонарь задний
- E22.E23 Светильник автотранспортный
- Е25 Фора рабочая
- Е27 Светильник автотранспортный
- ЕК1.ЕК2 Нагреватель зеркал
- EKS Осушитель воздуха с регулятором давления
Силовые предохранители
- F Предохранитель 60 А
Предохранители
- FI 7.5А
- F2 7.5А
- F3 5А
- F4 10А
- F5 7.5А
- F6 7.5А
- F7 7.5А
- F8 7.5А
- F9 7.5А
- F10 5А
- F11 25А
- F12 60А
- F13 7.5А
- F14 7.5A
- F15 5A
- F16 5A
- F17 5A
- F18 7.5A
- F19 7.5A
- F20 15A
- F21 7.5A
- F22 15A
- F23 7.5A
- F24 7.SA
- F2S 7.5A
- F26 7.5A
- F27 10А
- F28 7.5A
- F29 7.5A
- F30 7.5A
- F33 15A
- F34 15A
- F35 7.5A
- F36 15A
- F37 15A АБС
- G Генератор
- GB1.GB2 Батарея 6CТ-190A5
- HA1.HA2 Реле
- HA3 Комплект рупорных звуковых сигналов
- HA4 Сигнал С40В
Промежуточные реле
- К1 Реле
- К2 Реле
- КЗ Реле
- К4 Реле
- К5 Реле
- Кб Реле
- К7 Реле
- К9 Реле
- К11 Реле
- К12 Реле
- К15 Реле
- К16 Реле
- К17 Реле
- К19 Реле
- К20 Реле
- К21.К22 Реле
- К26 Выключатель
- М Стартер
- М4 Злектродвигатель стеклоочистителя
- М8 Злектродвигатель стеклоомывателя
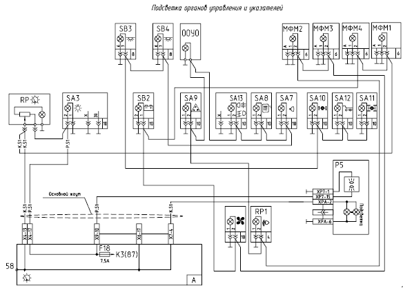
- МФМ1-4 Выключатель общего назначения
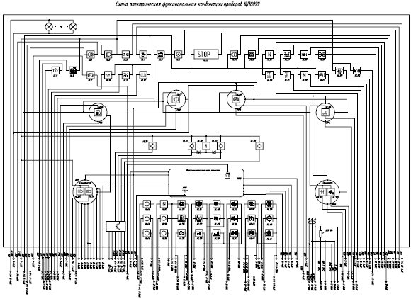
- Р5 Щиток указателей
- PS1 Тахограф цифровой
- RP Регулятор освещения приборов
- RP1 Переключатель корректора света фар
- SA1 Выключатель зажигания
- SA2 Переключатель стеклоочистителя со стеклоомывателем
- SA3 Переключатель
- SA4 Переключатель указателей поворотов и света
- SA7 Переключатель
- SA8 Переключатель
- SA9 Переключатель
- SA10 Переключатель
- SA11 Переключатель
- SA12 Переключатель
- SA13 Переключатель
- SB1 Выключатель аварийной сигнализации
- S82 Выключатель
- SB3.SB4 Выключатель освещения кабины
- SL1 Датчик уровня топлива
- SL2 Датчик-гидросигнализатор
- SP1.SP2 Выключатель пневматический
- SQ5. SQ6 Выключатель
- SQ7 Выключатель
- SQ8 Выключатель
- WA Антенна штыревая
- XS1 Розетка
- XS2 Розетка
- XS3 Розетка переносной лампы
- XS4 Розетка
Электропневмоклапана
- Y3 Блокировки межколесной
- Y4 Блокировки межосеdой
Расположение контактов в разъемах
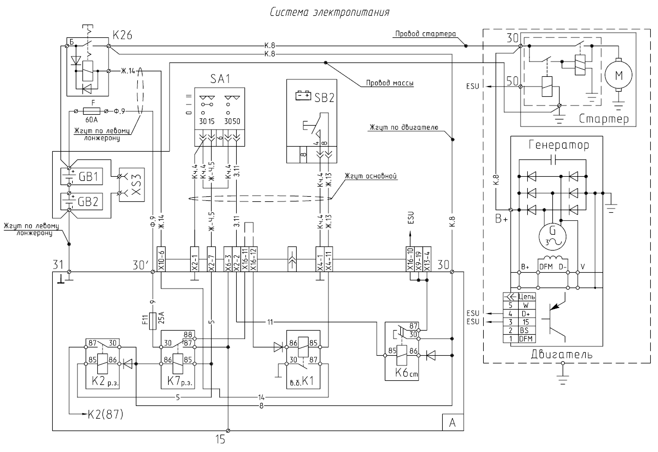
Система электропитания
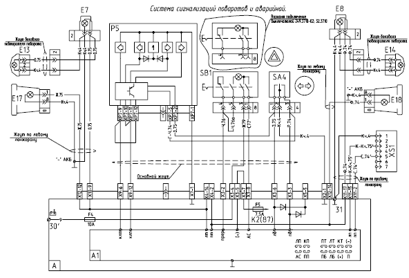
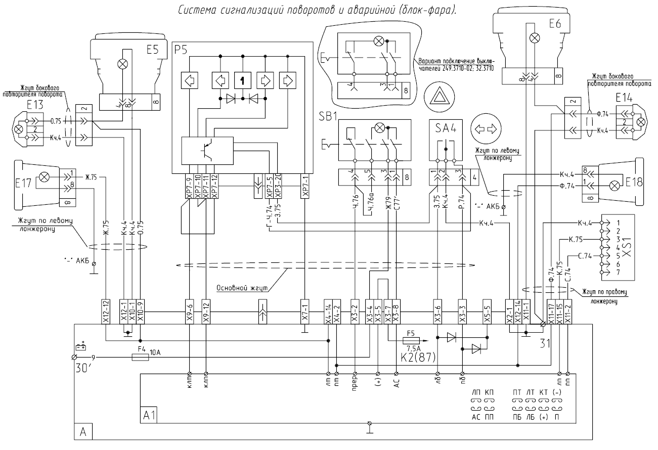
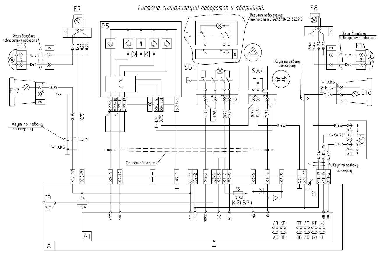
Система сигнализации поворотов и аварийной
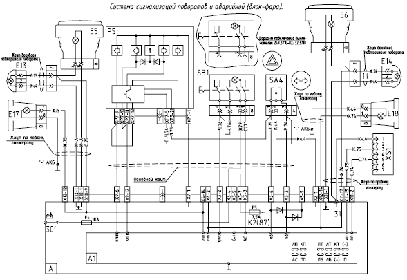
Система сигнализации поворотов и аварийной (блок-фара)
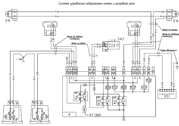
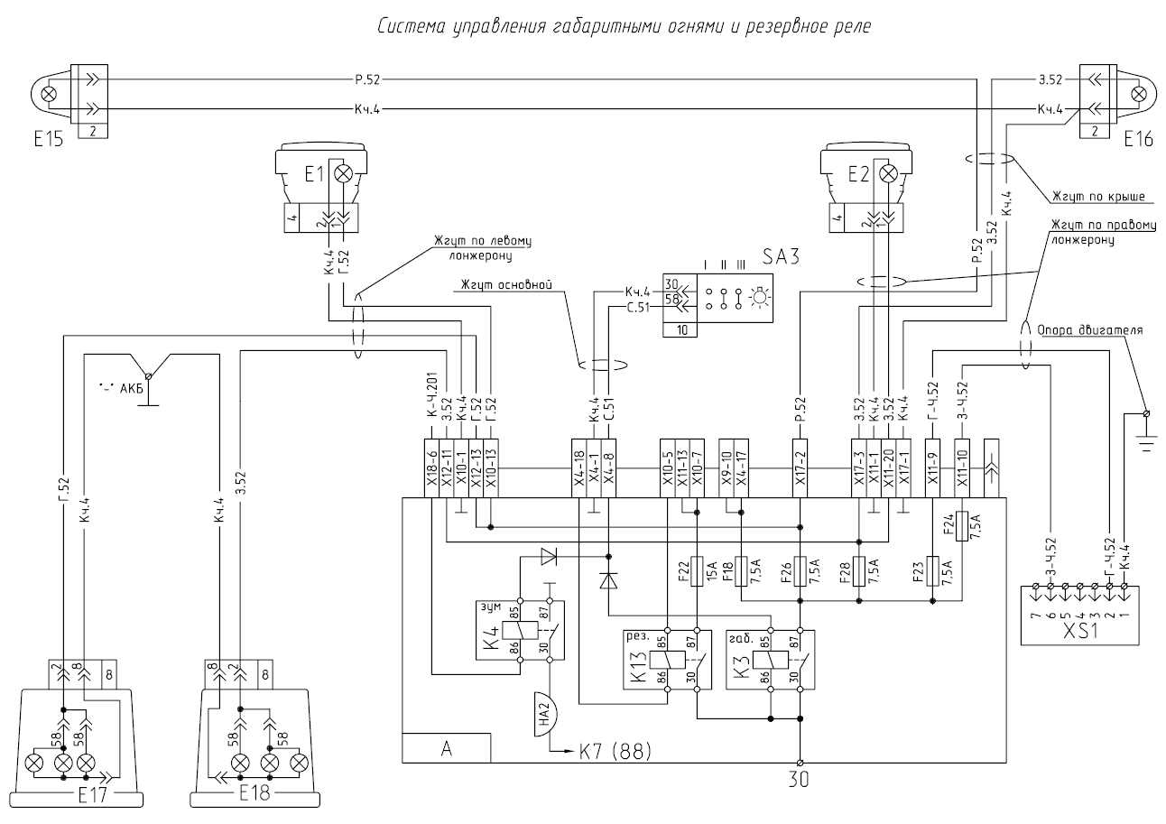
Система управления габаритными огнями и резервное реле
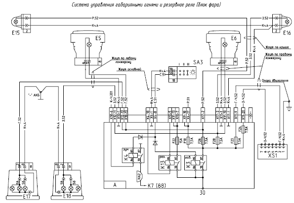
Система управления габаритными огнями и резервное реле (блок фара)
Система управления ближнего и дальнего света фар
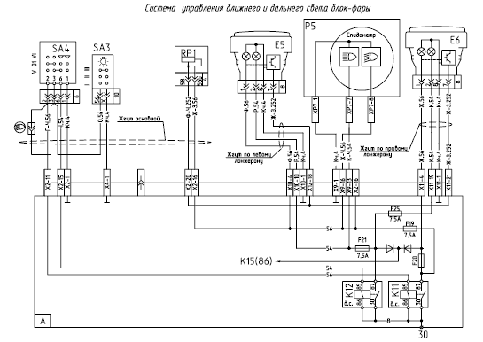
Система управления ближнего и дальнего света блок-фары
Указатели и лампы аварийные
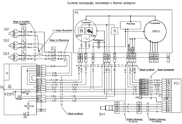
Система тахографа, тахометра и датчик нейтрали
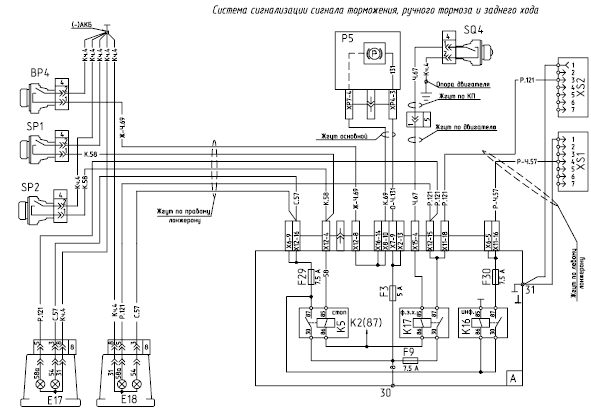
Система сигнализации сигнала торможения, ручного тормоза и заднего хода
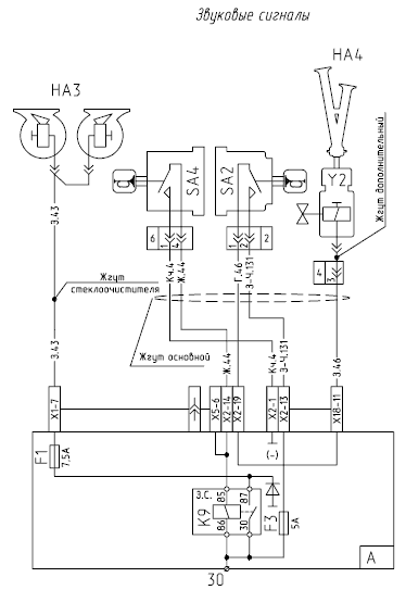
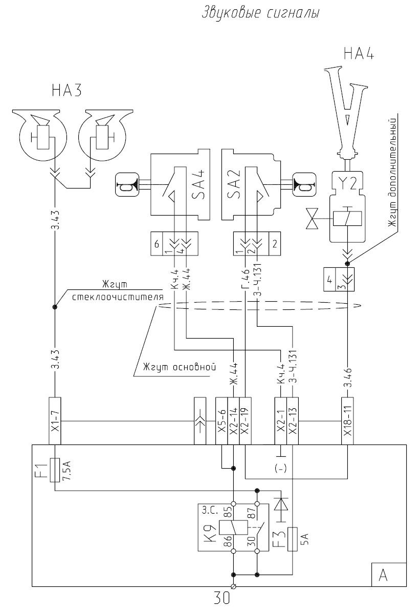
Звуковые сигналы
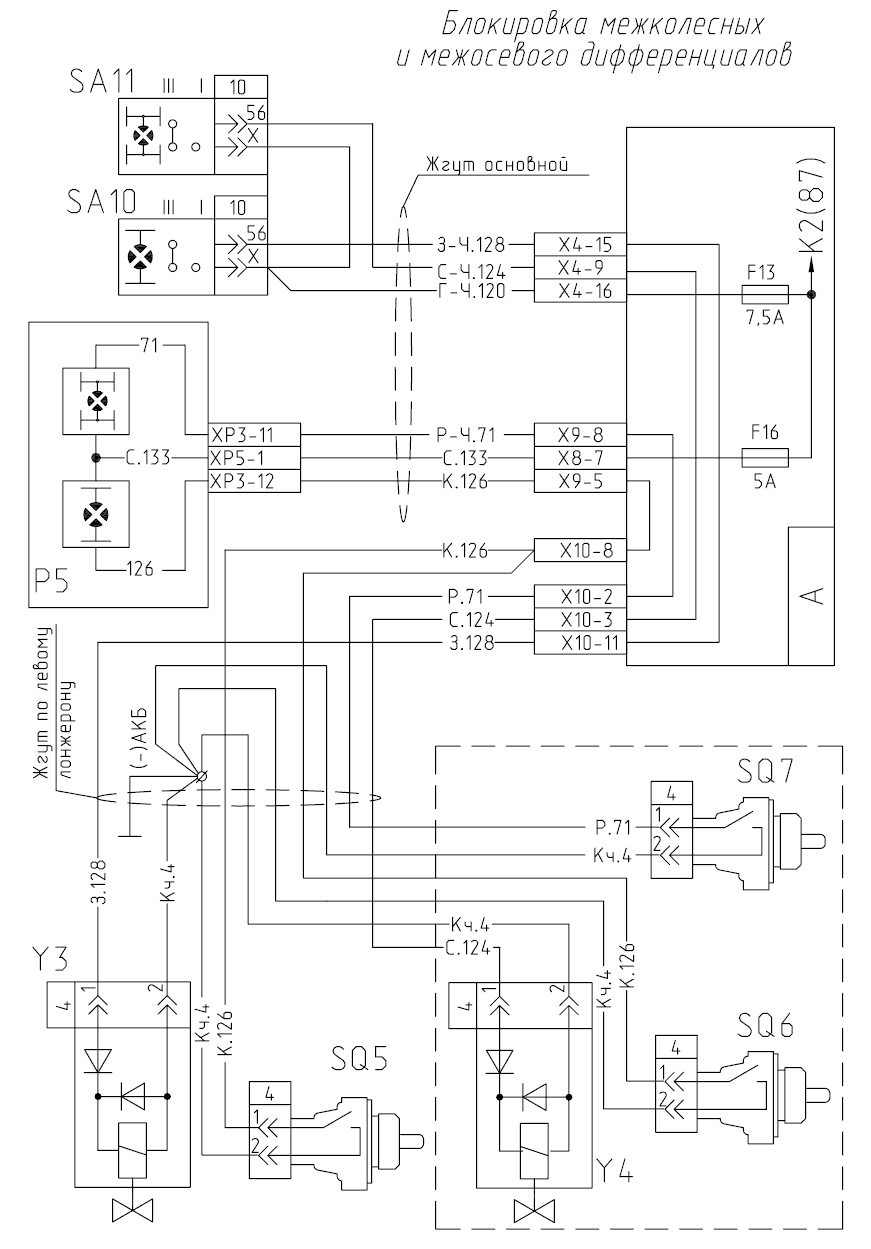
Блокировка межколесных и межосевого дифференциалов
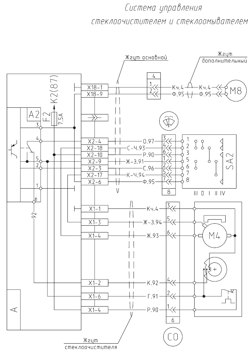
Система управления стеклоочистителем и стеклоомывателем
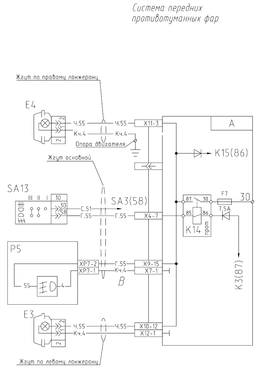
Система передних противотуманных фар
Система задних противотуманных фонарей
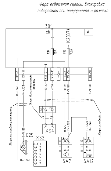
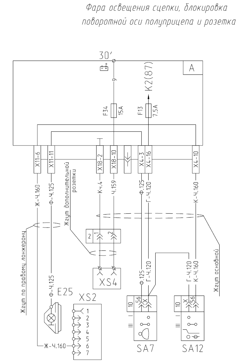
Фара освещения сцепки, блокировка поворотной оси полуприцепа и розетка
Радиооборудование
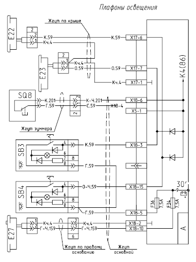
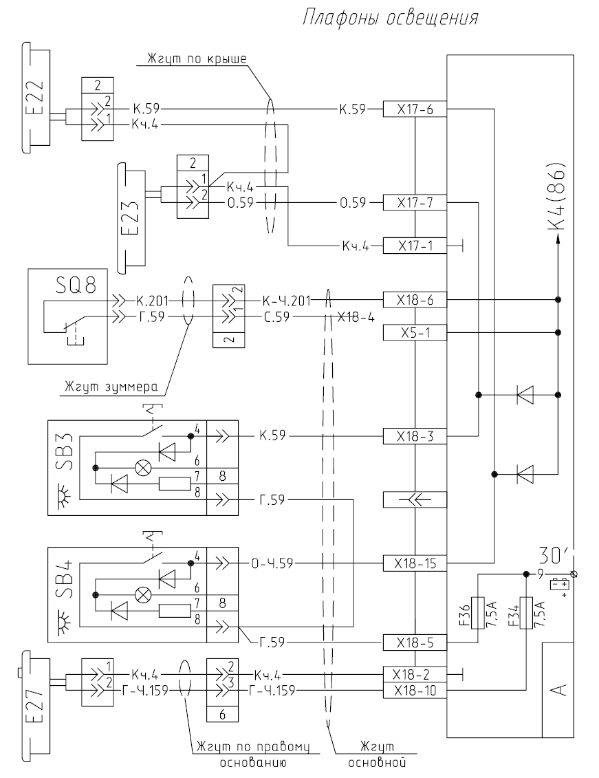
Плафоны освещения
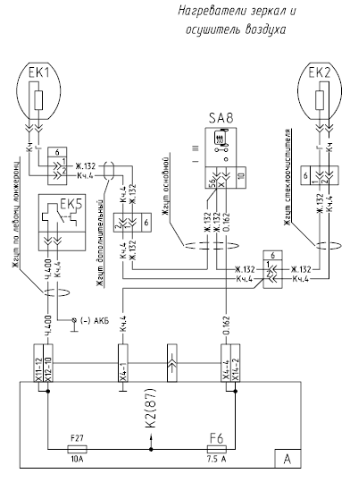
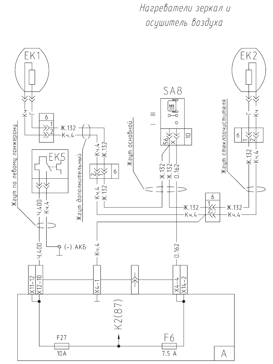
Нагреватели зеркал и осушитель воздуха
Сигнал автопоезда
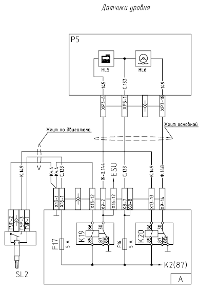
Датчики уровня
Подсветка органов управления и указателей
Разводка минуса по элементам электрооборудования кабины
Таблетка расположения элементов БКА-4
Схема электрическая принципиальная блока коммутации БКА-4
Схема электрическая функциональная комбинации приборов

































