Электросхемы всех систем VOLVO VN / VHD / VAN с 1999 по 2016 г.
(размер 1.2 гиг)
Будет доступно пользователям
с выходом 57 обновления


Для примера - покажем схемы двигателя 2010 г. VOLVO VN
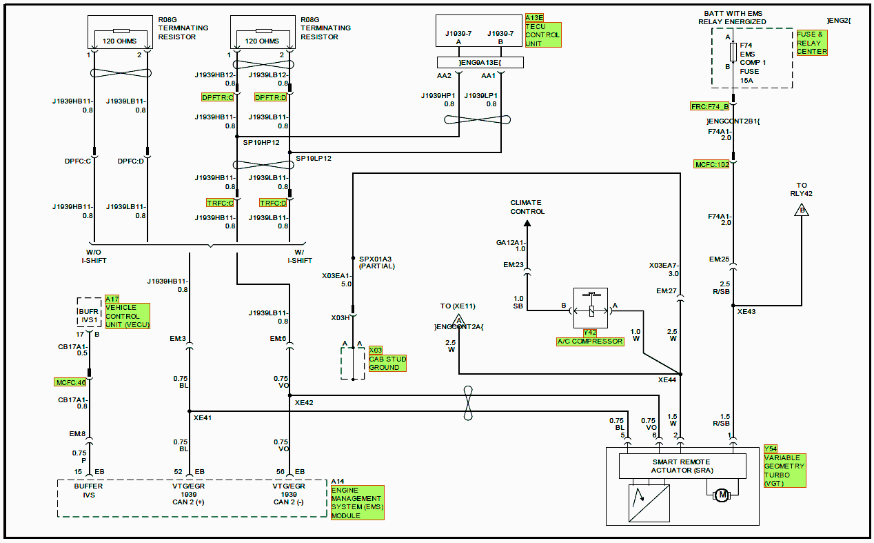
Engine Controls: A/C Compressor, Variable Geometry Turbo
Engine Controls: Power, Ground, Data Lines

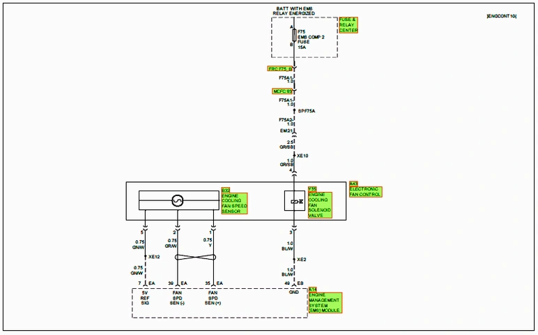
Engine Controls: Electronic Fan Control (W/E-Viscous Fan Only)

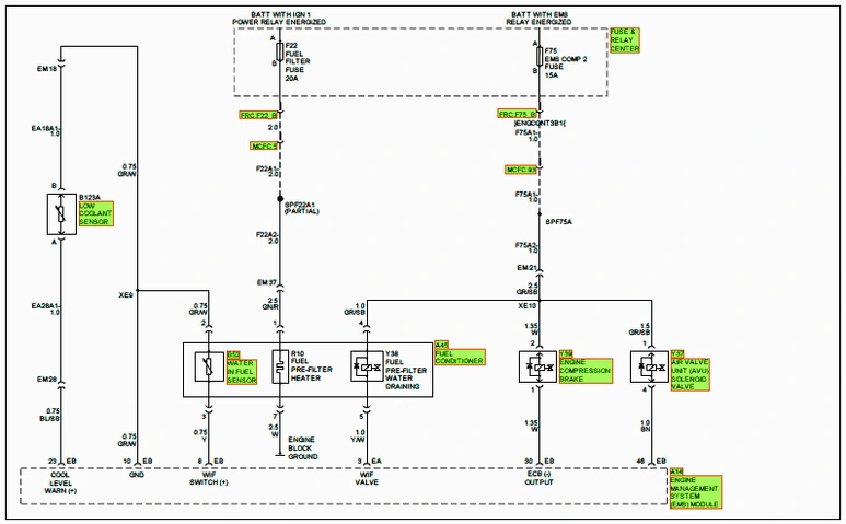
Engine Controls: Coolant Level Sensor, Fuel Conditioner, Engine Compression Brake & Air Valve Unit Solenoid

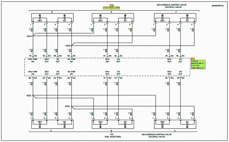
Engine Controls: Fuel Injectors

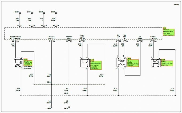
Engine Controls: Engine Controls: EGR Differential Pressure, Boost Pressure, Boost Temperature, After Treatment Fuel Pressure, Oil Level/Temperature Sensors, DPF Temperature/Pressure NOx Sensor Assembly

Engine Controls: EGR System Actuator, Engine Pre-Heater, Sensors

Engine Controls: Starter Motor & Alternator, Engine Preheat, Engine Preheat Relay

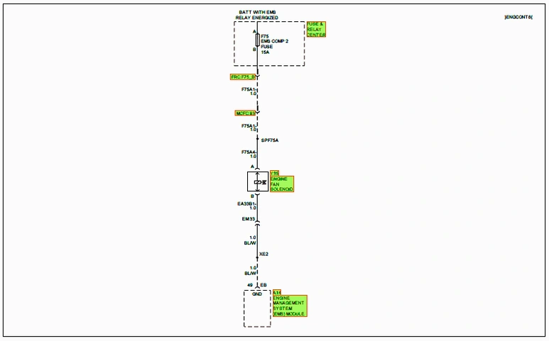
Engine Controls: Engine Fan Solenoid (W/ON/OFF Fan Only)

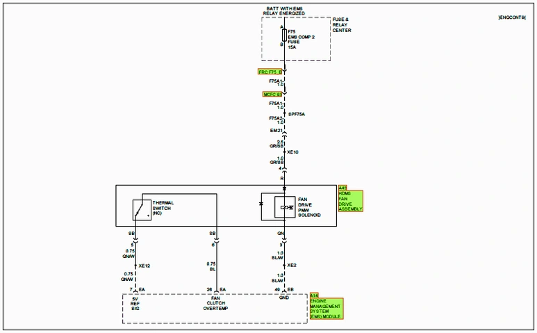
Engine Controls: HDMS Fan Drive Assembly (W/HDMS Fan Only)

Engine Controls: Cummins ISX US07 MEIIR Relay

Engine Controls: Cummins ISX US07 Control Unit

Engine Controls: Cummins ISX US07 Control Unit and Cummings ISX Bodybuilder Connector

АББРЕВИАТУРЫ
- AC AIR CONDITIONING
- AD AIR DRYER
- ABS ABS HARNESS
- AFT AFTERTREATMENT
- AL ADDITIONAL LIGHTING
- ALS ALLISON SELECTOR -GEAR
- AR AIR RESTRICTION JUMPER
- AS AUTOSHIFT
- AT AUTOMATIC TRANSMISSION
- AX AUXILIARY SWITCH HARNESS
- B EXPANSION BLOCK
- BB BODY BUILDER DASH OVERLAY
- BBM BODY BUILDER MODULE
- BEC BUSSED ELECTRICAL CENTER
- BOC BACK OF CAB LAMP JUMPER
- CB C.B. STUDS JUMPER
- CE CHASSIS EXTENSION
- CTI CENTRAL TIRE INFL.
- DCL DATA COMMAND LANGUAGE
- DEF DIESEL EXHAUST FLUID
- DL DOOR - LEFT
- DLR DIFFERENTIAL LOCK
- DPF DIESEL PARTICLE FILTER
- DR DOOR - RIGHT
- DV DRAIN VALVE -HEATER
- EB ENGINE BRAKE JUMPER
- ECM ENGINE CONTROL MODULE
- EGR EXHAUST GAS RECIRCULATION
- EMS ENGINE MANAGEMENT SYSTEM
- EN ENGINE
- EPDM ENGINE POWER DISTRIBUTION MODULE
- FA FRONT ANTENNA (VORAD)
- FC FRONT CHASSIS
- FD FOG AND DRIVING LAMPS
- FRC FUSE AND RELAY CENTER
- FS FAN SOLENOID
- HL HEADLIGHT
- HT HOOD TILT SWITCH
- IWDL INTERWHEEL DIFFERENTIAL LOCK
- LA LIFT AXLE OVERLAY
- LK DOOR LOCK OVERLAY
- MC MAIN CAB
- MEIIR MOMENTARY ENGINE IGNITION INTERRUPT RELAY
- MI MARKER INTERRUPT
- MJ MIRROR JUMPER
- MLX HOOD MARKER LPS. HARNESS
- MM MOBILE MAX HARNESS
- MO MIRROR OVERLAY
- OCP OVERCRANK PROTECTION OB OVERHEAD BUNK
- OF OVERHEAD FRONT
- OL MOBILE MAX OVERLAY HARNESS
- OPT OPTIONAL DATALINK
- PL SNOW PLOW OVERLAY
- PM POWER MODULE
- PS PREMIUM SOUND OVERLAY
- PTO POWER TAKE-OFF
- PW POWER WINDOW
- QC QUALCOMM
- RA REAR AXLE
- RAJ REAR AXLE JUMPER
- RF ROOF SIGN
- RFJ ROOF SIGN JUMPER
- RH REAR WALL HEADER
- RJ RADIO JUMPER
- RS RADIO SHELF PREP.
- RSO ROOF SIGN OVERLAY
- RW REAR WALL
- SK SINK/FAUCET PUMP
- SL SLEEPER
- SN SHIFT KNOB
- SPJ SOLENOID PACK JUMPER
- SPO SNOW PLOW OVERHEAD
- PL SNOWPLOW OPTION
- SR SIDE REPEATER
- SRA SMART REMOTE ACTUATOR
- SS SIDE SENSOR (VORAD)
- SV SUNVISOR
- SW STEERING WHEEL SWITCHES OVERLAY
- TBJ TABLE LAMP JUMPER
- TBP TRANSMISSION BATTERY POWER
- TE TAIL LIGHT EXTENSION
- TECU TRANSMISSION ELECTRONIC CONTROL MODULE
- TL TAIL LIGHT
- TLK TOUCH LOCK OVERLAY
- TR TRANSMISSION
- TS TEMP A START OVL.
- US ULTRASHIFT
- VA REAR WALL VALANCE
- VE VORAD/ECS OVERLAYS
- VECU VEHICLE ELECTRONIC CONTROL UNIT
- VGT VARIABLE GEOMETRY TURBO
- WB WASHER BOTTLE

