Схема работы нейтрализации ОГ MAN
(тренинг персонала сервиса)

Содержание
- Обратная подача ОГ (AGR)
- Внешняя система обратной подачи охлажденных ОГ
- Нерегулируемая рециркуляция ОГ (Euro3)
- Регулируемая нейтрализация ОГ
- Низкотемпературная концепция на двигателе D08
- Двигатели MAN с рециркуляцией ОГ по Euro 5
- MAN PM KAT®
- Фильтр CRTec
- Этапы очистки CRT (SMF)
Обратная подача ОГ (AGR)
При смешивании всасываемого воздуха с охлажденным ОГ сокращается содержание кислорода при наполнении цилиндра. Таким образом, уменьшается количество атомов кислорода, которые разрушают молекулы N2 и соединяются с атомами азота в окислы.
Удельная теплоемкость вещества свидетельствует о том, на сколько градусов нагревается определенное количество вещества при поступлении определенного количества энергии.
Внешняя рециркуляция ОГ увеличивает удельную теплоемкость газа в цилиндре, поскольку выхлопные газы имеют большую теплоемкость, чем воздух. Поглощается больше тепла. Это приводит к меньшему повышению температуры (скорость частиц снижается) и меньшей пиковой температуре.
Относительно большие и тяжелые молекулы ОГ затормаживают быстрое движение атомов кислорода. Благодаря этому они движется слишком медленно и не в состоянии разрушить молекулы азота (N2) на свободные атомы. Образуется меньшее количество оксида азота.

Атомы кислорода разрушают молекулы азота. Свободные атомы азота вступают в реакцию и образуют оксид азота.

Рециркулированные ОГ играют роль "охраны" для молекул азота. Их расщепление предотвращается. Результат: образуется меньшее количество оксида азота.
Внешняя система рециркуляции охлажденных ОГ

При рециркуляции ОГ часть сгоревших газов еще раз добавляется в смесь в цилиндре (около 10% Euro 3 и до 20% Euro 4, в двигателях Euro 5 это значение доходит до 30%).
В модуле рециркуляции ОГ выхлопные газы охлаждаются с 700°C до 140°C с помощью охлаждающей жидкости.
В двигателях Euro 3 приводится в движение заслонка системы рециркуляции ОГ (да, нет)(нерегулируемая рециркуляция ОГ)
Двигатели Euro4/5 оснащены отрегулированной рециркуляцией ОГ (электрическая система рециркуляции ОГ). Пропорциональный клапан, который вместе с пневмоцилиндром контролирует положение заслонки системы рециркуляции ОГ, управляется широтно-импульсным модулированным сигналом (PWM), датчик смещения контролирует текущее положение крышки системы рециркуляцией ОГ.
Схема работы

A Воздушный фильтр
B Радиатор воздуха наддува
C Впускной коллектор двигателя
D Радиатор системы рециркуляции ОГ
E Клапаны пика давления
F Заслонка с электропневматическим управлением (заслонка системы рециркуляции ОГ)
G заслонка системы выпуска ОГ
PM PM–Kat (двигатель Euro 4)
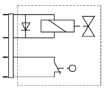
Нерегулируемая рециркуляция ОГ (Euro3)
Регулятор рециркуляции ОГ нерегулируемой рециркуляции ОГ состоит из следующих деталей
Пневматический цилиндр: для приведения в действие заслонки рециркуляции ОГ пневматический цилиндр следует установить с затяжкой 1,25+0,25 мм Магнитный клапан для управления цилиндром
Геркон для подтверждения положения поршня.

Внимание
В положении покоя (поршни втянуты) геркон закрыт.

• Контакт 1 серый Управление -
• Контакт 2 черный Управление +
• Контакт 3 белый Подтверждение +
• Контакт 4 желтый Подтверждение -
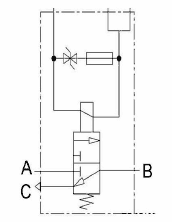
Регулируемая нейтрализация ОГ
Регулятор рециркуляции ОГ рециркуляции ОГ с позиционном управлением двигателя EURO 4 состоит из следующих элементов:
• Пневматический цилиндр для приведения в действие заслонки рециркуляции ОГ
• Датчик хода для контроля регулятора
Графическая характеристика датчика смещения исполнительного цилиндра („V“ закр.“ мм“)
Контакт 1 Масса
Контакт 2 Выходной сигнал
Контакт 3 напряжение питания
Контакт 4 не занят

Пневматический цилиндр с нужно установить с затяжкой 1,25+0,25 мм. (около 0,7 В)

Принцип действия Euro3

Принцип действия D20 и D26, начиная с Euro4 OBD

Принцип действия D08 Euro4 OBD

Принцип действия D08 Euro4 OBD контроль окислов азота

Пропорциональный клапан Y458

Сопротивление катушки: 30 Ом
Разводка контактов разъема: Контакт 1 Масса
Контакт 2 Управление пропорциональным клапаном
Нагнетательный отключающий клапан (Y460)
Нагнетательный отключающий клапан (Y460) -это 3/2-ходовой клапан, закрытый в обесточенном состоянии. Он подает сжатый воздух на пропорциональный клапан (Y458). Это предотвращает утечку сжатого воздуха через пропорциональный клапан Y458.

Двигатели D20 и D26
Сопротивление катушки: ~60 Ом

A Пневмоаккумулятор
B Выход воздуха
C Атмосфера

При ремонте модуля рециркуляции ОГ необходимо учитывать
• Уменьшение уровня охлаждающей жидкости
• Можно заменить отдельные детали модуля рециркуляции ОГ
• Ход защелки затруднен (D28)
• В области корпуса защелки двигатель покрыт сажей (D20)
• Негерметичен цилиндр сжатого воздуха защелки
• Складские запасы цилиндров сжатого воздуха 51.08150-0026
• Установка цилиндр сжатого воздуха защелки
• Настройка поршня цилиндра сжатого воздуха защелки
• Сообщение об ошибке EDC 03102, 03685, 03746
• Клапаны пика давления (предохранительный клапан воздушной заслонки) не закрывают формуляр обратной связи
Охлаждение наддувочного воздуха с использованием низкотемпературной концепции на двигателе D08
Технология MAN PURE DIESEL® позволяет выдерживать строгие предельные условия для ОГ, в частности, благодаря регулируемой лямбда-зондом рециркуляции ОГ с высокой степенью рециркуляции (30%), двухступенчатому наддуву, а также высокому давлению впрыска до 1800 бар на базе технологии.
Для достижения высокой степени рециркуляции необходима низкая температура воздуха наддува. Для этого используется низкотемпературная концепция.
Вода из контура охлаждения переводится в низкотемпературный охладитель через магнитный клапан. Вторично охлажденная вода проводится затем через два охладителя воздуха наддува, а затем снова направляется в контур охлаждения. Два охладителя воздуха наддува (низкого и высокого давления) регулируются с помощью быстро открывающихся термостатов.
Между ступенью низкого давления и ступенью высокого давления турбонагнетателя LL охлаждается с помощью собственного внешнего радиатора (D08: под масляным поддоном) с помощью охлаждающей жидкости (D20/D26 с правой стороны от двигателя).
Между ступенью низкого давления и ступенью высокого давления воздух наддува охлаждается до температуры < 80°C.
Необходимо промежуточное охлаждение для ограничения температуры воздуха наддува при уплотнении и предотвращения образования масляного нагара на колесе компрессора и на корпусе компрессора. Кроме того, промежуточное охлаждение повышает эффективность компрессора высокого давления.

Прохождение воздуха наддува через охладитель воздуха наддува низкого давления, а затем через охладитель воздуха наддува высокого давления.

HD-LLK: Охладитель наддувочного воздуха высокого давления
ND-LLK: Охладитель наддувочного воздуха низкого давления
HT-KMK: Высокотемпературный радиатор ОЖ
NT-KMK: Низкотемпературный радиатор ОЖ
В радиаторе воздуха наддува температура воздуха наддува снижается до значения, на 5°C превышающего температуру окружающей среды (внешний 2 радиатор под масляным поддоном, макс. 10% потока охлаждающей жидкости).
Регулировка выполняется с помощью клапана отсечки (ВКЛ/ВЫКЛ).
Клапан отсечки необходим для поддержания определенной температуры охлаждающей жидкости. (в противном случае двигатель слишком сильно охладится).

1. Возврат ОЖ из радиатора низкого давления и высокого давления в впускной коллектор ОЖ
2. Термостат
3. Радиатор высокого давления
4. Подвод от низкотемпературного радиатора
5. Запорный / редукционный клапан
6. Подвод ОЖ в радиатор низкого давления
7. Термостат
8. Радиатор низкого давления
9. Хомут картера
10. К низкотемпературному радиатору
Запорный / редукционный клапан для низкотемпературного радиатора управляется блоком управления EDC7, он открыт в обесточенном состоянии.

1. Вход, подвод от водяного насоса
2. Вывод к низкотемпературному радиатору
3. Ограничение давления на выходе, возврат на сторону всасывания водяного насоса
4. Встроенный клапан ограничения давления с дросселем
5. Разъемы A6 и A5 на блоке управления. Номер кабеля 60400 / 60401
Принцип управления запорным клапаном на примере D2676LOH26:
При нормальном режиме работы запорный клапан закрывается, если температура ОЖ (< 80°C) и одновременно обе температуры воздуха наддува (<35°C) слишком низки, а внешняя температура не превышает зависящий от нагрузки диапазон от -30°C до 30°C.
Если внешняя температура превышает пороговое значение или температура ОЖ >85°C, или одна из двух температур воздуха наддува > 50°C, клапан снова открывается. Кроме того, запорный клапан отключается в режиме торможения двигателем и в режиме принудительного холостого хода (скорость вращения >1600 об/мин и объем впрыска <3 мг/ход), если одновременно обе температуры воздуха
наддува <55°C, чтобы предотвратить слишком большое давление в низкотемпературном охладителе (поскольку термостаты в низкотемпературных охладителях закрыты). При скорости вращения <1550 об/мин или объеме впрыска >5 мг/ход или при одной из двух температур воздуха наддува >60°C клапан снова открывается.
Установка термостата в низкотемпературный радиатор
Вставные термостаты для охлаждения наддувочного воздуха - это быстро открывающиеся термостаты с
регулятором "черный/белый".
Термостаты открываются, начиная с температуры 58°C и имеют величину утечки до 50 л/ч.

Установка термостата в высокотемпературный радиатор

Двигатели MAN с рециркуляцией ОГ, соответствующие Euro 5
Варианты двигателей для TGL / TGM, а также как остановленные автобусные двигатели LOH

*Воздух-вода = охлаждение наддувочного воздуха с промежуточным охлаждением
**Воздух-вода низкая температура = охлаждение наддувочного воздуха с теплообменником низкого и высокого давления.
MAN PM KAT®
PM = твердые частицы
Функция
1. Этап катализатора окисления (PLATINKAT)
Преобразование NO (моноксид азота в NO2 (диоксид азота)
2. Этап отделения частиц сажи
Металловолокно / слои нетканого материала

Снижение количества частиц
Непрерывно работающая система с открытыми каналами.
Частицы сажи сначала задерживаются с помощью направленного турбулентного движения в карманах из оплавленного металловолокна.
Удерживаемые частицы сажи вступают в реакцию при высоком давлении и высокой температуре ОГ (мин. 250°C). Частицы сажи разрушаются в результате постоянной химической реакции с диоксидом азота (NO2), результат реакции выпадает в осадок.
Разница между катализатором твердых частиц и дизельным катализатором окисления
На ячеистой поверхности благородные металлы инициируют каталитическую реакцию.
(Окисление= частицы ОГ соединяются с кислородом)

Сажевый фильтр PM-KAT
После предварительной обработки с помощью катализатора окисления оставшиеся частицы сажи окисляются в емкости из металловолокна с помощью диоксида азота и преобразуются в CO2. Открытая структура препятствует засорению системы.

Лямбда-зонд (B322)

Лямбда-зонд измеряет разницу между концентрацией кислорода в окружающем воздухе и ОГ. Используемый лямбда-зонд - это широкополосный зонд, т.е. можно бесступенчато измерить значения > 1 избыток воздуха. В широкополосном зонде есть две камеры: камера накачки и камера датчика. Накачиваемый поток является показателем значения лямбда.
Лямбда-зонд подключается и управляется через блок управления двигателем EDC7.
В EDC появляются записи о неисправностях 03855 и 03938, или в OBD возникает запись о длительной неисправности P2BAE. См. сервисную информацию 264202.
Причина в неисправности лямбда-зонда или ослаблении контакта гнезда кабеля, соединяющего двигатель с лямбда-зондом.
Схема подключения лямбда-зонда

Номер провода
60183 (красный)
60185 (жёлтый)
60396 (белый)
60397 (серый)
60184 (зеленый)
60186 (черный)
Электрические характеристики и положение разъемов: см. описание системы T18, T100.
После устранения ошибки или замены лямбда-зонда необходимо запрограммировать зонд.
Если не выполнить эту операцию, после включения зажигания замигает лампа MIL.
После устранения неисправности необходимо очистить память ошибок (EDC и OBD) и выполнить пробную поездку (температура ОЖ > 70 °C). Проехать на автомобиле по шоссе в режиме принудительного холостого хода 60 км/ч 15 секунд, затем ускориться для адаптации лямбда-зонда. При движении в режиме принудительного холостого хода более 15 секунд появится сообщение об ошибке 3938-02. В этом случае необходимо повторить процедуру, в точности соблюдая интервал в 15 секунд.
Температурный датчик ОГ (B561)

Температурный датчик B561, (позистор) используется в двигателях Euro IV, он контролирует температуру ОГ перед фильтром.
• Контакт 1 Выходной сигнал
• Контакт 2 Масса датчика
Данные датчика:

Всю информацию читай в