Дверной модуль пассажира TMB Mercedes Actros
- Цветовая маркировка проводов -
- bl Синий
- br Коричневый
- ge Жёлтый
- gn Зелёный
- gr Серый
- rs Розовый
- rt Красный
- sw Чёрный
- vi Фиолетовый
- ws Белый
- tk Бирюзовый (бензин)
- or Оранжевый
- tr Световое табло
А67: Электропитание и шина данных CAN
- А7: Блок управления Базовый модуль GM
- А67: Блок управления Дверной модуль переднего пассажира ТМВ
- CAN2: Шина CAN салона
- F3-A7: Предохранитель
- Х23.1: Штекерное соединение двери переднего пассажира
- (312): Провода скручены.
- (791): Контроль жгута электропроводки блоком управления EDW система противоугонной сигнализации
Е2б: Плафон освещения в нижнем торце двери

- А67: Блок управления Дверной модуль переднего пассажира ТМВ
- Е26: Плафон освещения в нижнем торце двери 'Передний пассажир'
М8: Электромотор стеклоподъёмника двери

- А67: Блок управления Дверной модуль переднего пассажира ТМВ
- М8: Электромотор стеклоподъёмника двери переднего пассажира
Указание:
В случае кода FZ1 установлен электромотор стеклоподъёмника без датчика.
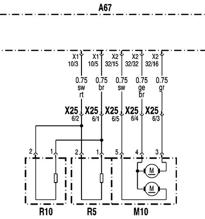
М10, R5JU0: Электромотор регулировки положения зеркала и подогрева зеркала

- А67: Блок управления Дверной модуль переднего пассажира ТМВ
- М10: Электромотор регулировки положения зеркала 'Передний пассажир'
- R5: Подогрев зеркала 'Передний пассажир'
- R10: Подогрев панорамного зеркала 'Передний пассажир'
- Х25: Штекерное соединение 'Зеркало' в двери переднего пассажира
М12: Электромотор блокировки двери

- А67: Блок управления Дверной модуль переднего пассажира ТМВ
- М12: Электромотор блокировки двери переднего пассажира
S141: Панель выключателей
- А67: Блок управления Дверной модуль переднего пассажира ТМВ
- S141: Панель выключателей 'Дверь переднего пассажира'
- S141sl: Клавиша управления освещением площади рабочего места/внутрисалонным освещением
- S141s2: Клавиша управления стеклоподъёмником двери переднего пассажира
- S141s3: Клавиша управления 'Разблокировать/заблокировать'

