Электрические цепи RENAULT MAGNUM
Электропровода открывающегося люка в крыше

- С223........ 4135 - Электропривод аэратора крыши
Электропровода верхней выдвижной полки

- С102 .............. 4122 - Поворотное зеркало заднего вида для водителя
- С104 .............. 4123 - Поворотное зеркало заднего вида для пассажира
- С126 .............. 3733 - Габаритные фонари
- С145 .............. 4220 - Дистанционное управление радиоприемником
- С214*1 ............ 4001 - Блок централизованной блокировки дверей
- С215*1 . . . . . . . 4052 - Приемник инфракрасных сигналов
- С221 .............. 4202 - Радиоприемник (с дистанционным управлением)
- С222 .............. 4202 - Радиоприемник (питание)
- С231*2............ 4160 - Выключатель электропривода аэратора крыши
- С239 ..............4133 - Двигатель солнцезащитной шторки передней
- С257 .............. 4673 - Выключатель плафонов водителя и пассажира
- С266 .............. 4202 - Радиоприемник (громкоговорители)
- С269 .............. 4209 - Понижающий трансформатор (связь)
- С3611 ............ 3611 - Габаритный фонарь передний правый
- С3612 ............ 3612 - Габаритный фонарь передний левый
Электропровода верхней боковой выдвижной полки

- С227 .............. 4618 - Плафон водителя
- С227 .............. 4625 - Плафон пассажира
- С228 .............. 4653 - Лампа для чтения карт со стороны водителя
- С228 .............. 4654 - Лампа для чтения карт со стороны пассажира
- С267 .............. 4214 - Громкоговоритель водителя
- С267 .............. 4221 - Громкоговоритель пассажира
Цепи двери водителя

- С181*1 ............4141 - Двигатель солнцезащитной шторки боковой водителя
- С200 .............. 4365 - Управление стеклоподъемником окна пассажира (со стороны водителя)
- С201 .............. 4048 - Электрический замок со стороны водителя
- С202 .............. 4311 - Привод стеклоподъемника окна водителя
- С203 .............. 4361 - Управление стеклоподъемником окна водителя
- С204 .............. 4161 - Выключатель ориентации наружного зеркала (зеркал) заднего вида
- С205*1 ............ 4178 - Кнопка привода боковой солнцезащитной шторки пассажира (со стороны водителя)
- С206*1 ............ 4180 - Кнопка привода солнцезащитной шторки боковой водителя
- С240 ............. 4163 - Управление системой размораживания наружных зеркал заднего вида
Цепи двери пассажира

- С183*1 ............ 4140 - Двигатель солнцезащитной шторки боковой пассажира
- С216 .............. 4047 - Электрический замок правый
- С217 ..............4312 - Привод стеклоподъемника окна пассажира
- С219 .............. 4362 - Управление стеклоподъемником окна пассажира
- С220*1 ............ 4177 - Кнопка привода боковой солнцезащитной шторки пассажира (со стороны пассажира)
Электропровода панели приборов

- С113 ..............6130 - Переключатель освещения
Е - звуковой сигнализатор
F - указатель поворота
G - противотуманные фары
Н - противотуманный фонарь
- С135 .............. 2200 - Электронный блок с противоугонным устройством
- С135 .............. 5369 - Выключатель стеклоочистителей / стеклоомывателей / омывателей фар
- С137 .............. 6130- Переключатель освещения
А - стояночные фонари (подфарники)
В - ближний свет фар
С - дальний свет фар
D - световой сигнализатор
- С139 .............. 2261 - Противоугонное устройство и электрический пуск
- С141 .............. 8070 - Привод электрозамедлителя
- С149 ..............2200 - Электронный блок с противоугонным устройством
- С149 .............. 5268 - Выключатель регулятора скорости и режима двигателя
- С149 .............. 5269 - Привод регулятора скорости и режима двигателя
- С195 .............. 8644 - Контактор-выключатель сцепления
- С 196 .............. 8160 - Выключатель стоп-сигнала
- С290 .............. 4466 - Привод автономного отопителя
- С290 .............. 4469 - Программируемое управление автономным отопителем
- С294 .............. 4459 - Панель управления вентиляцией
- С297 .............. 4459 - Панель управления вентиляцией
- С298 .............. 4459 - Панель управления вентиляцией
- С314 ..............1119 - Реостат освещения панели приборов
- С950 .............. 4939 - Шунт (автономный отопитель “RTMDR”)
Электропровода панели приборов

- С230 .............. 4175 - Кнопка привода солнцезащитной шторки передней
- С234 .............. 8667 - Выключатель ’’задний ход с ограничением”
- С242 .............. 3161 - Кнопка управления аварийным сигналом
- С244 .............. 6261 - Выключатель фар дальнего света
- С245 .............. 8069 - Привод выключения замедлителя
- С248*1 ............ 5561 - Выключатель подсветки клапанов
- С250 ............. 2461 - Выключатель предпускового нагрева двигателя
- С252 .............. 8569 - Привод перераспределителя нагрузки на ось
- С258 .............. 8060 - Выключатель системы противоскольжения в модификации “вездеход”
- С310 ..............7614 - Главный дисплей
- С311 ..............7614 - Главный дисплей
- С312 ..............7614 -Главный дисплей
- С313 ..............7614 -Главный дисплей
- С323 .............. 7114 - Электронный тахограф
- С324 ..............7114-Электронный тахограф
- С325 .............. 7114-Электронный тахограф
- сззо*1. . . . . . . 7616 - Матричный дисплей
- С331 .............. 7615 - Вторичный дисплей
- С332 .............. 7615 - Вторичный дисплей
- СЗЗЗ ..............7615 - Вторичный дисплей
- С334 .............. 7615 - Вторичный дисплей
- С750 .............. 3101 - Прерыватель указателей поворота
- С752 .............. 5301 - Тактовая схема стеклоочистителя
- С4078 ............ 4078 - Контакт двери со стороны водителя
- С4079 ............ 4079 - Контакт двери со стороны пассажира
Цепи телеуправления коробкой передач “TBV”

- С260 ........... 1133-Резистор “BUS CAN”
- С265 ........... 8663 - Рычаг управления коробки передач “TBV”
- С327*1 .... ... 8674 - Аварийный выключатель “TBV” (в модификации RTMDR)
Электропровода пола кабины “Thermo 90”

- С133 ............ 4223 - Нагреваемое сиденье пассажира
- С134 ........... 4222 - Нагреваемое сиденье водителя
- С196 ........... 4487 - Вариатор температуры
- С272 ............ 7519 - Штепсельная розетка для диагностики
- С274 ........... 4403 - Блок управления вентиляцией
- С275 ............ 4403 - Блок управления вентиляцией
- С276 ........... 4403 - Блок управления вентиляцией
- С280 ........... 4200 - Понижающий трансформатор (розетка 12 вольт)
- С315 ........... 6166 - Выключатель регулировки фар
- С320 ........... 7524 - Розетка “SAE”
- С3410 .......... 3410 - Электроклапан сирены на крыше
Электропровода пола кабины “D3LCC”

- С133 ........... 4223 - Нагреваемое сиденье пассажира
- С134 ........... 4222 - Нагреваемое сиденье водителя
- С194 ........... 4487 - Вариатор температуры
- С272 ........... 7519 - Штепсельная розетка для диагностики
- С280 ........... 4200 - Понижающий трансформатор (розетка 12 вольт)
- С292 ........... 4422 - Автономный отопитель
- С293 ........... 4422 - Автономный отопитель
- С315 ........... 6166 - Выключатель регулировки фар
- С320 ........... 7524 - Розетка “SAE”
- С3410 ......... 3410 - Электроклапан сирены на крыше
Цепи электронно - пневматической подвески

- С282 ........... 8560 - Пульт дистанционного управления пневмоподвеской
- С299*1 .......... 8201 - Реле времени системы централизованной смазки
Электропровода задней части кабины

- С130 ............ 6314- Рабочий прожектор (тягача)
- С209 ............ 4650 - Подсветка ступеньки со стороны водителя
- С211 ............ 4651 - Подсветка ступеньки со стороны пассажира
- С224 ............ 4826 - Холодильник
- С226 ............ 4617 - Плафон верхнего спального места
- С271 ............ 4655 - Плафон нижней кушетки правый
- С273 ............ 4656 - Плафон нижней кушетки левый
Электропровода центральной консоли

- С281 ........... 2133 - Розетка 12 В
- С316 ........... 4111 - Прикуриватель
Цепи передней части шасси

- С3211 ......... 3211 - Передний указатель правого поворота
- С3212 ......... 3212 - Передний указатель левого поворота
- С3213 ......... 3213 - Боковой указатель правого поворота
- С3214 ......... 3214 - Боковой указатель левого поворота
- С3411 ......... 3411 - Звуковой сигнал
- С3613 .......... 3613 - Стояночный фонарь передний правый
- С3614 .......... 3614 - Стояночный фонарь передний левый
- С4566 .......... 4566 - Датчик наружной температуры
- С4573 .......... 4573 - Прессостат низкого давления
- С4576 ......... 4576 - Прессостат высокого давления
- С6111 ......... 6111 - Фара ближнего света правая
- С6112 ......... 6112-Фара ближнего света левая
- С6113 ..........6113-Фара дальнего света правая
- С6114 ..........6114-Фара дальнего света левая
- С6138*1 ........ 6138 - Двигатель регулировки положения левой фары
- С6139*1 ........ 6139-Двигатель регулировки положения правой фары
- С6211 .......... 6211 - Противотуманный прожектор левый
- С6212 .......... 6212 - Противотуманный прожектор правый
- С6221 .......... 6221 - Прожектор дальнего света правый
- С6222 .......... 6222 - Прожектор дальнего света левый
Цепи вспомогательных контуров

- С5311 .......... 5311 - Двигатель стеклоочистителя (стеклоочистителей)
- С7960*1 ........ 7960 - Манометрический выключатель на самоустанавливающейся оси
- С8076 .......... 8076 - Ножной электрический выключатель выпускного тормоза
- С8104*1 ........ 8104-Датчик давления воздуха передний
- С8105 ......... 8105-Датчик давления воздуха задний
- С8150 ......... 8150 - Электроклапан выпускного тормоза
- С8165 ......... 8165 - Манометрический выключатель воздуха задних тормозов
- С8166 .......... 8166 - Манометрический выключатель воздуха передних тормозов
- С8174 .......... 8174 - Мановыключатель воздуха стояночного тормоза и тормоза прицепа
- С8178 .......... 8178 - Манометрический выключатель сигнализатора стояночного тормоза
- С8272 ......... 8272 - Датчик уровня воды охлаждения двигателя
Электропровода приводного агрегата
Двигатель “MIDR 06.24.45”

- С2212 .......... 2212 - Пусковое реле
- С2266 .......... 2266 - Выключатель остановки двигателя (при опрокидывании кабине)
- С2311 .......... 2311 - Генератор
- С2414 .......... 2414 - Реле предпускового нагрева
- С4512 .......... 4512 - Компрессор установки кондиционирования
- С7362 .......... 7362 - Датчик температуры в контуре охлаждения двигателя
- С7935*2 ........ 7935 - Электроклапан выпускного тормоза “J ”
- С8267 .......... 8267 - Манометрический выключатель аварийного сигнала масла
- С8275 .......... 8275 - Датчик уровня масла в двигателе
- С8284 .......... 8284 - Манометрический выключатель сигнализатора масла серворуля
- С8366*1 ........ 8366 - Контакт на отборе мощности
- С8466 .......... 8466 - Контакт нейтрального положения коробки передач
- С8472 .......... 8472 - Выключатель фонарей заднего хода
- С8473 .......... 8473 - Контакт на малых передачах
Электропровода приводного агрегата
Двигатель “MACK ЕЕ9 560”

- С2212 ..........2212 - Пусковое реле
- С2266 .......... 2266 - Выключатель остановки двигателя (при опрокидывании кабине)
- С2311 .......... 2311 - Генератор
- С2414 .......... 2414- Реле предпускового нагрева
- С4512 .......... 4512- Компрессор установки кондиционирования
- С7362 .......... 7362 - Датчик температуры в контуре охлаждения двигателя
- С8267 .......... 8267 - Манометрический выключатель аварийного сигнала масла
- С8275 .......... 8275 - Датчик уровня масла в двигателе
- С8284 .......... 8284 - Манометрический выключатель сигнализатора масла серворуля
- С8366*1 ........ 8366 - Контакт на отборе мощности
- С8466 .......... 8466 - Контакт нейтрального положения коробки передач
- С8472 .......... 8472 - Выключатель фонарей заднего хода
- С8473 .......... 8473 - Контакт на малых передачах
Электропровода электронного управления впрыском “VMAC”
Двигатель “MIDR 06.24.45”

- С7362 .......... 7362 - Датчик температуры в контуре охлаждения двигателя
- С7368 ......... 7368-Датчик давления масла
- С8261 ......... 8261 - Датчик скорости вращения двигателя
- С8286 ...... .. 8286 - Датчик температуры наддувочного воздуха
- С9218 .......... 9218 - Электроклапан опережения впуска “ECONOVANCE”
- С9219 .......... 9219 - Привод зубчатой рейки ТНВД
- С9262 .......... 9262 - Датчик режима ТНВД
- С9265 .......... 9265 - Датчик положения зубчатой рейки ТНВД
Электропровода электронного управления впрыском “VMAC”
Двигатель “MACK ЕЕ9 560”

- С7362 .......... 7362 - Датчик температуры в контуре охлаждения двигателя
- С7368 .......... 7368-Датчик давления масла
- С8261 .......... 8261 - Датчик скорости вращения двигателя
- С8286 .......... 8286 - Датчик температуры наддувочного воздуха
- С9218 .......... 9218 - Электроклапан опережения впуска “ECONOVANCE”
- С9219 .......... 9219 - Привод зубчатой рейки ТНВД
- С9262 .......... 9262 - Датчик режима ТНВД
- С9265 .......... 9265 - Датчик положения зубчатой рейки ТНВД
Цепи автономного отопителя “Thermo 90”

- С4423 ............ 4423 - Автономный отопитель
- С4426 ............ 4426 - Электроклапан главного водяного контура
- С5319 ............ 5319 - Насос омывателей фар
- С8212 ............ 8212-Электрокпапан централизованной смазки
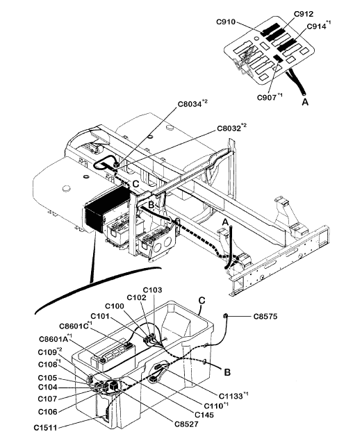
Электропровода электроблока “ABS”

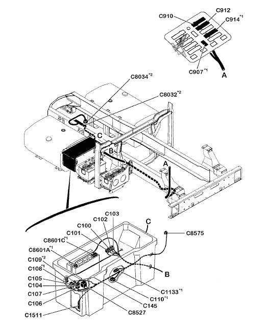
- С1133*1 .......... 1133 - Резистор “BUS CAN”
- С1511 ............1511 - Коробка предохранителей
- С8032*2 .......... 8032 - Блок реле электрозамедлителя
- С8034*2 .......... 8034 - Электрозамедлитель
- С8527 ............ 8527 - Реле опрокидывания кабины
- С8575 ............ 8575 - Выключатель опрокидывания кабины
- С8601А*1 ___ 8601 - Вычислительное устройство “TBV”
- С8601С*1 ___ 8601 - Вычислительное устройство “TBV”
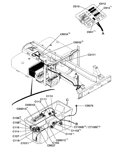
Электропровода электроблока “EBS”

- С1133*1 .......... 1133-Резистор “BUS CAN”
- С1511 ............1511 - Коробка предохранителей
- С2171*3 ..........2171 - Общий выключатель в модификациях “RTMDR”
- С7100В*3 — 7100-Ограничитель тока
- С7100С*3 ___7100-Ограничительтока
- С8032*2 .......... 8032 - Блок реле электрозамедлителя
- С8034*2 .......... 8034-Электрозамедлитель
- С8527 ............ 8527 - Реле опрокидывания кабины
- С8575 ............ 8575 - Выключатель опрокидывания кабины
- С8601А*1 ___ 8601 - Вычислительное устройство “TBV”
- С8601С*1 ___ 8601 - Вычислительное устройство “TBV”
- С9501А.......... 9501 - Вычислительное устройство “EBS”
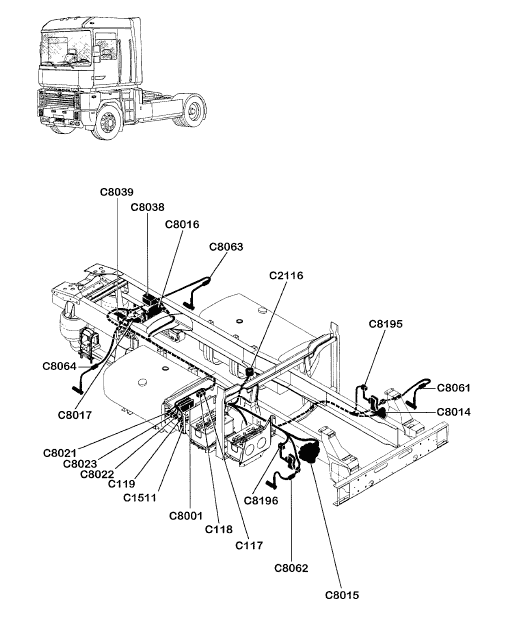
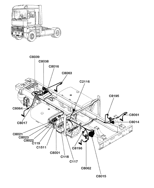
Цепи “ABS” “4x2”

- С1511 ............1511 - Коробка предохранителей
- С2116 ............2116 - Штепсельная розетка прицепа 7-контактная (для системы АБС)
- С8001 ............ 8001 - Вычислительное устройство системы “ABS-ASR”
- С8014 ............ 8014 - Электроклапан системы АБС передний левый
- С8015 ............ 8015 - Электрокпапан системы АБС передний правый
- С8016 ............ 8016 - Электроклапан системы АБС задний левый
- С8017 ............ 8017 - Электрокпапан системы АБС задний правый
- С8021 ............ 8021 - Реле электроклапанов системы “ABS-ASR” (Передн. прав. / Задн. лев.)
- С8022 ............ 8022 - Реле электроклапанов системы “ABS-ASR" (Передн. лев. / Задн. прав.)
- С8023 ............ 8023 - Реле контрольной лампы системы АБС
- С8038 ............ 8038 - Электрокпапан системы ASR левый
- С8039 ............ 8039 - Электроклапан системы ASR правый
- С8061 ............ 8061 - Датчик системы АБС передний левый
- С8062 ............ 8062 - Датчик системы АБС передний правый
- С8063 ............ 8063 - Датчик системы АБС задний левый
- С8064 ............ 8064 - Датчик системы АБС задний правый
- С8195 ............ 8195 - Выключатель сигнала износа тормозных накладок левого тормоза
- С8196 ............ 8196 - Выключатель сигнала износа тормозных накладок правого тормоза
Цепи “ABS” “6x2”

- C8001 ............ 8001 - Вычислительное устройство системы “ABS-ASR”
- С8014 ............8014 - Электроклапан системы АБС передний левый
- С8015 ............ 8015 - Электрокпапан системы АБС передний правый
- С8016 ............ 8016 - Электроклапан системы АБС задний левый
- С8017 ............ 8017 - Электроклапан системы АБС задний правый
- С8021 ............ 8021 - Реле электроклапанов системы “ABS-ASR” (Передн. прав. / Задн. лев.)
- С8022 ............ 8022 - Реле электроклапанов системы “ABS-ASR” (Передн. лев. / Задн. прав.)
- С8023 ............ 8023 - Реле контрольной лампы системы АБС
- С8038 ............ 8038 - Электроклапан системы ASR левый
- С8039 ............ 8039 - Электрокпапан системы ASR правый
- С8061 ............ 8061 - Датчик системы АБС передний левый
- С8062 ............ 8062 - Датчик системы АБС передний правый
- С8063 ............ 8063 - Датчик системы АБС задний левый
- С8064 ............ 8064 - Датчик системы АБС задний правый
- С8195 ............ 8195 - Выключатель сигнала износа тормозных накладоклевого тормоза
- С8196 ............ 8196 - Выключатель сигнала износа тормозных накладок правого тормоза
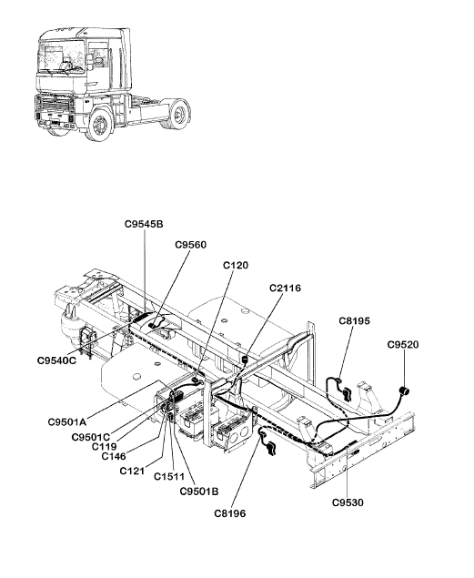
Цепи “EBS” “4x2”

- С1511 ............1511 - Коробка предохранителей
- С2116 ............2116 - Штепсельная розетка прицепа 7-контактная (для системы АБС)
- С8195 ............ 8195- Выключатель сигнала износа тормозных накладок левого тормоза
- С8196 ............ 8196 - Выключатель сигнала износа тормозных накладок правого тормоза
- С9501А.......... 9501 - Вычислительное устройство “EBS”
- С9501В.......... 9501 - Вычислительное устройство “EBS”
- С9501С.......... 9501 - Вычислительное устройство “EBS”
- С9520 ............ 9520 - Кран тормоза
- С9530 ............ 9530 - Передний блок
- С9540С.......... 9540 - Правый канал заднего блока (мост)
- С9545В.......... 9545 - Левый канал заднего блока (мост)
- С9560 ............ 9560 - Датчик давления “EBS” в подушках заднего моста
Цепи “EBS” “4x2”
Пневматическая подвеска

- С1511 ............1511 - Коробка предохранителей
- С2116 ............2116 - Штепсельная розетка прицепа 7-контактная (для системы АБС)
- С8195 ............ 8195 - Выключатель сигнала износа тормозных накладок левого тормоза
- С8196 ............ 8196 - Выключатель сигнала износа тормозных накладок правого тормоза
- С9501А.......... 9501 - Вычислительное устройство “EBS”
- С9501В.......... 9501 - Вычислительное устройство “EBS”
- С9501С.......... 9501 - Вычислительное устройство “EBS”
- С9520 ............ 9520 - Кран тормоза
- С9530 ............ 9530 - Передний блок
- С9540С.......... 9540 - Правый канал заднего блока (мост)
- С9545В.......... 9545 - Левый канал заднего блока (мост)
- С9560 ............ 9560 - Датчик давления “EBS” в подушках заднего моста
Цепи электронно-пневматической подвески “4x2”

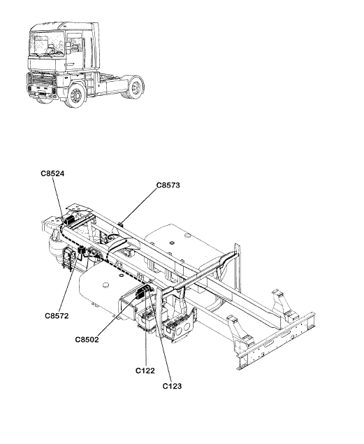
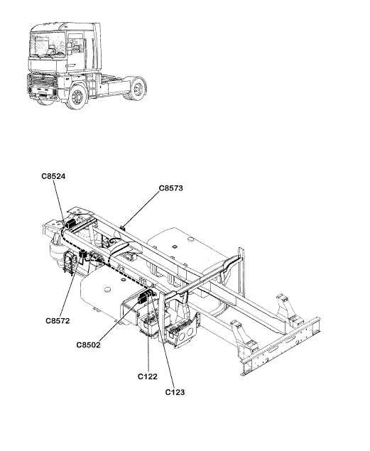
- С8502 ............. 8502 - Вычислительное устройство подвески
- С8524 ............ 8524 - Блок электроклапанов задней подвески
- С8572 ............. 8572 - Задний правый датчик уровня подвески
- С8573 ............. 8573 - Задний левый датчик уровня подвески
Цепи электронно-пневматической подвески “4x2”

- C8502 ..............8502 - Вычислительное устройство подвески
- C8524 ..............8524 - Блок электроклапанов задней подвески
- C8525*1...........8525 - Блок электрокпапанов передней подвески
- C8571*1...........8571 - Передний датчик уровня подвески
- C8572 .............8572 - Задний правый датчик уровня подвески
- C8573 .............8573 - Задний левый датчик уровня подвески
Цепи электронно-пневматической подвески “6x2”

- С8502 ............ 8502 - Вычислительное устройство подвески
- С8539 ............ 8539 - Блок электроклапанов задней подвески (мост)
- С8540 ............ 8540 - Блок электроклапанов задней подвески (ось)
- С8572 ............ 8572 - Задний правый датчик уровня подвески
- С8573 ............ 8573 - Задний левый датчик уровня подвески
- С8582 ............ 8582 - Датчик давления подушек заднего моста
Цепи электронно-пневматической подвески “6x2”

- С8502 ............ 8502 - Вычислительное устройство подвески
- С8525*1 .......... 8525 - Блок электроклапанов передней подвески
- С8539 ............ 8539 - Блок электроклапанов задней подвески (мост)
- С8540 ............ 8540 - Блок электроклапанов задней подвески (ось)
- С8571*1 .......... 8571 - Передний датчик уровня подвески
- С8572 ............ 8572 - Задний правый датчик уровня подвески
- С8573 ............ 8573 - Задний левый датчик уровня подвески
- С8582 ............ 8582 - Датчик давления подушек заднего моста
Цепи задней части шасси

- С126 ..............Правый сигнальный фонарь (указатель поворота, противотуманный фонарь, габаритный фонарь, стоп-сигнал, сигнал заднего хода)
- С127 ..............Левый сигнальный фонарь (указатель поворота, противотуманный фонарь, габаритный фонарь, стоп-сигнал, сигнал заднего хода)
- С2113 ............2113 - Штепсельная розетка прицепа 7-контактная типа 24 N
- С2114*2 ..........2114- Штепсельная розетка прицепа 7-контактная типа 24 Р
- С2115 ............2115 - Штепсельная розетка прицепа 7-контактная типа 24 S
- С3716*1 .......... 3716 - Габаритный фонарь центральный левый
- С3717*1 .......... 3717- Габаритный фонарь центральный правый
- С4584*3 .......... 4584 - Датчик давления в системе централизованной смазки
- С4919 ............ 4919 - Насос подачи топлива
- С5314 ............ 5314 - Насос стеклоомыватепя (стеклоомывателей)
- С7462 ............ 7462 - Датчик уровня топлива в баке
- С8262 ............ 8262 - Датчик засорения воздушного фильтра
Цепи задней части шасси

- С131 ..............Правый сигнальный фонарь (указатель поворота, противотуманный фонарь, габаритный фонарь, стоп-сигнал, сигнал заднего хода)
- С132 ..............Левый сигнальный фонарь (указатель поворота, противотуманный фонарь, габаритный фонарь, стоп-сигнал, сигнал заднего хода)
- С2113*1*2 ___2113 - Штепсельная розетка прицепа 7-контактная типа 24 N
- С2114*2 ..........2114- Штепсельная розетка прицепа 7-контактная типа 24 Р
- С2115*1 . . . . . . 2115 - Штепсельная розетка прицепа 7-контактная типа 24 S
- С4584*3.......... 4584 - Датчик давления в системе централизованной смазки
- С4919 ............ 4919 - Насос подачи топлива
- С5314 ............ 5314- Насос стеклоомывателя (стеклоомывателей)
- С7462 ............ 7462 - Датчик уровня топлива в баке
- С8262 ............ 8262 - Датчик засорения воздушного фильтра
Электропровода межколесного дифференциалa “4x2, 6x2”

- С8364 ............ 8364 - Контакт на блокировке межколесного дифференциала
Электропровода блокировки межколесного и межмостового дифференциалов “6x4”

- С8364В.......... 8364 - Контакт на блокировке межколесного дифференциала
- C8364D.......... 8364 - Contact sur blocage differentiei inter-roues
- C8365 ............ 8365 - Контакт на межосевой блокировке дифференциала