Перейти к контенту

Пропустить меню
Подписывайтесь на наш канал в Telegram и будьте всегда в курсе самых последних сообщений и публикаций с сайта.
       Подписчикам
    "Большой энциклопедии
       для автоэлектриков
            и диагностов"
доступно 52 гиг. информации
        по спецтехнике
            KOMATSU
              *список здесь*
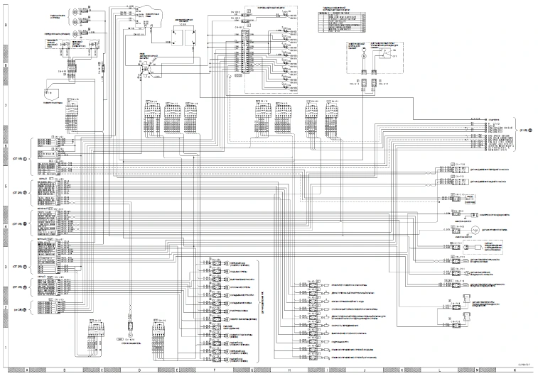
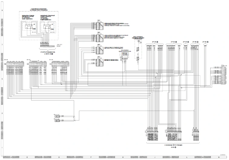
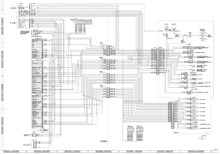
Электросхема Komatsu PC750(800)











gerikogan@gmail.com

Сайт (2149 страниц) - создан из материалов"Большой энциклопедии для автоэлектриков и диагностов"и на нем лишь мизерное количество информациис огромной электронной энциклопедии !!!

подписчики
1981
Назад к содержимому