Модульный тахограф MTCO Mercedes Actros
- Цветовая маркировка проводов -
- bl Синий
- br Коричневый
- ge Жёлтый
- gn Зелёный
- gr Серый
- rs Розовый
- rt Красный
- sw Чёрный
- vi Фиолетовый
- ws Белый
- tk Бирюзовый (бензин)
- or Оранжевый
- tr Световое табло
В17: Датчик скорости
Фрагмент электросхемы для а/м с RS (управление тормозом-замедлителем (ретардером)) или WSK (сцепление с гидротрансформатором)

- РЗ: МТСО модульный тахограф
- В17: Датчик скорости
- Х2.2: Штекерное соединение 'Кабина водителя - шасси1, 18-полюсное
- Х29: Штекерное соединение для КП
- Х125.2: Штекерное соединение 'Крыша' со стороны переднего пассажира
- (728): А/м без 2-ступенчатой раздаточной коробки
- (738): На а/м с RS (управление тормозом-замедлителем (ретардером)) или WSK (сцепление с гидротрансформатором)
Фрагмент электросхемы для а/м с EPS (электронно-пневматическая система переключения передач) и без RS (управление тормозом-замедлителем (ретардером)) или WSK (сцепление с гидротрансформатором)

- РЗ: МТСО модульный тахограф
- В17: Датчик скорости
- Х2.2: Штекерное соединение 'Кабина водителя - шасси1, 18-полюсное
- Х40: Штекерное соединение тормоза-замедлителя (ретардера)
- Х125.2: Штекерное соединение 'Крыша' со стороны переднего пассажира
- (728): А/м без 2-ступенчатой раздаточной коробки
- (739): На а/м с EPS (электронно-пневматическая система переключения передач) и без RS (управление тормозом-замедлителем (ретардером)) или WSK (сцепление с гидротрансформатором)
Фрагмент электросхемы для а/м с 2-ступенчатой раздаточной коробкой

- РЗ: МТСО модульный тахограф
- В17: Датчик скорости
- Х5.1: Штекерное соединение 'Кабина водителя - шасси1, 18-полюсное
- Х125.2: Штекерное соединение 'Крыша' со стороны переднего пассажира
- (729): А/м с 2-ступенчатой раздаточной коробки
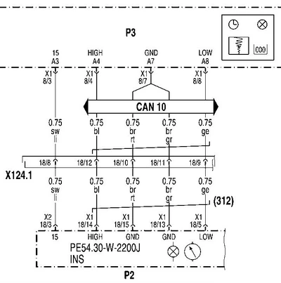
Р2: Блок управления INS комбинация приборов в сочетании с блоком управления МТСО модульный тахограф

- Р2: Блок управления INS комбинация приборов
- РЗ: МТСО модульный тахограф
- Х124.1: Штекерное соединение 'Крыша' со стороны водителя
- (312): Провода скручены.
- CAN10: Шина CAN тахографа
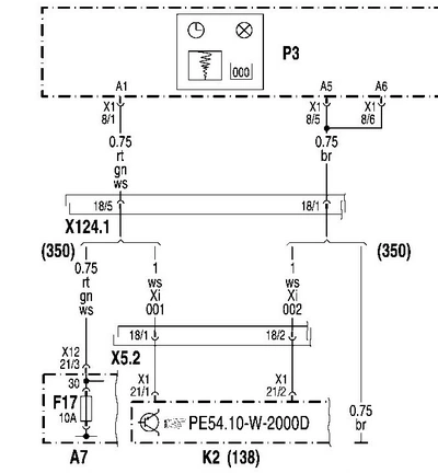
РЗ: Электропитание блока управления МТСО модульный тахограф

- А7: Базовый модуль GM
- РЗ: МТСО модульный тахограф
- К2: Разъединительный выключатель аккумуляторной батареи
- Х124.1: Штекерное соединение 'Крыша' со стороны водителя
- Х5.2: Штекерное соединение 'Кабина водителя - шасси', 18-полюсное
- (138): Только на а/м GGVS
- (350): На выбор в зависимости от исполнения
Блок управления МТСО модульный тахограф в сочетании с другими блоками управления

- АЗ: Блок управления FR система управления движением
- А1б: Блок управления GS управление переключением передач
- РЗ: МТСО модульный тахограф
- Х83: Дополнительное записывающее устройство
- Х124.1: Штекерное соединение 'Крыша' со стороны водителя
- Х2.1: Штекерное соединение 'Кабина водителя - шасси', 18-полюсное