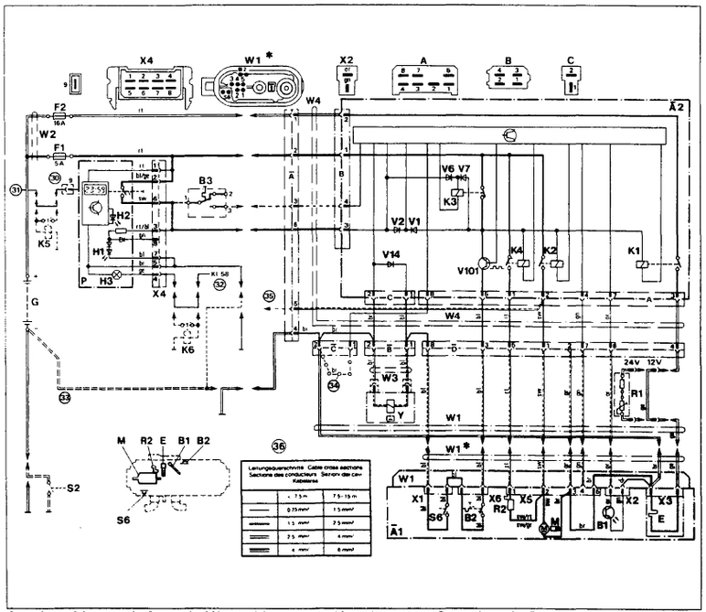
Электросхема автономного отопителя AirTop 24/32, HL 24/32 В_D

HL 32 B/D Heaters
- 31 to terminal 75. if present in the vehicle, otherwise terminal 15
- 32 vehicle lighting
- 33 broken lines are alternatives, relays K5 and K6 only when battery switch S2 is used
- 34 remove this connection when using a petrol-fuelled heater
- 35 ventilation
- 36 NB: the indicated wire cross sections refer to the supplied (standard) cable. The indicated cross sections must be increased to the next higher value for cable lengths over 7.5 meters.

HL 24/32 B/D Heaters
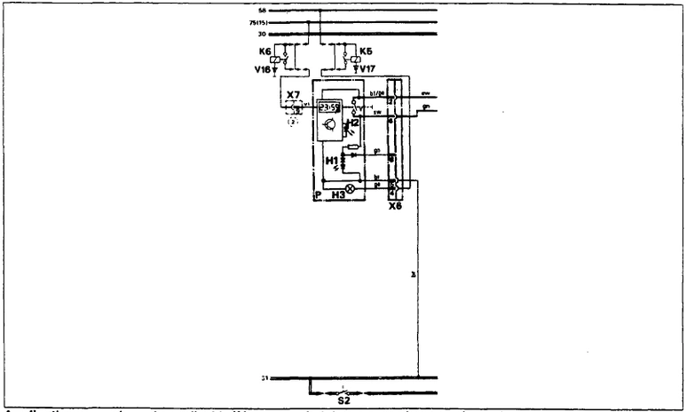
- 30 Timer P: positive voltage at terminal 9 = continuous operation with instant heat no positive voltage at terminal 9 = heating period 1 hour
- 31 to terminal 75. if present in the vehicle, otherwise terminal 15
- 32 vehicle lighting
- 33 broken lines are alternatives, relays K5 and K6 only when battery switch S2 is used
- 34 remove this connection when using a petrol-fuelled heater
- 35 ventilation

HL 24/32 B/D Heaters
- 30 Timer P: positive voltage at terminal 9 = continuous operation with instant heat no positive voltage at terminal 9 = heating period 1 hour
- 31 HL 24 with bridge/ HL 32 without bridge
- 32 vehicle lighting
- 33 relays K5 and K6 only when battery switch S2 is used
- 34 remove this connection when using a petrol-fuelled heater

HL 24 and 32 D (TRS) Heaters
- 1 wire 1
- 2 wire 2
- 34 remove this connection when using a petrol-fuelled heater
When HL24 and 32D (TRS) heaters are to be Installed in vehicles designed for the transport of dangerous goods the requirements of TRS 002 and TRS 003 have to be fulfilled in addition to the StVZO. (TRS = Technical guidelines for dangerous goods - regulation for road transport). For further regulations see Technical Bulletin E3-5.8 (order no. 770 514).
Switch S5 must be so installed that a minus potential is connected when a pumping device Is started up.

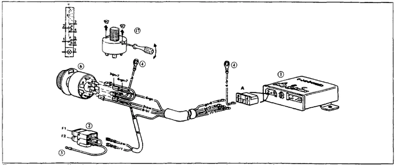
AirTop 24 and 32

Connection elektronic control unit / fuse holder / metering pump
- 1 elektronic control unit
- 10 plug to heater
- 11 plug to metering pump

Connection elektronic control unit / fuse holder / interior thermostat (mechanical)
- 1 elektronic control unit
- 2 fuse holder
- 3 to battery (+)
- 4 ground (-)
- 5 thermostat (mechanical)

Connection elektronic control unit / fuse holder / interior thermostat (electronic)
- 1 elektronic control unit
- 2 fuse holder
- 3 to battery (+)
- 4 ground (-)
- 7 thermostat (electronic)

Connection elektronic control unit / fuse holder / switch
- 1 elektronic control unit
- 2 fuse holder
- 3 to battery (+)
- 4 ground (-)
- 6 switch
- 17 remove the two white retaining pins

Ventilation operation with switch or interior thermostat (electronic) cut wire according to the illustration and establish connection to contact 3 of the switch or contact 1 of the thermostat (electronic).
- 1 elektronic control unit
- 13 wiring for switch or thermostat
- Owing to the danger of possible interchanging, only rt/bl coloured wires to be used.

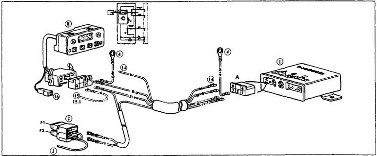
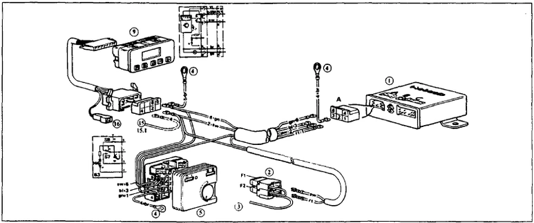
Connection electronic control unit/fuse holder/Timer 1522 (24 h)
- 1 elektronic control unit
- 2 fuse holder
- 3 to battery (+)
- 4 ground (-)
- 8 Timer 1522 (24 h)
- 14 not used
- 15 illumination (terminal 58)
- 15.1 for battery switch connected to negative voltage
- 16 with (+) from terminal (75/15) to terminal 9: continuous operation with instant heat as long as the ignition is turned on with (+) from terminal (30) to terminal 9: continuous operation with instant heat no positive voltage at terminal 9: heating period 1 hour

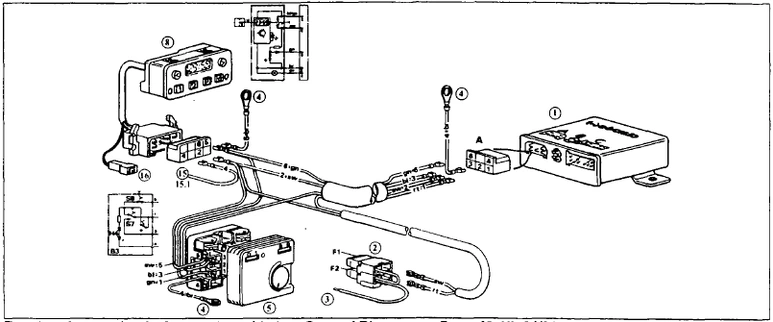
Connection electronic control unit/fuse holder/interior thermostat (mechanical)/Timer 1522 (24 h)
- 1 elektronic control unit
- 2 fuse holder
- 3 to battery (+)
- A ground (-)
- 5 thermostat (mechanical)
- 8 Timer 1522 (24 h)
- 14 not used
- 15 illumination (terminal 58)
- 15.1 for battery switch connected to negative voltage
- 16 with (+) from terminal (75/15) to terminal 9: continuous operation with instant heat as long as the ignition is turned on with (+) from terminal (30) to terminal 9: continuous operation with instant

Connection electronic control unit/ fuse holder/ interior thermostat (electronic)/Timer 1522 (24 h)
- 1 elektronic control unit
- 2 fuse holder
- 3 to battery (+)
- 4 ground (-)
- 7 thermostat (electronic)
- 8 Timer 1522 (24 h)
- 14 not used
- 15 illumination (terminal 58)
- 15.1 for battery switch connected to negative voltage
- 16 with (+) from terminal (75/15) to terminal 9: continuous operation with instant heat as long as the ignition is turned on with (+) from terminal (30) to terminal 9: continuous operation with

Connection electronic control unit/ fuse holder/Timer (7 days)
- 1 elektronic control unit
- 2 fuse holder
- 3 to battery (+)
- 4 ground (-)
- 9 Timer (7 days)
- 14 not used
- 15 illumination (terminal 58)
- 15.1 for battery switch connected to negative voltage
- 16 with (+) from terminal (75/15) to terminal 9: continuous operation with instant heat as long as the ignition is turned on with (+) from terminal (30) to terminal 9: continuous operation with instant heat no positive voltage at terminal 9: heating period 1 hour

Connection electronic control unit/ fuse holder/ interior thermostat (mechanical)/ Timer (7 days)
- 1 elektronic control unit
- 2 fuse holder
- 3 to battery (+)
- 4 ground (-)
- 5 thermostat (mechanical)
- 9 Timer (7 days)
- 4 not used
- 15 illumination (terminal 58)
- 15.1 for battery switch connected to negative voltage
- 16 with (+) from terminal (75/15) to terminal 9: continuous operation with instant heat as long as the ignition is turned on with (+) from terminal (30) to terminal 9: continuous operation with

Connection electronic control unit/ fuse holder/ interior thermostat (electronic)/ Timer (7 days)
- 1 elektronic control unit
- 2 fuse holder
- 3 to battery (+)
- 4 ground (-)
- 7 thermostat (electronic)
- 9 Timer (7 days)
- 14 not used
- 15 illumination (terminal 58)
- 15.1 for battery switch connected to negative voltage
- 16 with (+) from terminal (75/15) to terminal 9: continuous operation with instant heat as long as the ignition is turned on with (+) from terminal (30) to terminal 9: continuous operation with instant
