Сети CAN и LIN автомобиля DAF CF/XF EL2 euro 6
СЕТЬ CAN
обзор сети CAN
- V = автомобиль
- A = дополнительная обработка ОГ
- C = кабина
- D = диагностика
- F = рама
- I = инструмент
- LIN = коммутационная локальная сеть для переключателя наружного освещения S062 и электронного контроллера освещения D368(ELC)
Распределительный блок CAN представляет собой соединение CAN для электронных систем, подключенных к сети C-CAN.
Системы, подключенные к LIN:
- ELC, электронный контроллер освещения
- Переключатель наружного освещения
Расположение блока распределения CAN, серия XF

Расположение блока распределения CAN, серия CF

Топология CAN

РАЗЪЕМЫ ПИТАНИЯ ПО ШИНЕ CAN
Поскольку системы CAN должны использовать сигнал 1010 в качестве входного слаботочного сигнала (без каких-либо емкостных или индуктивных нагрузок, подключенных к ним), провода 1010,
подключенные к системам CAN, сгруппированы на одном предохранителе.
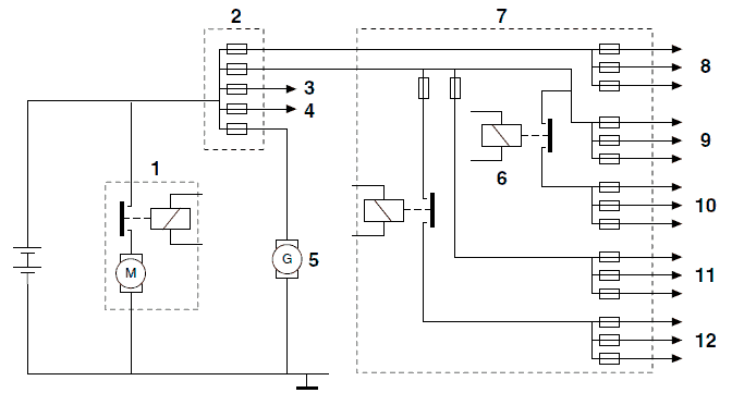
Система CAN трансмиссии оснащается предохранителем отдельно от всех остальных систем CAN. На следующем рисунке показана электрическая схема принципа подключения предохранителей.

1 Стартер
2 Блок распределения мощности
3 Высоконагруженное дополнительное оборудование шасси
4 Обогреватель решетки (дополнительное оборудование)
5 Генератор
6 Реле пробуждения
7 Центральный блок
8 Дополнительное оборудование 1000
9 Системы трансмиссии 1000
10 Системы CAN 1010
11 Системы и дополнительное оборудование, не связанные с трансмиссией, 1000
12 Дополнительное оборудование 1010
СЕТЬ LIN
Основные характеристики LIN (локальная соединительная сеть)

A Освещение (ШИМ)
B Питание LIN
C Шина LIN
D "Масса" LIN
LIN представляет собой однопроводной протокол последовательной передачи данных, основанный на общем интерфейсе UART (универсальный асинхронный приемо-передатчик). LIN использует сетевую
структуру с одним управляющим и несколькими исполнительными механизмами.
LIN используется для отправки сообщений от переключателя наружного освещения (S062) в электронный контроллер освещения (ELC) (D368)