Электросхема водяного отопителя Hydronic MAN
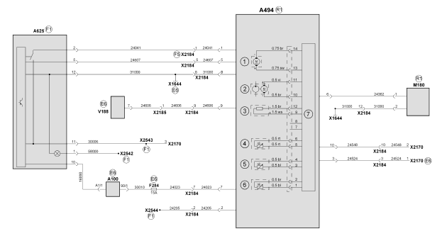
Краткий обзор Hydronic D5W SC с TRS
- A100 Центральная электрическая сеть
- A494 Дополнительный водяной отопитель
- A625 Орган управления дополнительного водяного отопителя
- F284 Предохранитель дополнительного отопителя
- M180 Дозировочный насос 2 дополнительного отопителя
- V188 Диодная группа из 8 диодов для прерывателя аккумуляторной батареи
- X1644 Точка массы кабины рядом с центральной электрической сетью
- X2170 Штекерное соединение — Отключение TRS водяного обогрева
- X2184 Штекерное соединение в кабине — устройство дополнительного водяного отопителя
- X2185 Штекерное соединение — Устройство дополнительного водяного отопителя — прерыватель аккумуляторной батареи
- X2542 Распределитель потенциалов 21-контактного провода 58000
- X2543 Распределитель потенциалов 21-контактного провода 30006
- X2544 Распределитель потенциалов 21-контактного К-провода
- 1 Дизель
- 2 Водяной насос
- 3 Штифт свечи накаливания
- 4 Датчик перегрева
- 5 Датчик регулировки
- 6 Датчик пламени
- 7 Блок управления
- E6 Место установки сектора центральной электрической сети
- F1 Место установки средней части
- F5 Место установки передка внутри справа
- R1 Место установки передней части рамы
Краткий обзор Hydronic D5W SC без TRS
- A100 Центральная электрическая сеть
- A494 Дополнительный водяной отопитель
- A625 Орган управления дополнительного водяного отопителя
- F284 Предохранитель дополнительного отопителя
- M180 Дозировочный насос 2 дополнительного отопителя
- V188 Диодная группа из 8 диодов для прерывателя аккумуляторной батареи
- X1644 Точка массы кабины рядом с центральной электрической сетью
- X2184 Штекерное соединение в кабине — устройство дополнительного водяного отопителя
- X2185 Штекерное соединение — Устройство дополнительного водяного отопителя — прерыватель аккумуляторной батареи
- X2542 Распределитель потенциалов 21-контактного провода 58000
- X2543 Распределитель потенциалов 21-контактного провода 30006
- X2544 Распределитель потенциалов 21-контактного К-провода
- 1 Дизель
- 2 Водяной насос
- 3 Штифт свечи накаливания
- 4 Датчик перегрева
- 5 Датчик регулировки
- 6 Датчик пламени
- 7 Блок управления
- E6 Место установки сектора центральной электрической сети
- F1 Место установки средней части
- F5 Место установки передка внутри справа
- R1 Место установки передней части рамы
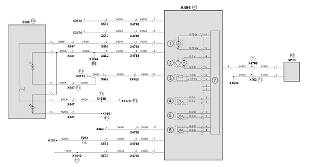
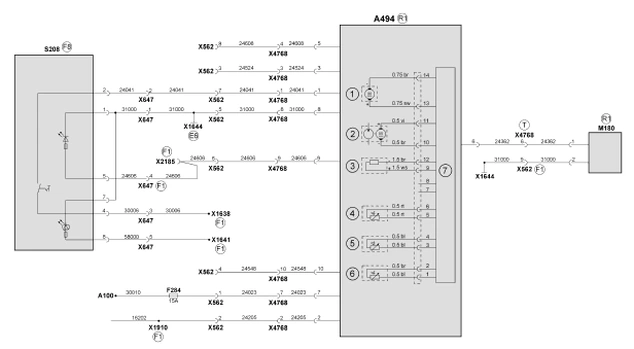
Краткий обзор Hydronic D5W SC с S208 и TRS
- A100 Центральная электрическая сеть
- A494 Дополнительный водяной отопитель
- F284 Предохранитель дополнительного отопителя
- M180 Дозировочный насос 2 дополнительного отопителя
- S208 Выключатель дополнительного отопителя
- X562 Штекерное соединение — Дополнительный отопитель в кабине
- X647 Штекерное соединение — Дополнительный отопитель — выключатель
- X1638 Паяное соединение провода 30006
- X1641 Паяное соединение провода 58000
- X1644 Точка массы кабины рядом с центральной электрической сетью
- X1910 Спай K-KWP2 (SA)
- X2170 Штекерное соединение — Отключение TRS водяного обогрева
- X2185 Штекерное соединение — Устройство дополнительного водяного отопителя — прерыватель аккумуляторной батареи
- X4768 Штекерное соединение — Дополнительный отопитель — подставка радиатора
- 1 Дизель
- 2 Водяной насос
- 3 Штифт свечи накаливания
- 4 Датчик перегрева
- 5 Датчик регулировки
- 6 Датчик пламени
- 7 Блок управления
- E6 Место установки сектора центральной электрической сети
- F1 Место установки средней части
- F8 Консоль коробки передач
- R1 Место установки передней части рамы
- T Несущий каркас позади кабины
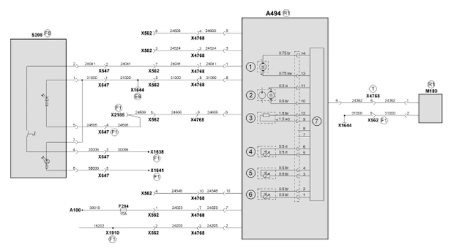
Краткий обзор Hydronic D5W SC с S208 без TRS
- A100 Центральная электрическая сеть
- A494 Дополнительный водяной отопитель
- F284 Предохранитель дополнительного отопителя
- M180 Дозировочный насос 2 дополнительного отопителя
- S208 Выключатель дополнительного отопителя
- X562 Штекерное соединение — Дополнительный отопитель в кабине
- X647 Штекерное соединение — Дополнительный отопитель — выключатель
- X1638 Паяное соединение провода 30006
- X1641 Паяное соединение провода 58000
- X1644 Точка массы кабины рядом с центральной электрической сетью
- X1910 Спай K-KWP2 (SA)
- X2185 Штекерное соединение — Устройство дополнительного водяного отопителя — прерыватель аккумуляторной батареи
- X4768 Штекерное соединение — Дополнительный отопитель — подставка радиатора
- 1 Дизель
- 2 Водяной насос
- 3 Штифт свечи накаливания
- 4 Датчик перегрева
- 5 Датчик регулировки
- 6 Датчик пламени
- 7 Блок управления
- E6 Место установки сектора центральной электрической сети
- F1 Место установки средней части
- F8 Консоль коробки передач
- R1 Место установки передней части рамы
- T Несущий каркас позади кабины



