Тормозна система EBS WABCO
Используемые сокращения
- 4S/3M Конфигурация системы с четырьмя датчиками скорости и четырьмя модуляторами, по одному на каждое колесо. Эта версия системы EBS применяется на легких транспортных средствах. Управление ABS осуществляется по первому заблокированному колесу передней оси. Поэтому оба колеса передней оси всегда правляются одновременно.
- 4S/4M Конфигурация системы с четырьмя датчиками скорости и четырьмя модуляторами, по одному на каждое колесо. В этой версии системы EBS каждый модулятор выполняет управление тормозным моментом на своем колесе.
- 4x2 Четырехколесное транспортное колесо с двумя ведущими колесами (колесная формула).
- ABS Антиблокировочная тормозная система
- ARB Противооткатная система, облегчающая трогание стоящего на подъеме автомобиля
- ASR Система противобуксовки ведущих колес
- CAN Интерфейс обмена данными между системами транспортного средства
- CBU Центральный блок управления тормозной системой
- CVC Централизованное управление транспортным средством, Центральный бортовой компьютер (MAN)
- DC Корпорация Daimler Chrysler
- DSR Управление двигателем при работе «помощи при трогании»
- EAS Коробка передач с электронным управлением
- Тест End-of-Line Тест End-of-Line
- EPB Электронно-пневматическая тормозная система,в WABCO: EBS
- EPS Электронно-пневматическое переключение передач WABCO: EDS
- ESC Электронная система управления устойчивостью
- FDR Динамический контроль движения, в WABCO: ESC
- FFR Круиз-контроль
- IES Стандарт обмена данными корпорации Daimler Chrysler
- IR Индивидуальное регулирование тормозных сил системой ABS
- KOM Автобус
- LWS Датчик угла поворота рулевого колеса
- MIC Модифицированное регулирование тормозных сил системой ABS
- PWM Широтно-импульсная модуляция
- RSC Контроль опрокидывания
- RSS Контроль опрокидывания для прицепов
- SAE Ассоциация инженеров автомобилестроения, разрабатывает общие стандарты для автомобильной промышленности
- VAR Cпособ регулирования ABS
Предисловие
Качественная тормозная система – важнейшее средство безопасности во время движения транспортного средства.
В 1996 году компания WABCO первой представила тормозную систему с электронным управлением (EBS), выпускаемую серийно в больших количествах. Как ведущий производитель в данной области, в данный момент компания WABCO продолжает снабжать системами ABS с HGV ведущих производителей легких грузовиков, прицепов, полуприцепов, а также автобусов.
Увеличивающиеся с каждым годом плотность движения и предъявляемые требования вынуждают постоянно совершенствовать изделия и их качество. В данной публикации представлено краткое описание конструкций различных систем с указанием различий между ними.
Публикация может служить справочным пособием при ремонте.
Преимущества системы EBS
• Комфорт и увеличение безопасности во время торможения благодаря EBS
Водитель задает свои требования, нажимая на педаль. EBS передает это требование с помощью
электроники всем компонентам тормозной системы.
Электронное управление обеспечивает уменьшение времени реакции и порога чувствительности
тормозного цилиндра. В тоже самое время применение электроники позволяет более точно дозировать тормозной момент. Результат: удобное торможение вне зависимости от загрузки транспортного средства и значительное уменьшение тормозного пути.
В тоже время, функции заложенные в систему EBS, обеспечивают устойчивость движения и сохранение
управляемости транспортного средства во время торможения. Автоматическое перераспределение
тормозных сил между передними и задними осями в зависимости от загрузки происходит благодаря
системе Контроль пробуксовки колес (DSC).
Одновременно система DSC обеспечивает оптимальную согласованность с прицепом во время торможения. Таким образом усилие в сцепке автопоезда во время торможения будет минимальным. Контроль тяги осуществляется через встроенный противобуксовочный регулятор буксования. Помощь при трогании осуществляется через встроенною противобуксовочную функцию.
• Оптимизация износа тормозных колодок и легкость обслуживания благодаря EBS
Система EBS от компании WABCO обладает возможностью постоянного контроля за степенью износа тормозных колодок. Поэтому, плановое обслуживание и замена тормозных колодок могут быть скоординированы друг с другом. При этом все тормозные колодки будут заменены при обращении
на СТО для планового обслуживания. Интеграция с тормозами не подверженных износу, такими как
моторный тормоз или тормоз-замедлитель, дополнительно увеличивает срок службы тормозных
колодок.
Работоспособность всех компонентов системы EBS постоянно проверяется встроенной функцией
самоконтроля. Водитель транспортного средства незамедлительно информируется через соответствующие извещатели, если имеет место какая-либо неисправность или ошибка
функционирования. Причина проблемы может быть легко определена с помощью диагностического
прибора или с помощью индикаторов, встроенных в панель приборов транспортного средства. Благодаря большому количеству функций встроенной системы самоконтроля дополнительное техническое обслуживание практически не требуется.

Описание системы
Основные функции EBS
WABCO EBS работает с электрическими сигналами. С помощью этих сигналов блок управления EBS в любой момент может связаться с любым компонентом системы.
Клапаны, расположенные на тормозных механизмах, создают требуемое тормозное давление в соответствии с сигналами управления.
Блок управления EBS постоянно получает информацию о скорости вращения колес от датчиков, установленных на каждом колесе транспортного средства для встроенной антиблокировочной функции. Различные комплексные функции управления распознают отклонения от нормальных условий движения и в случае опасности вмешиваются в процесс движения. Через некоторые функции реализуется повышение безопасности, комфорта движения и оптимизирован износ тормозных колодок.
Если электронная система управления распознает какую-либо неисправность, то электронное управление отключается и система работает как в обычная пневматическая тормозная система. Так как в данном случае пневматическая система не имеет РТС, то тормозное давление на задней оси будет завышенным.
Так как пневматическая система работает независимо от РТС, пневматический клапан увеличивает торможение на задней оси. В то время, когда EBS работает исправно, специальный разобщающий клапан перекрывает управляющее пневматическое давление на заднюю ось.
Функции управления тормозами
Управление замедлением / Функция регулятора тормозных сил (РТС)
Управление замедлением служит для адаптации тормозного давления пропорционально усилию,
оказываемому водителем на педаль тормоза. При одинаковом усилии на педали система EBS гарантирует, что величина замедления транспортного средства будет одинаковой, вне зависимости от степени загрузки. Так, например, если тормозные колодки влажные, то система EBS увеличит давление до тех пор, пока не будет достигнуто требуемое тормозное действие. Поэтому не требуется отдельный датчик и клапан загрузки транспортного средства.
Однако, данная функция выполняется только в некоторых пределах. При слишком значительном износе элементов тормозных механизмов контроль замедления ухудшается.
Поэтому водитель должен быть всегда готовым к увеличению тормозного пути.
Кроме того, управление замедлением гарантирует уменьшение влияния гистерезиса. Каждый раз при
отпускании педали тормоза программа выбирает такую степень торможения, чтобы тормозная сила
соответствовала требованиям водителя.
Распределение тормозных сил
Во время торможения распределение тормозных сил между передней и задней осью зависит, кроме всего прочего, от сравнения между фактическим и номинальным замедлением, проводимого программой ”Управление замедлением”. Замедленное торможение определяется через изменение скорости вращения колес. Оценка сигналов датчиков показывает точное значение проскальзывания и, следовательно, удельное тормозную усилие для каждой оси. Если проскальзывания различные, значит одна ось имеет большую удельное тормозную усилие относительно другой оси. В результате
эта тормозные механизмы этой оси будут иметь больший износ. Используя дифференциальный контроль проскальзывания, система EBS регулирует давление в передней и задней оси для оптимального распределения тормозных сил.
Контроль износа тормозных колодок
Система EBS получает наиболее точную информацию о степени износа элементов тормозных механизмов от аналоговых датчиков. Функция контроля состояния тормозных колодок не оказывает критического воздействия при торможении и только определяет различие в степени износа колодок передней и задней осей. В этом случае тормозное давление в механизмах оси с большим износом уменьшается, а с меньшим износом пропорционально увеличивается на одинаковую величину до 0,5 бар. Таким образом, износ колодок регулируется без участия водителя.
В случае, если на транспортном средстве предусмотрены не датчики износа, а индикаторы износа, то система EBS может обеспечить только электронный контроль износа.
Правильное комбинирование тормозных систем (постоянная интеграция тормозов)
Система EBS обеспечивает правильное применение и комбинирование доступных тормозных устройств. Это означает, что такие устройства как ретардер, или горный тормоз обеспечивают максимально возможное замедление транспортного средства. Таким образом, исключается перегрев тормозов и снижение износа тормозных колодок, барабанов и дисков.
Экстренное торможение
Когда водитель нажимает педаль тормоза «в пол», система распознает экстренное торможение и в
тормозных цилиндрах создается максимальное давление.
Выключается режим экстренного торможения только когда водитель отпустит педаль тормоза.
Противооткатная система (ARB)
Противооткатная система помогает водителю начать движение стоящего на подъеме автомобиля,
предотвращая его движение назад. Водитель может активировать данную функцию слегка нажав на педаль тормоза. При этом система EBS будет продолжать удерживать давление в тормозных механизмах.
Данная функция может быть включена или выключена с помощью выключателя ARB.
Системы EBS для автобусов имеют расширенные возможности противооткатной системы с функцией
«остановка».
Контроль тяги двигателя
Контроль тяги осуществляется изменением подачи топлива в двигатель. Результирующий тормозной момент, возникающий на ведущем колесе при буксовании, может привести к его блокировке и потери управляемости.
Контроль тяги двигателя предотвращает подобную ситуацию. При возникновении блокировки, крутящий момент двигателя увеличивается, а тормозной момент на данном колесе уменьшается, в соответствии со скоростью вращения колеса. Функция управления тягой двигателя перестанет работать, как только прекратится скольжение ведущих колес.
Встроенная антиблокировочная функция (ABS)
Антиблокировочная система (ABS) встроена в EBS.
Индуктивные датчики измеряют скорость вращения каждого колеса, чтобы заранее определить момент
блокировки. Система EBS может с помощью магнитного клапана ABS соответственно уменьшать, увеличивать или удерживать на одном уровне давление воздуха в тормозных цилиндрах передней оси. Осевой модулятор выполняет туже самую задачу на задней оси в соответствии с заложенным в блоке управления алгоритмом работы.
Единственная проблема которая может происходить с транспортными средствами, оборудованными системой ABS, – отклонение от прямолинейного движения во время торможения при очень большой разнице сцеплений с дорогой между правыми и левыми колесами. На таком участке транспортное средство становится неуправляемым или трудно управляемым из-за большой разницы тормозных сил. Учитывая, что задние колеса имеют индивидуальное регулирование каждого колеса (IR), передние колеса имеют как правило взаимозависимое регулирование (MIR). Разница давлений при этом типе управления возможно только в некоторых точках. Таким образом, колеса на стороне с низким коэффициентом сцепления не блокируются и транспортное средство сохраняет управляемость.
При длительном торможении имеет место тенденция блокировки ведущих колес с потерей устойчивости движения транспортного средства по дороге с низким коэффициентом сцепления, в этом случае система может быть выключена через шину транспортного средства, что обеспечит необходимую стабильность движения.
На транспортных средствах с 3 и 4 осями, имеющих конфигурацию системы 4S/4M, для колес не имеющих датчиков применяется косвенное регулирование по бортам.
Встроенная функция противобуксовки ведущих колес (ASR)
Если от двигателя на ведущие колеса передается больший момент, чем их коэффициент сцепления с поверхностью дороги, то может возникнуть пробуксовка колес. Функция ASR распознает момент пробуксовки и подает сигнал блоку управления двигателем на уменьшение его тяги.
Такое действие выполняется только когда пробуксовывают оба колеса ведущего моста. Если
возникает пробуксовка только одного колеса, то система ASR может с помощью модулятора оси притормозить это колесо. При срабатывании системы на панели приборов загорается сигнальный индикатор.
Управление прицепом
Управление прицепом выполняется так же, как и тягачом, электрическими сигналами через стандартный интерфейс (ISO 11992) или же может использоваться пневматическое управление с помощью электропневматического клапана прицепа. Для снижения стоимости системы датчик усилия
в сцепке не используется. В начале торможения тормозной коэффициент буксируемого прицепа
выбирается из середины EC диапазона. При синхронном торможении никаких усилий в сцепке автопоезда не возникает. Если ситуация отличается от указанной выше, то это распознается функцией управления замедлением электронного блока управления и давление в тормозной системе прицепа изменяется соответствующим образом.
Возможные изменения давления в тормозной системе прицепа могут быть сделаны в блоке прицепа.
Предварительное давление в линии управления (желтого цвета) прицепа в начале торможения составляет примерно 2 бар. Это значение давления удерживается в системе короткое время так, чтобы тормозные колодки как можно быстрее вступили в работу, после чего система EBS корректирует тормозное давление в согласно требуемому замедлению.
Такой подход позволяет решить большинство проблем, известных на сегодняшний момент.
Компания WABCO принимает участие в разработке и стандартизации интерфейса прицепов транспортных средств (ISO 11992).
Резервные функции
Определение номинального значения торможения Ход педали тормоза преобразуется специальными
датчиками в тормозном кране в электрический сигнал, который подается на блок EBS, который рассчитывает соответствующее значение замедления.
Управление тормозным давлением по осям и управление прицепом.
Расчет номинального давления в трех контурах: переднего моста, заднего моста и тормозной системы прицепа. Для улучшения параметров регулирования давления применяются электромагнитные клапаны.
Это не относится к случае, когда используются осевые модуляторы 2-ого и 3-его поколения с
магнитными клапанами, работающими в импульсном режиме.
Измерение скорости вращения колеса и регулировка
Измерение скорости вращения колес необходимо для правильной работы системы ABS. Регулировка под
размер данных колес выполняется автоматически, исходя из номинальных размеров колес и расчетных длин окружностей колес разных осей. Установка недопустимых комбинаций размерностей колес определяется как ошибка.
После установки колес с другими типоразмерами или изменения допустимой нагрузки на ось транспортного средства, требуется повторная параметризация тормозной системы. В этом случае
проконсультируйтесь с изготовителем транспортного средства.
Обзор вариантов системы
Компания WABCO, начиная с 1996 года, непрерывно развивает и модернизирует системы EBS. На следующих схемах показаны различные версии системы и различия между ними. Согласно производителям транспортных средств показаны следующие различия между системами и их версиями:
• конфигурации систем от 4S/3M до 6S/6M
• реализации разобщающих функций
• алгоритмы управления прицепом
• электронные интерфейсы
• принципы работы ABS
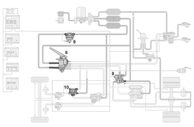
[A] EBS 1A / EPB, для грузовиков

[A] EBS 1A (для Daimler Chrysler: EPB)
Для грузовиков, с 1996 по 2000 гг.
Компания WABCO начала производство EBS с этой системы совместно с компанией Daimler Chrysler в
1996 году.
Система имеет тормозной кран (6) с пятью пневматическими подсоединениями и разобщающий
клапан (8) так же с пятью подсоединениями. В более поздних версиях количество пневматических связей было уменьшено, поскольку между тормозным краном и разобщающим клапаном не стало
отдельной линией сжатого воздуха.
В отличие от систем других производителей, обмен данными в этой системе выполняется по шине
стандарта IES корпорации Daimler Chrysler.
Описание
- (1) Центральный электронный блок управления EBS,
- (2) Кран управления тормозной системой прицепа,
- (3) Модулятор оси,
- (4) Пропорциональный ускорительный клапана,
- (5) Магнитный клапан ABS,
- (6) Тормозной кран,
- (7) Ускорительный клапан,
- (8) Разобщающий клапан задней оси
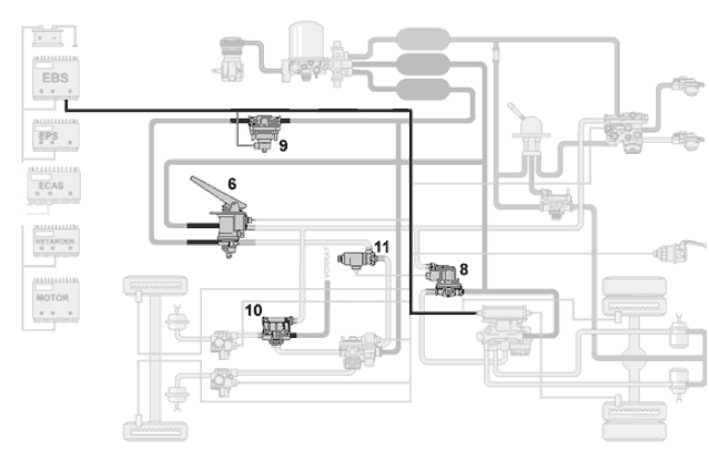
[B] EBS 1A / 1B для автопоездов

[B] EBS 1A (для Daimler Chrysler: EPB)
Для автопоездов, с 1996 по 2000 гг.
В систему для автопоездов компании Daimler Chrysler были добавлены два специальных клапанаю. Клапан ограничения давления (9), предотвращающий блокировку колес переднего моста при движении без груза и дополнительный тормозной клапан (10) обеспечивающий минимальные тормозные характеристики при неисправности контура передней оси.
В отличие от систем других производителей, обмен данными в этой системе выполняется по шине
стандарта IES корпорации Daimler Chrysler.
Устройство других систем аналогично версии для грузовиков (см [A]).
[C] EBS 1B (для Daimler Chrysler: EPB)
Для автопоездов, с 2001 по 2004 гг..
Начиная с 2001 года вместе с корпорацией Daimler Chrysler была внедрена новая версия системы EBS
со встроенной функцией управления устойчивостью ESC (см [M]) Шина имеет скорость обмена 500 Кбит/с.
В специальной версии для транспортных средств Daimler применена шина стандарта IES.
[D] Euro EBS для грузовиков

[D] Euro EBS / EBS 1B (для DAF, Iveco)
Для грузовиков, с 2000 по 2004 гг.
На рисунке 4 показана схема первой значительной модернизации EBS. В системе Euro EBS тормозной
кран (6) имеет только две пневматические линии управления, а разобщающий клапан имеет только
одно пневматическое подсоединение линии управления. В отличие от предыдущих версий для
Daimler Chrysler, применяется шина обмена данных стандарта SAE. Шина имеет скорость обмена 500
Кбит/с.
Электронная система управления устойчивостью ESC (см. [M]) не применялась.
[E] EBS 1B для Actros MP II

[E] EBS 1B для Daimler Chrysler Actros MP II
Для грузовиков и автопоездов, начиная с 2004 года
В этой версии системы специально для Actros MPII применен тормозной кран с двумя пневматическими
линиями управления. Клапан ограничения давления (9) предотвращает блокировку колес переднего
моста при движении без груза. Дополнительный тормозной клапан (10) обеспечивает минимальные
тормозные характеристики при неисправности контура передней оси.
Новшество – ускорительный запорный клапан (relay stop valve) (11) в контуре передней оси.
В тормозной системе и для грузовика, и для автопоезда предусмотрен разобщающий клапан задней оси (8), которые имеет только одно пневматическое подсоединение, в отличие от предыдущих версий. Обмен данными производится по шине стандарта IES.
Шина данных, имеющая скорость обмена 500 Кбит/с, автопоезда может быть соединена с блоком
электронной системы управления устойчивостью (ESC) (см. [M]).
[F] EBS Evolution для грузовиков

[F] EBS Evolution / EBS 1C (то есть DAF)
Для грузовиков, начиная с 2004 года
Компания WABCO предлагает версию EBS Evolution, начиная с 2004года, данную версию отличает легкий и компактный модулятор оси (3). Эта система также имеет шину обмена данных со скоростью 500 Кбит/с, соответствующую стандарту SAE.
В системе не предусмотрено никакого разобщающего клапана, установленного на задней оси (8) в версии для автопоездов. Есть возможность подключения блока электронной системы управления устойчивостью ESC (см. [M]).
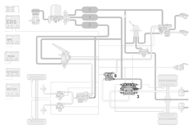
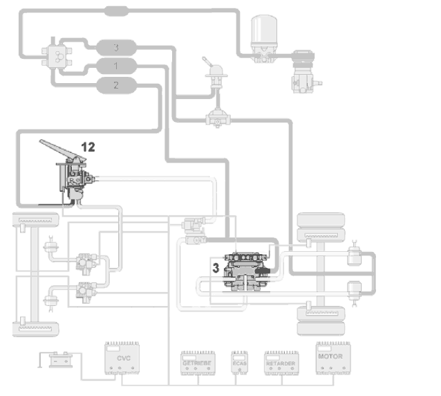
[G] EBS Compact с конфигурацией 4S/3M для грузовиков

[G] EBS Compact / EBS 2A (то есть MAN)
Для грузовиков с конфигурацией системы 4S/3M, начиная с 2005 года
Система EBS Compact также появилась на рынке начиная с 2004 года. В системе применен центральный блок (12) в котором скомбинированы тормозной кран, пропорциональный ускорительный клапан и центральный электронный блок управления. При нажатии на педаль тормоза, центральный блок (CBU) выдает и электрический сигнал, и резервный пневматический сигнал. При нормальном функционировании, тормозное давление в передней оси регулируется электронным регулятором, а линия резервного давления не используется.
В легкую и компактную версию системы, подобно EBS Evolution [F], установливается модулятор оси (3).
В системе не предусмотрено никакого разобщающего клапана, установленного на задней оси (8) в версии для автопоездов.
Модель EBS Compact с конфигурацией 4S/3M предназначена для легких грузовиков и автопоездов.
Тормозное давление регулируется центральным блоком CBU (12) одновременно в обоих передних
тормозных механизмах. Поэтому в переднем контуре (5) отсутствуют магнитные клапаны ABS.
Система имеет шину обмена данных, соответствующую стандарту SAE.
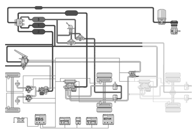
[H] EBS Compact с конфигурацией 4S/4M для грузовиков

[H] EBS Compact / EBS 2A (то есть Iveco)
Для грузовиков с конфигурацией системы 4S/4M, начиная с 2004 года
Система аналогична модели с конфигурацией 4S/3M (см. [G]). В переднем контуре (5) предусмотрено два магнитных клапана ABS. Эти клапаны при работе системы ABS управляют тормозным давлением в
колесах передней оси независимо друг от друга.
Система имеет шину обмена данных, соответствующую стандарту SAE.
В системе не предусмотрено никакого разобщающего клапана, установленного на задней оси (8) в версии для автопоездов.
EBS Compact в конфигурации 4S/4M может дополнительно комплектоваться электронной системой управления устойчивостью ESC (см. [M]).
[I] EBS 1B для автобусов

[I] EBS 1B / Euro EBS для автобусов
2000 - 2007 гг. (например, EvoBus, Neoplan, Solaris)
На рис. показана схема EBS для автобусов с конфигурацией 4S/4M или 6S/6M. Ее конструкция
такая же как и у других транспортных средств, но без крана управления тормозной системой прицепа.
Кроме этого, к этой системе может быть подключена система ESC (см. [M]). В зависимости от требований заказчика, шина данных может соответствовать стандарту SAE или IES
В системе EBS с конфигурацией 6S/6M для трехосных или шарнирно-сочлененных автобусов
устанавливается два модулятора.
[K] EBS Evolution / EBS 1c для автобусов
После 2007 г. (например, EvoBus, Neoplan, Solaris)
Конструкция этой новой версии EBS аналогична предыдущей [I] модели. Вместо модулятора оси
первого поколения, будет устанавливаться новый модулятор 2 поколения.
А вместо разобщающего клапана может быть установлен 3/2 пневмораспределитель. В зависимости от требований заказчика, шина данных может соответствовать стандарту SAE или IES.
Скорость обмена данными составляет 500 Кбит/с.
Также может быть подключена электронная система управления устойчивостью ESC (см. [M]).
[L] EBS Compact для автобусов

[L] EBS Compact для автобусов
Начиная с 2004 года (например, NEOMAN)
Система EBS Compact также появилась на рынке начиная с 2004 года. В системе применен центральный блок (12) в котором скомбинированы тормозной кран, пропорциональный ускорительный клапан и центральный электронный блок управления. При нажатии на педаль тормоза, центральный блок (CBU) выдает и электрический сигнал, и резервный пневматический сигнал. При нормальном функционировании, тормозное давление в передней оси регулируется электронным регулятором, а линия резервного давления не используется.
В легкую и компактную версию системы, подобно EBS Evolution [K], установливается модулятор оси
(3). В зависимости от требований заказчика, шина данных может соответствовать стандарту SAE или
IES
А вместо разобщающего клапана может быть установлен 3/2 пневмораспределитель. Скорость
передачи данных по шине составляет 500 Кбит/с, также может быть подключена электронная система
управления устойчивостью ESC (см. [M]).
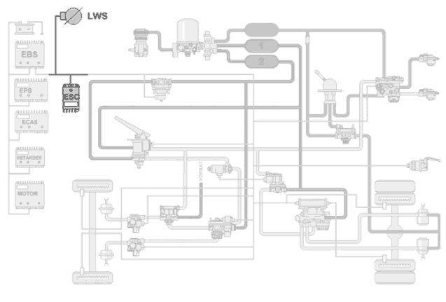
[M] Электронная система управления устойчивостью ESC

[M] ESC в качестве дополнительной принадлежности
Электронная система управления устойчивостью ESC может быть подключена к некоторым системам
в качестве дополнительной принадлежности. Для этого необходимо подключить к шине датчик угла
поворота рулевого колеса (LWS) и электронный блок управления ESC.
Подробная информация относительно системы ESC приводится в разделе 3 "Электронная система
управления устойчивостью ESC".
Модернизация ESC в настоящее время невозможно.
EBS для автобусов
После того как системы EBS компании WABCO заняли место в коммерческих транспортных средствах, настало время и автобусов. Конструктивно система остается такой же. Отношение массы загруженного транспортного средства к его собственной массе у автобусов более низкое, чем грузовиков и автопоездов. Поэтому у автобусов давление в запасной системе поддерживается в соотношении 1:1, а не уменьшено до 2:1, как у грузовиков и автопоездов.
В тех системах, где используются модуляторы осей второго поколения, вместо разобщающего клапана может быть использован 3/2 пневмораспределитель, поскольку в этих модуляторах уже предусмотрена переключающая функция.
Система EBS на трехосных или шарнирно-сочлененных автобусах реализуется на двух модуляторах осей.
Кроме обычных функций регулирования торможения, система EBS учитывает поведение во время торможения автобусов. Просто противооткатная система в варианте для автобусов заменена на “тормоз на остановках”.
Тормоз на остановках (остановочный тормоз автобуса)
Как только водитель автобуса активизирует тормоз на остановках или включает управление дверьми, по шине CAN посылается команда “работа тормоз на остановках” или от выключателя “тормоз на остановках” электронному блоку EBS. При этом в тормозной системе устанавливается давление примерно 2 бар.
С помощью пропорционального ускорительного клапана и модулятора(ов) оси(ей) тормозные давления
удерживаются в цилиндрах передней и задней осей в соответствии с тормозным давлением. На некоторых транспортных средствах герметизируются только тормозные цилиндры ведущих колес.
При выключении “тормоз на остановках” соответствующим выключателем или по сигналу блока управления дверьми и последующем нажатии педали газа, электронный блок EBS подает сигнал на отмену команды ”тормоз на остановках”.