Автономные отопители Webasto
DBW 2010 / DBW 2012 / DBW 2020 / DBW 300 / DBW 350
ОБЩЕЕ ОПИСАНИЕ
Водяной нагревательный прибор имеет теплоноситель (15) и поворотную форсунку, форсунка
может быть повернута на выбор на две стороны и, тем самым, приспособлена к условиям монтажа. В откинутом состоянии легко доступны для обслуживания топливный насос (20), магнитный вентиль (6), поджигающие электроды (10), реле контроля пламени (19) и распылительное сопло (11). Стержень служит для установки распылительного сопла, поджигающих электродов и магнитного вентиля. Под съемной защитной крышкой форсунки, которая монтируется в 3-х различных положениях и несет входной патрубок горячего воздуха (22), находится двигатель (2), который через эластичную муфту (4) приводит в движение компрессор горячего воздуха (5) и через зубчатую передачу - топливный насос (20). Компрессор следит за количеством воздуха, необходимого для сжигания горючего, распыляемого форсункой ( 11).
Для смешивания горючего и воздуха служит завихритель (17), вмонтированный в камеру сгорания (16). Смесь воспламеняется высоковольтной искрой зажигания. Сгорание происходит в камере сгорания, помещенной в теплоносителе (15).
Для управления установкой и датчиком искры зажигания (3) служит блок управления (1),
смонтированный на форсунке. Для работы установки необходим циркуляционный насос.

- 1. Блок управления.
- 2. Двигатель.
- 3. Датчик искры зажигания.
- 4. Муфта.
- 5. Нагнетатель горячего воздуха.
- 6. Магнитный вентиль.
- 7. Штекер свечи зажигания.
- 8. Водяной патрубок.
- 9. Регулирующий термостат.
- 10. Поджигающие электроды.
- 11. форсунка.
- 12. Термопредохранитель.
- 13. Термостат воздуходувки.
- 14. Ограничитель температуры
- 15. Теплоноситель.
- 16. Камера сгорания.
- 17. Завихритель.
- 18. Выход отработанных газов.
- 19. Реле контроля пламени.
- 20. Топливный насос.
- 21. Линия подачи топлива.
- 22. Вход горячего воздуха с регулированием



- 1. Блок управления.
- 2. Двигатель.
- 3. Датчик искры зажигания.
- 4. Муфта.
- 5. Нагнетатель горячего воздуха.
- 6. Магнитный вентиль.
- 7. Штекер свечи зажигания.
- 8. Водяной патрубок.
- 9. Регулирующий термостат.
- 10. Поджигающие электроды.
- 11. форсунка.
- 12. Термопредохранитель.
- 13. Термостат воздуходувки.
- 14. Ограничитель температуры
- 15. Теплоноситель.
- 16. Камера сгорания.
- 17. Завихритель.
- 18. Выход отработанных газов.
- 19. Реле контроля пламени.
- 20. Топливный насос.
- 21. Линия подачи топлива.
- 22. Вход горячего воздуха с регулированием
ОПИСАНИЕ РАБОТЫ
Электрический процесс
Включение нагревательного прибора (пуск)
Блок управления подключен к напряжению через клеммы В2 и В4. Замыканием S1 и S3 положительное питающее напряжение попадает с батареи через F3 и клемму В1 на схему безопасности с защитой от минимального напряжения КЗ.
Предположив, что минимальное напряжение на защите превышает 9 ± 0,5В или 18± 1В, используют реле КЗ и имеют:
а)минусовое разделительное реле К1 и, тем самым, циркуляционный насос Ml (он работает в течение всего времени включения прибора,включая перерывы на регулирование).
б)лампочка Н1.
в)плюс на регулирующем термостате 5 или 12.
Термостат 5 или 12 замкнут.
Положительное управляющее напряжение достигает через клемму С7 схемы сопровождения К2, пуска и реле контроля пламени К4, ат ак же реле К5 для магнитного вентиля Y1.
Пуск
К2 подключает двигатель нагревательного прибора М2. За время пуска 10...25 с устанавливается давление на магнитном вентиле 1 и подается воздух через нагнетатель.
Окончание пуска
После окончания пуска К4 включает датчик искры зажигания и реле К5. К5 включает магнитный вентиль Y1, предполагая, что при наличии ограничителя температуры 8 он замкнут. Одновременно через К4 введена задержка времени 5...15с.
Процесс горения
Если за время блокировки возникает пламя, реле контроля пламени становится "светлым" (низкоомным), К4 отпадает. Задержка времени прекращается и датчик искры зажигания 4 отключается. Этот процесс занимает максимум полсекунды.
Процесс горения непрерывно продолжается без высоковольтной искры зажигания.
Регулировочный термостат открыт
С достижением верхнего предела температуры термостатом 5 или 12 положительное напряжение попадает на клемму С7. Тем самым, через К2 получают выбег 120...180 с. Одновременно обесточивается К5.
К5 отпадает и магнитный вентиль замыкается. Пламя гаснет. К2 остается на самоудержании на время выбега 120...180 с.
В течение времени выбега камера сгорания омывается воздухом и охлаждается.
Через 120...180 с К2 отпадает и двигатель прибора останавливается, циркуляционный насос работает.
Отключение нагревательного прибора
После размыкания выключателя S1 или S3 управляющее напряжение на клемме В1 отсутствует.
КЗ перестает быть под напряжением и К5 отпадает. Магнитный вентиль замыкается. К2 остается на самоудержании на время выбега. В течение этого времени минусовое разделительное реле остается под напряжением.
Циркуляционный насос и двигатель прибора продолжают работать. После окончания времени выбега К1 и К2 отпадают. Выбег окончен, прибор выключен.
Выключение при помехах через термопредохранитель
Если регулировочный термостат 5 или 12, а так же ограничитель температуры 8 (если он есть) не должны быть отключены, то срабатывает термопредохранитель F1. Он прерывает положительное напряжение к магнитному вентилю. магнитный вентиль замыкается.
Пламя гаснет. К4 притягивается и включает датчик искры зажигания. Так как не происходит образование пламени - реле реагирует "темным" (высокоомным) - - схема безопасности после истечения выдержки времени блокируется, КЗ отпадает. Н1 гаснет. К4 и К5 отпадают.
К2 находится на самоудержании на время выбега 120...180 с. В течение этого времени разделительное реле К1 остается под напряжением. Циркуляционный насос и двигатель нагревательного прибора работают. Камера сгорания омывается воздухом и охлаждается. После окончания времени выбега К2 и К1 отпадают.
Прибор не запускается и при попытке пуска не срабатывает
Если за 5...15 с не появляется пламя и реле контроля пламени реагирует более 5...15с "темным" (высокоомным), то КЗ отпадает. Тоже самое происходит, если не достигается минимальное напряжение 9 ± 0,5В или 18± 1В.
Защита от минимального напряжения
Если напряжение на входе В1 снижается во время работы ниже 9 ±0,5В или 1 8 ± 1В , то постепенно отпадает реле КЗ схемы безопасности. Н1 гаснет. К5 оказывается без напряжения.
Указание: Защита от минимального напряжения отключает прибор при слишком низком напряжении, благодаря чему препятствуется появление недопустимо высоких количеств вредных веществ в отработанном газе или помех в самом приборе. Но это защита прибора, а не батареи.
Реле контроля пламени отключается
Отключение реле вызывает такой же процесс, как и минимальное напряжение.
Подавление помех
После того как устранена причина помех, разблокирование может происходить отключением прибора через S1 или S5.
ЭЛЕКТРИЧЕСКИЕ СХЕМЫ
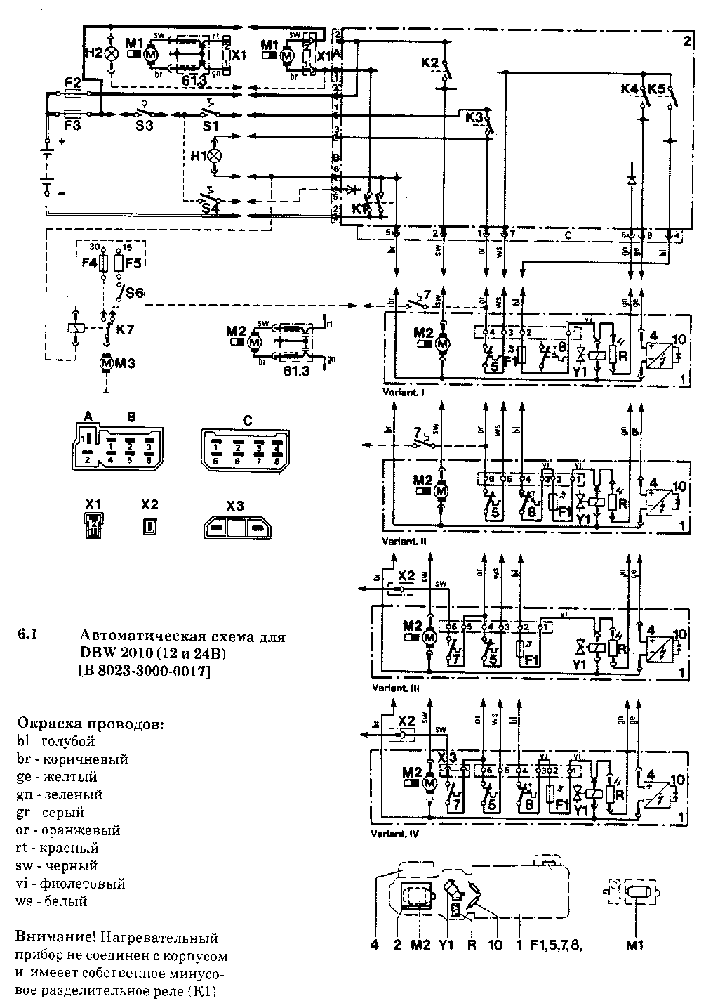
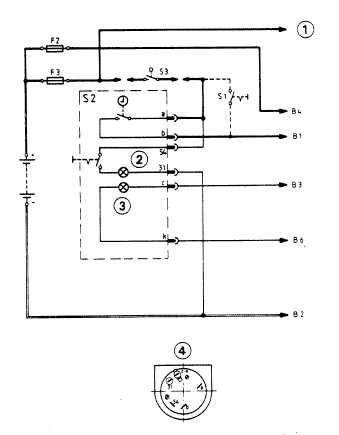
Автоматическая схема для DBW 2010 (12 и 24В)
Окраска проводов :
- Ы- голубой
- Ьг - коричневый
- ge - желтый
- gn - зеленый
- gr - серый
- or - оранжевый
- rt - красный
- sw - черный
- vi - фиолетовый
- ws - белый
Внимание! Нагревательный прибор не соединен с корпусом и имееет собственное минусовое
разделительное реле (К1)
Работа с выбором времени и выключателем батарей.

Нагревательный прибор принудительно отключается при размыкании батарейного выключателя, при
этом обеспечивается выбег.
При открытом выключателе невозможен выбор времени (временная селекция), однако сохраняется
регулирование времени.
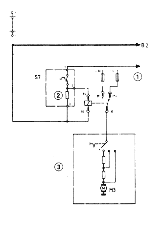
Пример использования DBW 2010: выбор времени таймером (цифровым)

- 1 к двигателю Ml
- 2 освещение обозначений
- 3 LED (зеленый) индикация работы
87-таймер цифровой для преселективного режима
При открытом выключателе S3, если таковой имеется, режим нагрева невозможен.
Преселективное время: макс. 23ч. 59мин.
С таймером S7 возможен постоянный режим. Длительность включения, однако, зависит от соединения N9:
- если на N9 нет положительного потенциала: длительность включения макс. 59 мин.
- если на N9 есть положительный потенциал: длительность включения не ограничена.
- если во время режима нагрева положит, потенциал удаляется от N9, то дальнешая продолжительность нагрева зависит от предыдущего времени работы. Если предыдущая продолжительность включения была меньше часа, то прибор остается включенным вплоть до истечения часа. Если больше часа, то происходит мгновенное отключение.
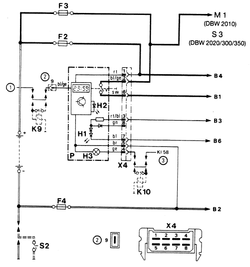
Пример использования DBW 2010
Предварительный выбор времени таймером и главный батарейный выклюатель.

- 1 к двигателю Ml
- 2 освещение обозначений
- 3 LED (зеленый) индикация работы
- 4 главный выключатель батареи
Нагревательный прибор принудительно отключается при выключении главного батарейного
выключателя, при этом обеспечивается выбег.
При открытом выключателе невозможен предварительный выбор времени, но сохраняется
регулирование времени.
F2 и F4 должны быть расположены как можно ближе к батарее. Преселективное время: макс.
23 ч. 59 мин. С таймером S7 возможен непрерывный режим. Длительность включения зависит при этом от соединения N9:
- если на N9 нет положительного потенциала: длительность включения составляет макс. 59 мин.;
- если он есть: длительность не ограничена;
- если во время нагрева положительный потенциал снимается с N9, то дальнейшая продолжительность нагрева зависит от предыдущего времени работы. Если оно было меньше часа, то нагревательный прибор остается включенным в течение часа. Если больше часа, то происходит мгновенное отключение.
Пример использования DBW 2010: предварительный выбор времени часовым реле
S2 часовое реле для преселективного режима

- 1 к двигателю M1
- 3 работа (зеленый)
- 2 освещение
- 4 вид сзади и схема подключения часов
Пример использования DBW 2010: нагнетатель, управляемый термостатом для помещений.
С этой схемой можно управлять через термостат поз. S7 воздуходувкой и дополнительным реле.
Включение осуществлено через термостат нагнетателя в нагревательном приборе.
Соединение 3 термостата целесообразно в том случае, если сопротивление термической обратной связи согласовано с напряжением (машины).

- 1 к термостату нагнетателя
- 2 сопротивление для термической обратной связи
- 3 имеется нагрев со стороны машины
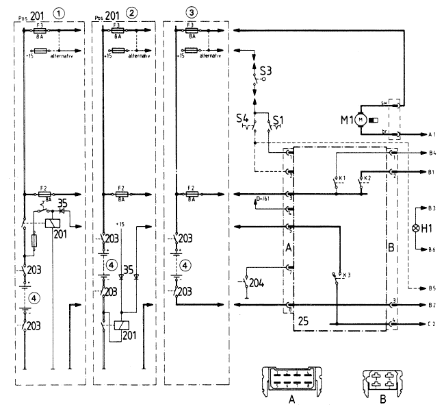
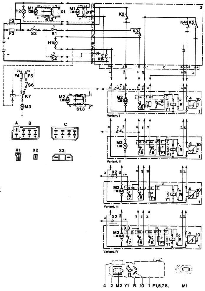
Автоматическая схема для DBW 2012 (12 и 24В)
Пример использования DBW 2012: схема для транспортных средств согласно TRS (транспорт для перевозки опасных грузов) (в сочетании с автоматической схемой В8023-3000-0017)
Схема соответствует техническим рекомендациям GGVS, требования к электрооборудованию
согласно TRS 002 и TRS 003.
Нагревательный прибор может быть включен и выключен выключателем S1. Он автоматически выключается с выбегом 20 с, если:
останавливается тяговый двигатель (D + /61 - соединение А4 - остается без напряжения), вводится в действие система подачи (контакт 204 замыкается. Этот контакт должен устанавливаться так, что при вводе в работу системы подачи он замыкает свой контакт).
Если есть главный батарейный выключатель, то при его срабатывании нагревательный прибор должен автоматически отключаться (соединение +15).
Разъединительный выключатель поз.203 может сработать тольков случае опасности, так как иначе нагревательный прибор отключается без выбега и повреждается.
В соответствии с рекомендациями до повторного ввода в действие выключатель S1 нужно поставить на "Выкл."
С помощью выключателя S4 циркуляционный насос может работать отдельно, пока S3 закрыт.

- b l - голубой
- gn - зеленый
- rt - красный
- br - коричневый
- gr - серый
- sw - черный
- ge - желтый
- or - оранжевый
- vi - фиолетовый
- ws - белый
Вся информация доступна только подписчикам
