Экскаватор одноковшовый ЭО-3323A
(электрические, гидравлические схемы и инструкции по ремонту)

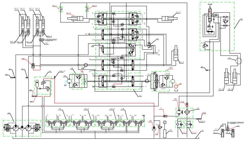
Принципиальная гидравлическая схема
А1 Коллектор центральный ЭО-3323.73.85.000
А2 Механизм рулевой НДМ-80-250-12.5-У ТУ 235785851-91
А3 Маслоохладитель 318-00-80.03.700
А4 Блок переливных клапанов ЭО-3323А.08.07.400
А5 Кран запорный ЭО-3323А.08.07.500
А6.1-А6.2 Блок плавающего положения стрелы ЭО-3323А.08.07.300
АК Пневмогидроаккумулятор 64001.00.000
Б Гидробак ЭО-3323.08.08.000
БК Блок переливных клапанов с ПОУ У4620.41.00.000
ВН1.1-ВН1.2 Включатель манометра ЭО-3323.01.82.680
ВН2.1-ВН2.2 Включатель манометра ЭО-3323А.23.02.260
ДТ Датчик температуры ТМ100А с указателем температуры УК-133-М
ЗМ1.1-ЗМ1.4 Гидрозамок 13.71.80.610/620
КО1 Клапан обратный ЭО-3323А.08.07.960
ДР Дроссель ЭО-3323.01.82.700
М1 Гидромотор аксиальнопоршневой 3102.112
М2 Гидромотор аксиальнопоршневой 3102.56
М3 Гидромотор аксиальнопоршневой ДЭЦ2.957 или 210.12
МН1 Манометр МП3-60 Мпах1.5 черт. 1 ТУ25.02.943-74
МН2 Манометр масляный с демпфером МТ3-60-100 ГОСТ 8625-77
МН3 Манометр масляный с демпфером МТ3-60-160 ГОСТ 8625-77
МН4 Манометр масляный с демпфером МТ3-60-10 ГОСТ 8625-77
НА Насосный агрегат 333.3.56.000.660
Р1 Гидрораспределитель 3323-520.00ГР
Р2 Блок управления 13.80.04.700
Р3.1-Р3.2 Блок управления 13.80.04.600
Р4 Блок управления 13.80.04.750
Р5 Клапан пневмогидравлический ЭО-3322Б.60.05.000
Р6 Гидрораспределитель ЭО-3323А.07.21.010
Ф1.1-Ф1.2 Фильтр встроенный ЭО-3323А.01.84.300
Ц1.1 Гидроцилиндр стрелы (140х90х920) 313-00-23.90/91.000
Ц1.2 Гидроцилиндр рукояти (125х80х1000) 34.64.00.800 или (140х90х1000) 34.64.00.900
Ц1.3 Гидроцилиндр ковша (125х80х1000) 34.64.00.800
Ц2.1-Ц2.2 Гидроцилиндр выносных опор (100х63х400) 08.20.77.000
Ц3.1-Ц3.2 Гидроцилиндр отвала (100х63х280) 13.20.67.000
Ц4.1 Гидроцилиндр поворота колес правый ЭО-3323.71.80.300
Ц4.2 Гидроцилиндр поворота колес левый ЭО-3323.71.80.400
Ц5.1-Ц5.2 Гидростабилизатор ЭО-3326.70.70.100
НШ Насос шестеренчатый НШ-10-3 ГОСТ 8753-80
ЗМ2 Гидрозамок 318-00-73.80.080
К Клапан подпорный ЭО-3323.08.07.220
К1 Клапан предохранительный ВГ 5432М

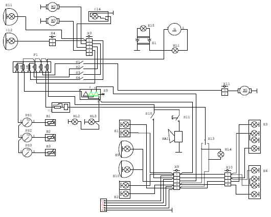
Электрическая схема экскаватора, оборудованного двигателем Д-240Л или Д-243Л
G - генератор;
М1 - электродвигатель отопителя;
М2 - вентилятор;
М3 - стеклоочиститель;
Х1 - розетка;
Х3, Х4, Х9, Х10, Х11 - панели соединительные;
F1 - блок предохранителей;
К1 - реле-прерыватель;
HL1, HL2, HL3, HL4 - фонари контрольных ламп;
S1...S4, S10, S11, S13 - включатели;
S5 - включатель фар и габаритных огней;
В1 - датчик температуры воды;
В2 - датчик температуры масла;
В3 - датчик давления
масла в двигателе;
PS1 - указатель температуры воды;
PS2 - указатель температуры масла;
PS3 - указатель давления масла в двигателе;
Е1, Е2 - фонари передние;
Е3, Е6 - указатели поворота;
Е9...Е12 - фары;
Е14 - плафон;
Е15 - лампа переносная;
НА1 - сигнал звуковой

Электрическая схема экскаватора, оборудованного двигателем Д-240 или Д-243
G - генератор;
М1 - электродвигатель отопителя;
М2 - вентилятор;
М3 - стеклоочиститель;
Х1 - розетка;
Х3, Х4, Х9, Х10, Х11 - панели соединительные;
F1 - блок предохранителей;
К1 - реле-прерыватель;
HL1, HL2, HL3, HL4 - фонари контрольных ламп;
S1...S4, S10, S11, S13 - включатели;
S5 - включатель фар и габаритных огней;
В1 - датчик температуры воды;
В2 - датчик температуры масла;
В3 - датчик давления масла в двигателе;
PS1 - указатель температуры воды;
PS2 - указатель температуры масла;
PS3 - указатель давления масла в двигателе;
Е1, Е2 - фонари передние;
Е3, Е6 - указатели поворота;
Е9...Е12 - фары;
Е14 - плафон;
Е15 - лампа переносная;
НА1 - сигнал звуковой;
М4 - стартер;
G2 - аккумуляторная батарея;
К2 - реле стартера;
А - амперметр;
S8, S9 - включатели.
Вся информация в