Тренинг персонала RENAULT TRUCKS (SUPER H)
КП сприводом OPTIDRIVER 2

ЭВОЛЮЦИОННОЕ РАЗВИТИЕ КОРОБОК ПЕРЕДАЧ
SUPER Н
С ПРИВОДОМ OPTIDRIVER 2
НОВЫЕ ОБОЗНАЧЕНИЯ КОРОБОК ПЕРЕДАЧ
Список КП
Механические коробки передач семейства ZF-ECOSPLIT в новом автомобиле «Премиум» обозначаются иначе и будут теперь серийно оснащаться управлением по схеме «супер-Н».

Расшифровка обозначений
- 16 Количество передач
- S Механическая, синхронизированная
- 16,18,19,22 Момент x 100 Нм
- 2 Новая КП Ecosplit
- 0 без замедлителя Intarder
- 1 с замедлителем Intarder
- T Trucks (грузовики)
- D Прямое зацепление
- O Over Drive овер-драйв
Принцип
• Управление КП по схеме Super H заключается в том, что передачи с 5 по 8-ю как бы накладываются на передачи с 1 по 4.
• Два электромагнитных клапана запрещают переключение передач в зависимости от скорости автомобиля (учет скорости на выходе КП):
— Блокировка синхронизатора редуктора, позволяющая избежать перехода с повышенного диапазона на пониженный при слишком высокой скорости.
— Защитная блокировка канала, позволяющая избежать переключения с 3й или 4й на 1 ю или 2ю
— Защитная блокировка канала, позволяющая избежать переключения с 7й или 8й на 5ю или 6ю
• Ход вилки выбора передач: 8 см вместо 12
• Расстоянием между передачами увеличено до 4 см вместо 3
• Предварительный выбор положения переднего делителя и заднего редуктора на головке рычага переключения передач

• EUROЗ PREMIUM/MAGNUM
• «Удовлетворительная» эргономика
• Нет ограничения сверхоборотов в случае ошибки водителя.

Основные комплектующие

Пневматические отверстия

Внутренний вид

Блокировки
Для примера: пороговые величины для коробки передач Ecosplit Over Drive


Предварительный выбор водителя: редуктор малых передач


Преселекция водителя: редуктор малых передач





ЭЛЕКТРИЧЕСКИЕ СХЕМЫ БЛОКА EMS
Узел разъема А

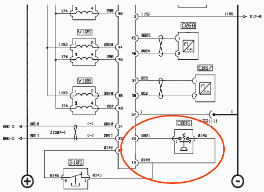
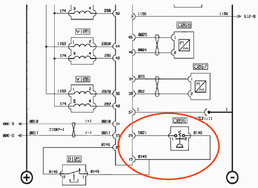
С096: Выключатель сигнала давления, преселекция редуктора нижней шкалы передач
Узел разъема В

V053: Электроклапан предохранительной блокировки канала
КОНТРОЛЬ ПРЕДОХРАНИТЕЛЬНЫХ БЛОКИРОВОК
Блокировка канала 1/2
• Включить 2-ю передачу, передний демультипликатор в положении верхней шкалы, режим двигателя 2000 об/мин.
> Не должно быть возможным переключиться с 3-й передачу на 2-ю (можно включить только 4-ю), доступ к каналу 1-2 перекрыт
• Установить 3-ю передачу с демультипликатором в положении верхней шкалы и режимом двигателя 1500 об/мин.
> Переключиться с 3-й передачу на 2-ю должно быггь возможным.
Блокировка канала 1/2
• Включить 5-ю передачу, передний демультипликатор в положении верхней шкалы , режим двигателя 1700 об/мин.
> Установить редуктор на нижний диапазон, перевести рычаг передач в нейтральное положение
> Рычаг переключения передач должен автоматически перескочить в канал 7-й/8-й, а редуктор не должен переключаться на нижний диапазон.
> Понизить скорость автомобиля на 5—10 км/ч.
> Редуктор должен включиться (должен быггь слышен щелчок срабатывания реле) в малом диапазоне, и должна быть возможность включения 4-й передачи.
Блокировка канала 5/6
ВНИМАНИЕ! ЭТО СЛЕДУЕТ ВЫПОЛНЯТЬ ТОЛЬКО В ТОМ СЛУЧАЕ, ЕСЛИ УСЛОВИЯ ПОЗВОЛЯЮТ ЕХАТЬ НА ТАКОЙ СКОРОСТИ
• Включить 7-ю передачу, передний демультипликатор в положении верхнего диапазона при режиме двигателя 1800 об/мин.
> Не должно быть возможным переключиться с 7-й передачу на 6-ю (можно включить только 8-ю), доступ к каналу 5-6 перекрыт
• Установить 7-ю передачу с демультипликатором в положении верхней шкалы и режимом двигателя 1500 об/мин.
> Переключение с 7-й передачи на 6-ю должно быть возможным.
В новом PREMIUM 2005 новая подрулевая ручка управления коробкой передач, которая заменяет собой традиционный рычаг передач. Привод КП управляется специальным электронным блоком GSECU (Gear Selector ECU, ЭБУ выбора передач), который теперь используется взамен 2-х электронных блоков, существующих в модели МАГНУМ 2005 — GECU и GLGW.
Поворотные втулки

Использование
Запуск двигателя
Установить селектор на N («нейтраль»), без этого запустить двигатель невозможно Запустить двигатель
Накачать воздух в превмосистемы автомобиля.
Трогание с места
• Переместить поворотную втулку управления из «N» в «D».
• Коробка передач установлена в автоматический режим и включает запрограммированную передачу для трогания с места. В дальнейшем ЭБУ рассчитает оптимальное начальное передаточное отношение в зависимости от нагрузки автомобиля.
• Назать на педаль газа, чтобы включить сцепление и привести автомобиль в движение.
• Передачи коробки передач сменяются автомаьтически и зависят от положения педали акселератора, запросов замедления, от кинематической схемы автомобиля и от двигателя (мощности, крутящего момента), перевозимого груза (нагрузка вычисляется начиная с самых первых перемен передач) и уклона дороги.
Примечания
• При переходе из «N» в «D» во время переднего хода ЭБУ определяет передачу, подходящую для данной скорости движения, и включает сцепление.
• Запрещается обратным ход на нейтральном положении КП («N»).
• Если дверь водителя открывается при положении КП «D», то срабатывает звуковая сигнализация (зуммер) и на дисплее появляется пиктограмма «Retour au neutre» («перевести на нейтраль»), предписывающая водителю вернуть селектор в положение «N»
• При остановке двигателя перевести втулку в положение «N» но при остановленном двигателе КП автоматически переходит в нейтральное положение.
Ручной режим

• Переход из автоматического режима в ручной выполняется смещением ручки вверх (то же самое при обратном переключении).
• Передачи включаются согласно определенной стратегии, а именно:
— 1 нажатие вперед или назад по ходу автомобиля => включение следующей большей или меньшей передачи
— Прохождение через жесткие точки — вперед или назад — обуславливает повышение или, соответственно, понижение на 2 передачи или же, если при этом удерживать ручку управления — на 3 передачи.
Местоположение электронного блока GSECU

Устранение неисправностей:
- Если ручка управления не работает, то перевести КП в нейтральное положение можно, включив стояночный тормоз
- Пусковая передача может быть включена простым снятием с ручного тормоза и нажатием на педаль тормоза.