Модулятор коробки передач AS Tronic DAF XF105
Модулятор коробки передач (D954)
Модулятор коробки передач (2) встроен в кожух коробки передач (1) (для экономии места) и содержит все механические, электрические и пневматические соединения, необходимые для правильного переключения передач.

Модулятор коробки передач должен гарантировать правильное и быстрое переключение передач в
зависимости от текущих условий движения. Управление всеми функциями, необходимыми для выбора и
проверки правильной передачи, осуществляется внутри модулятора коробки передач.
Модулятор коробки передач состоит из следующих компонентов:
- электронный блок (ЭБУ)
- пневматические электромагнитные клапаны и цилиндры зацепления
- датчики движения для определения текущего положения всех цилиндров зацепления
- датчики для проверки температуры коробки передач и модулятора, а также частоты вращения входного вала.
- датчик давления для регулирования подачи воздуха в пневматическую систему
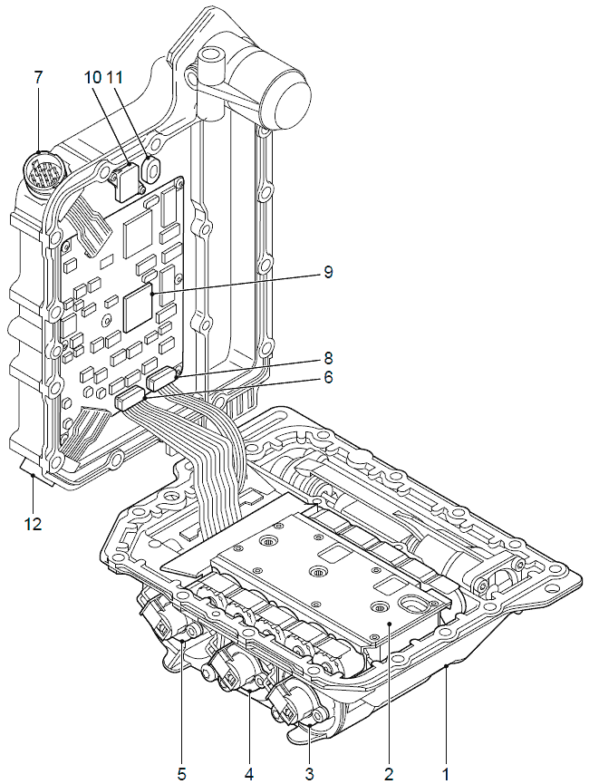
Электронные устройства коробки передач
Встроенные электронные устройства коробки передач (9) расположены в верхней крышке модулятора (1). Электронные устройства служат для включения и управления системой автоматического переключения передач (коробка передач, сцепление, МОМ) в зависимости от условий движения (правильная передача, полностью автоматический режим, условия движения автомобиля).
Управление компонентами, такими как электромагнитные клапаны в блоке электромагнитных клапанов (2), осуществляется с помощью разъемов (6 и 8) и дорожек PCB.

Электромагнитные клапаны и цилиндры зацепления
Механизм переключения передач включается посредством электропневматической системы с помощью десяти отдельных электромагнитных клапанов в блоке электромагнитных клапанов (2).
Один электромагнитный клапан выступает в качестве главного отсечного клапана для подачи воздуха.
Сочетание восьми электромагнитных клапанов гарантирует включение цилиндров зацепления (13, 14, 15 и 16). Один электромагнитный клапан включает сцепление трансмиссионного тормоза через
воздуховод (11).
После переключения передач подача управляющего давления прекращается с помощью главного
отсечного клапана.
Электромагнитные клапаны (2), необходимые для переключения на соответствующую передачу, также
выключаются сразу же после переключения передачи.
После включения передачи пневматическая система продолжает сброс давления электромагнитных
клапанов.
Устройство блокировки валов селектора механически блокирует коробку передач, пока не потребуется
переключить передачу.
Четыре пневматических цилиндра зацепления в модуляторе являются 2-позиционными или 3-
позиционными цилиндрами. 2-позиционный цилиндр зацепления используется для управления цилиндром зацепления разделительной муфты (15) и цилиндром зацепления коробки диапазона (13).
3-позиционный цилиндр зацепления используется для цилиндра зацепления переключения (16) и цилиндра зацепления главной коробки (14). Кроме двух крайних положений 3-позиционный цилиндр зацепления также имеет управляемое центральное положение.
Для проверки соответствия перемещения цилиндров зацепления на них установлены датчики движения (3, 4, 5 и 18). Модулятор коробки передач состоит из следующих датчиков движения:
- датчик движения S1, разделительная муфта (3)
- датчик движения S2, главная коробка (4)
- датчик движения S3, коробка диапазона (5)
- датчик движения S4, переключение (18)
Сигналы, поступающие от датчиков движения, непрерывно обрабатываются электронными устройствами коробки передач для проверки соответствующего перемещения цилиндров зацепления.

Датчик давления
Датчик давления S7 (10) в модуляторе подсоединяется непосредственно к отверстию меньшего давления регулятора давления (17) через отверстие в верхней крышке модулятора.
Электронный блок использует сигнал датчика давления (10) для выполнения проверки и диагностики.

Датчик давления проверяет, чтобы пониженное давление подачи воздуха в модулятор (1) не было
слишком высоким или слишком низким. В обоих случаях DIP выдает предупреждение.
При слишком низком давлении передачи переключаются не полностью или не переключаются
совсем. При слишком высоком давлении возникает дополнительная механическая нагрузка на всю
систему автоматического переключения передач и все уплотнения, что сокращает срок службы.
Пониженная рабочая нагрузка поддерживается на одном уровне с помощью регулятора давления.
Регулятор давления (17) установлен вплотную к корпусу модулятора и выступает в качестве внешнего
воздушного соединения пневматической системы в модуляторе. Фильтр грубой очистки для сбора
загрязнений системы подачи воздуха установлен в данном внешнем воздушном соединении. Это
необходимо для предотвращения повреждения пневматической системы в модуляторе.

Разъемы модулятора
Модулятор оснащен двумя внешними разъемами.
Положение разъемов отпечатано на корпусе модулятора.
Не левом разъеме написано "ТРАНСМИССИЯ".
Данный разъем предназначен для внутренних компонентов системы AS Tronic, т.е. датчика скорости
AS Tronic и привода сцепления.
Не правом разъеме написано "АВТОМОБИЛЬ". С помощью данного разъема система AS Tronic
устанавливает связь с так называемой стороны автомобиля.
Это значит следующее: подача питания и связь с управляющим блоком и другими системами
автомобиля и управления двигателем, EBS, VIC/DIP, ZF INTARDER и тахографом.

Датчики температуры
Аналогично датчику частоты вращения входного вала S6 (20) датчик температуры S8 (19) встроен в нижнюю часть модулятора.
Температура масла в коробке передач косвенно проверяется за счет измерения температуры воздуха
в коробке передач под модулятором.
Второй датчик температуры расположен на PCB модулятора, данный датчик проверяет температуру
электронных устройств.
Таким образом, текущая рабочая температура коробки передач сохраняется в электронном блоке.
Допускается наличие максимальной температуры на короткий период.

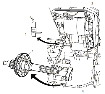
Датчик частоты вращения входного вала
Для измерения частоты вращения входного вала входной вал оснащен колесом датчика (2). Индуктивный датчик частоты вращения S6 (1) установлен в корпусе модулятора.
Данный датчик используется для сравнения частоты вращения входного вала и частоты вращения
коленчатого вала двигателя. Модулятор получает информацию о любых обстоятельствах полного
включения или выключения сцепления. Также проверяется проскальзывание сцепления. Это необходимо для регистрации соответствия работы сцепления и проверки перегрузки сцепления.
При каждом запуске двигателя сцепление выключается с помощью привода сцепления. Команду на данную фазу проверки подает модулятор коробки передач, и она используется для проверки диска сцепления (частота вращения входного вала) на замедление при выключенном сцеплении.
Если процесс выполнен правильно, фаза проверки завершается. Только после этого можно включить
передачу и тронуть автомобиль с места.

Работа вала сцепления
Модулятор коробки передач (3) состоит из электронных устройств управления коробкой передач,
электромагнитных клапанов, цилиндров зацепления и различных датчиков.
Модулятор управляет внутренними электромагнитными клапанами. Электромагнитные клапаны, в свою очередь, управляют внутренними поршнями, которые работают под давлением воздуха (1, 2, 4 и 5), за счет чего валы селектора обеспечивают включение и выключение соответствующей передачи.
Цилиндр зацепления (1) включает главную коробку, а цилиндр селектора (2) гарантирует выбор правильной передачи в главной коробке.
Управление разделительной муфтой (GV) осуществляется с помощью цилиндра зацепления (4).
Управление разделительной муфтой (GP) осуществляется с помощью цилиндра зацепления (5).
На указанных чертежах представлены коробки передач с 12 и 16 передачами.
