Retarder диагностика неисправностей с помощью кодов Scania

Общие сведения
Введение
• Данная Инструкция предназначена для грузовых автомобилей и автобусов 4-й серии, оборудованных вспомогательной тормозной системой Скания.
• На грузовых автомобилях и автобусах используется одинаковая вспомогательная тормозная система со
встроенным гидравлическим замедлителем Скания. Основное отличие заключается в способе
подключения вспомогательной тормозной системы к системе электрооборудования шасси.
• Подключение к системе электрооборудования шасси учитывает особенности спецификации конкретной машины.
• Новая электропроводка будет внедрена с августа 1999 года на грузовых автомобилях и с октября 1999 года на автобусах. Главное изменение заключается в том, что три клапана: пропорциональный электромагнитный клапан, служащий для управления гидрозамедлителем, электромагнитный
клапан подвода к гидрозамедлителю сжатого воздуха и электромагнитный клапан аккумулятора рабочей жидкости теперь выполнены в едином блоке, который носит обозначение V97.
• С ноября 1999 года для обмена данными между блоком управления гидрозамедлителем и блоком
управления EBS будет использоваться коммуникационная шина CAN (только на грузовых автомобилях).
• Сообщения, связанные с кодами неисправностей, взяты непосредственно из диагностического сканера и воспроизводятся ниже в исходной форме.
Функция сигнализации об отказах, выполняемая блоком управления
• Блок управления гидрозамедлителем построен на базе микропроцессора. Блок управления выполняет одновременно несколько функций. Одной из важнейших задач, возложенных на блок управления,
является постоянный контроль за функционированием вспомогательной тормозной системы в целом.

Диагностическая лампа
• Диагностическая лампа расположена под крышкой на панели управления. Данная лампа используется для вывода кода конфигурации системы (то есть, варианта исполнения системы) и кодов неисправностей.
• Считывание кодов неисправностей, выдаваемых вспышками лампы, должно производиться на неподвижном автомобиле. При этом не имеет значения, работает двигатель или нет.

- Старый вариант исполнения диагностической панели, устанавливаемый до октября 1999 года (включительно)
• Диагностическая лампа 2 погаснет на две секунды и затем начнет мигать. Серии вспышек разделяются четкими паузами.
• Прежде всего выводится код конфигурации блока управления, т.е. вариант исполнения вспомогательной тормозной системы, на работу с которым настроен блок управления. Затем
выводятся все коды неисправностей, которые хранятся в запоминающем устройстве блока управления. При отсутствии сохраненных кодов неисправностей выводится только код конфигурации.
• Вывод кодов неисправностей с помощью мигающей лампы может производиться повторно неограниченное число раз. Для этого следует просто еще раз нажать на выключатель диагностики.

- Новый вариант исполнения диагностической панели, устанавливаемый с ноября 1999 года
Принципиальные электрические схемы
Расположение изделий электрооборудования на шасси автомобиля
Схемы расположения изделий электрооборудования, входящих в состав вспомогательной тормозной системы автомобилей 4-й серии, являются типовыми схемами и предназначены для всех вариантов
оборудования, а также для автомобилей с левым и правым расположением рулевого колеса.
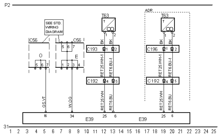
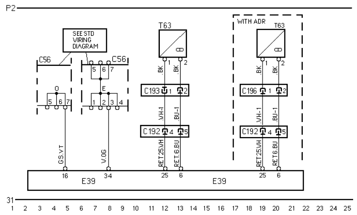
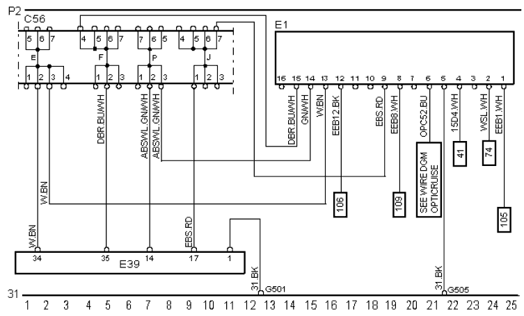
Принципиальная электрическая схема, грузовые автомобили 4-й серии, выпущенные до
августа 1999 года

- Схема расположения изделий электрооборудования на шасси автомобилей 4-серии, выпущенных до августа 1999 года









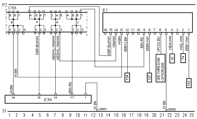
Принципиальная электрическая схема, грузовые автомобили 4-й серии, выпущенные с августа 1999 года

- Схема расположения изделий электрооборудования на шасси автомобилей 4-серии, выпущенных с августа 1999 года
С августа 1999 года внедрена новая электропроводка для гидрозамедлителя Скания. Главное изменение заключается в том, что три клапана: пропорциональный электромагнитный клапан, служащий для
управления гидрозамедлителем, электромагнитный клапан подвода к гидрозамедлителю сжатого воздуха и электромагнитный клапан аккумулятора рабочей жидкости гидрозамедлителя теперь
выполнены в едином блоке, который носит обозначение V97. До этого изменения все три клапана представляли собой отдельные узлы и носили соответственно обозначения V74, V75 и V76.
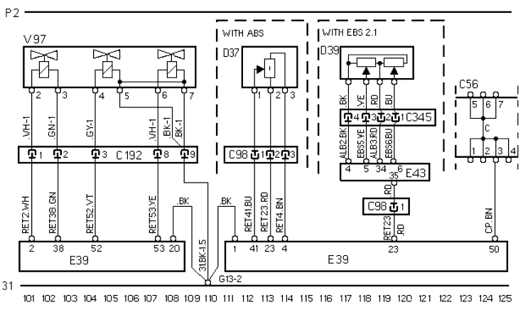
Пропорциональный клапан подключен между контактными выводами V97-1 и E39-2, а также между V97-2 и E39-38.
Электромагнитный клапан, управляющий подводом к гидрозамедлителю сжатого воздуха, подключен между контактными выводами V97-3 и E39-53, а также между V97-4 и G13-2.
Электромагнитный клапан аккумулятора рабочей жидкости гидрозамедлителя подключен между контактными выводами V97-5 и E39-52, а также между V97-6 и G13-2.
Ниже приведен перечень других изделий электрооборудования, которые имеют новые обозначения или были подвергнуты модернизации в связи с внедрением новой электропроводки:
• Выключатель диагностики S96 получил новое обозначение S50.
• Рычаг управления гидрозамедлителем, используемый при наличии систем ABS/EBS, S43/45 получил новое более короткое обозначение S43.
• Разъем C72 больше не используется.
• Появилось дополнительное соединение с массой G7.








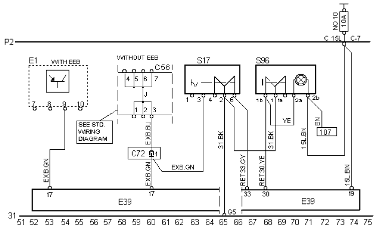
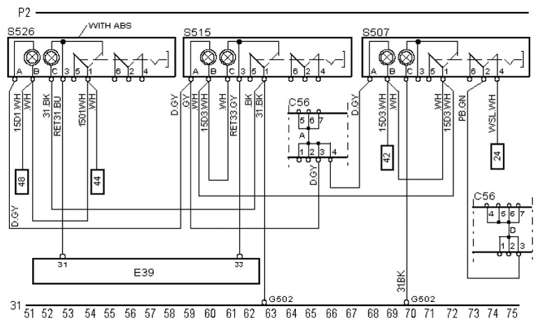
Расположение изделий электрооборудования на автобусах
Схемы расположения изделий электрооборудования, входящих в состав вспомогательной тормозной системы автобусов 4-й серии, являются типовыми схемами и предназначены для всех вариантов
оборудования, а также для автобусов с левым и правым расположением рулевого колеса.
Принципиальная электрическая схема, автобусы 4-й серии, выпущенные до октября 1999
года

- Схема расположения изделий электрооборудования на автобусах, выпущенных до октября 1999 года







Принципиальная электрическая схема, автобусы 4-й серии, выпущенные с октября 1999 года

- Схема расположения изделий электрооборудования на автобусах, выпущенных с октября 1999 года
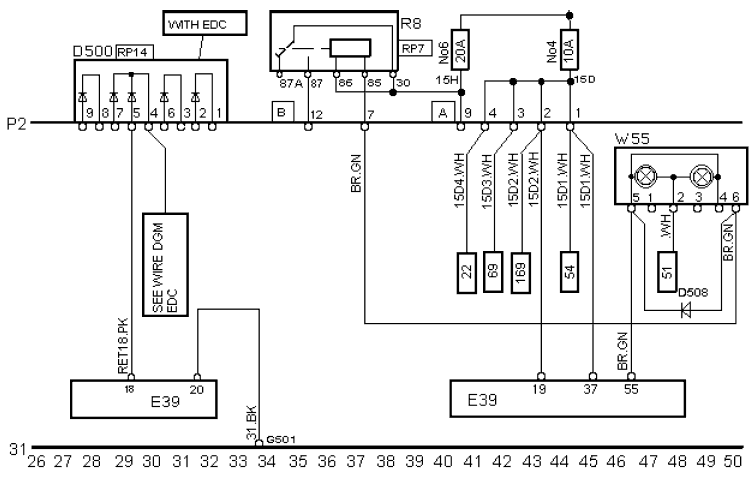
Электрическая проводка гидрозамедлителя Скания была модернизирована на автобусах, выпущенных с октября 1999 года.
Пропорциональный клапан и электромагнитные клапаны V74, V75 и V76 теперь расположены в едином блоке V97, как это сделано на грузовых автомобилях.
Электрическая проводка больше не подвергалась дальнейшим изменениям.







Гидравлический замедлитель
Коды конфигурации
Блоки управления, устанавливаемые до ноября 1999 года
Коды конфигурации состоят из трех цифр.
Цифры выдаются мигающей лампой следующим образом:
1-я цифра— пауза 1,5 с— 2-я цифра— пауза 1,5 с — 3-я цифра — пауза 4,5 с (конец). После этого следуют установленные коды неисправностей.
Примечание: Неправильная конфигурация всегда ухудшает показатели эксплуатационных свойств и/или срок службы!
Стандартные варианты
Грузовые автомобили, оборудованные системой АБС, имеют код конфигурации 468.

Грузовые автомобили без системы АБС имеют код конфигурации 453.
Автобусы, оборудованные системой АБС, имеют код конфигурации 458 (на более старых автобусах - 438).

Автобусы без системы АБС имеют код конфигурации 453.
Блоки управления, устанавливаемые с ноября 1999 года
Автомобили, выпущенные с ноября 1999 года, оснащаются новым блоком управления гидрозамедлителем, конфигурация которого задается четырехзначным кодом.
Дополнительная позиция в коде конфигурации позволяет задать следующие варианты:
• Brake torque via CAN ("Тормозной момент по шине CAN"), для систем EBS, начиная с версии 2.2.
• Engine fan control ("Управление вентилятором двигателя").
Примечание: Данная модель блока управления поставляется в качестве запасных частей и предназначена как для грузовых автомобилей, так и для автобусов, выпущенных с ноября 1999 года. Однако, блоки управления на автобусах не должны быть настроены на обмен данными с системой EBS по шине CAN. Если обнаружится, что блок управления на автобусе настроен на вариант "Brake torque
via CAN" ("Тормозной момент по шине CAN") (для систем EBS, начиная с версии 2.2), то необходимо немедленно выполнить диагностику неисправностей и перепрограммировать блок управления с
помощью программы Scania Programmer.
Цифры кода выдаются мигающей лампой следующим образом: 1-я цифра - пауза 1,5 с - 2-я цифра - пауза 1,5 с - 3-я цифра - пауза 1,5 с - 4-я цифра - пауза 4,5 с, (конец). После этого выдаются установленные коды неисправностей.
Стандартные варианты:
Грузовые автомобили, оборудованные системой АБС, имеют код конфигурации 4681.
Грузовые автомобили, блок управления которых настроен на обмен данными с системой EBS по шине CAN, имеют код конфигурации 4682.
Грузовые автомобили без системы ABS/EBS имеют код конфигурации 4531.
Автобусы, оборудованные системой АБС, имеют код конфигурации 4581.

Автобусы без системы АБС имеют код конфигурации 4531.
Диагностика неисправностей с помощью кодов
Общие сведения
Блок управления функционирует по специальному алгоритму. Если блок управления обнаруживает отказ или любое другое нарушение, которое интерпретируется им, как отклонение от нормы, блок управления реагирует и устанавливает соответствующие коды неисправностей.
Не только реальные отказы могут вызывать установку кодов неисправностей. Для этого бывает достаточно отсоединить разъем электрических проводов при включенном электрическом питании. Нарушение электрической цепи в разъеме будет воспринято блоком управления, как неисправность, и он установит соответствующий код.
В случаях нарушения электрических контактов неисправность может устраниться, однако установленный код неисправности будет сохраняться в запоминающем устройстве блока управления до тех пор, пока не будет принудительно стерта. Это позволяет в дальнейшем выяснить, в какой
электрической цепи случилась неисправность, а также провести поиск причины неисправности, даже если она больше не присутствует.
В блоке управления также сохраняется информация о количестве зарегистрированных случаев возникновения каждой неисправности. Однако, для получения подобных сведений необходимо
использовать диагностический сканер, установленную на персональном компьютере.
Примечание: Наиболее часто отказы возникают не в блоке управления, а в электрической проводке и периферийных устройствах системы.
Коды неисправностей, которые вводят в заблуждение и затрудняют диагностику, случаются редко и обычно не относятся к самому блоку управления.
В исправном блоке управления, защищенном от внешних помех, не должны возникать подобные коды неисправностей.
Можно было бы предположить, что, например, индуктивный датчик среагирует на внешние помехи в виде радиосигналов или сильных магнитных полей. Однако, проведенные испытания и измерения
показали, что внешние помехи не могут оказывать столь сильного влияния на блоки управления.
Однако, всегда могут случиться неисправности, связанные с нарушением контактов с массой, с коррозией или ослаблением контактов в соединительных разъемах - независимо от качества
выполнения работ и изготовления дополнительного кузовного оборудования или кузова автобуса.
Примеры неисправностей, для которых не предусмотрены соответствующие коды
Приведены примеры неисправностей, при возникновении которых коды не устанавливаются.
Гидрозамедлитель совершенно не тормозит.
Слишком низкий уровень рабочей жидкости или полностью отсутствует сигнал скорости.
При этом блок управления считает, что автомобиль неподвижен.
Гидрозамедлитель может тормозить без каких-либо помех, несмотря на то что включена система круиз-контроля (двигатель с системой EDC).
Отсутствует широтно-импульсный сигнал (PWM-сигнал) или соответствующее сообщение, передаваемое по шине CAN, при включении водителем питания бортовой сети.
Блок управления гидрозамедлителем работает в предположении отсутствия на автомобиле системы EDC.
Гидрозамедлитель может иногда притормаживать автомобиль, выполняя функцию стабилизации скорости на спуске, несмотря на то, что включена система круиз-контроля (двигатель с системой EDC).
Нарушение регулировки конечного выключателя педали сцепления: блок управления получает сигнал о нажатии на педаль сцепления, даже когда последняя полностью отпущена.
Гидрозамедлитель может иногда притормаживать автомобиль, несмотря на нажатие на педаль акселератора (не следует путать с работой гидрозамедлителя в режиме прогрева).
Ненадежная работа реле холостого хода или неправильная регулировка педали сцепления.
Закипание охлаждающей жидкости в системе охлаждения при том, что гидрозамедлитель развивает низкую тормозную мощность.
При включении оба датчика температуры были отсоединены. В выключенном положении сигналы датчиков соответствуют температуре 40°C. Если температура не превышает 50°C, то максимальная допустимая тормозная мощность гидрозамедлителя ограничивается вдвое по сравнению с номинальным значением. Однако, все равно может наблюдаться кипение охлаждающей жидкости.
Гидрозамедлитель развивает слишком низкую тормозную мощность.
Слишком низкий уровень рабочей жидкости, при настройке конфигурации неправильно задана частота сигнала генератора, на двигатель установлен генератор неподходящей модели или используется неподходящий шкив.
Гидрозамедлитель развивает слишком высокую тормозную мощность, наблюдается кипение жидкости в системе охлаждения.
При настройке конфигурации неправильно задана частота сигнала генератора, на двигатель установлен генератор неподходящей модели или используется неподходящий шкив.
Не работает система управления вентилятором.
Блок управления EDC не получил команду от блока управления гидрозамедлителем на включение управления вентилятором (команда посылается в виде сообщения по шине CAN).
Можно проверить, правильно ли запрограммирован блок управления.
Считывание кодов неисправностей
Ламповые коды неисправностей должны считываться на неподвижном автомобиле.
При этом не имеет значения, работает двигатель или нет.
Выполните следующие действия. Поверните ключ стартера в положение включения бортовой сети и подождите несколько секунд.
Нажмите и удерживайте выключатель диагностики 1 не менее одной секунды, затем отпустите его.
При этом диагностическая лампа гаснет на две секунды и затем начинает выдавать коды
неисправностей. Последовательности вспышек лампы отделяются друг от друга легкоразличимыми паузами.
Сначала выводится код конфигурации блока управления, см. выше раздел "Коды конфигурации". Затем следуют коды неисправностей. При отсутствии в памяти блока управления кодов неисправностей
будет выдан только код конфигурации.

Первым выдается 3-х или 4-разрядный код конфигурации. После выдачи кода конфигурации следует пауза длительностью 4,5с екунды. Затем выдаются двухразрядные коды неисправностей. Сначала выдается цифра в разряде десятков, затем - цифра в разряде единиц. На примере справа черным
цветом показано представление кода неисправности 32 (ему предшествует 4- значный код конфигурации).
Коды неисправностей выдаются следующим образом:
первый разряд кода — 1,5с пауза — второй разряд кода— 4,5с пауза — следующий код неисправности — следующий код неисправности и т.д. Коды неисправностей выдаются в порядке возникновения
неисправностей.

Диагностическая лампа позволяет выдавать коды неисправностей повторно неограниченное число раз. Для этого просто следует еще раз нажать на выключатель диагностики. Коды неисправностей остаются
в памяти блока управления до принудительного стирания и очистки памяти.
Стирание кодов неисправностей
После того как вы определили и устранили причину неисправности, необходимо очистить память блока управления. Это также позволяет проверить результат ремонта, прежде чем передавать автомобиль
владельцу.
Примечание: Для появления некоторых кодов неисправностей может потребоваться достаточно продолжительное движение автомобиля (до получаса).

- Панель диагностики предыдущего варианта (устанавливалась до октября 1910 года

- Новый вариант панели диагностики, устанавливается с ноября 1911 года
Поверните ключ стартера и выключите питание бортовой сети. Нажмите и удерживайте диагностическую кнопку 1.
Поверните ключ стартера в положение питания бортовой сети и подождите три секунды. Стирание кодов неисправностей теперь завершено.

Выполните пробную поездку на автомобиле и убедитесь в том, сигнализаторы "ABS" и "RET" погасли. Если сигнализаторы не погасли или сигнализатор "RET" включился снова, несмотря на выполненное стирание кодов неисправностей, то это означает, что неисправность осталась. Код неисправности
помогает локализовать причину отказа.

Перечень кодов неисправностей
Общие сведения о перечне
Приведенные ниже коды неисправностей относятся в первую очередь к грузовым автомобилям 4-й серии, которые оснащены гидрозамедлителем Скания (Scania Retarder). Данный перечень применим
также для грузовых автомобилей и автобусов, которые — дополнительно к гидрозамедлителю — оснащены системами Opticruise или CS, EDC, ABS, ABS/TC и EBS.
Тексты сообщений по кодам неисправностей взяты из диагностического сканера, предназначенной для персонального компьютера. Поэтому иногда делаются ссылки на диагностическую компьютерную
программу и предлагаемые там опции, которые позволяют ускорить и облегчить диагностику неисправностей.
На автобусах не должны регистрироваться коды неисправностей, связанных с шиной CAN (коды 61, 62 и 63), однако, если это по каким-то причинам произошло, обратитесь к описанию кодов 61, 62 и 63.
Обозначения кодов неисправностей Кодов с обозначениями 01-10, 20, 30, 40, 50 и 60 не существует (цифру 0 невозможно выдать с помощью мигающей диагностической лампы).
В настоящее время коды неисправностей 23, 24, 38 и 45 не используются.
Сигнализатор неисправности гидрозамедлителя Если неисправности больше не существует, то сигнализатор часто выключается автоматически. Это может показаться некоторым водителя случайностью, однако, на самом деле, обусловлено алгоритмом функционирования и безопасностью.
Текст, сопровождаюший код неисправности, содержит информацию о поведении
сигнализатора при возникновении и исчезновении той или иной неисправности.
Примечания
Фраза "Временно выключен, иначе стирание", которая встречается в приведенном ниже тексте, означает, что сигнализатор горит, пока неисправность присутствует, и сигнализатор выключается
при исчезновении неисправности. Если неисправность появляется снова, то сигнализатор включается быстрее. После того как неисправность была обнаружена определенное число раз, сигнализатор не
гаснет до стирания кода неисправности с помощью персонального компьютера.
После стирания кодов неисправностей порог срабатывания сигнализатора по количеству или продолжительности регистрации данной неисправности устанавливается на первоначальный уровень.
КОДЫ НЕИСПРАВНОСТЕЙ
Код неисправности 11
Неисправность: Сигнал скорости автомобиля присутствовал во время движения автомобиля, однако
исчез так быстро, что это не могло быть обусловлено торможением.
Причина: Информация о скорости автомобиля больше не поступает в блок управления (контактный вывод 16 разъема), то есть, сигнал скорости сначала присутствует, но затем исчезает.
Дополнительные сведения: Гидрозамедлитель не может функционировать в режиме торможения,
пока присутствует данная неисправность.
Если сигнал появится снова, что будет свидетельствовать о движении автомобиля, то визуальный сигнализатор неисправности погаснет и гидрозамедлитель начнет торможение. Однако, код неисправности будет сохранен в памяти блока управления.
До тех пор, пока код неисправности будет оставаться в памяти блока управления, визуальный сигнализатор неисправности будет включаться на неподвижном автомобиле и продолжать гореть до тех пор, пока блок управления не получит требуемый сигнал скорости автомобиля.
Примечание: Код неисправности должен быть удален с помощью персонального компьютера, для того чтобы предотвратить включение сигнализатора неисправности на ходу автомобиля.
Примечание: устанавливается только в том случае, если сигнал скорости сначала имелся, а затем
исчез. Если сигнал скорости отсутствовал с момента трогания автомобиля с места, то код неисправности 11 не устанавливается.
Визуальный сигнализатор неисправности гидрозамедлителя гаснет, если неисправность устраняется.
Устранение неисправности: Проще всего воспользоваться компьютером. Перейдите к проверке
входных сигналов. Медленно двигаясь на автомобиле, проверьте, чтобы сигнал частоты вращения карданного вала был отличен от нуля.
Если сигнал равен нулю и автомобиль оснащен системой Opticruise, то может оказаться полезной следующая рекомендация: если система Opticruise функционирует, то причина неисправности
заключена между блоком управления Opticruise и блоком управления гидрозамедлителем. Если же система Opticruise не функционирует, то причина неисправности находится между блоком
управления Opticruise и коробкой передач.
Выполните следующее: проверьте исправность датчика частоты вращения на выходном валу коробки передач, электрические разъемы и электропроводку.
Если автомобиль не оснащен системой Opticruise, то следует также проверить систему защиты двигателя от превышения допустимых оборотов.
Код неисправности 12
Неисправность: Сигнал частоты вращения коленчатого вала двигателя отсутствует, несмотря на то, что автомобиль движется.
Причина: Информация о частоте вращения коленчатого вала не поступает в блок управления (контактный вывод 34 разъема).
Дополнительные сведения: Максимальная тормозная мощность гидрозамедлителя будет ограничиваться до тех пор, пока остается данная неисправность. При этом, если двигатель работает на малых оборотах, то существует также опасность закипания охлаждающей жидкости, поскольку насос системы охлаждения не обеспечивает достаточно интенсивную циркуляцию охлаждающей жидкости.
Если сигнал появится, подтверждая работу двигателя, то гидрозамедлитель снова начнет работать на полную мощность.
Однако, код неисправности будет сохранен в памяти блока управления.
Примечание: Код неисправности 12 может устанавливаться, только если блок управления располагает информацией о том, что автомобиль движется. В противном случае код неисправности устанавливался
бы каждый раз, когда водитель включает питание бортовой сети.
Визуальный сигнализатор гаснет, как только на движущемся автомобиле появляется сигнал. И наоборот, при неработающем двигателе сигнализатор будет гореть до тех пор, пока код неисправности не будет удален. Сигнал W, получаемый от генератора, используется также для функционирования тахографа автомобиля. Сигнал используется для постоянной оценки тепловой мощности, которую в состоянии рассеивать система охлаждения. По этой причине на автомобиле должны быть установлены
соответствующие генератор и шкивы. В противном случае тормозная мощность гидрозамедлителя может быть ограничена - и при этом никаких кодов неисправностей установлено не будет.
В любом случае невозможно ввести в заблуждение блок управления (так чтобы он увеличил допустимую тормозную мощность гидрозамедлителя), путем установки неподходящего генератора или
несоответствующих шкивов. Установка генератора другой модели или других шкивов, что связано с изменением передаточного числа привода, делает необходимым задать в блоке управления другую частоту сигнала W, которая соответствует частоте вращения коленчатого вала 500 об/мин. Это может
быть выполнено только с помощью диагностического сканера.
Визуальный сигнализатор неисправности гидрозамедлителя гаснет, если неисправность устранена.
Устранение неисправности: Проверьте показания, которые выдает тахограф автомобиля. Если показания тахографа неправильные, то проверьте электрические соединения на генераторе, исправность ременной передачи и исправность генератора. Проверьте исправность электрических разъемов и электропроводки на участке до блока управления. Сигнал частоты вращения
коленчатого вала двигателя подается на контактный вывод 34 разъема.
Код неисправности 13
Неисправность: Блок управления обнаружил, что разница между значениями температуры, которые
определяются по сигналам двух датчиков, превышает 10°C, и при этом наибольшее значение температуры превышает 75°C.
Причина: Неисправен один из датчиков температуры или неисправна электропроводка датчиков,
идущая к контактным выводам 25 или 43 блока управления.
Дополнительные сведения: Блок управления учитывает сигнал того датчика, который показывает более высокую тепрературу, при условии, что электрическая цепь этого датчика не имеет короткого замыкания. Однако, если цепь датчика имеет короткое замыкание, то блок управления использует сигнал другого датчика. Визуальный сигнализатор гаснет, как только разница между показаниями
датчиков становится меньше 10°C, или наибольшее значение температуры становится меньше 75°C. Однако, код неисправности будет сохранен в памяти блока управления.
Визуальный сигнализатор неисправности гидрозамедлителя гаснет, если неисправность устраняется.
Устранение неисправности: Проверьте исправность датчиков, электрических разъемов и
электропроводки. Если один из датчиков имеет короткое замыкание, то должен быть установлен код неисправности 14 или 15. В этом случае необходимо сначала устранить неисправность короткозамкнутого датчика, прежде чем проверять исправность электропроводки.
Код неисправности 14
Неисправность: Короткое замыкание в цепи датчика температуры 1.
Причина: Напряжение сигнала от датчика температуры 1, который поступает в блок управления (контактный вывод 25 разъема), ниже 0,3 В. Возможно, это вызвано коротким замыканием на массу в самом датчике или в электропроводке датчика.
Дополнительные сведения: Блок управления игнорирует сигнал датчика температуры 1 до тех пор, пока присутствует неисправность. При этом блок управления использует сигнал датчика температуры 2.
Визуальный сигнализатор неисправности выключается, если неисправность самоустраняется. Однако, код неисправности будет сохранен в памяти блока управления.
Визуальный сигнализатор неисправности гидрозамедлителя гаснет, если неисправность пропадает.
Устранение неисправности: Проверьте исправность датчика температуры 1, электрических разъемов и электропроводки.
Код неисправности 15
Неисправность: Короткое замыкание в цепи датчика температуры 2.
Причина: Напряжение сигнала от датчика температуры 2, который поступает в блок управления (контактный вывод 43 разъема), ниже 0,3 В. Возможно, это вызвано коротким замыканием на массу в самом датчике или в электропроводке датчика.
Дополнительные сведения: Блок управления игнорирует сигнал датчика температуры 2 до тех пор, пока присутствует неисправность. При этом блок управления использует сигнал датчика температуры 1.
Визуальный сигнализатор неисправности выключается, если неисправность самоустраняется. Однако, код неисправности будет сохранен в памяти блока управления.
Визуальный сигнализатор неисправности гидрозамедлителя гаснет, если неисправность пропадает.
Устранение неисправности: Проверьте исправность датчика температуры 2, электрических разъемов и электропроводки.
Код неисправности 16
Неисправность: Короткое замыкание в цепи управления функцией MBP (программа управления
двигателем при торможении).
Причина: Короткое замыкание у контактного вывода 54 или в другом месте во внешней электрической цепи, которая может быть соединена с контактным выводом 54.
Дополнительные сведения: Данный выходной штекер в разъеме блока управления используется для передачи команды блоку управления Opticruise на включение программы управления двигателем при торможении. Это предусмотрено для того, чтобы увеличить интенсивность циркуляции охлаждающей
жидкости и обеспечить возможность реализации максимальной тормозной мощности. Если к контактному выводу 54 не подключена электропроводка, то, возможно, что неисправен сам блок
управления.
Подобная неисправность непосредственно не затрагивает гидрозамедлитель как таковой. Однако, тормозная мощность ограничивается излишне часто, поскольку расход охлаждающей жидкости
недостаточен. Автоматическое переключение коробки передач на низшую ступень отсутствует.
Визуальный сигнализатор неисправности продолжает гореть (даже если неисправность больше не присутствует) до тех пор, пока код неисправности не будет стерт с помощью выключателя диагностики.
Сигнализатор неисправности гидрозамедлителя выключается только после стирания кода неисправности.
Устранение неисправности: Если электропроводка отсоединена от контактного вывода 54, а код неисправности 16 продолжает устанавливаться при каждом включении питания бортовой сети, то
необходимо заменить блок управления.
Если электропроводка присоединена к контактному выводу 54: проверьте электрические разъемы, электропроводку и блок управления системой Opticruise. После этого проверьте исправность блока
управления гидрозамедлителем.
Код неисправности 17
Неисправность: Короткое замыкание в цепи моторного замедлителя.
Причина: Короткое замыкание в электрической цепи моторного замедлителя, в электромагнитном клапане или выходном управляющем каскаде блока управления (штекер 17 разъема).
Дополнительные сведения: Визуальный сигнализатор неисправности продолжает гореть (даже если
неисправность больше не присутствует) до тех пор, пока код неисправности не будет стерт с помощью выключателя диагностики.
Некоторые водители требуют установки стандартного напольного выключателя, предназначенного для управления моторным замедлителем. Неправильное подключение подобного выключателя может приводить к появлению кода неисправности 17, поскольку блок управления будет в этом случае получать входной сигнал на выходном штекере.
Напольный выключатель может устанавливаться только на грузовые автомобили.
Сигнализатор неисправности гидрозамедлителя выключается только после стирания кода неисправности.
Устранение неисправности: Проверьте исправность электромагнитного клапана моторного замедлителя, электрических разъемов и электропроводки. Если на автомобиле установлен отдельный напольный выключатель, проверьте правильность его подключения: электрическое питание +24 В
должно поступать на входной штекер выключателя, а выходной штекер выключателя должен быть соединен со входом блока управления (штекер 51).
После этого проверьте исправность блока управления.
Код неисправности 18
Неисправность: При попытке включить сигналы торможения (стоп-сигналы) блок управления обнаружил короткое замыкание на провод +24 В.
Причина: Короткое замыкание в электрической цепи сигналов торможения или в выходном
управляющем каскаде блока управления (контактный вывод 55).
Дополнительные сведения: Визуальный сигнализатор неисправности продолжает гореть (даже если
неисправность больше не присутствует) до тех пор, пока код неисправности не будет стерт с помощью выключателя диагностики.
Выходной штекер 55 блока управления, предназначенный для сигналов торможения, используется для проверки реле сигналов торможения. Выходной сигнал заключается в соединении с массой. Запрещается соединять с массой сигналы торможения непосредственно через выходной штекер.
Для этого необходимо использовать реле сигналов торможения. Индикатор включения гидрозамедлителя или моторного замедлителя устанавливается в стандартной комплектации только на
автомобили, не оснащенные АБС.
Некоторые водители требуют установки подобного индикатора также на автомобили, оснащенные АБС. Если такой индикатор установлен на автомобиле на стадии эксплуатации, то необходимо подключить его к питанию +24 В и штекеру 55 блока управления. Индикатор включается при замыкании цепи на массу через штекер 55. Используйте обычную лампу мощностью 1,2 Вт.
Для того чтобы предотвратить включение индикатора при включении сигналов торможения при нажатии на тормозную педаль, можно в некоторых случаях включить в электрическую цепь диод.
Сигнализатор неисправности гидрозамедлителя выключается только после стирания кода неисправности.
Устранение неисправности: Проверьте исправность реле сигналов торможения, электрических разъемов и фонарей сигналов торможения. Если на автомобиле установлен дополнительный
индикатор, проверьте его исправность, а также исправность электропроводки. После этого проверьте исправность блока управления.
Код неисправности 19
Неисправность: Короткое замыкание не позволяет использовать аккумулятор рабочей жидкости.
Причина: Короткое замыкание в цепи электромагнитного клапана аккумулятора рабочей жидкости или в выходном управляющем каскаде блока управления (штекер 52).
Дополнительные сведения: При наличии этой неисправности гидрозамедлитель вступает в работу с
задержкой по сравнению с исправным состоянием. Визуальный сигнализатор неисправности продолжает гореть (даже если неисправность больше не присутствует) до тех пор, пока код неисправности не будет
стерт с помощью выключателя диагностики.
Сигнализатор неисправности гидрозамедлителя выключается только после стирания кода неисправности.
Устранение неисправности: Проверьте электромагнитный клапан аккумулятора рабочей жидкости,
электрические разъемы и электропроводку.
В конце проверьте исправность блока управления.
Код неисправности 21
Неисправность: Из-за короткого замыкания электромагнитный клапан подвода сжатого воздуха к пропорциональному клапану остается в закрытом состоянии.
Причина: Короткое замыкание в цепи электромагнитного клапана подвода сжатого воздуха к пропорциональному клапану, в электропроводке клапана или в выходном управляющем каскаде блока
управления (штекер 53).
Дополнительные сведения: Гидрозамедлитель не работает. Визуальный сигнализатор неисправности продолжает гореть (даже если неисправность больше не присутствует) до тех пор, пока код неисправности не будет стерт с помощью выключателя диагностики.
Сигнализатор неисправности гидрозамедлителя выключается только после стирания кода неисправности.
Устранение неисправности: Проверьте исправность электромагнитного клапана подвода сжатого воздуха, электрических разъемов и электропроводки. В конце проверьте исправность блока управления.
Код неисправности 22
Неисправность: Отсутствует возможность регулирования тормозной силы из-за короткого замыкания
электрической цепи.
Причина: Короткое замыкание в цепи пропорционального клапана, в электропроводке или в выходном
управляющем каскаде блока управления (штекер 2).
Дополнительные сведения: Гидрозамедлитель не работает. Из-за короткого замыкания цепи
пропорциональный клапан не реагирует на команду блока управления включить гидрозамедлитель на определенный тормозной момент.
Визуальный сигнализатор неисправности продолжает гореть (даже если неисправность больше не присутствует) до тех пор, пока код неисправности не будет стерт с помощью выключателя диагностики.
Сигнализатор неисправности гидрозамедлителя выключается только после стирания кода неисправности.
Устранение неисправности: Проверьте исправность пропорционального клапана, электрических разъемов и электропроводки. В конце проверьте исправность блока управления.
Код неисправности 25
Неисправность: Отсутствует возможность использования аккумулятора рабочей жидкости из-за
разрыва электрической цепи.
Причина: Разрыв в цепи электромагнитного клапана аккумулятора рабочей жидкости, в электропроводке или выходном управляющем каскаде блока управления (штекер 51).
Дополнительные сведения: При наличии этой неисправности гидрозамедлитель вступает в работу с
задержкой по сравнению с исправным состоянием. Визуальный сигнализатор неисправности продолжает гореть (даже если неисправность больше не присутствует) до тех пор, пока код неисправности не будет
стерт с помощью выключателя диагностики.
Сигнализатор неисправности гидрозамедлителя выключается только после стирания кода неисправности.
Устранение неисправности: Проверьте исправность электромагнитного клапана аккумулятора рабочей жидкости, электрических разъемов и электропроводки. В конце проверьте исправность блока управления.
Код неисправности 26
Неисправность: Отсутствует возможность подвода сжатого воздуха к гидрозамедлителю из-за разрыва электрической цепи.
Причина: Разрыв в цепи электромагнитного клапана подвода сжатого воздуха, в электропроводке
или выходном управляющем каскаде блока управления (штекер 53).
Дополнительные сведения: Визуальный сигнализатор неисправности продолжает гореть (даже если
неисправность больше не присутствует) до тех пор, пока код неисправности не будет стерт с помощью выключателя диагностики.
Сигнализатор неисправности гидрозамедлителя выключается только после стирания кода неисправности.
Устранение неисправности: Проверьте исправность электромагнитного клапана подвода сжатого воздуха, электрических разъемов и электропроводки. В конце проверьте исправность блока управления.
Код неисправности 27
Неисправность: Отсутствует возможность регулирования тормозной силы из-за разрыва или
короткого замыкания в электрической цепи.
Причина:
Существует три причины неисправности:
• разрыв в цепи пропорционального клапана или в электропроводке (цепь между штекерами 2 и 38 в разъеме блока управления);
• короткое замыкание массовой цепи пропорционального клапана (штекер 38 в разъеме блока управления) на массу;
• неисправность выходного управляющего каскада блока управления.
Дополнительные сведения: Гидрозамедлитель не работает. Из-за разрыва электрической цепи
пропорциональный клапан не реагирует на команду блока управления включить гидрозамедлитель на определенный тормозной момент.
Визуальный сигнализатор неисправности продолжает гореть (даже если неисправность больше не присутствует) до тех пор, пока код неисправности не будет стерт с помощью выключателя диагностики.
Сигнализатор неисправности гидрозамедлителя выключается только после стирания кода неисправности.
Устранение неисправности: Проверьте исправность пропорционального клапана, электрических разъемов и электропроводки. В конце проверьте исправность блока управления.
Код неисправности 28
Неисправность: В течение 30 минут (не менее) блок управления не получил подтверждения того,
что тормозная педаль была отпущена. Это событие является очень маловероятным и рассматривается, как признак неисправности.
Причина: Неправильная регулировка конечного выключателя тормозной педали или заедание тормозной педали, в результате чего педаль не всегда возвращается в исходное положение при ее отпускании. В противном случае существует электрическая неисправность, которая при отпущенной тормозной педали приводит к наличию слишком высокого напряжения на штекере 23 разъема блока управления. Если причина неисправности заключается в коротком замыкании на провод +24 В, то
могут также устанавливаться коды неисправностей, связанные с ручным рычагом управления гидрозамедлителем и двумя датчиками температуры.
Кроме того, проверьте возможность того, что водитель держит ногу на тормозной педали на ходу автомобиля.
Дополнительные сведения: При наличии данной неисправности невозможно нажатием на тормозную педаль включить функцию стабилизации скорости автомобиля на спуске или
гидрозамедлитель. Это относится только к системам, для которых предусмотрено включение в работу при нажатии на тормозную педаль.
Визуальный сигнализатор гаснет, как только блок управления получит сигнал от конечного выключателя, свидетельствующий об отпускании тормозной педали. Однако, сигнализатор снова включается, если тормозная педаль (в соответствии с сигналом от конечного выключателя) удерживается в нажатом положении в течение по крайней мере 2 минут.
Сигнализатор неисправности гидрозамедлителя выключается временно.
Для того чтобы погасить сигнализатор, необходимо стереть код неисправности.
Устранение неисправности: Проще всего воспользоваться компьютером. Перейдите к проверке
входных сигналов. Проверьте, чтобы при отпущенной тормозной педали напряжение сигнала датчика было равно примерно 0,5В.
При отпущенной тормозной педали приемлемое для блока управления значение напряжения сигнала должно находиться в пределах от 0,15В до 0,85В (напряжение на штекере 23). Блок управления контролирует напряжение сигнала датчика, сравнивая его с напряжением на штекере 4, который
соединен с массой. Электрическое питание (напряжение +5В) датчика тормозной педали осуществляется от блока управления (штекер 41).
Если значение напряжения превышает 0,85В или напряжение резко изменяется в широких пределах, то устанавливается код неисправности 28. Указанный код неисправности может быть установлен,
даже если величина напряжения не вышла за допустимые пределы.
Затем проверьте исправность электрических разъемов и электропроводки.
Код неисправности 29
Неисправность: В течение 30 минут (не менее) блок управления не получил подтверждения того,
что педаль сцепления была отпущена. Это событие является очень маловероятным и рассматривается, как признак неисправности.
Причина: Возможной причиной является неисправность конечного выключателя педали сцепления или неисправность электрической цепи на участке до штекера 50 или неисправность реле, которое может
быть подключено между ними.
Кроме того, проверьте возможность того, что водитель держит ногу на педали сцепления на ходу автомобиля.
Дополнительные сведения: Функция стабилизации скорости автомобиля на спуске не работает до тех пор, пока блок управления не получит сигнал от конечного выключателя о том, что педаль сцепления отпущена. Это относится только к автомобилям с функцией стабилизации скорости на спуске, на которых возможно управление гидрозамедлителем с помощью тормозной педали.
Визуальный сигнализатор гаснет, как только блок управления получит сигнал от конечного выключателя, свидетельствующий об отпускании педали сцепления. Однако, сигнализатор снова
включается, если педаль сцепления (в соответствии с сигналом от конечного выключателя) удерживается в нажатом положении в течение по крайней мере 2 минут.
Сигнализатор неисправности гидрозамедлителя выключается временно.
Для того чтобы погасить сигнализатор, необходимо стереть код неисправности.
Устранение неисправности: Проверьте исправность конечного выключателя педали сцепления, реле (при его наличии), электрических разъемов и электропроводки.
Код неисправности 31
Неисправность: Блок управления получает сигнал, свидетельствующий о том, что кнопка
стабилизации скорости на спуске, которая находится на рычаге управления гидрозамедлителем, непрерывно удерживается в нажатом положении в течение 30 минут. Это событие является очень маловероятным и рассматривается, как признак неисправности.
Причина: Возможно, причина заключается в неисправности выключателя или электрической цепи на участке до штекера 32 в разъеме блока управления. Очень маловероятно, что водитель удерживал
кнопку в нажатом положении в течение получаса на ходу автомобиля. Однако, спросите водителя об этом, если обнаружится данный код неисправности.
Дополнительные сведения: Визуальный сигнализатор гаснет, как только выключатель возвращается в исходное положение. Однако, сигнализатор снова включается, если выключатель будет удерживаться в нажатом положении в течение по крайней мере 2 минут.
Данный код неисправности может устанавливаться только на автомобилях с управлением функцией стабилизации скорости на спуске от выключателя, расположенного на рычаге управления
гидрозамедлителем. На автомобилях без этого выключателя отсутствует электропроводка, соединяющая рычаг управления со штекером 32 разъема блока управления.
Обратите внимание на то, что разрыв в этой цепи не приводит к установлению какого-либо кода неисправности. С помощью компьютера проверьте входные сигналы блока управления. Это позволит вам быстро проверить работоспособность выключателя и всей электропроводки.
Сигнализатор неисправности гидрозамедлителя выключается временно, для того чтобы погасить сигнализатор, необходимо стереть код неисправности.
Устранение неисправности: Проверьте исправность выключателя на рычаге управления, электрических разъемов и электропроводки.
Код неисправности 32
Неисправность: Блок управления получил от системы АБС сигнал о том, что колесо непрерывно
находилось в заблокированном состоянии в течение 5минут (не менее). Это событие является очень маловероятным и рассматривается, как признак неисправности.
Причина: Возможная причина заключается в неисправности электроводки: наиболее вероятно короткое замыкание на массу на участке цепи от штекера 35 блока управления гидрозамедлителем до
соответствующего штекера блока управления АБС. Неисправность может быть также обусловлена отказом в самой антиблокировочной системе. В этом случае коды неисправностей будут храниться в
блоке управления АБС.
Дополнительные сведения: Гидрозамедлитель не должен осуществлять торможение в процессе регулирования тормозных сил антиблокировочной системой. Если это случается, то блок управления не может отличить признаки неисправности от нормального функционирования антиблокировочной
системы. Поэтому, при наличии данной неисправности гидрозамедлитель отключается. Сигнализатор неисправности гаснет, как только неисправность устраняется.
Сигнализатор неисправности гидрозамедлителя выключается, если неисправность пропадает.
Устранение неисправности: Предпочтительнее использовать компьютер. Перейдите к проверке входных сигналов и убедитесь в том, что сигнал от системы АБС приходит на штекер 35 блока
управления гидрозамедлителем. Следует помнить, о том, что данный сигнал имеет обратный характер изменения напряжения.
Гидрозамедлитель может осуществлять торможение, только если напряжение сигнала велико (около +24 В). В процессе регулирования тормозных сил антиблокировочной системой электрическая цепь соединяется с массой в самом блоке управления АБС. При этом напряжение сигнала падает до нуля.
Затем проверьте исправность электрических разъемов и электропроводки между блоком управления
гидрозамедлителем и блоком управления АБС. Если причину неисправности здесь также найти не удалось, то неисправен один из двух блоков управления.
Код неисправности 33
Неисправность: Блок управления получает сигнал о том, что выключатель диагностики, расположенный на приборной панели, непрерывно удерживается в нажатом положении в течение 30 минут. Это событие является очень маловероятным и рассматривается, как признак неисправности.
Причина: Возможной причиной является неисправность электрической цепи на участке до штекера 30 блока управления или неисправность выключателя диагностики, который должен при отпускании всегда возвращаться в исходное положение.
Дополнительные сведения: При наличии данной неисправности включение питания бортовой сети приводит к стиранию всех ламповых кодов неисправностей. Однако, коды неисправностей сохраняются в памяти блока управления. Для доступа к кодам неисправностей необходим персональный компьютер с соответствующей диагностической программой.
Устранение неисправности: Проверьте исправность электрических разъемов, электропроводки и выключателя.
Код неисправности 34
Неисправность: Скважность широтно-импульсного сигнала, используемого для управления
топливоподачей на двигателях с системой EDC, равна или превышает 93%. Это событие является очень маловероятным, поскольку даже скважность сигнала, равная 90%, соответствует максимальной подаче
топлива.
Причина: Возможная причина заключается в одном из входных сигналов, которые получает блок
управления EDC: одна из систем, например, противобуксовочная система ASR может "вводить в заблуждение" блок EDC.
Дополнительные сведения: При наличии данного кода неисправности функция стабилизации скорости на спуске не работает. Система круиз-контроля, встроенная в блок управления EDC, не
отключает гидрозамедлитель и моторный замедлитель. Сигнализатор неисправности гаснет, как только неисправность устраняется.
Сигнализатор неисправности гидрозамедлителя выключается, если неисправность пропадает.
Устранение неисправности: Проверьте исправность системы EDC путем считывания кодов неисправностей (при их наличии). Проверьте исправность электрических разъемов и электропроводки
между блоком управления гидрозамедлителем и блоком EDC.
Если автомобиль не оснащен системой EDC и поэтому на нем отсутствует замкнутая электрическая цепь до штекера 12 блока управления, то неисправность заключается в самом блоке управления
гидрозамедлителем.
Код неисправности 35
Неисправность: Широтно-импульсный сигнал, используемый для управления топливоподачей на
двигателях с системой EDC, присутствовал при включении питания бортовой сети и затем неожиданно пропал.
Причина: Возможная причина заключается в неисправности электрической цепи между блоком EDC и блоком управления гидрозамедлителем, что приводит к исчезновению сигнала на штекере 12 блока
управления.
Дополнительные сведения: Система круиз-контроля, встроенная в блок управления EDC, не отключает гидрозамедлитель и моторный замедлитель.
Сигнализатор неисправности гаснет, как только неисправность устраняется.
Обратите внимание, что код неисправности 35 устанавливается только при исчезновении широтно-импульсного сигнала. Код неисправности 35 не устанавливается, если широтно-импульсный сигнал отсутствовал в момент включения питания.
Сигнализатор неисправности гидрозамедлителя выключается, если неисправность пропадает.
Устранение неисправности: Проверьте исправность электрических разъемов и электропроводки между блоком EDC и блоком управления гидрозамедлителем. На автомобилях без системы EDC отсутствует электрическая цепь до штекера 12 блока управления.
Поэтому неисправность заключается в самом блоке управления.
Код неисправности 36
Неисправность: Блок управления не получил сигнал, подтверждающий нажатие на акселератор,
несмотря на то что автомобиль двигался в течение 30 минут и достиг скорости 50 км/ч.
Это событие является очень маловероятным и рассматривается, как признак неисправности.
Причина: На штекере 13 блока управления отсутствует сигнал нажатия на педаль акселератора.
Дополнительные сведения: При наличии данного кода неисправности функция стабилизации скорости не работает. Сигнализатор неисправности гаснет, как только неисправность устраняется, то есть, когда блок управления получает сигнал нажатия на педаль акселератора.
Сигнализатор неисправности гидрозамедлителя выключается, если неисправность пропадает.
Устранение неисправности: Проверьте исправность электрических разъемов, электропроводки и конечного выключателя, встроенного в датчик положения педали акселератора.
Код неисправности 37
Неисправность: Блок управления в течение 30 минут (не менее) не получал сигнала, подтверждающего нажатие на педаль сцепления, несмотря на то что автомобиль достиг скорости 50 км/ч. Это событие является очень маловероятным и рассматривается, как признак неисправности.
Причина: На штекере 50 блока управления отсутствует сигнал положения педали сцепления.
Дополнительные сведения: При наличии данного кода неисправности нажатие на педаль акселератора приводит к отключению гидрозамедлителя и моторного замедлителя, даже если педаль сцепления нажата. Это относится также к функции стабилизации скорости на спуске.
Сигнализатор неисправности выключается, как только блок управления получает сигнал нажатия на педаль сцепления.
Сигнализатор неисправности гидрозамедлителя выключается, если неисправность пропадает.
Устранение неисправности: Проверьте конечный выключатель педали сцепления, электрические разъемы и электропроводку.
Код неисправности 39
Неисправность: Блок управления не получил контрольный сигнал от блока управления АБС. Только
для автомобилей, оснащенных системой АБС.
Причина: Возможно, причина заключается в неисправности системы АБС, неисправности
сигнализатора АБС, расположенного на приборной панели, или в неисправности электрической проводки между блоком управления АБС и блоком управления гидрозамедлителем.
Дополнительные сведения: Контрольный сигнал должен подаваться при включении питания бортовой сети. Затем, при выключении сигнализатора АБС, контрольный сигнал должен исчезать. Блок
управления устанавливает код неисправности 39, если автомобиль уже достиг определенной скорости, а контрольный сигнал отсутствовал.
Обратите внимание на то, что на автомобилях с системой EBS (начиная с версии 2.2) сигнализатор неисправности ABS/EBS выключается, когда блок управления EBS посылает по шине CAN в блок управления гидрозамедлитилем сообщение "ABS fully operational" ("Система АБС полностью исправна").
При наличии неисправности возможность включения гидрозамедлителя с помощью тормозной педали отсутствует. Функция стабилизации скорости на спуске также прекращает работать. Однако, при этом
рычаг управления гидрозамедлителем продолжает выполнять все остальные функции.
Сигнализатор неисправности гидрозамедлителя выключается, если неисправность пропадает.
Устранение неисправности: Проверьте исправность электрических разъемов, сигнализатора неисправности системы АБС, затем проверьте остальные элементы антиблокировочной системы.
Код неисправности 41
Неисправность: Реле, встроенное в блок управления АБС, не прошло проверку, которая выполняется при включении водителем питания бортовой сети.
Причина: Возможна неисправность встроенного реле АБС. Состояние наружной электропроводки не оказывает влияния на данную проверку.
Код неисправности 41 может также устанавливаться, если в любой момент времени напряжение питания блока управления падает ниже 14,5В.
Дополнительные сведения: Сигнализатор неисправности выключится, как только новая проверка реле АБС даст удовлетворительный результат.
Сигнализатор неисправности гидрозамедлителя выключается временно, для того чтобы погасить сигнализатор, необходимо стереть код неисправности
Устранение неисправности: Удалите код неисправности. Несколько раз подряд выключите и включите питание бортовой сети. Проверьте, появился ли код неисправности 41 снова. Если код появился, то необходимо заменить блок управления.
Коды неисправностей 42, 43, 44
Неисправность: Блок управления работает со сбоями или не работает совсем.
Примечание: Коды неисправностей 42, 43 и 44 идентичны и могут устанавливаться независимо друг от друга.
Причина: Неисправность одного из запоминающих устройств блока управления.
Дополнительные сведения: Обычно, диагностика неисправностей с помощью персонального компьютера становится невозможной при наличии подобных серьезных отказов блока управления.
Сигнализатор неисправности гидрозамедлителя выключается только после стирания кода неисправности.
Устранение неисправности: Удалите код неисправности. Несколько раз подряд выключите и включите питание бортовой сети. Проверьте, появился ли код неисправности 42 снова. Если код появился, то необходимо заменить блок управления.
Код неисправности 46
Неисправность: Гидрозамедлитель работает с некоторыми замечаниями.
Причина: Неисправность запоминающего устройства блока управления не позволяет обеспечить
тонкое регулирование силы тока выходного сигнала управления (штекер 2). Поэтому при регулировании пропорционального клапана блок управления вынужден использовать осредненные значения силы тока.
Дополнительные сведения: При появлении данной неисправности блок управления будет использовать фиксированные средние значения.
Гидрозамедлитель при этом работает примерно с той же эффективностью, как и обычно. Поэтому, скоре всего, водитель не заметит какой-либо неисправности. К тому же, код 46 не приводит к включению визуального сигнализатора неисправности, расположенного на приборной панели.
Сигнализатор неисправности гидрозамедлителя не загорается.
Устранение неисправности: Замените блок управления, только если водитель жалуется на плохое управление тормозным моментом гидрозамедлителя. В остальных случаях в этом нет необходимости. Фиксированные значения, используемые блоком управления, как правило, обеспечивают комфортный
уровень и вполне приемлемое качество регулирования тормозного момента гидрозамедлителя.
Код неисправности 47
Неисправность: Неправильный уровень напряжения сигнала от рычага управления. Применяется только для систем, для которых предусмотрена возможность включения с помощью ручного рычага.
Причина: Потенциометр рычага или электрическая цепь между потенциометром и штекером 8
разъема блока управления имеют короткое замыкание или разрыв.
Дополнительные сведения: При наличии неисправности гидрозамедлитель и моторный замедлитель
не могут быть включены с помощью рычага управления.
Блок управления принимает входной сигнал, который приходит на штекер 8 разъема в виде напряжения от 0,25В до 4,75В. Штекер 26, который соединен с массой, используется блоком управления для сравнения напряжения входного сигнала. Код неисправности 47 устанавливается в том случае, если величина напряжения входного сигнала выходит за приведенные выше границы. Напряжение питания (+5В) для потенциометра рычага обеспечивается блоком управления (контактный вывод 44).
Сигнализатор неисправности гаснет, как только напряжение входного сигнала изменяется до приемлемого значения.
В исключительных обстоятельствах код неисправности 47 может также устанавливаться при коротком замыкании в некоторых элементах датчика тормозной педали или в его электропроводке. Это может происходить из-за того, что оба потенциометра, установленные на тормозной педали и на рычаге управления, получают электрическое питание от общего штекера блока управления.
Сигнализатор неисправности гидрозамедлителя гаснет, если неисправность пропадает.
Устранение неисправности: Проверьте исправность электрических разъемов, электропроводки и рычага управления.
Код неисправности 48
Неисправность: Блок управления обнаружил неправильное напряжение входного сигнала от датчика
тормозной педали. Применяется только для систем, для которых предусмотрена возможность включения с помощью тормозной педали.
Причина: Потенциометр тормозной педали или электрическая цепь на участке от потенциометра до штекера 23 блока управления имеют короткое замыкание или разрыв. Другими возможными причинами
неисправности является неправильная регулировка тормозной педали или тормозного крана.
Дополнительные сведения: Наличие неисправности не позволяет включить функцию стабилизации скорости автомобиля на спуске и гидрозамедлитель с помощью педали.
При отпущенной тормозной педали напряжение входного сигнала, который приходит на штекер 23 блока управления, должно находиться в пределах от 0,15В до 0,85В. Штекер 4, который соединен с
массой, используется блоком управления для сравнения напряжения входного сигнала.
Напряжение питания (+5В) для датчика тормозной педали обеспечивается блоком управления (контактный вывод 41). Код неисправности 48 устанавливается, только если напряжение входного сигнала при отпущенной педали падает ниже 0,15В. Если напряжение входного сигнала выше 0,85В,
то устанавливается код неисправности 28.
Сигнализатор неисправности гаснет, как только напряжение входного сигнала изменяется до приемлемого значения.
В исключительных обстоятельствах код неисправности 48 может также устанавливаться при коротком замыкании в некоторых элементах потенциометра рычага управления или в его электропроводке. Это может происходить из-за того, что оба потенциометра, установленные на тормозной педали и на
рычаге управления, получают электрическое питание от общего штекера блока управления.
Сигнализатор неисправности гидрозамедлителя гаснет, если неисправность пропадает.
Устранение неисправности: Проверьте исправность электрических разъемов, электропроводки и
потенциометра датчика тормозной педали.
Код неисправности 49
Неисправность: Блок управления получил сигнал тревоги от блока управления АБС. Применяется
только для автомобилей, оснащенных АБС.
Причина: Возможна неисправность антиблокировочной системы (АБС), неисправность сигнализатора АБС, расположенного на приборной панели, или неисправность электрической цепи на участке между блоком управления АБС и штекером 14 блока управления гидрозамедлителем.
Дополнительные сведения: При наличии неисправности включение гидрозамедлителя с помощью тормозной педали невозможно. Функция стабилизации скорости на спуске также прекращает
работать. Однако, при этом рычаг управления гидрозамедлителем продолжает выполнять все остальные функции. Если код неисправности 49 занесен в память блока управления, то сигнализатор неисправности гидрозамедлителя не выключится до тех пор, пока не погаснет сигнализатор
неисправности АБС. В некоторых случаях для этого требуется, чтобы автомобиль двигался со скоростью, не менее 7 км/ч. Обратите внимание, что если автомобиль оснащен системой EBS (начиная с версии 2.2), то сигнализатор неисправности ABS/EBS может гореть без отключения функции
управления гидрозамедлителем от тормозной педали. Для этих систем функция управления гидрозамедлителем от тормозной педали выключается, когда блок управления EBS прекращает передавать по шине CAN для блока управления гидрозамедлителем сообщения"ABS fully operational" (Система АБС полностью исправна).
Сигнализатор неисправности гидрозамедлителя гаснет после сигнализатора неисправности ABS/EBS.
Устранение неисправности: Начните с проверки исправности системы АБС. Затем проверьте исправность электрических разъемов и электропроводки.
Если автомобиль не оснащен системой АБС и поэтому на нем отсутствует замкнутая электрическая цепь до штекера 14 блока управления, то неисправность заключается в самом блоке управления
гидрозамедлителем.
Код неисправности 51
Неисправность: Блок управления не соответствует гидрозамедлителю.
Причина: Блок управления настроен на вариант гидрозамедлителя, которым он не может управлять с помощью имеющейся компьютерной программы. Этому могут быть две причины. Одна из них заключается в том, что неправильно задана конфигурация блока управления (при этом тип блока управления соответствует гидрозамедлителю). Это приводит к тому, что блок управления функционирует так, как он бы это делал в случае установки на автомобиль другого варианта
гидрозамедлителя. Вторая причина заключается в том, что блок управления слишком устарел для данного гидрозамедлителя.
Дополнительные сведения: Невозможно задать конфигурацию блока управления для специальных вариантов, которые требуют измененных компьютерных программ.
Сигнализатор неисправности гидрозамедлителя выключается только после стирания кода неисправности.
Устранение неисправности: 1. Используйте программу Scania Programmer, которая
поставляется на компакт-диске
Код неисправности 52
Неисправность: В течение 30 минут (не менее) блок управления не получил подтверждения того,
что напольный выключатель моторного замедлителя был отпущен. Это событие является очень маловероятным и рассматривается, как признак неисправности. (Напольный выключатель
не устанавливается в качестве стандартного оборудования.)
Причина: Возможна неисправность напольного выключателя или электрической цепи на участке до штекера 51. Кроме того, проверьте возможность того, что водитель держит ногу на напольном выключателе на ходу автомобиля.
Дополнительные сведения: Напольный выключатель не может использоваться для включения моторного замедлителя до тех пор, пока блок управления не получит сигнал о том, что напольный выключатель был отпущен.
Визуальный сигнализатор гаснет, как только блок управления получит сигнал о том, что напольный выключатель отпущен.
Однако, сигнализатор снова загорается, если напольный выключатель будет удерживаться в нажатом положении в течение по крайней мере 2 минут.
Сигнализатор неисправности гидрозамедлителя выключается временно, для того чтобы погасить сигнализатор, необходимо стереть код неисправности.
Устранение неисправности: Проверьте исправность напольного выключателя, электрических разъемов и электрической цепи на участке до штекера 51 блока управления.
Код неисправности 61 (грузовые автомобили)
Неисправность: Блок управления работает со сбоями или не работает совсем.
Причина: Неисправность запоминающего устройства блока управления, которое работает с
шиной CAN.
Дополнительные сведения: Обычно, диагностика неисправностей с помощью персонального компьютера становится невозможной при наличии подобных серьезных отказов блока управления.
Сигнализатор неисправности гидрозамедлителя выключается только после стирания кода неисправности.
Устранение неисправности: Удалите код неисправности. Несколько раз подряд выключите и снова включите питание бортовой сети. Проверьте, не появился ли снова код неисправности 61.
Если код неисправности 61 появился опять, то необходимо заменить блок управления.
Код неисправности 61 (автобусы)
Неисправность: Блок управления работает со сбоями или не работает совсем.
Причина: Неисправность запоминающего устройства блока управления, которое работает с
шиной CAN.
Дополнительные сведения: Этот код неисправности не должен появляться, поскольку на автобусах,
оснащенных блоком управления гидрозамедлителем данной модели, передача данных по шине CAN не
используется.
Сигнализатор неисправности гидрозамедлителя выключается только после стирания кода неисправности.
Устранение неисправности: Удалите код неисправности.
Последовательно несколько раз подряд выключите и включите питание бортовой сети. Проверьте, не появился ли снова код неисправности 61. Проверьте параметры конфигурации блока управления,
определяющие взаимодействие с шиной CAN. Блок управления не должен обмениваться данными по шине CAN. Если при конфигурации был задан обмен данными по шине CAN, то необходимо изменить конфигурацию блока управления с помощью программы Scania Programmer.
Если действия, описанные выше, не помогают, то необходимо заменить блок управления.
Код неисправности 62 (грузовые автомобили)
Неисправность: Отсутствует сигнал связи от блока управления EDC.
Причина: Существует длительная задержка сигнала, ожидаемого от блока управления EDC.
Сигнал передается по линиям шины "CAN LOW" и "CAN HIGH", которые подключены соответственно к штекерам 39 и 40 блока управления гидрозамедлителем.
Дополнительные сведения: Этот код неисправности не должен появляться, поскольку на грузовых
автомобилях, оснащенных блоком управления гидрозамедлителем данной модели, обмен данными по шине CAN между блоком управления гидрозамедлителем и блоком управления EDC не используется.
Сигнализатор неисправности гидрозамедлителя выключается, если неисправность пропадает.
Устранение неисправности: Удалите код неисправности. Несколько раз подряд выключите и снова включите питание бортовой сети. Проверьте, не появился ли снова код неисправности 62.
Проверьте параметры конфигурации блока управления, определяющие взаимодействие с шиной CAN. Блок управления не должен обмениваться данными по шине CAN. Если при конфигурации был задан обмен данными по шине CAN, то необходимо изменить конфигурацию блока управления с
помощью программы Scania Programmer.
Если действия, описанные выше, не помогают, то необходимо заменить блок управления.
Код неисправности 62 (автобусы)
Неисправность: Отсутствует сигнал связи от блока управления EDC.
Причина: Существует длительная задержка сигнала, ожидаемого от блока управления EDC.
Сигнал передается по линиям шины "CAN LOW" и "CAN HIGH", которые подключены соответственно к штекерам 39 и 40 блока управления гидрозамедлителем.
Дополнительные сведения: Этот код неисправности не должен появляться, поскольку на автобусах,
оснащенных блоком управления гидрозамедлителем данной модели, передача данных по шине CAN не
используется.
Сигнализатор неисправности гидрозамедлителя выключается, если неисправность пропадает.
Устранение неисправности: Удалите код неисправности. Несколько раз подряд выключите и снова включите питание бортовой сети. Проверьте, не появился ли снова код неисправности 62.
Проверьте параметры конфигурации блока управления, определяющие взаимодействие с шиной CAN. Блок управления не должен обмениваться данными по шине CAN. Если при конфигурации был задан обмен данными по шине CAN, то необходимо изменить конфигурацию блока управления с помощью программы Scania Programmer.
Если действия, описанные выше, не помогают, то необходимо заменить блок управления.
Код неисправности 63 (грузовые автомобили)
Неисправность: Отсутствует сигнал связи от блока управления EBS.
Причина: Существует длительная задержка сигнала, ожидаемого от блока управления EBS.
Сигнал передается по линиям шины "CAN LOW" и "CAN HIGH", которые подключены соответственно к штекерам 39 и 40 блока управления гидрозамедлителем.
Дополнительные сведения: Блок управления гидрозамедлителем постоянно получает сообщения от блока управления EBS и, таким образом, контролирует работоспособность канала передачи данных. Если эти сообщения отсутствуют, то устанавливается код неисправности 63 и включается
сигнализатор неисправности гидрозамедлителя.
Сигнализатор неисправности гидрозамедлителя выключается, если неисправность пропадает.
Устранение неисправности: Проверьте наличие кодов неисправностей, хранящихся в памяти блока управления EBS.
Проверьте электрические разъемы и электропроводку цепи передачи данных.
Код неисправности 63 (автобусы)
Неисправность: Отсутствует сигнал связи от блока управления EBS.
Причина: Существует длительная задержка сигнала, ожидаемого от блока управления EBS.
Сигнал передается по линиям шины "CAN LOW" и "CAN HIGH", которые подключены соответственно к штекерам 39 и 40 блока управления гидрозамедлителем.
Дополнительные сведения: Этот код неисправности не должен появляться, поскольку на автобусах,
оснащенных блоком управления гидрозамедлителем данной модели, передача данных по шине CAN не
используется.
Сигнализатор неисправности гидрозамедлителя выключается, если неисправность больше не существует.
Устранение неисправности: Удалите код неисправности. Несколько раз подряд выключите и снова включите питание бортовой сети. Проверьте, не появился ли снова код неисправности 63.
Проверьте параметры конфигурации блока управления, определяющие взаимодействие с шиной CAN. Блок управления не должен обмениваться данными по шине CAN. Если при конфигурации был задан обмен данными по шине CAN, то необходимо изменить конфигурацию блока управления с
помощью программы Scania Programmer.
Если действия, описанные выше, не помогают, то необходимо заменить блок управления.