Автономный отопитель Eberspächer
с электронным модулем ACH-EW DAF


Источник электропитания и "масса" электронного блока ACH-EW (D979)


Напряжение питания
Напряжение 24 В
Минимальное напряжение 20 В
Максимальное напряжение 30 В
Потребление электрической мощности
Пусковая мощность 115 Вт
Низкая мощность 33 Вт
Герметик ЭБУ
Складской № DAF 1322823
Сигналы состояния электронного блока ACH-EW (D979)

Линия K электронного блока ACH-EW

Топливный насос, обогреватель кабины (B122)

Включение топливоподкачивающего насоса

Значение проверки подачи топливного насоса
Проверьте подачу топливного насоса с помощью сканера
Топливный насос
Коэффициент сопротивления 20 Ом при 25°C
Датчик обнаружения пламени (F626)


Датчик обнаружения пламени

Сопротивление 1100 ± 11 Ом при 25 °C
Датчик перегрева (F627)

Датчик перегрева

Сопротивление 10 кОм при 25 °C
Допустимое отклонение: ± 5%
Датчик температуры охлаждающей жидкости (F734)

Датчик температуры охлаждающей жидкости

Коэффициент сопротивления 1000 Ом при 25°C
Свеча предпускового подогрева (B168)


Свеча предпускового подогрева
Сопротивление 2 Ом при 25°C
Установка сгорания, дополнительный нагрев (F305)


Напряжение питания для двигателя вентилятора установки сгорания
Скорость установки сгорания
- Пусковая мощность 7300 об/мин
- Полная мощность 4900 об/мин
- Средняя мощность 3900 об/мин
- Низкая мощность 2000 об/мин
Емкость
- Пусковая мощность 9,5 кВт
- Полная мощность 6,0 кВт
- Средняя мощность 3,5 кВт
- Низкая мощность 1,5 кВт
Расход топлива
- Пусковая мощность 1,20 л/ч
- Полная мощность 0,76 л/ч
- Средняя мощность 0,44 л/ч
- Низкая мощность 0,18 л/ч
- Топливо дизельное топливо
Двигатель вентилятора установки сгорания
- Коэффициент сопротивления 1,3 Ом при 25°C
CO2, в процентах
- на полной мощности макс. 13%
Герметик крышки установки сгорания
- DAF № 1246867
Насос, водяной, дополнительный нагрев (B456)

Электропитание насоса циркуляции
охлаждающей жидкости
- Напряжение насоса циркуляции охлаждающей жидкости через 80 миллисекунд мин. 14,4 В
значение проверки подачи насоса охлаждающей жидкости
- Количество при 0,14 бар 1400 л/ч
- Минимальное количество 500 л/ч
- Коэффициент сопротивления насоса циркуляции охлаждающей жидкости 9,1 Ом при 25°C
Панель управления блоком термостата (E579)

Потенциометр для настройки температуры на панели управления

Датчик температуры в кабине

Панель управления таймера (E580)

Потенциометр для настройки температуры на панели управления

Датчик температуры в кабине

Работа обогревателя кабины
Совместно с системой обогрева автомобиля Hydronic 10 (ACH-EW) используется для:
- прогрева двигателя;
- прогрева салона кабины;
- размораживания стекол.
Обогреватель кабины подсоединен к системе охлаждения автомобиля, электрической системе и топливной системе.
Таким образом, обогреватель кабины является частью автомобиля.
На автомобиле, оборудованном для перевозки опасных материалов, обогреватель кабины автоматически отключается при остановке двигателя или включении МОМ.

Обогреватель кабины состоит из трех основных частей: самого обогревателя кабины, блока
управления обогревом (6) и управляющего блока (3).
Обогреватель кабины устанавливается в стандартной комплектации с термостатом (4).
Обогреватель кабины включается путем перевода переключателя на приборной панели (2) в положение "вкл." и установкой обогрева кабины на максимум. Теперь система обогрева будет разогревать только блок цилиндров двигателя. Если включается переключатель (9) и выставляется регулятор температуры (4) на панели управления (3), вентилятор кабины включается, когда температура охлаждающей жидкости превышает 0 °C. Подогретый воздух теперь подается в кабину.
Температура в кабине регулируется до заданной температуры при помощи датчика температуры в кабине (5) и регулятора температуры (4).
Обогреватель кабины работает на дизельном топливе, подаваемом топливным насосом (19) из топливного бака в камеру сгорания (11). Дизельное топливо распыляется камерой сгорания и смешивается для достижения наиболее полного сгорания. Охлаждающая жидкость в теплообменнике (14) подогревается теплом, выделяющимся в трубопроводе камеры сгорания (12). Установка сгорания (15) обеспечивает подачу воздуха, необходимого для горения, в печку. Зажигание производится запальным штифтом (7), на который ЭБУ (6) при запуске подает импульсы.
Линия охладителя идет вокруг теплообменника (14) по спирали. Насос для циркуляции охлаждающей жидкости подает "холодную" охлаждающую жидкость вдоль теплообменника (14), где она нагревается; затем охлаждающая жидкость попадает в систему охлаждения автомобиля через выходное отверстие в верхней части.
Насос для циркуляции охлаждающей жидкости (17) обеспечивает циркуляцию охлаждающей жидкости по всей системе охлаждения, пока двигатель не работает. Если клапан в кабине открыт полностью и вентилятор обогревателя переведен в положение "1", кабина обогревается подогретым воздухом, подаваемым вокруг нее (при температуре охлаждающей жидкости свыше 0°C). Охлаждающая жидкость покидает обогреватель кабины и возвращается в насос для циркуляции охлаждающей жидкости обогревателя кабины через блок цилиндров двигателя.
Если обогреватель кабины используется при включенном двигателе, то оба насоса охлаждающей жидкости обеспечивают ее циркуляцию.
ЭБУ (6) обрабатывает информацию, поступающую с датчиков. ЭБУ (6) управляет системой, используя эту информацию.
Датчик воспламенения (16) проверяет наличие пламени во время сгорания и передает сигнал на ЭБУ (6).
Температура охлаждающей жидкости измеряется датчиком температуры охлаждающей жидкости (10) в точке, где охлаждающая жидкость покидает кабину.
Датчик температуры охлаждающей жидкости (10) передает сигнал на ЭБУ (6). Датчик Холла, установленный в установке сгорания (15), передает сигнал на ЭБУ (6). Этот ЭБУ проверяет, были ли достигнуты желаемые обороты двигателя.
Максимальная температура отслеживается датчиком перегрева (13), который также передает сигнал на ЭБУ (6). Если система перегревается, коэффициент сопротивления датчика перегрева (13) понижается до минимального значения. Это заставляет ЭБУ (6) выключить топливный насос (19) и погасить пламя в камере сгорания (11).
Начинается фаза завершения работы.
Во время фазы завершения работы установка сгорания (15), обогреватель кабины и насос для циркуляции охлаждающей жидкости (17) остаются включенными. Теперь временно включается запальный штифт (7). Это необходимо для сгорания остатков топлива в камере сгорания (11) настолько полно, насколько возможно, и очистки камеры сгорания.
После угасания запального штифта (7) установка сгорания (15), обогреватель кабины и насос для циркуляции охлаждающей жидкости (17) остаются включенными для быстрейшего охлаждения системы.
Температура в кабине измеряется датчиком температуры в кабине (5) и сравнивается с температурой, заданной на панели управления (3). При достижении заданной температуры панель управления (3) выключает вентилятор обогрева, пока температура в кабине не опустится ниже заданного значения, затем вентилятор обогрева включается снова.
Топливодозирующий насос (B122)

Топливодозирующий насос (1) передает топливо, необходимое для сгорания из топливного бака в печку. Под давлением в топливодозирующем насосе топливо впрыскивается и распыляется через отверстия в печке в камеру сгорания теплообменника.
Топливодозирующий насос представляет собой плунжерный насос, который приводится в действие за счет импульсов, подаваемых от электронного блока.
Для обеспечения автоматического стравливания топливодозирующий насос всегда устанавливается нагнетательной стороной вверх. На стороне всасывания топливодозирующего насоса установлен фильтр (4) для предотвращения подачи загрязненного топлива из бака в печку дополнительного обогревателя. Данный фильтр предотвращает блокировку маленьких выходных отверстий печки.
Свеча предпускового подогрева, дополнительный нагрев (B168)

Свеча предпускового подогрева обеспечивает воспламенение топлива при запуске дополнительного обогревателя.
Когда дополнительный обогреватель включается, электронный блок подает напряжение на свечу предпускового подогрева. За счет этого свеча предпускового подогрева нагревается.
Свеча предпускового подогрева нагревает воздух, нагнетаемый вентилятором горения, что создает идеальную среду горения. После того как свеча предпускового подогрева достаточно нагреет камеру сгорания теплообменника, печка распыляет топливо в данной камере. В результате распыления топлива в камере сгорания и высокой температуры топливо воспламеняется. Тепло от сгорания поглощается теплообменником.
Когда дополнительный обогреватель выключается, свеча предпускового подогрева снова включается. Таким образом удаляются остатки процесса сгорания.
Если электрический блок обнаруживает неисправную свечу предпускового подогрева, дополнительный обогреватель не запускается.
Датчик обнаружения пламени (F626)
Датчик обнаружения пламени имеет две функции.
Когда включается обогреватель кабины, приводятся в действие вентилятор и нить предпускового
подогрева. После достаточного предварительного нагрева камеры сгорания в камеру сгорания
впрыскивается топливо. Датчик обнаружения пламени служит для определения того, сгорело ли
распыленное топливо. Если после распыления пламя не обнаружено, электрический блок прекращает
подачу топлива в печку.
Электрический блок автоматически пытается повторно запустить обогреватель кабины. Если
обогреватель кабины снова не запускается в течение 90 секунд, включается режим неисправности
обогревателя кабины.
После запуска обогревателя кабины датчик обнаружения пламени проверяет, погасло ли пламя. Если
пламя гаснет, значит, не все распыленное топливо сгорело, оставив осадок из несгоревшего топлива в камере сгорания. Для предотвращения этого датчик обнаружения пламени проверяет, сгорело ли распыленное топливо.
Если пламя не обнаружено, электрический блок прекращает подачу топлива в печку.
Электрический блок автоматически пытается повторно запустить обогреватель кабины. Если
дополнительный обогреватель не включается, или если пламя снова затухает в течение 15 минут,
включается режим неисправности обогревателя кабины.
Датчик перегрева (F627)
Датчик перегрева следит за тем, чтобы обогреватель не перегрелся.
Температура обогревателя возрастает в тот момент, когда в камере сгорания сгорает слишком много
топлива, или теплообменник забирает слишком мало тепла. При чрезмерном нагреве обогревателя датчик перегрева определяет это состояние, и электронный блок прекращает впрыск топлива. При этом сгорание останавливается. Вентилятор обогревателя остается включенным для охлаждения обогревателя.
Обогреватель кабины переходит в режим неисправности и не перезапускается. После устранения
причины перегрева обогреватель кабины можно перезапустить, выключив и снова включив его.
Датчик температуры охлаждающей жидкости (F734)
Датчик температуры охлаждающей жидкости передает сигнал, сообщающий температуру
охлаждающей жидкости. Датчик относится к типу PTC (положительный температурный коэффициент). Чем выше температура, тем выше сопротивление датчика.
Насос для циркуляции охлаждающей жидкости (B456)
Насос для циркуляции охлаждающей жидкости расположен под обогревателем кабины. Насос для
циркуляции охлаждающей жидкости обеспечивает циркуляцию охлаждающей жидкости, нагретой
обогревателем, через двигатель и обогреватель. Насос приводится в действие электроникой блока
управления обогревателем.
Панель управления термостата

1. Поворотный переключатель для регулирования температуры
2. Контрольный индикатор
3. Вкл./выкл.
Панель управления таймера (E580)

1. Настройка времени
2. Время включения программы
3. Вкл./выкл. дополнительного обогревателя
4. Уменьшение
5. Увеличение
6. Программа памяти
7. Дата
8. Время
9. Температура
10.Дополнительный обогреватель кабины включен
11.Поворотный переключатель для регулировки температуры
Запуск обогревателя кабины
На следующем рисунке представлен поэтапный обзор работы различных деталей.

- A Переключатель и клапан обогревателя
- B Включение светодиодного индикатора при нажатии на переключатель на панели управления
- C Работа нити предпускового подогрева
- D Работа камеры сгорания
- E Работа топливодозирующего насоса
- F Работа датчика воспламенения
- G Работа насоса для циркуляции охлаждающей жидкости
Блок-схема
≤ 200640
Блок-схема K102216 относится к:
- Автомобиль CF85 IV/XF105, дата выпуска не позднее 40 недели 2006 г.
Объяснение блок-схемы
A Автомобили для транспортировки опасных веществ
B Версия с системой сигнализации C Версия с таймером

- A100 Разъем, диагностика HD-OBD (16-контактный)
- B122 Топливный насос, обогреватель кабины Eberspächer
- B168 Свеча предпускового подогрева, дополнительный обогрев Eberspächer
- B456 Насос, циркуляция охлаждающей жидкости
- B473 Обогреватель
- C750 Переключатель, управление МОМ 1
- C751 Переключатель, управление МОМ 2
- C778 Переключатель, обогреватель кабины
- D310 ЭБУ, VIC-2
- D911 ЭБУ, сигнализация ALS-S
- D979 ЭБУ, ACH-EW
- D993 ЭБУ, электронный модуль Body Builder Module
- E031 Предохранитель, вентилятор обогревателя
- E053 Предохранитель, диагностический разъем (16-контактный)
- E084 Предохранитель, освещение
- E114 Предохранитель, обогреватель кабины
- E571 Переключатель, обогреватель кабины
- E579 Термостат, дополнительный обогреватель
- E580 Таймер, дополнительный обогреватель
- F305 Камера сгорания
- F509 Датчик температуры, кабина
- F626 Датчик, обнаружение пламени
- F627 Датчик, перегрев
- F734 Датчик, температура охлаждающей жидкости
- G170 Реле, вентилятор кабины, ACH-EW
- G247 Реле, вентилятор обогревателя
≥ 200641, ≤ 200924
Блок-схема K102500 относится к:
- Версия CF85 IV/XF105, дата выпуска не ранее 41 недели 2006 г. и не позднее 24 недели 2009 г.
Объяснение блок-схемы
A Автомобили для транспортировки опасных веществ
B Версия с системой сигнализации C Версия с таймером

- A100 Разъем, диагностика HD-OBD (16-контактный)
- B122 Топливный насос, обогреватель кабины Eberspächer
- B168 Свеча предпускового подогрева, дополнительный обогрев Eberspächer
- B456 Насос, циркуляция охлаждающей жидкости
- B473 Обогреватель
- C750 Переключатель, управление МОМ 1
- C751 Переключатель, управление МОМ 2
- C940 Переключатель, обогреватель кабины
- D310 ЭБУ, VIC-2
- D911 ЭБУ, сигнализация ALS-S
- D979 ЭБУ, ACH-EW
- D993 ЭБУ, электронный модуль Body Builder Module
- E031 Предохранитель, вентилятор обогревателя
- E053 Предохранитель, диагностический разъем (16-контактный)
- E084 Предохранитель, освещение
- E114 Предохранитель, обогреватель кабины
- E571 Переключатель, обогреватель кабины
- E579 Термостат, дополнительный обогреватель
- E580 Таймер, дополнительный обогреватель
- F305 Камера сгорания
- F509 Датчик температуры, кабина
- F626 Датчик, обнаружение пламени
- F627 Датчик, перегрев
- F734 Датчик, температура охлаждающей жидкости
- G170 Реле, вентилятор кабины, ACH-EW
- G247 Реле, вентилятор обогревателя
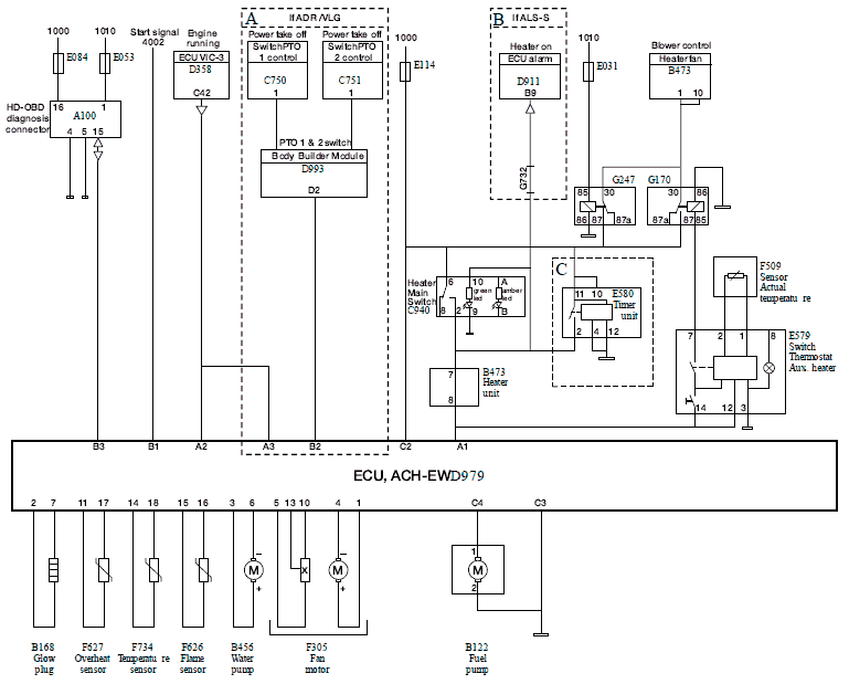
≥ 200925
Блок-схема K102793 относится к:
- Автомобиль CF85 IV/XF105, дата выпуска не ранее 25 недели 2009 г.
Объяснение блок-схемы
A Автомобили для транспортировки опасных веществ
B Версия с системой сигнализации C Версия с таймером

- A100 Разъем, диагностика HD-OBD (16-контактный)
- B122 Топливный насос, обогреватель кабины Eberspächer
- B168 Свеча предпускового подогрева, дополнительный обогрев Eberspächer
- B456 Насос, циркуляция охлаждающей жидкости
- B473 Обогреватель
- C750 Переключатель, управление МОМ 1
- C751 Переключатель, управление МОМ 2
- C940 Переключатель, обогреватель кабины
- D358 ЭБУ, VIC-3
- D911 ЭБУ, сигнализация ALS-S
- D979 ЭБУ, ACH-EW
- D993 ЭБУ, электронный модуль Body Builder Module
- E031 Предохранитель, вентилятор обогревателя
- E053 Предохранитель, диагностический разъем (16-контактный)
- E084 Предохранитель, освещение
- E114 Предохранитель, обогреватель кабины
- E571 Переключатель, обогреватель кабины
- E579 Термостат, дополнительный обогреватель
- E580 Таймер, дополнительный обогреватель
- F305 Камера сгорания
- F509 Датчик температуры, кабина
- F626 Датчик, обнаружение пламени
- F627 Датчик, перегрев
- F734 Датчик, температура охлаждающей жидкости
- G170 Реле, вентилятор кабины, ACH-EW
- G247 Реле, вентилятор обогревателя
Информация о расположении, Hydronic 10 (ACH-EW)
