Подписчикам
"Большой энциклопедии
для автоэлектриков
и диагностов"
доступно 52 гиг. информации
по спецтехнике
KOMATSU
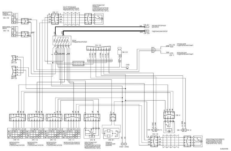
Электрические схемы Komatsu D375A-5D
Электросхема 1/2
Электросхема 2/2
Кабина
Продолжение информации и в полном объеме - только в


