Ремонт Denoxtronic SCR SCANIA (рекомендации Bosch)
При ремонте блока обязательно производится замена уплотнений. Смазка уплотнений - только глицерином!!
Влияние загрязнений (в зависимости от размера частиц)
- менее 0,05 мм - приводит к засорению фильтра.
- 0,05... 0,10 мм - повреждение движущихся частей.
- 0,1... 0,4 мм - приводят к появлению утечек через уплотнения.
- более 0,4 мм - повреждают насос и дозатор
Перед снятием компонентов системы с автомобиля обязательно очистить ее снаружи водой. При расстыковке трубок с реагентом - принять меры к защите электрических соединений!



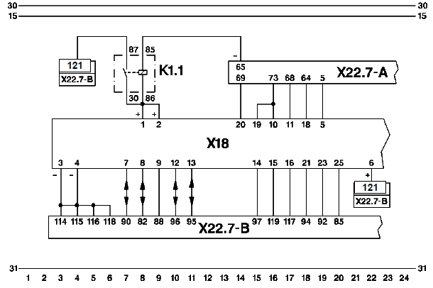
К1.1 - основное реле
Х18 - наружный разъем блока Denoxtronic
Х22.7А, Х22.7-В - разъемы блока управления

E6.32 - Внутреннее отопление шланга насос / фильтр,
E6.40 - отопительный элемент фильтра,
E6.41 - обогрев клапана обратки,
K1.1 - основное реле
Y13.2 - насос AdBlue

B2.79 - сенсор давления реагента,
B2.85 - сенсор сжатого воздуха 1,
B2.86 - сенсор сжатого воздуха 2,
B3.98 - сенсор температуры AdBlue,
E6.41 - обогрев клапана обратного слива реагента,
Y10.226 - клапан подачи воздуха,
Y10.253 - клапан обратного слива AdBlue

E6.23 - отопительный элемент насосов
E6.32 - Внутреннее отопление шланга насос / фильтр
E6.33 - подогрев шланга подачи реагента
E6.34 - Внутреннее отопление шланга линию обратного слива
E6.40 - отопительный элемент фильтра
E6.41 - отопительный элемент клапана обратного слива
Y13.2 - насос AdBlue

Разъемы подогревателей
1 - Внутреннее отопление шланга подачи реагента. (20 - 30 Ом)
2 - подогрев клапана обратного слива (30 - 50 Ом)
3 - подогрев фильтра реагента (1,5 - 3,5 Ом)
4 - подогрев шланга насос / фильтр (10 - 20 Ом)
5 - Подогрев трубки к клапану обратного слива (10 - 20 Ом)
Цветное опознавание: светлосинее



Коды неисправности блока Bosch Denoxtronic
1 Сообщения CAN от блока управления двигателя, неверные сообщения
2 Сообщения CAN от блока управления двигателя. Неправильные сообщения о температуре охлаждающей жидкости
3 Сообщения CAN от блока управления двигателя. Неправильные сообщения об окружающих условиях (наружная температура?)
4 Сообщения CAN от блока управления двигателя. Неправильные сообщения о подаче воздуха в двигатель и выхлопной системе (давление турбины?)
5 Сообщения CAN от блока управления двигателя. Неправильные сообщения о фактическом крутящем моменте
8 Сообщения CAN от блока управления двигателя. Неправильные сообщения о требуемой дозировке реагента
9 Неправдоподобная реакция клапана подачи воздуха
10 Неправдоподобная реакция клапана обратного слива AdBlue
11 Неправдоподобный сигнал числа оборотов насоса реагента
12 Неправдоподобный сигнал давления реагента
13 Неправдоподобная реакция клапана подачи воздуха
14 Температура реагента, неправдоподобный сигнал при запуске
15 Неправдоподобный сигнал числа оборотов насоса реагента
16 Неправдоподобная реакция клапана обратного слива AdBlue
17сДозатор - обрыв или замыкание
18 Обрыв проводки клапана подачи воздуха
19 Обрыв подогрева бака с реагентом
21 Датчик уровня реагента в баке - обрыв или замыкание
23 Лампа индикации неисправности системы - обрыв или замыкание
24 Клапан слива реагента в обратку - обрыв или замыкание
25 Датчик температуры бака реагента, сигнал выше или ниже нормы
26 Температура выхлопного газа перед катализатором, сигнал выше или ниже нормы
27 Температура выхлопного газа после катализатора, сигнал выше или ниже нормы
28 Датчик уровня реагента в баке - сигнал выше или ниже нормы
30 Датчик давления реагента - сигнал выше или ниже нормы
31 Датчик давления воздуха 1 - сигнал выше или ниже нормы
32 Низкое напряжение электропитания
33 Слишком высокое напряжение электропитания
34 Ошибка памяти EEPROM,
38 Управление главным реле (включается слишком рано или слишком поздно)
43 Неправильные сообщения по шине CAN от блока управления двигателя - некорректный расчет дозирования
44 Некорректный сигнал датчика температуры модуля AdBlue, сигнал выше или ниже нормы
45 Блокирован насос подачи реагента
47 Неправильный алгоритм (кривая дозирования) реагента в зависимости от момента двигателя
48 Заблокирован дозатор реагента (контур реагента)
49 Неправильное напряжение на шине «15» электропитания (при вкл.зажигании)
50 Клапан подачи воздуха - неправдоподобное поведение в закрытом состоянии
51 Температура дозатора, сигнал выше или ниже нормы
52 Счетчик циклов замораживания
54 Катализатор выхлопного газа, неисправность
55 Отопительный элемент дозатора - обрыв или замыкание
56 Отопительный элемент шланга к дозатору - обрыв или замыкание
57 Отопительный элемент линию выравнивания давления обрыв или замыкание
58 Отопительный элемент линию скопления, обрыв или замыкание
59 Отопительный элемент шланга обратного слива, обрыв или замыкание
61 Неправильный режим подогрева реагента
62 Нарушение работы отопления бака, дозатора или электроотопления
63 Сигнал температура выхлопного газа после катализатора неправдоподобен
64 Сигнал температуры бака с реагентом неправдоподобен
65 Неправдоподобный сигнал температура модуля AdBlue
68 Ошибка NOx
69 Ошибка NOx
70 Ошибка шины CAN датчика NOx,
71 Датчик атмосферного давления - сигнал выше или ниже нормы
73 Датчик сжатого воздуха 2, сигнал выше или ниже нормы
74 Неправильное давление воздуха после дросселя
75 Отключение системы по перегреву или утечке реагента
76 Отопительные элементы насос / фильтр, обрыв или замыкание
77 Датчики давления воздуха, превышены предельные значения
78 Внутренние электроподогревы - обрыв или замыкание
79 Датчики 1: неправильное напряжение питания или ошибка памяти RAM
80 Датчики 2: неправильное напряжение питания или ошибка памяти RAM
81 Неисправность (CAN ?) датчика уровня реагента в баке
82 Бак с реагентом пустой
83 Неисправность (CAN ?) датчика температуры реагента в баке
84 Датчик уровня реагента, неправдоподобный расход AdBlue
85 Напряжение питания слишком низкое или слишком высокое
86 Ошибка связи или неправильная работа системы обработки газов
87 Датчик давления реагента, сигнал неправдоподобен
88 Температура модуля AdBlue, сигнал неправдоподобен
89 Неправдоподобный сигнал температура выхлопного газа до катализатора
90 Неправдоподобный сигнал температура выхлопного газа после катализатора
91 Клапан отопления танка AdBlue, вентиль блокирован в открытом состоянии
92 Датчик температуры бака реагента, сигнал неправдоподобен
93 Признак негерметичности реагента, Динамичная не плотность
94 Признак негерметичности реагента, Статическая не плотность
95 Датчик давления реагента, сигнал во время холостого хода неправдоподобен
96 Датчик сжатого воздуха, сигнал во время холостого хода неправдоподобен
97 Клапан обратного слива, сигнал при холостом ходе неправдоподобен
98 Сообщение CAN о частоте вращения двигателя некорректно
99 Сообщение CAN о крутящем моменте двигателя некорректно
100 Отсутствует или некорректно сообщение CAN о температуре двигателя
101 Отсутствует или некорректно сообщение CAN о температуре двигателя
102 Отсутствует или некорректно сообщение CAN об атмосферном давлении
103 Отсутствует или некорректно сообщение CAN о давлении наддува
104 Отсутствует или некорректно сообщение CAN о температуре наддува
105 Отсутствует или некорректно сообщение CAN об окружающей температуре
106 Отсутствует или некорректно сообщение CAN о температуре бака реагента
107 Отсутствует или некорректно сообщение CAN об уровне реагента
108 Отсутствует или некорректно сообщение CAN о подаче топлива
109 Отсутствует или некорректно сообщение CAN о скорости автомобиля
110 Отсутствует или некорректно сообщение CAN об управлении крутящим моментом двигателя
111 Отсутствует или некорректно сообщение CAN о дозировании и подогреве
112 Отсутствует или некорректно сообщение CAN о дозировании реагента
113 Информация об окружающей температуре - слишком низкая или высокая
114 Отсутствует или некорректно сообщение CAN уровня реагента в баке
115 Отсутствует или некорректно сообщение CAN температуры реагента в баке
116 Клапан дозирования реагента блокирован
150 Система сжатого воздуха SCR, негерметичность
151 Контур реагента, неправдоподобный расход реагента
152 Контур реагента, негерметичность контура реагента
Продолжение и полное описание - доступно только пользователям