Электросхема автомобиля КАМАЗ 5490
Условные обозначения

Пример обозначения npoboda:
VJ68 0.70 /77/7? Ч - пробод № W68, черный, сечение 0.75 кЬ.мм
ОПЦИИ
СС - тип кабины
• СС01 - С двумя спальными местами
• СС01 - С одним спальным местом
• СС02 - Без спального места
GA - Тип Коробки передач
• GA01 - Механическая КП
• GA02 - Механическая КП с автоматическим управлением
• GA04 - Механическая с автоматическим управлением, Тгахоп
GB - Ретардер
• GBOO-Нет
• GB01 - Да
LC - АБС
• LCOO - без электронного управления
• LC01-ABS
• LC02 -ABS/ASR
• LC03 -ABS/ASR/ESP
• LC04 -EBS
LN - Расширение функций пневматической системы
• LN 00- Нет
• LN 01 - Контроль нагрузки на ось, компенсация продавливаиия шин
VA - Автопоезд
• VA01 - Одиночный автомобиль
• VA02 - Автомобиль-автопоезд
VF - Колёсная формула
• VF01 - 4x2
• VF01 - 4x4
• VF03 - 6x2-2
• VF04 - 6x2/2
• VF05 - 6x4
• VF06 - 6x6
• VF07 - 8x4
• VF08 - 8x8
VN - Назначение
• VN01 - Шасси
• VN02 - Автомобиль с надстройкой
• VN03 - Седельный тягач
• VN09 - Шасси с опасным грузом
• VN10 - Седельный тягач с опасным грузом
ХР - Передняя подвеска
• ХР01 - Рессорная
• ХР02 - Пневматическая
• ХРОЗ - Независимая
YP - Задняя подвеска
• YP01 - Рессорная
• YP02 - Пневматическая
• YP03 - Независимая
Система управления двигателем (Схема электрическая принципиальная) (1 из 3)
- А6 Бок отопителя
- А18 Адаптационный длок ADM3
- В6 Кран тормозной обратного действия с ручным управлением DPM61C
- B 4.1, В55, В63 Датчик торможения
- FU1.5 Автоматический выключатель
- FU5.5 Автоматический выключатель
- К8 Реле
- S8 Левый подрулевой переключатель
- Х2.1 Колодка штыревая
- Х12 Колодка гнездовая
- Х15 Колодка гнездовая
- Х18 Колодка гнездовая
- Х19 Колодка гнездовая
- Х21 Колодка гнездовая
- Х51 Колодка гнездовая
- Х81 Колодка штыревая
- Х119 Наконечник
- Х302 Колодка гнездовая
- Х309 Колодка штыревая
- XF1, XFS Модуль предохранителей
- ХКЗ Микро-реле модуль
- Y1 Клапан распределительный
- Z1 Блок коммутации CAN
Система управления двигателем (Схема электрическая принципиальная) (2 из 3)
Система управления двигателем (Схема электрическая принципиальная) (3 из 3)
Система нейтрализации отработавших газов (Схема электрическая принципиальная)
Электрофакельный подогреватель (Схема электрическая принципиальная)
Управление ПЖД (Схема электрическая принципиальная)

Система управления ретардером (Схема электрическая принципиальная)

Система управления пневмоподвеской (Схема электрическая принципиальная)

Система управления EBS (Схема электрическая принципиальная) (1 из 2)

Система управления EBS (Схема электрическая принципиальная) (2 из 2)

Управление осушителем (Схема электрическая принципиальная)

Система управления электрооборудованием (Схема электрическая принципиальная)
(1 из 9)

Система управления электрооборудованием (Схема электрическая принципиальная)
(2 из 9)

Система управления электрооборудованием (Схема электрическая принципиальная)
(3 из 9)

Система управления электрооборудованием (Схема электрическая принципиальная)
(4 из 9)

Система управления электрооборудованием (Схема электрическая принципиальная)
(5 из 9)

Система управления электрооборудованием (Схема электрическая принципиальная)
(6 из 9)

Система управления электрооборудованием (Схема электрическая принципиальная)
(7 из 9)

Система управления электрооборудованием (Схема электрическая принципиальная)
(8 из 9)

Система управления электрооборудованием (Схема электрическая принципиальная)
(9 из 9)

Схема подключения предохранителей и реле (Схема электрическая принципиальная)
(1 из 4)

Схема подключения предохранителей и реле (Схема электрическая принципиальная)
(2 из 4)

Схема подключения предохранителей и реле (Схема электрическая принципиальная)
(3 из 4)

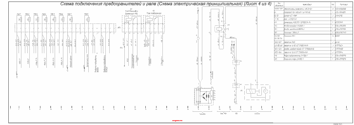
Схема подключения предохранителей и реле (Схема электрическая принципиальная)
(4 из 4)

Система управления тахографом (Схема электрическая принципиальная)

Устройства комфорта в кабине (Схема электрическая принципиальная) (1 из 5)

Устройства комфорта в кабине (Схема электрическая принципиальная) (2 из 5)

Устройства комфорта в кабине (Схема электрическая принципиальная) (3 из 5)

Устройства комфорта в кабине (Схема электрическая принципиальная) (4 из 5)

Устройства комфорта в кабине (Схема электрическая принципиальная) (5 из 5)





