Электросхемы управления тормозной системой BS Atego II
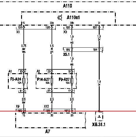
Фрагмент электросхемы электропитания

- А110: CBU Central Brake Unit
- A110a1: Блок управления BS управление тормозной системой
- А7: Базовый модуль
- Х5.1: Плата штекеров 'кабина водителя - шасси'
- ХВ.31.1: Место спайки проводов 'кл. 31'
Фрагмент электросхемы шины CAN

- А110: CBU Central Brake Unit
- A110a1: Блок управления BS управление тормозной системой
- CAN1: Шина CAN а/м
- Z1: Точка звезды CAN на консоли
Фрагмент электросхемы Модулятор тормозного усилия ведущего моста

- А110: CBU Central Brake Unit
- A110a1: Блок управления BS управление тормозной системой
- CAN6: Шина CAN тормозной системы
- Y23: Клапан управления прицепом
- Y20: Электромагнитный клапан 'ASR'
- В32: Левый датчик числа оборотов заднего моста
- ВЗЗ: Правый датчик числа оборотов заднего моста
- В40: Датчик износа тормозных колодок на заднем мосту слева
- В41: Датчик износа тормозных колодок на заднем мосту справа
- Х69: Штекерное соединение на конструктивном узле Дублирующий клапан 'Задний мост'
Указание::
- Дублирующий клапан 'Задний мост' установлен на модуляторе тормозного усилия.
- Дублирующий клапан 'Задний мост' не допускается снимать с модулятора тормозного усилия.
Фрагмент электросхемы Датчик числа оборотов на переднем мосту слева

- А110: CBU Central Brake Unit
- A110a1: Блок управления BS управление тормозной системой
- В3О: Датчик числа оборотов на переднем мосту слева
Фрагмент электросхемы Датчик числа оборотов на переднем мосту справа

- А110: CBU Central Brake Unit
- A110a1: Блок управления BS управление тормозной системой
- В31: Датчик числа оборотов на переднем мосту справа
Фрагмент электросхемы Модулятор тормозного усилия ведущего моста

- А110: CBU Central Brake Unit
- A110a1: Блок управления BS управление тормозной системой
- CAN6: Шина CAN тормозной системы
- Y23: Клапан управления прицепом
- Y20: Электромагнитный клапан 'ASR'
- В32: Левый датчик числа оборотов заднего моста
- ВЗЗ: Правый датчик числа оборотов заднего моста
- В40: Датчик износа тормозных колодок на заднем мосту слева
- В41: Датчик износа тормозных колодок на заднем мосту справа
- Х69: Штекерное соединение на конструктивном узле Дублирующий клапан 'Задний мост'
Указание::
- Дублирующий клапан 'Задний мост' установлен на модуляторе тормозного усилия.
- Дублирующий клапан 'Задний мост' не допускается снимать с модулятора тормозного усилия.
Фрагмент электросхемы Датчик износа тормозных колодок на переднем мосту слева

- А110: CBU Central Brake Unit
- A110a1: Блок управления BS управление тормозной системой
- ВЗб: Датчик износа тормозных колодок на переднем мосту слева
Фрагмент электросхемы датчик износа тормозных колодок на переднем мосту справа

- А110: CBU Central Brake Unit
- A110a1: Блок управления BS управление тормозной системой
- В37: датчик износа тормозных колодок на переднем мосту справа
Фрагмент электросхемы Розетка ABS прицепа

- А110: CBU Central Brake Unit
- A110a1: Блок управления BS управление тормозной системой
- Х12: датчик износа тормозных колодок на переднем мосту справа
- Х5.2: 7-контактная розетка ABS прицепа
Фрагмент электросхемы Электромагнитный клапан ABS на переднем мосту слева

- А110: CBU Central Brake Unit
- A110a1: Блок управления BS управление тормозной системой
- Y16: Электромагнитный клапан ABS на переднем мосту слева
Фрагмент электросхемы Электромагнитный клапан ABS на переднем мосту справа

- А110: CBU Central Brake Unit
- A110a1: Блок управления BS управление тормозной системой
- Y17: Электромагнитный клапан ABS на переднем мосту справа
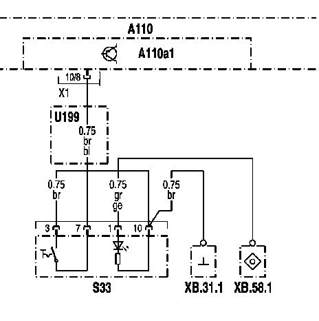
S33: Выключатель 'Остановочный тормоз1

- А110: CBU Central Brake Unit
- A110a1: Блок управления BS управление тормозной системой
- S33: Выключатель 'Остановочный тормоз'
- ХВ.31.1 Масса
- ХВ.58.1 Сварная точка ( Кл. 58 )
- U199: Действительно для функции 'Остановочный тормоз'
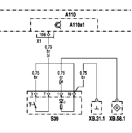
S39: Выключатель 'Отключение ABS'

- А110: CBU Central Brake Unit
- A110a1: Блок управления BS управление тормозной системой
- S39: Выключатель 'Отключение ABS'
- ХВ.31.1 Масса
- ХВ.58.1 Сварная точка ( Кл. 58 )
Фрагмент электросхемы Выключатель 'Устройство удержания на уклоне1

- А110: CBU Central Brake Unit
- A110a1: Блок управления BS управление тормозной системой
- S41: Выключатель 'Устройство удержания на уклоне'
- 1: Место спайки проводов 'Кл. 31'
- 2: Место спайки проводов 'Кл. 58'
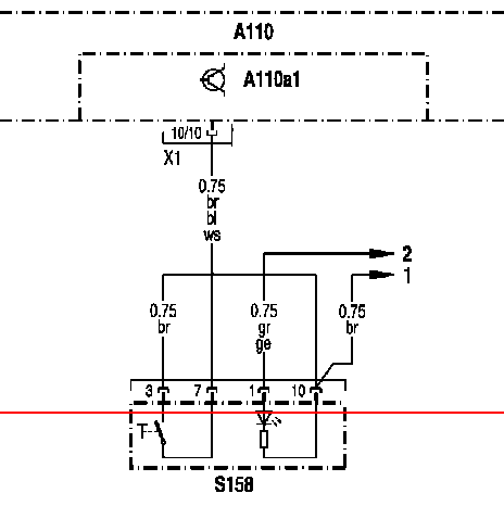
Фрагмент электросхемы Отключение SR

- А110: CBU Central Brake Unit
- A110a1: Блок управления BS управление тормозной системой
- S158: Выключатель 'Отключение SR'
- 1: Место спайки проводов 'Кл. 31'
- 2: Место спайки проводов 'Кл. 58'