Система нейтрализации отработавших газов ACM
Mercedes Actros euro 6
Штекер X1 на блоке управления 'A60 (блок управления системы нейтрализации ОГ (ACM))'

• А60 (блок управления системы нейтрализации ОГ (ACM))
• А7 (блок управления блока обработки сигналов и управления кабины водителя (SCA))
• Х41.15 (электрическое штекерное соединение кабина водителя - шасси на раме)
• XR-AG-V (место спайки проводов на раме, система выпуска ОГ, электропитание)
• XR-31-VR (место спайки провода кл.31 на раме спереди справа)
• Z4 (точка звезды шины данных CAN привода)
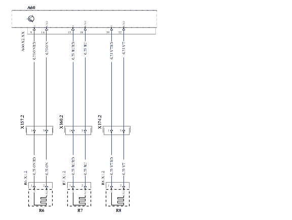
R6 (нагревательный элемент обратного трубопровода AdBIue®)

• А60 (блок управления системы нейтрализации ОГ (ACM))
• R6 (нагревательный элемент обратного трубопровода AdBIue®)
• R7 (нагревательный элемент всасывающего трубопровода AdBIue®)
• R8 (нагревательный элемент трубопровода высокого давления AdBIue®)
• Х157.2 (электрическое штекерное соединение модуля нейтрализации ОГ)
• Х160.2 (электрическое штекерное соединение модуля нейтрализации ОГ)
• Х174.2 (электрическое штекерное соединение модуля нейтрализации ОГ)
R7 (нагревательный элемент всасывающего трубопровода AdBIue®)

• А60 (блок управления системы нейтрализации ОГ (ACM))
• R6 (нагревательный элемент обратного трубопровода AdBIue®)
• R7 (нагревательный элемент всасывающего трубопровода AdBIue®)
• R8 (нагревательный элемент трубопровода высокого давления AdBIue®)
• Х157.2 (электрическое штекерное соединение модуля нейтрализации ОГ)
• Х160.2 (электрическое штекерное соединение модуля нейтрализации ОГ)
• Х174.2 (электрическое штекерное соединение модуля нейтрализации ОГ)
R8 (нагревательный элемент трубопровода высокого давления AdBIue®)

• А60 (блок управления системы нейтрализации ОГ (ACM))
• R6 (нагревательный элемент обратного трубопровода AdBIue®)
• R7 (нагревательный элемент всасывающего трубопровода AdBIue®)
• R8 (нагревательный элемент трубопровода высокого давления AdBIue®)
• Х157.2 (электрическое штекерное соединение модуля нейтрализации ОГ)
• Х160.2 (электрическое штекерное соединение модуля нейтрализации ОГ)
• Х174.2 (электрическое штекерное соединение модуля нейтрализации ОГ)
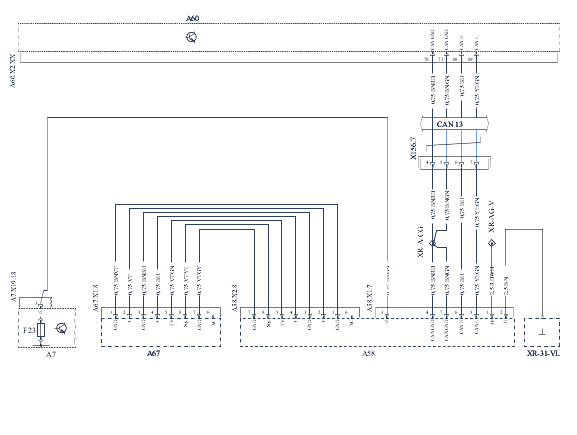
А67 (дозатор AdBlue®)

• А60 (блок управления системы нейтрализации ОГ (ACM))
• А58 (блок управления SCR)
• А67 (дозатор AdBIue®)
• А7 (блок управления блока обработки сигналов и управления кабины водителя (SCA))
• Х156.7 (электрическое штекерное соединение модуля нейтрализации ОГ)
• XR-AG-V (место спайки проводов на раме, система выпуска ОГ, электропитание)
• XR-31-VR (место спайки провода кл.31 на раме спереди справа)
А58 (блок управления SCR)

• А60 (блок управления системы нейтрализации ОГ (ACM))
• А58 (блок управления SCR)
• А67 (дозатор AdBIue®)
• А7 (блок управления блока обработки сигналов и управления кабины водителя (SCA))
• Х156.7 (электрическое штекерное соединение модуля нейтрализации ОГ)
• XR-AG-V (место спайки проводов на раме, система выпуска ОГ, электропитание)
• XR-31-VR (место спайки провода кл.31 на раме спереди справа)
А57 (блок управления датчика NOx на выходе модуля нейтрализации ОГ)

• А60 (блок управления системы нейтрализации ОГ (ACM))
• А57 (блок управления датчика NOx на выходе модуля нейтрализации ОГ)
А70 (блок управления датчика NOx на входе модуля нейтрализации ОГ)

• А60 (блок управления системы нейтрализации ОГ (ACM))
• А70 (блок управления датчика NOx на входе модуля нейтрализации ОГ)
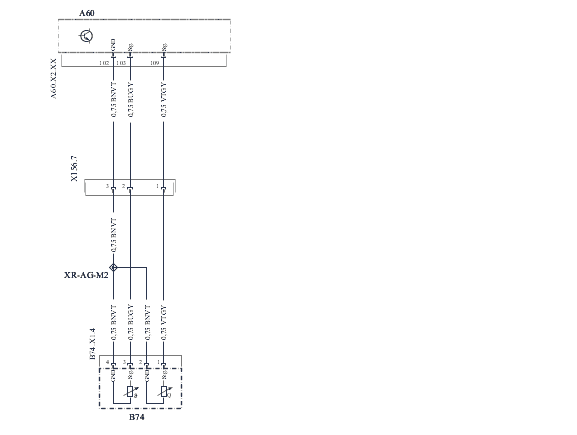
В74 (датчик уровня/датчик температуры AdBIue®)

• А60 (блок управления системы нейтрализации ОГ (ACM))
• В74 (датчик уровня/датчик температуры AdBIue®)
В37 (датчик давления ОГ перед дизельным окислительным катализатором)

• А60 (блок управления системы нейтрализации ОГ (ACM))
• В37 (датчик давления ОГ перед дизельным окислительным катализатором)
• В38 (датчик давления ОГ за сажевым фильтром)
• XR-AG-M1 (место спайки проводов системы ОГ на раме, подключения массы 1)
• XR-AG-SV (место спайки проводов на раме, система выпуска ОГ, напряжение датчика)
B38 (датчик давления ОГ за сажевым фильтром)

• А60 (блок управления системы нейтрализации ОГ (ACM))
• В37 (датчик давления ОГ перед дизельным окислительным катализатором)
• В38 (датчик давления ОГ за сажевым фильтром)
• XR-AG-M1 (место спайки проводов системы ОГ на раме, подключения массы 1)
• XR-AG-SV (место спайки проводов на раме, система выпуска ОГ, напряжение датчика)
В67 (датчик температуры ОГ перед дизельным окислительным катализатором)

• А60 (блок управления системы нейтрализации ОГ (ACM))
• В67 (датчик температуры ОГ перед дизельным окислительным катализатором)
В68 (датчик температуры ОГ после дизельного окислительного катализатора сверху)

• А60 (блок управления системы нейтрализации ОГ (ACM))
• В68 (датчик температуры ОГ после дизельного окислительного катализатора сверху)
В70 (датчик температуры ОГ после сажевого фильтра)

• А60 (блок управления системы нейтрализации ОГ (ACM))
• В70 (датчик температуры ОГ после сажевого фильтра)
ВУЗ (датчик температуры ОГ после каталитического нейтрализатора SCR)

• А60 (блок управления системы нейтрализации ОГ (ACM))
• ВУЗ (датчик температуры ОГ после каталитического нейтрализатора SCR)

• А60 (блок управления системы нейтрализации ОГ (ACM))
• В74 (датчик уровня/датчик температуры AdBIue®)
• R6 (нагревательный элемент обратного трубопровода AdBIue®)
• R7 (нагревательный элемент всасывающего трубопровода AdBIue®)
• 1: Трубопровод охлаждающей жидкости

• А58 (блок управления SCR)
• А67 (дозатор AdBIue®)
• В74 (датчик уровня/датчик температуры AdBIue®)
• R6 (нагревательный элемент обратного трубопровода AdBIue®)
• R7 (нагревательный элемент всасывающего трубопровода AdBIue®)
• R8 (нагревательный элемент трубопровода высокого давления AdBIue®)
• Y627 (электромагнитный клапан охлаждающей жидкости для подогрева AdBIue®)
• 1: Трубопровод охлаждающей жидкости

• А60 (блок управления системы нейтрализации ОГ (ACM))
• А58 (блок управления SCR)
• А67 (дозатор AdBlue®)
• R6 (нагревательный элемент обратного трубопровода AdBlue®)
• R7 (нагревательный элемент всасывающего трубопровода Ad Blue®)
• R8 (нагревательный элемент трубопровода высокого давления Ad Blue®)
• 1: Трубопровод охлаждающей жидкости
• 2: Жгут электропроводки А/м
• 3: Жгут электропроводки Система выпуска ОГ

• А67 (дозатор AdBIue®)
• А57 (блок управления датчика NOx на выходе модуля нейтрализации ОГ)
• А57 Ы (датчик NOx на выходе модуля нейтрализации ОГ)
• В38 (датчик давления ОГ за сажевым фильтром)
• 870 (датчик температуры ОГ после сажевого фильтра)
• В73 (датчик температуры ОГ после каталитического нейтрализатора SCR)
• 3: Жгут электропроводки Система выпуска ОГ

• А58 (блок управления SCR)
• А60 (блок управления системы нейтрализации ОГ (ACM))
• А70 (блок управления датчика NOx на входе модуля нейтрализации ОГ)
• А70 Ы (датчик NOx на входе модуля нейтрализации ОГ)
• В37 (датчик давления ОГ перед дизельным окислительным катализатором)
• В67 (датчик температуры ОГ перед дизельным окислительным катализатором)
• 3: Жгут электропроводки Система выпуска ОГ

• В67 (датчик температуры ОГ перед дизельным окислительным катализатором)
• А70 Ы (датчик NOx на входе модуля нейтрализации ОГ)
• В37 (датчик давления ОГ перед дизельным окислительным катализатором)
• В68 (датчик температуры ОГ после дизельного окислительного катализатора сверху)
• 869 (датчик температуры ОГ после дизельного окислительного катализатора снизу)

- А60.Х1.21/1 Нет распределения контактов
- А60.Х1.21/2 Нет распределения контактов
- А60.Х1.21/3 Клемма 31
- А60.Х1.21/4 Нет распределения контактов
- А60.Х1.21/5 Клемма 31
- А60.Х1.21/6 Клемма 31
- А60.Х1.21/7 Нет распределения контактов
- А60.Х1.21/8 Нет распределения контактов
- А60.Х1.21/9 Нет распределения контактов
- А60.Х1.21/10 Провод CAN high шины данных CAN силовой передачи
- А60.Х1.21/11 Нет распределения контактов
- А60.Х1.21/12 Нет распределения контактов
- А60.Х1.21/13 Провод массы CAN шины данных CAN силовой передачи
- А60.Х1.21/14 Клемма 30
- А60.Х1.21/15 Клемма 30
- А60.Х1.21/16 Клемма 15
- А60.Х1.21/17 Нет распределения контактов
- А60.Х1.21/18 Клемма 30
- А60.Х1.21/19 Провод массы CAN шины данных CAN силовой передачи
- А60.Х1.21/20 Провод CAN low шины данных CAN силовой передачи
- А60.Х1.21/21 Нет распределения контактов

- А60.Х2.120/1 Нет распределения контактов
- А60.Х2.120/2 Нет распределения контактов
- А60.Х2.120/3 Нет распределения контактов
- А60.Х2.120/4 Нет распределения контактов
- А60.Х2.120/5 Нет распределения контактов
- А60.Х2.120/6 Нет распределения контактов
- А60.Х2.120/7 Нет распределения контактов
- А60.Х2.120/8 Нет распределения контактов
- А60.Х2.120/9 Электропитание конструктивного узла 'R6 (нагревательный элемент обратного трубопровода AdBlue®)'
- А60.Х2.120/10 Нет распределения контактов
- А60.Х2.120/11 Нет распределения контактов
- А60.Х2.120/12 Нет распределения контактов
- А60.Х2.120/13 Нет распределения контактов
- А60.Х2.120/14 Нет распределения контактов
- А60.Х2.120/15 Электропитание конструктивного узла 'R7 (нагревательный элемент всасывающего трубопровода AdBlue®)'
- А60.Х2.120/16 Провод управления конструктивного узла 'R6 (нагревательный элемент обратного трубопровода AdBlue®)'
- А60.Х2.120/17 Нет распределения контактов
- А60.Х2.120/18 Провод управления конструктивного узла 'R7 (нагревательный элемент всасывающего трубопровода AdBlue®)'
- А60.Х2.120/19 Нет распределения контактов
- А60.Х2.120/20 Нет распределения контактов
- А60.Х2.120/21 Нет распределения контактов
- А60.Х2.120/22 Нет распределения контактов
- А60.Х2.120/23 Нет распределения контактов
- А60.Х2.120/24 Нет распределения контактов
- А60.Х2.120/25 Нет распределения контактов
- А60.Х2.120/26 Нет распределения контактов
- А60.Х2.120/27 Сигнальный провод от конструктивного узла 'В68 (датчик температуры ОГ после дизельного окислительного катализатора сверху)'
- А60.Х2.120/28 Нет распределения контактов
- А60.Х2.120/29 Нет распределения контактов
- А60.Х2.120/30 Нет распределения контактов
- А60.Х2.120/31 Нет распределения контактов
- А60.Х2.120/32 Провод управления конструктивного узла 'R8 (нагревательный элемент трубопровода высокого давления AdBlue®)'
- А60.Х2.120/33 Нет распределения контактов
- А60.Х2.120/34 Нет распределения контактов
- А60.Х2.120/35 Нет распределения контактов
- А60.Х2.120/36 Нет распределения контактов
- А60.Х2.120/37 Нет распределения контактов
- А60.Х2.120/38 Нет распределения контактов
- А60.Х2.120/39 Электропитание конструктивного узла 'R8 (нагревательный элемент трубопровода высокого давления AdBlue®)'
- А60.Х2.120/40 Провод CAN high - А57 (блок управления датчика NOx на выходе модуля нейтрализации ОГ)
- А60.Х2.120/41 Провод CAN low - А57 (блок управления датчика NOx на выходе модуля нейтрализации ОГ)
- А60.Х2.120/42 Электропитание конструктивного узла 'А57 (блок управления датчика NOx на выходе модуля нейтрализации ОГ)'
- А60.Х2.120/43 Провод массы к конструктивному узлу 'А57 (блок управления датчика NOx на выходе модуля нейтрализации ОГ)'
- А60.Х2.120/44 Нет распределения контактов
- А60.Х2.120/45 Нет распределения контактов
- А60.Х2.120/46 Нет распределения контактов
- А60.Х2.120/47 Нет распределения контактов
- А60.Х2.120/48 Нет распределения контактов
- А60.Х2.120/49 Нет распределения контактов
- А60.Х2.120/50 Электропитание конструктивного узла 'А70 (блок управления датчика NOx на входе модуля нейтрализации ОГ)'
- А60.Х2.120/51 Провод массы к конструктивному узлу 'А70 (блок управления датчика NOx на входе модуля нейтрализации ОГ)'
- А60.Х2.120/52 Провод CAN high - А70 (блок управления датчика NOx на входе модуля нейтрализации ОГ)
- А60.Х2.120/53 Провод CAN low - А70 (блок управления датчика NOx на входе модуля нейтрализации ОГ)
- А60.Х2.120/54 Нет распределения контактов
- А60.Х2.120/55 Нет распределения контактов
- А60.Х2.120/56 Нет распределения контактов
- А60.Х2.120/57 Нет распределения контактов
- А60.Х2.120/58 Нет распределения контактов
- А60.Х2.120/59 Нет распределения контактов
- А60.Х2.120/60 Нет распределения контактов
- А60.Х2.120/61 Нет распределения контактов
- А60.Х2.120/62 Нет распределения контактов
- А60.Х2.120/63 Нет распределения контактов
- А60.Х2.120/64 Нет распределения контактов
- А60.Х2.120/65 Нет распределения контактов
- А60.Х2.120/66 Нет распределения контактов
- А60.Х2.120/67 Нет распределения контактов
- А60.Х2.120/68 Провод CAN high - А58 (блок управления SCR)
- А60.Х2.120/69 Провод CAN low - А58 (блок управления SCR)
- А60.Х2.120/70 Провод массы CAN - А58 (блок управления SCR)
- А60.Х2.120/71 Провод массы CAN - А58 (блок управления SCR)
- А60.Х2.120/72 Сигнальный провод от конструктивного узла 'В38 (датчик давления ОГ за сажевым фильтром)'
- А60.Х2.120/73 Провод массы к конструктивному узлу 'В68 (датчик температуры ОГ после дизельного окислительного катализатора сверху)'
- А60.Х2.120/74 Нет распределения контактов А60.Х2.120/75 Провод массы к конструктивному узлу 'В72 (датчик температуры ОГ перед каталитическим нейтрализатором SCR)'
- А60.Х2.120/76 Сигнальный провод от конструктивного узла 'В72 (датчик температуры ОГ перед каталитическим нейтрализатором SCR)'
- А60.Х2.120/77 Провод массы к конструктивному узлу 'В73 (датчик температуры ОГ после каталитического нейтрализатора SCR)'
- А60.Х2.120/78 Сигнальный провод от конструктивного узла 'В73 (датчик температуры ОГ после каталитического нейтрализатора SCR)'
- А60.Х2.120/79 Нет распределения контактов
- А60.Х2.120/80 Нет распределения контактов
- А60.Х2.120/81 Нет распределения контактов
- А60.Х2.120/82 Нет распределения контактов
- А60.Х2.120/83 Нет распределения контактов
- А60.Х2.120/84 Нет распределения контактов
- А60.Х2.120/85 Нет распределения контактов
- А60.Х2.120/86 Нет распределения контактов
- А60.Х2.120/87 Сигнальный провод от конструктивного узла 'В37 (датчик давления ОГ перед дизельным окислительным катализатором)'
- А60.Х2.120/88 Провод массы конструктивных узлов 'В37 (датчик давления ОГ перед дизельным окислительным катализатором)' и 'В38 (датчик давления ОГ за сажевым фильтром)'
- А60.Х2.120/89 Нет распределения контактов
- А60.Х2.120/90 Нет распределения контактов
- А60.Х2.120/91 Нет распределения контактов
- А60.Х2.120/92 Нет распределения контактов
- А60.Х2.120/93 Нет распределения контактов
- А60.Х2.120/94 Нет распределения контактов
- А60.Х2.120/95 Нет распределения контактов
- А60.Х2.120/96 Нет распределения контактов
- А60.Х2.120/97 Сигнальный провод от конструктивного узла 'В70 (датчик температуры ОГ после сажевого фильтра)'
- А60.Х2.120/98 Провод массы к конструктивному узлу 'В70 (датчик температуры ОГ после сажевого фильтра)'
- А60.Х2.120/99 Нет распределения контактов
- А60.Х2.120/100 Нет распределения контактов
- А60.Х2.120/101 Нет распределения контактов
- А60.Х2.120/102 Провод массы к конструктивному узлу 'В74 (датчик уровня/датчик температуры AdBlue®)'
- А60.Х2.120/103 Сигнальный провод от конструктивного узла 'В74 Ь2 (датчик температуры бака AdBlue®)'
- А60.Х2.120/104 Нет распределения контактов
- А60.Х2.120/105 Нет распределения контактов
- А60.Х2.120/106 Нет распределения контактов
- А60.Х2.120/107 Сигнальный провод от конструктивного узла 'В67 (датчик температуры ОГ перед дизельным окислительным катализатором)'
- А60.Х2.120/108 Провод массы к конструктивному узлу 'В67 (датчик температуры ОГ перед дизельным окислительным катализатором)'
- А60.Х2.120/109 Сигнальный провод от конструктивного узла 'В74 Ы (датчик уровня бака AdBlue®)'
- А60.Х2.120/110 Нет распределения контактов
- А60.Х2.120/111 Сигнальный провод от конструктивного узла 'В69 (датчик температуры ОГ после дизельного окислительного катализатора снизу)'
- А60.Х2.120/112 Провод массы к конструктивному узлу 'В69 (датчик температуры ОГ после дизельного окислительного катализатора снизу)'
- А60.Х2.120/113 Нет распределения контактов
- А60.Х2.120/114 Нет распределения контактов
- А60.Х2.120/115 Нет распределения контактов
- А60.Х2.120/116 Нет распределения контактов
- А60.Х2.120/117 Электропитание конструктивных узлов 'В37 (датчик давления ОГ перед дизельным окислительным катализатором)' и 'В38 (датчик давления ОГ за сажевым фильтром)'
- А60.Х2.120/118 Нет распределения контактов А60.Х2.120/119 Нет распределения контактов А60.Х2.120/120 Нет распределения контактов