Электросхемы автобусов MAN NL_NB 263/213/353
Принципиальные электросхемы
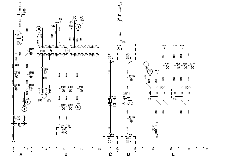
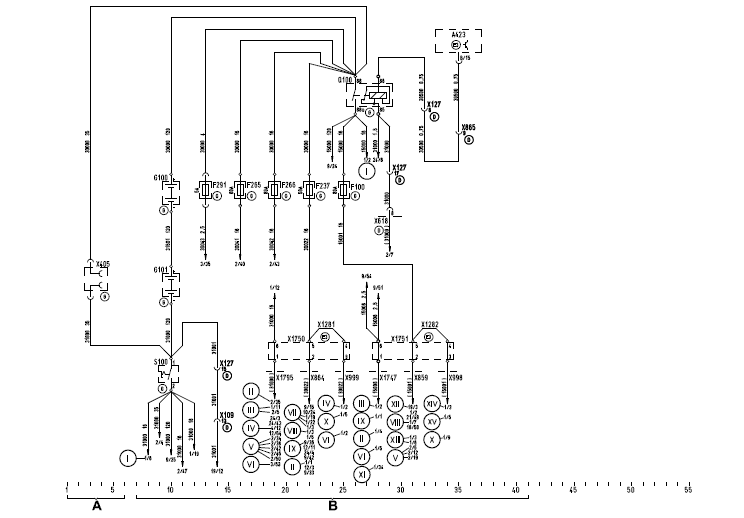
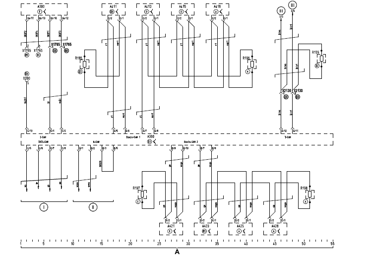
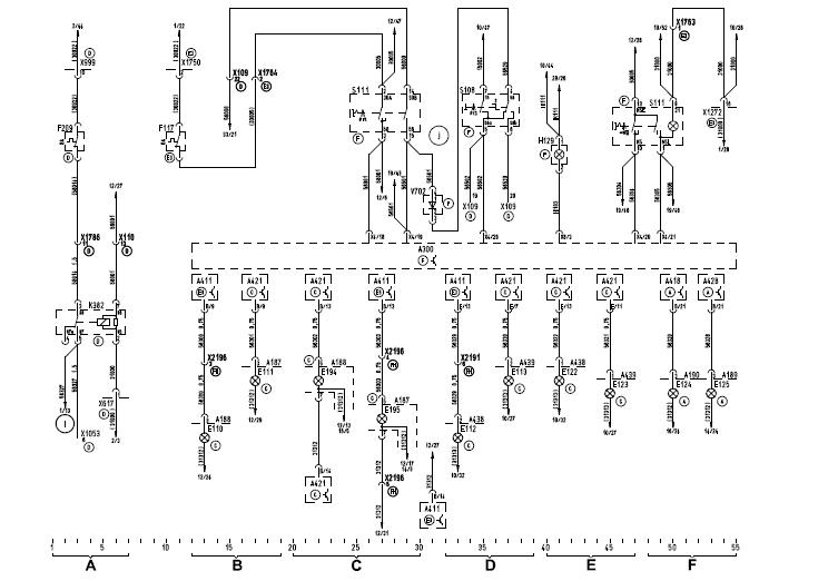
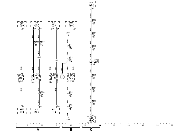
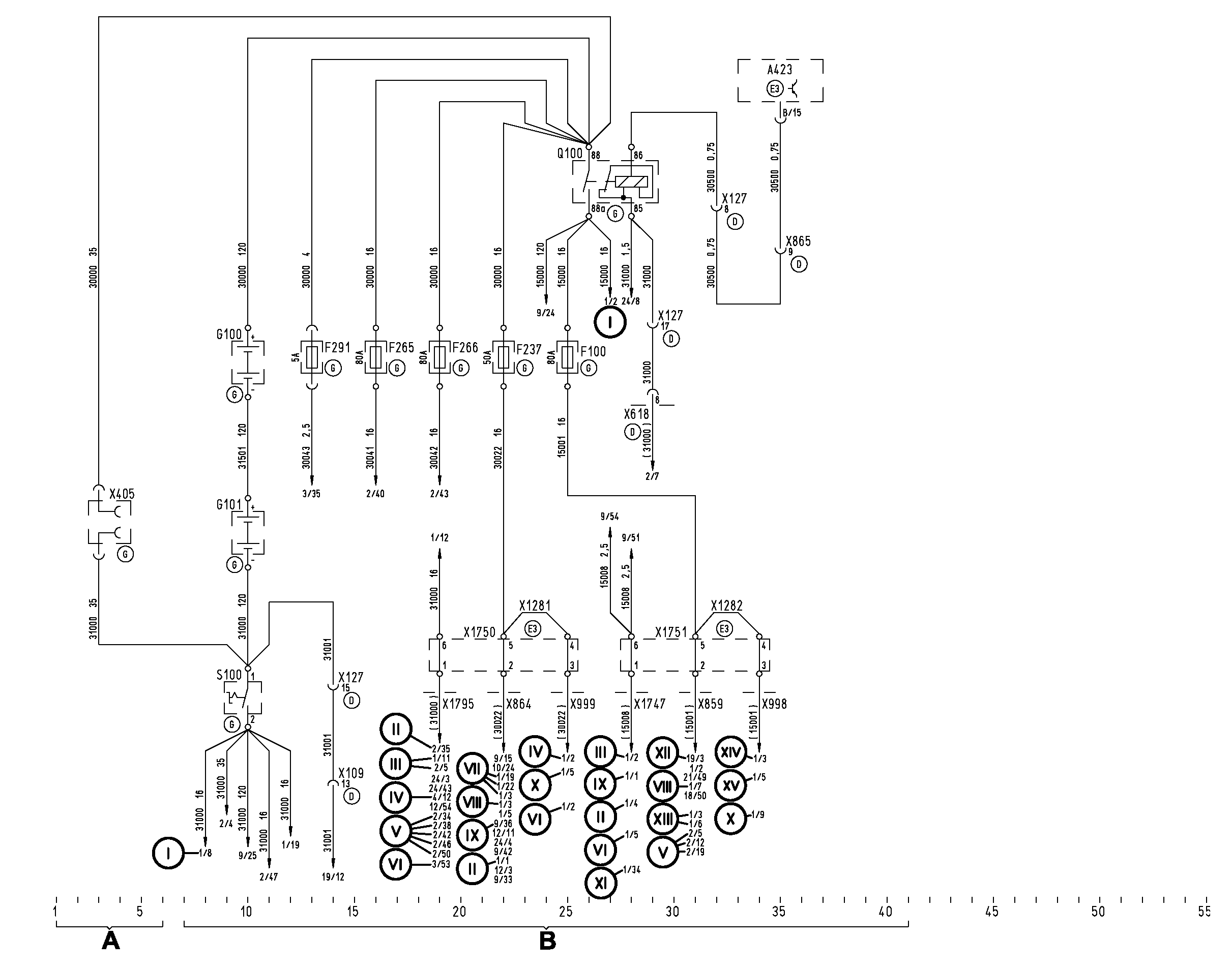
Пусковая розетка, электропитание
- A = Пусковая розетка
- B = Электропитание
- A423 (280) Мультиплексорный узел в середине автомобиля 2.3
- F100 (137) Основной предохранитель
- F237 (136) Основной предохранитель (клемма 30)
- F265 (137) Основной предохранитель центрального процессора 1
- F266 (137) Основной предохранитель центрального процессора 2
- F291 (111) Предохранитель центрального бортового компьютера – мультиплексор
- G100 (105) Аккумуляторная батарея 1
- G101 (105) Аккумуляторная батарея 2
- Q100 (100) Основной выключатель аккумулятора
- S100 (100) Выключатель аккумулятора
- X109 Штекерное соединение основная коммутационная плата – приборная панель
- X127 Штекерное соединение основная коммутационная плата – середина автомобиля
- X405 (132) Пусковая розетка
- X618 (128) Распределитель клеммника X102, кабель 31000
- X859 (128) Распределитель клеммника X863, кабель 15001
- X864 (128) Распределитель клеммника X874, кабель 30022
- X865 Штекерное соединение основная коммутационная плата – центральный процессор
- X998 (128) Распределитель клеммника X863, кабель 15001
- X999 (128) Распределитель кабеля 30022
- X1281 (179) Перемычка на клеммнике
- X1282 (179) Перемычка на клеммнике
- X1747 (128) Распределитель кабеля 15008
- X1750 (127) Моторный клеммник 1, основная коммутационная плата мультиплексора
- X1751 (127) Моторный клеммник 2, основная коммутационная плата мультиплексора
- X1795 (128) Распределитель кабеля 31000
Электропитание, электропитание мультиплексорного узла
- A = Электропитание
- B = Электропитание мультиплексорного узла
- X102 (127) Клеммник основной коммутационной платы
- X257 (129) Перемычка клеммника основной коммутационной платы X102, 1-6
- X613 (127) Клеммник приборного отсека
- X615 (128) Распределитель клеммника X613 кабель 31000
- X617 (128) Распределитель клеммника X102 кабель 31000
- X618 (128) Распределитель клеммника X102 кабель 31000
- X888 (128) Распределитель кабеля 31000
- X897 (127) Клеммник питания центрального процессора
- X898 (128) Распределитель клеммника X897, кабель 30041
- X899 (128) Распределитель клеммника X897, кабель 30042
- X900 (128) Распределитель кабеля 31000
- X1205 (128) Распределитель клеммника X613 кабель 31000
- X1272 (127) Распределитель клеммника X1273, питание центрального процессора
- X1273 (128) Распределитель кабеля 31000
- X1283 (179) Перемычка на клеммнике
- X1284 (179) Перемычка на клеммнике
- X1285 (179) Перемычка на клеммнике
- X1286 (179) Перемычка на клеммнике
- X1327 (127) Клеммник на основной коммутационной плате
- X1415 (179) Перемычка на клеммнике
- X1472 (129) Перемычка клеммника E3 X1272 1-6
Электропитание мультиплексора/диодной группы Wake-up
- A = Электропитание мультиплексора/диодной группы Wake-up
- A360 (281) Мультиплексный центральный процессор (ZBRO)
- A411 (280) Мультиплексорный узел передка слева 1.1
- A413 (280) Мультиплексорный узел передка блоков управления 1.3
- A415 (280) Мультиплексорный узел потолка спереди 1.5
- A418 (280) Мультиплексорный узел сзади справа 1.8
- F293 (129) Предохранитель мультиплексорного узла спереди слева 1
- F294 (129) Предохранитель мультиплексорного узла спереди слева 2
- F299 (129) Предохранитель мультиплексорного узла сзади справа 1
- F300 (129) Предохранитель мультиплексорного узла сзади справа 2
- F301 (129) Предохранитель мультиплексорного узла сверху спереди 1
- F302 (129) Предохранитель мультиплексорного узла сверху спереди 2
- F309 (129) Предохранитель мультиплексорного узла, блок управления 1
- F310 (129) Предохранитель мультиплексорного узла, блок управления 2 C
- X898 (128) Распределитель клеммника X897, кабель 30041
- X899 (128) Распределитель клеммника X897, кабель 30042
- X900 (128) Распределитель кабеля 31000
- X1273 (128) Распределитель кабеля 31000
- X1893 Штекерное соединение перегородка кабины – узел передка слева 1.1
- X1894 Штекерное соединение перегородка кабины – узел блока управления 1.3
- X1895 Штекерное соединение перегородка кабины – узел потолка спереди 1.5
- X1896 Штекерное соединение перегородка кабины – узел задней части кузова справа 1.8
- X2208 Штекерное соединение диодная группа WAKE-UP – центральный бортовой компьютер
- X2209 Перемычка для диодной группы WAKE-UP
Электропитание мультиплексора
- A = Электропитание мультиплексора
- A421 (280) Мультиплексорный узел спереди справа 2.1
- A423 (280) Мультиплексорный узел в середине автомобиля 2.3
- A425 (280) Мультиплексорный узел сзади 3 2.5
- A428 (280) Мультиплексорный узел сзади слева 2.8
- F295 (129) Предохранитель мультиплексорного узла спереди справа 1
- F296 (129) Предохранитель мультиплексорного узла спереди справа 2
- F297 (129) Предохранитель мультиплексорного узла сзади слева 1
- F298 (129) Предохранитель мультиплексорного узла сзади слева 2
- F303 (129) Предохранитель мультиплексорного узла прицепа 1
- F304 (129) Предохранитель мультиплексорного узла прицепа 2
- F305 (129) Предохранитель мультиплексорного узла в середине автомобиля 1 C
- F306 (129) Предохранитель мультиплексорного узла в середине автомобиля 2
- F307 (129) Предохранитель мультиплексорного узла сзади 3 - 1
- F308 (129) Предохранитель мультиплексорного узла сзади 3 - 2
- F311 (129) Предохранитель мультиплексорного узла SA 1
- F312 (129) Предохранитель мультиплексорного узла SA 2
- X898 (128) Распределитель клеммника X897, кабель 30041
- X899 (128) Распределитель клеммника X897, кабель 30042
- X900 (128) Распределитель кабеля 31000
- X1273 (128) Распределитель кабеля 31000
- X1897 Штекерное соединение перегородка кабины – узел передка справа 2.1
- X1898 Штекерное соединение перегородка кабины – узел в середине автомобиля 2.3
- X1899 Штекерное соединение перегородка кабины – узел сзади 3 2.5
- X1900 Штекерное соединение перегородка кабины – узел сзади слева 2.8
- X1901 Штекерное соединение перегородка кабины – узел прицепа
- X1902 Штекерное соединение перегородка кабины – узел SA
Кодировка мультиплексорного узла
- A = Кодировка мультиплексорного узла
- A411 (280) Мультиплексорный узел передка слева 1.1
- A413 (280) Мультиплексорный узел передка блоков управления 1.3
- A415 (280) Мультиплексорный узел потолка спереди 1.5
- A418 (280) Мультиплексорный узел сзади справа 1.8
Кодировка мультиплексорного узла
- A = Кодировка мультиплексорного узла
- A421 (280) Мультиплексорный узел спереди справа 2.1
- A423 (280) Мультиплексорный узел в середине автомобиля 2.3
- A425 (280) Мультиплексорный узел сзади 3 2.5
- A428 (280) Мультиплексорный узел сзади слева 2.8
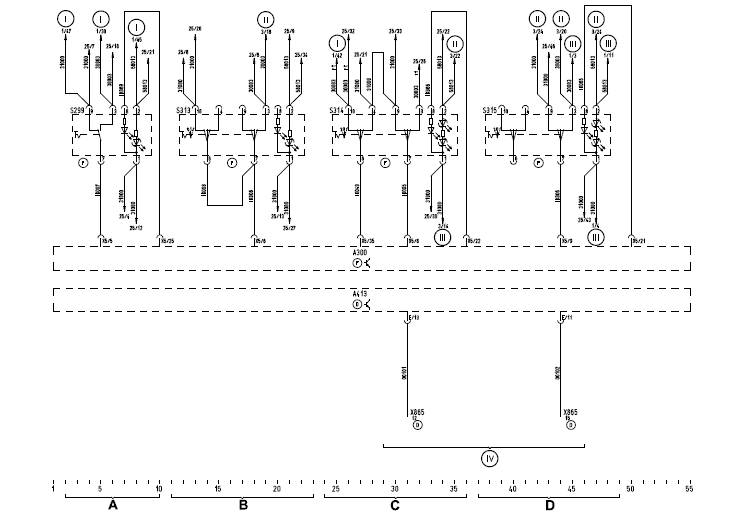
Шина данных
- A = Шина данных
- A300 (223) Узел приборной панели
- A360 (281) Мультиплексный центральный процессор (ZBRO)
- A411 (280) Мультиплексорный узел передка слева 1.1
- A413 (280) Мультиплексорный узел передка блоков управления 1.3
- A415 (280) Мультиплексорный узел потолка спереди 1.5
- A418 (280) Мультиплексорный узел сзади справа 1.8
- A421 (280) Мультиплексорный узел спереди справа 2.1
- A423 (280) Мультиплексорный узел в середине автомобиля 2.3
- A425 (280) Мультиплексорный узел сзади 3 2.5
- A428 (280) Мультиплексорный узел сзади слева 2.8
- R155 (122) Нагрузочное сопротивление шины данных CAN
- R195 (122) Разъемное сопротивление спереди, основная шина CAN 1
- R196 (122) Разъемное сопротивление сзади, основная шина CAN 1
- R197 (122) Разъемное сопротивление спереди, основная шина CAN 2
- R198 (122) Разъемное сопротивление сзади, основная шина CAN 2
- X200 Штекерное соединение 37-полюсное диагностической системы (MAN-cats)
- X1765 Штекерное соединение приборная панель – центральный процессор
- X2130 Штекерное соединение шины данных CAN трансмиссии (T-CAN) мультиплекс 1
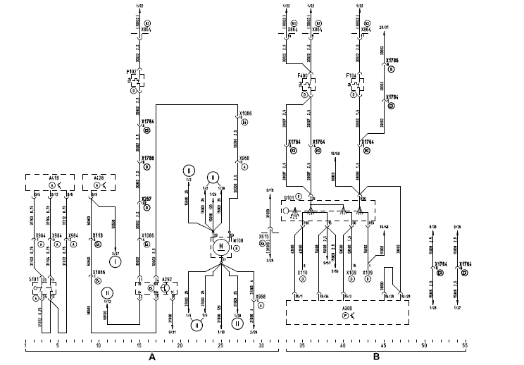
Стартерная система, замок зажигания
- A = Стартерная система
- B = Замок зажигания
- A292 (222) Реле блокировки/повтора пуска
- A300 (223) Узел приборной панели
- A418 (280) Мультиплексорный узел сзади справа 1.8
- A428 (280) Мультиплексорный узел сзади слева 2.8
- F102 (129) Предохранитель стартерной системы
- F104 (118) Предохранитель замка зажигания
- F400 (131) Предохранитель замка рулевого колеса
- M100 (100) Стартер
- Q101 (106) Замок рулевого колеса
- S101 (137) Пусковой блокиратор
- X109 Штекерное соединение основная коммутационная плата – приборная панель
- X110 Штекерное соединение основная коммутационная плата – приборная панель
- X113 Штекерное соединение главный фидер – задняя часть кузова
- X267 Штекерное соединение основная коммутационная плата – главный фидер
- X615 (128) Распределитель клеммника X613, кабель 31000
- X864 (128) Распределитель клеммника X874, кабель 30022
- X968 Штекерное соединение главный фидер – двигатель
- X984 Штекерное соединение задняя часть кузова – роликовый выключатель
- X1086 Штекерное соединение основной кабельный жгут – приборная плата 4
- X1764 StvdШтекерное соединение приборная панель – перегородка места водителя
- X1784 Штекерное соединение основная коммутационная плата – перегородка места водителя
- X1786 Штекерное соединение основная коммутационная плата – перегородка места водителя
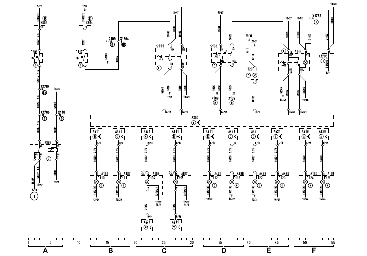
Реле светосигнального устройства, аварийная световая сигнализация, коммутатор указателя поворотов, контроль указателя поворота, готовность школьного автобуса
- A = Реле светосигнального устройства
- B = Аварийная световая сигнализация, коммутатор указателя поворотов, контроль указателя поворота
- C = Готовность школьного автобуса
- A189 (265) Задний фонарь слева
- A190 (264) Задний фонарь справа
- A300 (223) Узел приборной панели
- A328 (220) Реле/диодная группа светосигнального устройства
- A360 (281) Мультиплексный центральный процессор (ZBRO)
- A411 (280) Мультиплексорный узел передка слева 1.1
- A418 (280) Мультиплексорный узел сзади справа 1.8
- A421 (280) Мультиплексорный узел спереди справа 2.1
- A423 (280) Мультиплексорный узел в середине автомобиля 2.3
- A428 (280) Мультиплексорный узел сзади слева 2.8
- A438 (410) Осветительный молдинг справа
- A439 (409) Осветительный молдинг слева
- F114 (118) Предохранитель аварийной световой сигнализации
- H118 (111) Контрольная лампа указателя поворота тягача
- H120 Указатель поворота спереди справа
- H121 Указатель поворота спереди слева
- H122 Указатель поворота сзади справа
- H123 Указатель поворота сзади слева
- H124 (126) Указатель поворота сбоку справа
- H125 (127) Указатель поворота сбоку слева
- H126 (109) Указатель поворота сзади справа сверху
- H127 (109) Указатель поворота сзади слева сверху
- K365 Реле светосигнального устройства (клик-клак)
- S108 (530) Переключатель на рулевой колонке (указатель поворота, стеклоочиститель и фары)
- S109 (398) Выключатель аварийной световой сигнализации
- S437 (411) Кнопка школьного автобуса
Подсветка маршрутной таблички, ближний свет, дальний свет 1, дальний свет 2, противотуманная фара, задний противотуманный фонарь
- A = Подсветка маршрутной таблички
- B = Ближний свет
- C = Дальний свет 1
- D = Дальний свет 2
- E = Противотуманная фара
- F = Задний противотуманный фонарь
- A187 (411) Фара слева
- A188 (412) Фара справа
- A189 (265) Задний фонарь слева
- A190 (264) Задний фонарь справа
- A300 (223) Узел приборной панели
- A411 (280) Мультиплексорный узел передка слева 1.1
- A418 (280) Мультиплексорный узел сзади справа 1.8
- A421 (280) Мультиплексорный узел спереди справа 2.1
- A428 (280) Мультиплексорный узел сзади слева 2.8
- A438 (410) Осветительный молдинг справа
- A439 (409) Осветительный молдинг слева
- E110 Ближний свет справа
- E111 Ближний свет слева
- E112 Дальний свет справа
- E113 Дальний свет слева
- E122 Противотуманная фара справа
- E123 Противотуманная фара слева
- E124 Задний противотуманный фонарь справа
- E125 Задний противотуманный фонарь слева
- E194 Фара дальнего света справа
- E195 Фара дальнего света слева
- F117 (117) Предохранитель стояночного заднего габарита слева
- F209 (118) Предохранитель маршрутного табло в режиме дневного света
- H129 (111) Контрольная лампа дальнего света
Стояночный задний габарит и подсветка номерного знака слева
- A = Стояночный задний габарит и подсветка номерного знака слева
- A187 (411) Фара слева
- A189 (265) Задний фонарь слева
- A411 (280) Мультиплексорный узел передка слева 1.1
- A415 (280) Мультиплексорный узел потолка спереди 1.5
- A428 (280) Мультиплексорный узел сзади слева 2.8
- E109 Стояночный свет слева
- E115 (159) Габаритный контурный фонарь спереди слева
- E117 (110) Габаритный контурный фонарь сзади слева
- E119 Задний фонарь слева
- E121 (166) Подсветка номерного знака слева
- X636 (170) Штекерное соединение подсветки номерного знака
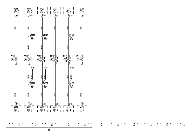
Боковые габаритные фонари слева
- A = Боковые габаритные фонари слева
- A411 (280) Мультиплексорный узел передка слева 1.1
- A415 (280) Мультиплексорный узел потолка спереди 1.5
- A423 (280) Мультиплексорный узел в середине автомобиля 2.3
- A428 (280) Мультиплексорный узел сзади слева 2.8
- E211 (146) 1-й боковой габаритный фонарь слева
- E213 (129) 2-й боковой габаритный фонарь слева
- E215 (129) 3-й боковой габаритный фонарь слева
- E217 (129) 4-й боковой габаритный фонарь слева
- E219 (146) 5-й боковой габаритный фонарь слева
- E221 (146) 6-й боковой габаритный фонарь слева
- X2133 Штекерное соединение середина автомобиля 1 – передок
- X2145 Штекерное соединение середина автомобиля 1 – центральный бортовой компьютер
- X2165 Штекерное соединение середина автомобиля 2 – центральный бортовой компьютер
Стояночный задний габарит и подсветка номерного знака справа

- A = Стояночный задний габарит и подсветка номерного знака справа
- A188 (412) Фара справа
- A190 (264) Задний фонарь справа
- A415 (280) Мультиплексорный узел потолка спереди 1.5
- A418 (280) Мультиплексорный узел сзади справа 1.8
- A421 (280) Мультиплексорный узел спереди справа 2.1
- E108 Стояночный свет справа
- E114 (158) Габаритный контурный фонарь спереди справа
- E116 (110) Габаритный контурный фонарь сзади справа
- E118 Задний фонарь справа
- E120 (166) Подсветка номерного знака справа
Боковые габаритные фонари справа

- A = Боковые габаритные фонари справа
- A411 (280) Мультиплексорный узел передка слева 1.1
- A415 (280) Мультиплексорный узел потолка спереди 1.5
- A423 (280) Мультиплексорный узел в середине автомобиля 2.3
- A428 (280) Мультиплексорный узел сзади слева 2.8
- E210 (146) 1-й боковой габаритный фонарь справа
- E212 (129) 2-й боковой габаритный фонарь справа
- E214 (129) 3-й боковой габаритный фонарь справа
- E216 (129) 4-й боковой габаритный фонарь справа
- E218 (146) 5-й боковой габаритный фонарь справа
- E220 (146) 6-й боковой габаритный фонарь справа
- X2133 Штекерное соединение середина автомобиля 1 – передок
- X2145 Штекерное соединение середина автомобиля 1 – центральный бортовой компьютер
- X2165 Штекерное соединение середина автомобиля 2 – центральный бортовой компьютер
Фонари заднего хода, стоп-сигнал, выключатель стеклоочистителя/стеклоомывателя

- A = Фонари заднего хода
- B = Стоп-сигнал
- C = Выключатель стеклоочистителя/стеклоомывателя
- A189 (265) Задний фонарь слева
- A190 (264) Задний фонарь справа
- A300 (223) Узел приборной панели
- A415 (280) Мультиплексорный узел потолка спереди 1.5
- A418 (280) Мультиплексорный узел сзади справа 1.8
- A421 (280) Мультиплексорный узел спереди справа 2.1
- A428 (280) Мультиплексорный узел сзади слева 2.8
- E102 Фара заднего хода справа
- E103 Фара заднего хода слева
- F112 (129) Предохранитель стеклоочистителя/стеклоомывателя
- H112 Стоп-сигнал справа
- H113 Стоп-сигнал слева
- H395 (146) Фонарь стоп-сигнала верхний
- K106 (100) Реле импульса стеклоочистителя
- K828 (298) Силовое реле стеклоочистителя
- M102 (102) Мотор стеклоочистителя
- M103 (103) Насос стеклоомывателя
- S108 (530) Переключатель на рулевой колонке (указатель поворота, стеклоочиститель и фары)
- X109 Штекерное соединение основная коммутационная плата – приборная панель
- X115 Штекерное соединение основная коммутационная плата – передок слева
- X617 (128) Распределитель клеммника X102, кабель 31000
- X859 (128) Распределитель клеммника X863, кабель 15001
- X865 Штекерное соединение основная коммутационная плата – центральный процессор
- X1763 Штекерное соединение приборная панель – перегородка места водителя
- X1785 Штекерное соединение основная коммутационная плата – перегородка места водителя
- X1786 Штекерное соединение основная коммутационная плата – перегородка места водителя
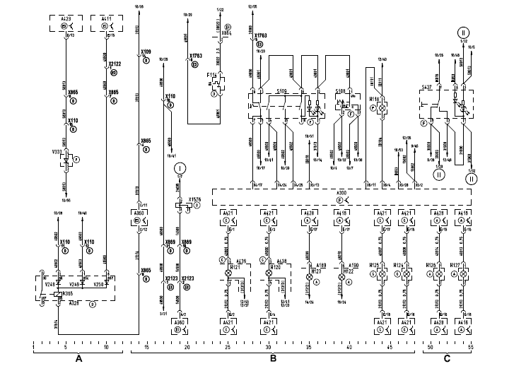
Свободный ход, выключатель приборов и стартера, гудок,
рулевое управление, нагрузочные сопротивления

- A = Свободный ход
- B = Выключатель приборов и стартера
- C = Гудок
- D = Рулевое управление
- E = Нагрузочные сопротивления
- A300 (223) Узел приборной панели
- A360 (281) Мультиплексный центральный процессор (ZBRO)
- A411 (280) Мультиплексорный узел передка слева 1.1
- A423 (280) Мультиплексорный узел в середине автомобиля 2.3
- B110 (108) Импульсный датчик тахоспидографа
- F108 (118) Предохранитель эксплуатационного контроля
- H102 (101) Гудок
- P100 (102) Тахоспидограф
- R161 (126) Группа резисторов света
- R162 (126) Группа резисторов противотуманной фары, задние противотуманные фонари
- S108 (530) Переключатель на рулевой колонке
- (указатель поворота, стеклоочиститель и фары)
- V100 Диод подавления помех (клемма 15)
- V254 (101) Диодная группа V100, V154
- W154 (142) Защищенный кабель для магистрали датчика тахоспидографа
- X109 Штекерное соединение основная коммутационная плата – приборная панель
- X110 Штекерное соединение основная коммутационная плата – приборная панель
- X617 (128) Распределитель клеммника X102, кабель 31000
- X859 (128) Распределитель клеммника X863, кабель 15001
- X869 Штекерное соединение основная коммутационная плата – центральный процессор
- X896 (190) Штекерное соединение кабеля тахоспидографа в основной коммутационной плате
- X1763 Штекерное соединение приборная панель – перегородка места водителя
- X1785 Штекерное соединение основная коммутационная плата – перегородка места водителя
- X1786 Штекерное соединение основная коммутационная плата – перегородка места водителя
- X2134 Штекерное соединение середина автомобиля 1 – середина автомобиля 2
- Y219 (127) Магнитный клапан регулировки рулевого управления
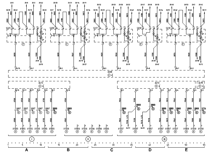
Блокировка дверной створки, стирание режима детской коляски,
контактор подъемника, контактор разблокировки рампы,
кнопка системы наклона кузова, поднятие/опускание

- A = Блокировка дверной створки
- B = Стирание режима детской коляски
- C = Контактор подъемника
- D = Контактор разблокировки рампы
- E = Кнопка системы наклона кузова, поднятие/опускание
- A300 (223) Узел приборной панели
- A413 (280) Мультиплексорный узел передка блоков управления 1.3
- A415 (280) Мультиплексорный узел потолка спереди 1.5
- S316 (400) Кнопка системы наклона кузова, поднятие/опускание
- S317 (406) Кнопка подъемника, поднятие/опускание
- S318 (403) Контактор разблокировки рампы
- S325 (413) Контактор блокировки дверной створки
- S326 (402) Кнопка детской коляски (удержание открытой двери)
- X134 Штекерное соединение основная коммутационная плата – потолок
- X867 Штекерное соединение основная коммутационная плата – центральный процессор
- X869 Штекерное соединение основная коммутационная плата – центральный процессор
- X1055 Штекерное соединение основная коммутационная плата – узел подъемника/рампы
- X1056 Штекерное соединение основная коммутационная плата – узел подъемника/рампы
- X1057 Штекерное соединение основная коммутационная плата – узел ECAS
- X1058 Штекерное соединение основная коммутационная плата – узел ECAS
Давление масла и температура охлаждающей жидкости, датчик топлива в задней части, датчик топлива посередине, резервные кабели, воздушная сушилка

- A = Давление масла и температура охлаждающей жидкости
- B = Датчик топлива в задней части
- C = Датчик топлива посередине
- D = Резервные кабели
- E = Воздушная сушилка
- A418 (280) Мультиплексорный узел сзади справа 1.8
- A423 (280) Мультиплексорный узел в середине автомобиля 2.3
- A428 (280) Мультиплексорный узел сзади слева 2.8
- B103 (263) Датчик запаса топлива 1
- B104 (103) Сенсор давления масла
- B105 (104) Датчик температуры охлаждающей жидкости
- B159 (263) Датчик запаса топлива 2
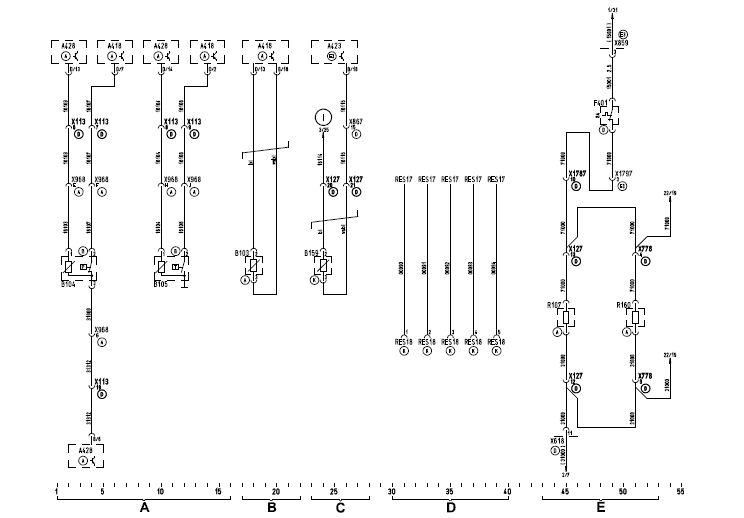
- F401 (118) Предохранитель воздушной сушилки, звукового сигнала, регулировки руля
- R107 (106) Воздушная сушилка
- R160 (106) Воздушная сушилка (задняя часть)
- RES17 Резерв для централизованной смазочной системы (основная коммутационная плата)
- RES18 Резерв для централизованной смазочной системы (FZGM)
- X113 Штекерное соединение главный фидер – задняя часть кузова
- X127 Штекерное соединение основная коммутационная плата – середина автомобиля
- X618 (128) Распределитель клеммника X102, кабель 31000
- X778 Штекерное соединение основная коммутационная плата – середина автомобиля
- X859 (128) Распределитель клеммника X863, кабель 15001
- X867 Штекерное соединение основная коммутационная плата – центральный процессор
- X968 Штекерное соединение главный фидер – двигатель
- X1787 Штекерное соединение основная коммутационная плата – перегородка места водителя
- X1797 Штекерное соединение основная коммутационная плата – перегородка места водителя
Тормозное давление 1/2, пружинный энергоаккумулятор и
давление в ресиверах 1/2, зонд уровня охлаждающей жидкости,
экономичный режим

- A = Тормозное давление 1/2, пружинный энергоаккумулятор и давление в ресиверах 1/2
- B = Зонд уровня охлаждающей жидкости
- C = Экономичный режим
- A411 (280) Мультиплексорный узел передка слева 1.1
- A418 (280) Мультиплексорный узел сзади справа 1.8
- A421 (280) Мультиплексорный узел спереди справа 2.1
- A423 (280) Мультиплексорный узел в середине автомобиля 2.3
- B101 (150) Датчик давления в ресиверах тормозного контура 1
- B102 (150) Датчик давления в ресиверах тормозного контура 2
- B107 (163) Реле давления в ресивере стояночного тормоза
- B139 (187) Зонд уровня охлаждающей жидкости
- X113 Штекерное соединение главный фидер – задняя часть кузова
- X774 Штекерное соединение основная коммутационная плата – главный фидер
- X867 Штекерное соединение основная коммутационная плата – центральный процессор
- X1403 (142) Перемычка экономичного режима
- X2121 Штекерное соединение панель управления – передок
Стояночный тормоз, остановочный тормоз, остановочный тормоз,
резервный кабель

- A = Стояночный тормоз, остановочный тормоз
- B = Остановочный тормоз
- C = Резервный кабель
- A300 (223) Узел приборной панели
- A415 (280) Мультиплексорный узел потолка спереди 1.5
- A423 (280) Мультиплексорный узел в середине автомобиля 2.3
- B109 (163) Контактор контрольной лампы стояночного тормоза
- B230 (198) Контактор стояночный тормоз включен
- H209 (110) Зуммер, остановочный тормоз не включен
- S312 (253) Выключатель остановочного тормоза
- X110 Штекерное соединение основная коммутационная плата – приборная панель
- X127 Штекерное соединение основная коммутационная плата – середина автомобиля
- X617 (128) Распределитель клеммника X102, кабель 31000
- X865 Штекерное соединение основная коммутационная плата – центральный процессор
Розетка, розетка подсветки моторного отсека, обогрев стекол/зеркал,
электропитание диагностики, группа резисторов контрольных ламп

- A = Розетка
- B = Розетка подсветки моторного отсека
- C = Обогрев стекол/зеркал
- D = Электропитание диагностики
- E = Группа резисторов контрольных ламп
- A415 (280) Мультиплексорный узел потолка спереди 1.5
- A421 (280) Мультиплексорный узел спереди справа 2.1
- A423 (280) Мультиплексорный узел в середине автомобиля 2.3
- E104 (151) Подсветка моторного отсека
- F111 (118) Предохранитель подсветки моторного отсека, розетки
- R103 (104) Обогрев окна водителя
- R104 (102) Обогрев зеркал заднего вида справа
- R105 (103) Обогрев зеркал заднего вида слева
- R156 (113) Группа резисторов дисплея/центрального процессора
- S106 (352) Выключатель обогрева стекол/зеркал
- X127 Штекерное соединение основная коммутационная плата – середина автомобиля
- X200 Штекерное соединение 37-полюсное диагностической системы (MAN-cats)
- X267 Штекерное соединение основная коммутационная плата – главный фидер
- X615 (128) Распределитель клеммника X613, кабель 31000
- X784 (107) Розетка на аккумуляторном ящике
- X864 (128) Распределитель клеммника X874, кабель 30022
- X865 Штекерное соединение основная коммутационная плата – центральный процессор
- X893 Штекерное соединение основная коммутационная плата – панель управления
- X987 Штекерное соединение главный фидер – задняя часть кузова
- X989 (107) Штекерное соединение основной коммутационной платы
- X1265 Штекерное соединение панели управления
- X1784 Штекерное соединение основная коммутационная плата – перегородка места водителя
- X1786 Штекерное соединение основная коммутационная плата – перегородка места водителя
- X1795 (128) Распределитель кабеля 31000
Моторный/трансмиссионный тормоз ВКЛ/ВЫКЛ, моторный/трансмиссионный тормоз прям., выключатель рации, переключение динамиков внутри/снаружи

- A = Моторный/трансмиссионный тормоз ВКЛ/ВЫКЛ
- B = Моторный/трансмиссионный тормоз прям.
- C = Выключатель рации
- D = Переключение динамиков внутри/снаружи
- A300 (223) Узел приборной панели
- A413 (280) Мультиплексорный узел передка блоков управления 1.3
- S299 (392) Коммутатор моторного/трансмиссионного тормоза ВКЛ/ВЫКЛ
- S313 (394) Коммутатор моторного/трансмиссионного тормоза прям
- S314 (408) Выключатель рации
- S315 (427) Выключатель переключения динамиков внутри/снаружи
- X865 Штекерное соединение основная коммутационная плата – центральный процессор
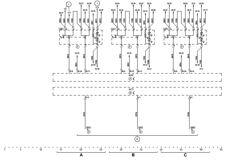
Контактор KSW 1, контактор KSW 2, контактор KSW 4

- A = Контактор KSW 1
- B = Контактор KSW 2
- C = Контактор KSW 4
- A300 (223) Узел приборной панели
- A413 (280) Мультиплексорный узел передка блоков управления 1.3
- S302 (428) Контактор по особому пожеланию заказчика 1
- S303 (429) Контактор по особому пожеланию заказчика 2
- S305 (430) Контактор по особому пожеланию заказчика 4
- X865 Штекерное соединение основная коммутационная плата – центральный процессор
Контактор KSW 5, контактор KSW 6, контактор KSW 7,
контактор KSW 8

- A = Контактор KSW 5
- B = Контактор KSW 6
- C = Контактор KSW 7
- D = Контактор KSW 8
- A300 (223) Узел приборной панели
- A413 (280) Мультиплексорный узел передка блоков управления 1.3
- S306 (431) Контактор по особому пожеланию заказ 5
- S307 (432) Контактор по особому пожеланию заказ 6
- S308 (433) Контактор по особому пожеланию заказ 7
- S309 (533) Контактор по особому пожеланию заказ 8
- X865 Штекерное соединение основная коммутационная плата – центральный процессор
Кнопка двери 1, кнопка двери 2, кнопка двери 3, кнопка двери 4,
коммутатор разблокировки двери, внешнее управление двери 1

- A = Кнопка двери 1
- B = Кнопка двери 2
- C = Кнопка двери 3
- D = Кнопка двери 4
- E = Коммутатор разблокировки двери
- F = Внешнее управление двери 1
- A300 (223) Узел приборной панели
- S125 (415) Водительская кнопка, дверь 1
- S131 (416) Водительская кнопка, дверь 2
- S322 (414) Выключатель разблокировки двери
- S323 (417) Водительская кнопка, дверь 3
- S324 (418) Водительская кнопка, дверь 4
- X115 Штекерное соединение основная коммутационная плата – передок слева
- X1287 Штекерное соединение передок – внешняя кнопка двери 1
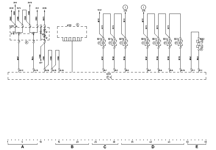
Кнопка переключение дисплея, дисплей, аварийная контрольная лампа/предупреждение, контрольные лампы KSW, динамик приборной панели

- A = Кнопка переключение дисплея
- B = Дисплей
- C = Аварийная контрольная лампа/предупреждение
- D = Контрольные лампы KSW
- E = Динамик приборной панели
- A299 (233) Дисплей приборной панели
- A300 (223) Узел приборной панели
- B302 (215) Динамик приборного узла
- H213 (111) Контрольная лампа аварийная (красная)
- H214 (111) Контрольная лампа предупредительная (желтая)
- H220 (111) Контрольная лампа для особого пожелания заказчика 3
- H221 (111) Контрольная лампа для особого пожелания заказчика 4
- H222 (111) Контрольная лампа для особого пожелания заказчика 5
- H223 (111) Контрольная лампа для особого пожелания заказчика 6
- H270 (111) Контроль давления пружинного энергоаккумулятора
- S328 (534) Кнопка переключения дисплея
Штекерные перемычки для узлов

- A = Штекерные перемычки для узлов
- X313 Распределитель кабеля 16000
- X326 Распределитель для кабеля 43300
- X970 Распределитель кабеля 59103
- X1016 Распределитель кабеля 68509
- X1018 Распределитель кабеля 24566
- X1019 Распределитель кабеля 68302
Штекерные соединения для узлов двери

- A = Штекерные соединения для узлов двери
- A411 (280) Мультиплексорный узел передка слева 1.1
- A415 (280) Мультиплексорный узел потолка спереди 1.5
- X110 Штекерное соединение основная коммутационная плата – приборная панель
- X867 Штекерное соединение основная коммутационная плата – центральный процессор
- X1050 Штекерное соединение основная коммутационная плата – узел двери
- X1051 Штекерное соединение основная коммутационная плата – узел двери
- X1052 Штекерное соединение основная коммутационная плата – узел двери
- X1053 Штекерное соединение основная коммутационная плата – узел двери
- X1054 Штекерное соединение основная коммутационная плата – узел двери
- X2122 Штекерное соединение центральный бортовой компьютер – передняя часть кузова
- X2125 Штекерное соединение центральный бортовой компьютер – потолок
Резервные кабели

- A = Резервные кабели
- RES6 Вставьте резервный кабель в кабельный жгут
- X267 Штекерное соединение основная коммутационная плата – главный фидер
- X968 Штекерное соединение главный фидер – двигатель
- X987 Штекерное соединение главный фидер – задняя часть кузова










































