Инструкция по устройству и диагностике газодизельных комплектов
«РАРИТЭК-1-КАМАЗ» с ЭСУ-ГДД для двигателей КамАЗ
Содержание:
1. Краткие сведения о системе управления двигателем и подачей газа.
Принципиальная схема ЭСУ-ГДД и системы подачи газа.
Принципиальная схема ЭСУ-ГДД Е3.
Принципиальная схема ЭСУ-ГДД Е2.
Принципиальная электрическая схема жгута.
Система управления ЭСУ-ГДД.
Датчики.
Исполнительные механизмы.
Включение системы управления двигателем.
2 Требования техники безопасности.
3 Общие требования при диагностике электронной системы управления двигателем.
4 Диагностика системы управления сканером – тестером при неработающем двигателе.
5 Диагностика системы управления сканером – тестером при работе двигателя на режиме холостого хода.
5 Диагностика системы управления встроенной системой самодиагностики.
5 Коды неисправностей генерируемые встроенной системой самодиагностики
6 Возможные неисправности. Методика поиска.
1 Описание системы управления двигателем и подачей газа ЭСУ-ГДД.

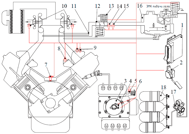
Рис. 1. Принципиальная схема ЭСУ-ГДД и системы подачи газа
1 – электронный блок управления; 2-электронная педаль акселератора; 3-электромагнитный
привод рейки ТНВД; 4-датчик положения рейки ТНВД; 5-датчик температуры дизельного
топлива; 6-отсечной клапан дизтоплива;7-датчик синхронизации, частоты вращения коленчатого
вала; 8-датчик температуры охлаждающей жидкости; 9-датчик температуры и давления
воздуха; 10-термопары; 11-тройник подачи газа; 12-регулятор подачи газа электронный; 13-
отсечной клапан подачи газа электромагнитный; 14-датчик температуры газа; 15-датчик
давления газа; 16-редуктор газовый; 17-крестовина заправочная; 18-баллоны газовые.
Рис. 2. Принципиальная схема подключения исполнительных механизмов и датчиков ЭСУ-ГДД
двигателя Е3.
Рис. 3. Принципиальная схема подключения исполнительных механизмов и датчиков ЭСУ-ГДД
двигателей Е0, Е1, Е2.

Рис. 5. Блок реле и предохранителей.
1 –реле главное XS3.
2 – предохранитель XS2.
3 – реле электромагнитного клапана 1 XS5.
4 – реле электромагнитного клапана 2 XS4.
5 – колодка диагностическая XS6.
Главное реле ХS3 (рис. 5) включается блоком управления при включении замка зажигания. При включении реле подается напряжение на цепи питания блока управления, датчики и исполнительные механизмы. Выключение реле производится блоком управления после выключения замка зажигания, с задержкой 10…20 секунд.
Газовое реле ЭМК1 XS5 (рис. 5) включается клавишей режима работы «Дизель-Газодизель», при включенном зажигании.
Газовое реле ЭМК2 XS4 (рис. 5) включается блоком управления при появлении сигнала заданной величины с датчика частоты вращения коленчатого вала и при определенном положении педали акселератора, клавиша режима работы «Дизель-Газодизель» должна быть в положении «ГАЗ», двигатель прогрет до температуры выше 40-50 градусов (устанавливается при программировании блока управления). Через реле подается питание на обмотку отсечного электромагнитного клапана. Реле отключается немедленно после снижения оборотов двигателя или при отпускании педали акселератора.
Система топливоподачи ЭСУ-ГДД с ТНВД с электронным регулятором и ЭБУ M230ГД.
ТНВД с электронным регулированием подачи топлива (рис.1.4) аналогичны насосам с механическим регулированием подачи топлива по конструкции и присоединительным размерам.
Основное отличие состоит в том, что роль регулятора частоты вращения и корректора подачи
топлива по давлению надувочного воздуха выполняет электромагнитный исполнительный механизм, управляемый электронным блоком управления. Электронный регулятор обеспечивает более высокую точностью и быстродействие регулирования подачи топлива, дополнительную коррекцию по температуре топлива и тепловому состоянию двигателя. Плунжерные пары имеют управляющие и отсечные кромки. При помощи управляющей кромки изменяют начало подачи топлива, а при помощи отсечных кромок – момент отсечки. При этом меняются не только углы начала и конца подачи, но и количество впрыскиваемого топлива.
К основным недостаткам топливоподающих систем традиционного типа (с механическим регулированием подачи топлива) можно отнести следующие:
- большое количество деталей регулирующего механизма, ограниченное число параметров регулирования из-за сложности конструкции регулятора;
- нестабильность характеристик от времени и температур (меняется жёсткость пружин, вязкость масла и топлива, износ деталей регулятора и т.д.), что вызывает необходимость периодического контроля и регулировок ТА;
- невысокое быстродействие регулятора, инерционность исполнительного механизма;
- ограниченные возможности регулирования угла опережения впрыскивания топлива;
- для остановки двигателя необходима система останова.
Ужесточение экологических требований к двигателям внутреннего сгорания повышает требования и к топливоподающим системам. Для обеспечения экологических требований уровня Евро-3 на двигателях КАМАЗ устанавливаются ТНВД с электронным регулированием подачи топлива разработки фирмы «Абит». ЭСУ-ГДД разработки фирмы «АБИТ» позволяет так же работать в газодизельном режиме обеспечивая подачу небольшой (15 – 35 % от полной подачи) запальной дозы дизельного топлива и управление подачей газового топлива замещающего недостающую часть дизтоплива в каждый момент времени. Запальная доза дизельного топлива необходима для воспламенения газовоздушной смеси.
Электронное управление в сравнении механическим имеет большее число параметров регулирования, имеет более высокое быстродействие, стабильные характеристики и широкие возможности регулирования подачи топлива, что позволяет улучшить экономические и экологические показатели двигателя на переходных и рабочих режимах. К особенностям и преимуществам ТПА с электронным управлением в сравнении с ТПА традиционного типа можно отнести выполнение следующих функций двигателя:
- формирование любой внешней скоростной характеристики двигателя;
- обеспечение минимально необходимой пусковой подачи топлива оптимизированной по температуре;
- коррекция цикловой подачи в зависимости от давления и температуры наддувочного воздуха, температуры топлива, температуры охлаждающей жидкости (ОЖ);
- обеспечение защиты двигателя при обнаружении аварийных режимов работы;
- обеспечение аварийного останова двигателя;
- управление реле блокировки стартера.
Также система позволяет реализовать автомобильные функции такие как:
- отключение подачи топлива в режиме «горный тормоз»;
- функция «круиз-контроль»;
- ограничение максимальной скорости автомобиля;
- функции диагностики и передача диагностической информации через диагностический разъем по линиям K-line и CAN;
- индикация о неисправности ЭСУ-ГДД контрольной лампой «Check Engine»;
- обеспечение взаимодействия с другими системами управления автомобиля;
- обеспечение аварийно-предупредительной сигнализации и защиты и др.

Рис.1.4. ТНВД с электронным регулятором.
В системе используются следующие элементы:
Датчики частоты вращения коленчатого вала (основной и вспомогательный) 0 281 002 898 ф. «Bosch» (рис.1.5).

Рис.1.5. Датчик частоты вращения 0 281 002 898 ф.«Bosch».
Датчики частоты вращения индукционные. Используются для измерения частоты вращения коленчатого и распределительного валов двигателя. Датчик измерения частоты вращения коленчатого вала устанавливается в отверстие, выполненное в передней крышке. Для формирования сигналов датчика в качестве индуктора применяется специальный передний противовес коленчатого вала с восемью пазами показанный на рис.1.6.
Датчик температуры охлаждающей жидкости 0 281 002 209 ф. «Bosch» (рис.1.8)
используется для определения температурного состояния двигателя. Устанавливается в отверстие коробки термостатов системы охлаждения двигателя. Сигнал датчика используется в функции ограничения цикловой подачи при превышении допустимой температуры двигателя с выдачей предупреждения на диагностическую лампу и корректировку стартовой подачи топлива в зависимости от температурного состояния двигателя.

Рис.1.8. Датчик температуры 0 281 002 209 ф.«Bosch».
Датчик температуры топлива 0 281 002 209 ф.«Bosch» (рис.1.8) используется для определения температуры топлива, монтируется в специальный корпус клапана, установленный на входе в ТНВД. В зависимости от его сигнала корректируется объём цикловой подачи топлива.
Датчик давления и температуры наддувочного воздуха 0 281 002 576 ф.«Bosch» (рис.1.9), устанавливаемый в соединительном патрубке, определяет температуру и давление воздуха во впускных коллекторах двигателя. Значения температуры и давления воздуха необходимы для определения массового расхода воздуха и корректировки цикловой подачи топлива с целью ограничения дымности двигателя.

Рис.1.9. Датчик давления и температуры наддувочного воздуха 0 281 002 576 ф.«Bosch».
Электронный блок управления (ЭБУ) М230E3-ГД (рис.1.10) обеспечивает прием и обработку сигналов датчиков, переключателей, передаваемой информации по шине CAN и выдачу алгоритмов управления необходимых для исполнительных механизмов. ЭБУ анализирует всю поступающую информацию о режимных параметрах, о состоянии двигателя и автомобиля, обрабатывает ее в соответствии с заданными алгоритмами и управляет рейкой ТНВД, обеспечивая при этом впрыскивание строго дозированных порций топлива. Через шину CAN возможен обмен сигналами с другими системами автомобиля, через К-line осуществляется диагностика системы.

Рис.1.10. Электронный блок управления М230E3-ГД «АБИТ».
Электронный блок управления устанавливается в кабине автомобиля.
Исполнительными механизмами системы являются электромагнит перемещения рейки ТНВД и втягивающий электромагнит на 24В клапана аварийной отсечки топлива, электромагнитный клапан подачи газа из баллонов, электромагнитный клапан подачи газа после редуктора и электромагнитный регулятор подачи газа.
Жгут системы ЭСУ-ГДД служит для связи контроллера с датчиками и задающими устройствами, электронным регулятором ТНВД, аккумуляторными батареями и средствами диагностики двигателя.

Рис.1.12. Жгут системы ЭСУ-ГДД.
Педаль подачи топлива ф. «TeleflexMorse» устанавливается в кабине изделия и служит для выбора требуемого режима работы двигателя водителем. Сигнал выходного напряжения передается в электронный блок управления, где он преобразуется в значение цикловой подачи топлива.

Контрольная лампа диагностики расположена на панели приборов и служит для информирования об обнаруженных блоком управления неисправностях, контроля работы двигателя и выдачи кодов неисправности – блинк - кода. При включении зажигания лампа загорается на короткое время и гаснет (проверка работоспособности). Если лампа диагностики не погасла, или зажглась после запуска двигателя, значит, блок управления обнаружил ошибку.
Информация о неисправностях хранится в ЭБУ и может быть прочитана в любое время. Для
определения характера неисправности можно воспользоваться встроенной системой диагностики или воспользоваться диагностическим тестером «АСКАН-10 24В» для устранения неисправности необходимо обратиться в сервисный центр. После устранения неисправности лампа диагностики гаснет.
Если лампа диагностики не загорается после включения зажигания:
- убедиться, что при повороте ключа зажигания происходит включение системы управления двигателем;
- проверить исправность лампы диагностики и ее электрических цепей. В случае этой ошибки блок управления запоминает код неисправности «Неисправность лампы диагностики» (просмотр возможен с помощью сканера);
- при исправности лампы и цепей питания причина может быть в неисправности блока управления;
Датчик давления (45.3829М) тензорезистивного типа (может применятся вместо датчика давления и температуры наддувочного воздуха 0 281 002 576 ф. Бош). Датчик служит для определения абсолютного давления воздуха во впускном коллекторе. На основании показаний датчика рассчитывается время открытого состояния дозаторов газа. Внешний вид датчика и нумерация контактов датчика представлены на рис. 11.

Рис. 11. Внешний вид и нумерация контактов датчика 45.3829М
Продолжение смотрите в

