Техническое описание и поиск неисправности SCR SCANIA



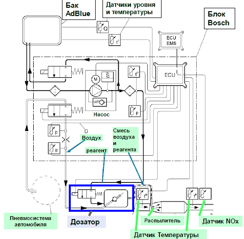
1. Сжатый воздух -Вход
2. Сжатый воздух -Выход
3. Реагент (AdBlue) -Вход
4. Реагент (AdBlue) -Выход
5. Реагент (AdBlue) -Возврат в бак
6. Фильтр тонкой очистки
7. Фильтр грубой очистки
8. Редукционный клапан
9. Сливная пробка
Клапан подачи воздуха

Фильтр с подогревателем и датчиками давления и температуры

Насос для подачи реагента

Насос и блок клапанов

Клапан обратного слива реагента

- Сопротивление клапана 24 Ома
- Сопротивление подогревателя 42 Ома

1. Сжатый воздух -Вход
2. Реагент (AdBlue) -Вход
3. Выпуск
Прогрев системы
Прогрев системы включается в диапазоне температур от –12оС до +8оС. Реагент прогревается до температуры +15оС.
Условие включения клапана подогрева –двигатель работает и температура охлаждающей жидкости достигла 60оС.
В баке, шлангах и дозаторе обогрев производится с помощью охлаждающей жидкости, главный блок имеет электрообогрев.
После достижения некоторой температуры система осуществляет ряд тестов. Если тесты проходят успешно, начинается подача реагента.
Если при запуске двигателя температура окружающей среды менее -10оС, система SCR не включается.
Если подогрев включился, но система в течение долгого времени не может прогреться, возникнет код неисправности и ограничение крутящего момента (при наличии контроля NO)
Реагент
AdBlue –раствор 32.5% мочевины в воде
При высыхании образует светлые кристаллы. Свежие кристаллы легко растворимы в теплой воде. При некоторых условиях происходит изменение состава кристаллов, после чего удалить их можно либо механически, либо нагревая до температуры выше 500 С.
При попадании в бак с реагентом дизтоплива (даже в очень малых количествах) подкачивающий насос в блоке Bosch выходит из строя. Для проверки наличия малых количеств дизтоплива в баке с реагентом предлагается бумажная полоска –детектор (p/n 588 876)При наличии дизтоплива полоска посинеет
В некоторых случаях реагент образует так называемые «камни» -отложения кристаллов реагента в спирали глушителя, препятствующие прохождению отработавших газов и вызывающие свист и падение мощности. Эти «камни» можно удалить механически или с помощью пескоструйки.
Расход реагента
Нормальный расход реагента в пределах 2 –7% от расхода топлива
Максимальный расход реагента –при нагрузке на двигатель 25%
Причины, по которой расход реагента может отклоняться от приведенных значений:
- Особенно холодная (ниже 0 °C), или теплая (выше 40 °C) температура окружающей среды
- Короткие промежутки времени между пуском и остановкой
- Движение по пересеченной местности
- Продолжительная работа с отбором мощности
- Движение на большой высоте.
- Блок управления двигателя расчитывает количество окислов азота (и количество мочевины, необходимое для реакции)
- Требуемое количество мочевины задается блоку Bosch (по шине CAN)
- Блок Bosch регулирует подачу реагента производительностью насоса

Проверки при включении



Проверки системы SCR в SDP 3

Проверка 1 (продувка системы воздухом)

Условия теста 1
- Двигатель выключен.
- Полное давление в пневмосистеме.
- Все коды стерты.
- Впрыскивающее устройство не закупорено.
Реагент при проверке не подается!
Проверяется:
- Давление воздуха
- Давление реагента (если изменяется –дозатор заел в открытом положении)
Продолжение и самое интересное в