Электрическая схема HINO 500
GH8J & FM8J
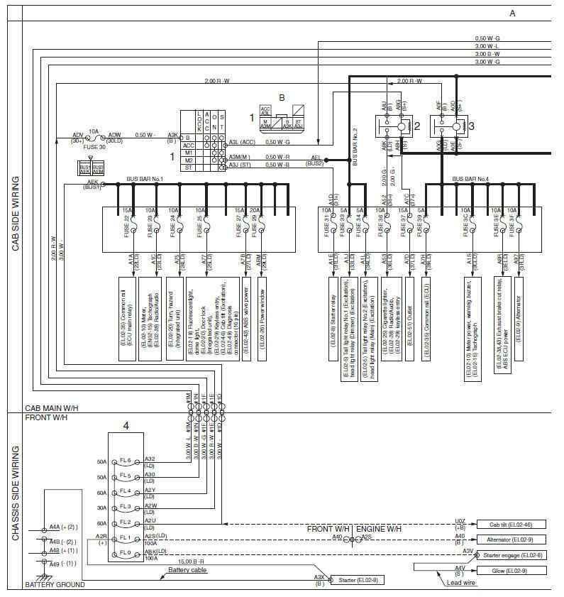
A POWER SUPPLY CIRCUIT
B POWER SUPPLY AND EACH DISTRIBUTION CIRCUIT
C ENGINE STARTING CIRCUIT
D CHARGING CIRCUIT
E PRE-HEATING CIRCUIT
F METER CIRCUIT
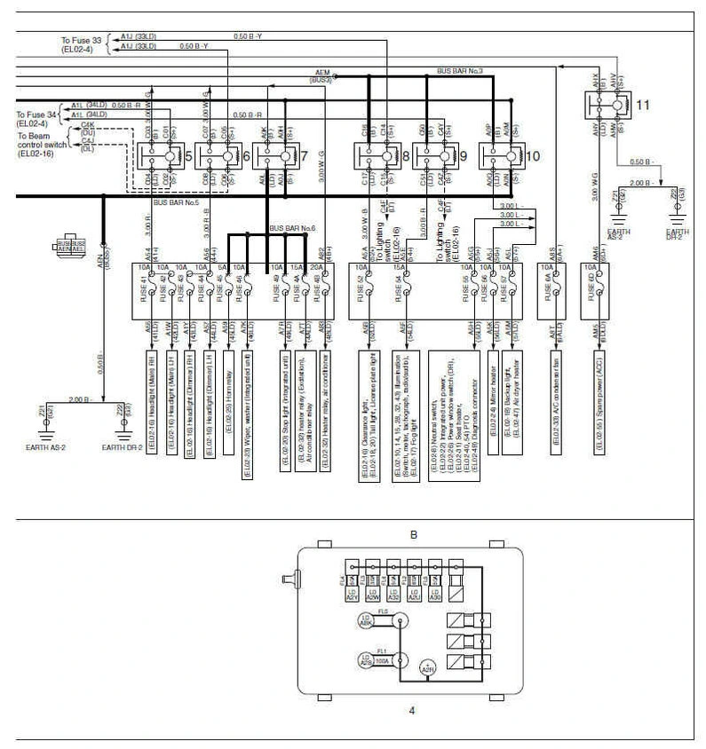
G HEADLIGHT BEAM CONTROL CIRCUIT
H TACHOGRAPH CIRCUIT
I HEADLIGHT AND FOG LIGHT CIRCUIT
J BACKUP LIGHT CIRCUIT
K ROOM LIGHT CIRCUIT
L INTEGRATED UNIT CIRCUIT No.1
M INTEGRATED UNIT CIRCUIT No.2
N MIRROR HEATER CIRCUIT
O HORN CIRCUIT
P CIGARETTE LIGHTER CIRCUIT
Q POWER WINDOW CIRCUIT
R RADIO/AUDIO CIRCUIT
S KEYLESS ENTRY CIRCUIT
T SEAT BELT WARNING CIRCUIT
U SEAT HEATER CIRCUIT
V AIR CONDITIONER CIRCUIT
W COMMON RAIL CIRCUIT No.1
X COMMON RAIL CIRCUIT No.2 (EXHAUST BRAKE)
Y COMMON RAIL CIRCUIT No.3 (PTO)
Z ABS/ASR CIRCUIT
AA CAB TILT CIRCUIT
AB AIR DRYER HEATER CIRCUIT
AC DIAGNOSIS MONITOR CIRCUIT
AD DIAGNOSIS CONNECTOR (16PIN) CIRCUIT
AE CAN CIRCUIT
AF OUTLET CIRCUIT
AG GROUND CIRCUIT
AH TRANSMISSION PTO CONTROL CIRCUIT
AI SPARE POWER CIRCUIT


Все схемы в высоком качестве смотри в