Подогреватель предпусковой дизельный 14ТС-10
Описание устройства и работы подогревателя
Подогреватель работает независимо от автомобильного двигателя.
Питание подогревателя топливом и электроэнергией осуществляется от автотранспортного средства. Схема электрических соединений подогревателя приведена на рисунке 1.
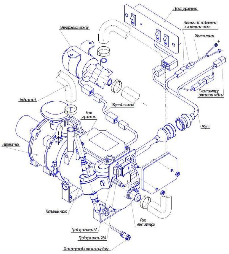
Подогреватель (основные узлы подогревателя показаны на рисунке 2) является автономным нагревательным устройством, которое содержит:
- нагреватель ( основные узлы нагревателя показаны на рисунке 3);
- топливный насос для подачи топлива в камеру сгорания;
- циркуляционный насос (помпа) для принудительной прокачки рабочей жидкости системы охлаждения (тосола) через теплообменную систему нагревателя;
- блок управления, осуществляющий управление вышеперечисленными устройствами по одной из заданной программе;
- пульт управления;
- жгуты проводов для соединения элементов подогревателя и АКБ автомобиля.
Подогреватель может работать по одной из двух программ: «экономичной» или «нормальной». Экономичная программа отличается меньшей потребляемой мощностью.
Принцип действия подогревателя основан на разогреве жидкости системы охлаждения двигателя автомобиля, принудительно прокачиваемой через теплообменную систему нагревателя.
В качестве источника тепла используются газы от сгорания топливной смеси в камере сгорания. Через стенки теплообменника тепло передается охлаждающей жидкости системы охлаждения двигателя автомобиля.
При включении подогревателя осуществляется тестирование и контроль работоспособности элементов подогревателя: индикатора пламени, датчиков температуры и перегрева, помпы, электромотора нагнетателя воздуха, свечи, топливного насоса и их электроцепей. При исправном состоянии начинается процесс розжига. Одновременно включается циркуляционный насос (помпа).
По заданной программе происходит предварительная продувка камеры сгорания и разогрев до необходимой температуры свечи накаливания. Затем, по той же программе начинает подаваться топливо и воздух. В камере сгорания начинается процесс горения. После образования стабильного горения происходит отключение свечи накаливания. Контроль пламени осуществляется индикатором пламени. Всеми процессами при работе подогревателя управляет блок управления.
Блок управления осуществляет контроль температуры охлаждающей жидкости и в зависимости от величины температуры охлаждающей жидкости устанавливает режимы работы подогревателя: «полный», «средний» или «малый». На режиме «полный» по программе «нормальная» охлаждающая жидкость нагревается до 70°C, по программе «экономичная» до 55°C , а при нагреве свыше 70°C или 55°C, соответственно, переходит на режим «средний». На режиме «средний» по программам «нормальная» или «экономичная» охлаждающая жидкость нагревается до температуры 75°C, а при нагреве свыше 75°C подогреватель переходит на режим «малый». На режиме «малый» охлаждающая жидкости нагревается до 80°C (по обеим программам), а при нагреве свыше 80°C переходит на режим «остывания», при этом прекращается процесс горения, продолжается работа помпы и обогрев салона автомобиля. При охлаждении жидкости ниже 55°С по программе «нормальная» подогреватель автоматически включается вновь на режим «полный», а по программе «экономичная» на режим «средний».
Продолжительность полного цикла работы составляет 3 часа или 8 часов в зависимости от положения переключателя (см. раздел 6) Кроме того, имеется возможность выключить подогреватель в любой момент цикла.
При подаче команды на выключение подогревателя вручную или автоматически по истечению установленного времени работы подогревателя прекращается подача топлива, и производится продувка камеры сгорания воздухом.
Особенности автоматического управления работой подогревателя в аварийных и нештатных ситуациях:
1) если по каким-либо причинам не произошёл запуск подогревателя, то процесс запуска автоматически повторится. После 2-х неудачных попыток происходит выключение подогревателя;
2) если во время работы подогревателя горение прекратится, то подогреватель выключится;

Схема электрических соединений

Основные узлы подогревателя.

Основные узлы нагревателя.
3) при перегреве подогревателя (например, нарушена циркуляция охлаждающей жидкости, воздушная пробка и др.) происходит автоматическое выключение подогревателя;
4) при падении напряжения ниже 20В или его повышении свыше 30В
происходит выключение подогревателя.
5) при аварийном выключении подогревателя на пульте управления начнет мигать светодиод «КОНТРОЛЬ». Количество миганий, через паузу, показывает вид неисправности. Расшифровку вида неисправности смотри в разделе 8 “Руководства по эксплуатации ″.
Примечание. Обогрев кабины автомобиля возможен только при открытом положении крана отопителя салона и замкнутой массе автомобиля.
Блок управления подогревателя (БУ)
БУ обеспечивает управление подогревателем совместно с пультом управления.
БУ выполняет следующие функции:
а) начальную диагностику (проверку исправности ) узлов подогревателя при запуске;
б) диагностику узлов подогревателя во время всей работы;
в) запуск и автоматическую работу по программам «нормальная» или «экономичная» (переход на различные режимы в зависимости от температуры охлаждающей жидкости двигателя);
г) выключение подогревателя:
- при окончании заданного цикла (цикл 3 часа или 8 часов);
- при потере работоспособности одного из контролируемых узлов;
- при выходе параметров за допустимые пределы (температуры, напряжения и срыве пламени в камере сгорания).
Пульт управления
Пульт управления (далее по тексту - пульт) предназначен для применения в составе подогревателя в качестве устройства, обеспечивающего ручное управление подогревателем.
Пульт предназначен для:
- запуска и остановки подогревателя в ручном режиме;
- установки программ работы: «нормальная» или «экономичная»;
- установки продолжительности работы подогревателя ( 3 часа или 8 часов);
- управления вентилятором отопителя кабины;
- показа состояния подогревателя ( работает, не работает или не работает по причине возникновения неисправности).
Устройство пульта управления и работа с ним
На лицевой панели пульта расположены: три клавишных переключателя (поз.1,2 и 3) светодиод (поз.4 ) и ручка терморегулятора (поз.5).

Лицевая панель пульта управления
Переключатели предназначены для выполнения следующих команд:
- переключатель поз.1 служит для запуска ( положение “ | “ ) и отключения подогревателя ( положение “ О ” );
- переключатель поз.2 служит для установки программы работы:
а) нормальная (на лицевой поверхности пульта обозначена знаком );
б) экономичная (на лицевой поверхности пульта обозначена знаком );
- переключатель поз.3 служит для установки продолжительности работы подогревателя на 3 часа (на лицевой поверхности пульта обозначена знаком 3) или 8 часов (на лицевой поверхности пульта обозначена знаком 8 ).
Положение переключателей поз.2 и поз.3 может быть любое, допускаются их переключения во время работы подогревателя, т.е. можно изменить программу работы и продолжительность работы. Продолжительность работы после переключения будет равна времени с учетом проработанного.
Например, если с установленного времени 8 часов переключить на продолжительность 3 часа, а подогреватель до момента переключения проработал уже 4 часа, то подогреватель выключится.
Ручка терморегулятора поз. 5 служит для управления вентилятором отопителя кабины ( при условии, что температура охлаждающей жидкости более 55°С, а переключатель отопителя салона на панели в кабине находится в положении «ВЫКЛ», и масса автомобиля включена) следующим образом:
а) при установке ручки терморегулятора в крайнее левое положение вентилятор отопителя кабины будет отключен;
б) при установке ручки терморегулятора в крайнее правое положение вентилятор отопителя кабины будет работать непрерывно;
в) при установке ручки терморегулятора между крайними положениями
вентилятор будет включаться циклично. Продолжительность цикла 10 минут.
Например, если ручка установлена в такое положение, при котором вентилятор отопителя проработает 4 минуты, то только через 6 минут он повторно включится на 4 минуты и т. д. Таким образом, он будет работать до изменения положения ручки терморегулятора или до выключения подогревателя. После каждого изменения положения ручки терморегулятора (между крайними положениями) следующее включение вентилятора отопителя кабины произойдет в интервале от 2 до 8 минут.
Светодиод поз.4 показывает состояние подогревателя:
- светится - при работе подогревателя;
- мигает - при неисправности (аварии). Количество миганий после паузы соответствует коду неисправности (см. таблицу 2).
- не светится - при неработающем подогревателе.
Внимание. Для повторного включения подогревателя после его автоматической остановки переключатель поз.1 необходимо перевести в положение « О »
и не ранее чем через 5-10 секунд в положение « I »
Неисправности
Неисправности, которые могут быть устранены собственными силами. Подогреватель после включения не запускается, при этом необходимо:
1 Проверить наличие топлива в баке;
2 Проверить предохранители ( при неисправности предохранителя 5А или 25А - подогреватель не запускается, светодиод на пульте не светится)
Неисправности элементов системы управления подогревателем
Поиск неисправностей необходимо начать с проверки контактов разъемов проверяемых цепей (см. таблицу 1 и схему электрических соединений).

Количество миганий свето-диода
Описание неисправности
Устранение неисправностей
1
Перегрев
Опознан возможный перегрев. Разница температур, замеренных датчиком перегрева и датчиком температуры, слишком большая
Датчик перегрева или датчик температуры выдаёт температуру выше 102°C. Проверить полностью жидкостный контур и работу циркуляционного насоса.
Разница значений температур, замеренных датчиком перегрева и датчиком температуры, составляет более 20°C (значение температуры с датчика перегрева или датчика температуры больше 70°C). Проверить датчик перегрева и датчик температуры и при необходимости заменить.
Проверить работу циркуляционного насоса.
2
Попытки запуска исчерпаны
Если допустимое количество попыток запуска использовано – проверить количество и подачу топлива. Проверить систему подвода воздуха для сгорания и газоотводящий трубопровод.
3
Прерывание пламени
Проверить количество и подачу топлива. Проверить систему подвода воздуха для сгорания и газоотводящий трубопровод. Если подогреватель запускается, то проверить индикатор пламени и при необходимости заменить. Проверить топливной фильтр тонкой очистки на засорение
4
Неисправность свечи накаливания
Неисправность мотора нагнетателя воздуха
Проверить свечу накаливания, при необходимости заменить.
Проверить электропроводку мотора нагнетателя воздуха, при необходимости заменить нагнетатель воздуха
5
Неисправность индикатора пламени
Проверить соединительные провода. Проверить омическое сопротивление между контактами разъема индикатора. При обрыве омическое сопротивление более 90 Ом. При обрыве индикатор пламени заменить.
Проверить омическое сопротивление между контактами разъема индикатора. При КЗ омическое сопротивление менее 10 Ом. При КЗ индикатор пламени заменить.
6
Неисправность датчика перегрева
Неисправность датчика температуры
Проверить соединительные провода. Выходной сигнал и напряжение находятся в линейной зависимости от температуры (0°C соответствует 2.73 В и при увеличении температуры на 1°C соответственно увеличивается выходной сигнал на 10 мВ). Проверить датчик и при необходимости заменить.
7
Неисправность циркуляционного насоса
Неисправность топливного насоса
Неисправность реле упр. вентилятором автомобиля
Удалить воздух из жидкостного контура автомобиля, руководствуясь предписаниями завода-изготовителя автомобиля. Проверить электропровода циркуляционного насоса на короткое замыкание, проверить циркуляционный насос и при необходимости заменить.
Проверить электропровода топливного насоса на короткое замыкание, проверить топливный насос на производительность и при необходимости заменить.
Проверить электропровода реле, устранить короткое замыкание, при необходимости реле заменить
8
Нет связи между пультом управления и блоком управления
Проверить соединительные провода, разъемы.
9
Отключение, пониженное напряжение
Проверить батарею, регулятор и подводящую электропроводку. Напряжение между 4 и 7 контактами разъема ХS1 должно быть не выше 30,8 В.
Проверить батарею, регулятор и подводящую электропроводку. Напряжение между 4 и 7 контактами разъема ХS1 должно быть не ниже 20 В
10
Превышено время на вентиляцию
За время продувки недостаточно охлаждён подогреватель. Проверить систему подачи воздуха для сгорания и газоотводящий трубопровод. Проверить индикатор пламени и при необходимости заменить.