Устройство климат-контроля CU-BAS, CU-MCC, CU-ECC Volvo Truck
Устройство климат-контроля, конструкция и назначение
- Система кондиционирования воздуха
- Общие сведения
- Точки переключения датчика давления
- Общие сведения
- Распределение воздуха
- Конструкция
- Элементы управления
- Обогревательный блок
- Компоненты системы A/C
- Неисправности

Устройство климат-контроля существует в трех версиях, две из которых являются системами AC
(т.е. комбинированными системами обогрева и охлаждения):
• Отопитель «CU-BAS»
• Воздушное кондиционирование, ручное «CU-MCC»
• Воздушное кондиционирование, автоматическое «CU-ECC».
Это руководство описывает комбинированный блок,поскольку единственным различием между блоками заключается в компонентах для кондиционирования воздуха.
Устройство и принцип действия

Автомобиль FH
Воздухоприемник, расположенный спереди кабины, имеет сменный фильтр для очистки воздуха,
проходящего через воздухоприемник. Фильтр следует заменять через регулярные интервалы
времени, см. руководство по техническому обслуживанию, функциональная группа 17. Воздух,
поступающий в устройство климат-контроля, распространяется через форсунки по всей кабине.
Воздух распределяется так, чтобы нагревать поверхности, являющиеся потенциальным источником холода.
Воздух выходит из кабины через выпускные вентиляционные отверстия в дверях и через задние стойки кабины. Воздух на впуске проходит от ветрового стекла вверх в потолок, вниз вдоль задней стенки до пола, вверх между отделкой стенки и панелью и, наконец, через вентиляционные отверстия сзади кабины. Эта вентиляционная система удаляет холод с задней стенки, что особенно важно в кабинах со спальным местом. Невозвратные клапаны в вентиляционных отверстиях вытяжки воздуха предотвращают возможность потока воздуха в другом направлении через вентиляционные отверстия, и имеют параметры, позволяющие создавать небольшое положительное давление внутри кабины с целью предотвращения попадания воздуха снаружи.
Мощность системы обогрева позволяет поддерживать в кабине температуру 45°C при наружной температуре -20°C
Распределение воздуха

Верхний распределитель воздуха (на уровне панели) состоит из четырех воздуховыпускных отверстий на приборной панели, каждое из которых можно направлять и закрывать по отдельности.
Нижний распределитель воздуха (на уровне пола) состоит из трех воздуховыпускных отверстий
под приборной панелью, направляющих воздух к ступням и коленям, а также 12 отверстий, которые
по каналам направляют воздух к боковым окнам.
Система оттаивания имеет 11 отверстий под ветровым стеклом и два отверстия по сторонам
приборной панели, направляющих воздух на боковые окна.
Воздухозаборник, через который воздух поступает к датчику температуры, расположен в центре
приборной панели.
Внешние компоненты охлаждения

1 Датчик высокого-низкого давления
2 Осушитель, емкость для хранения хладагента
3 Конденсатор
4 Компрессор
5 Выпуск низкого давления
6 Выпуск высокого давления
1 Датчик давления расположен в трубопроводе высокого давления (жидкость под высоким
давлением) перед расширительным клапаном в устройстве климат-контроля. Назначением датчика низкого-высокого давления является прерывание тока к компрессору в случае, если возникнет чрезмерное давление.
2 Осушитель абсорбирует влажность и отфильтровывает частицы, содержащиеся в жидкости. Выпускная сторона осушителя соединена с трубопроводом, идущим к основанию осушителя. Уровень жидкости находится выше по сравнению с основанием трубопровода, что предотвращает превращение хладагента в газ.
3 Назначением конденсатора является охлаждение носителя. Тепло абсорбируется от охлаждающих
ребер конденсатора, когда проходящий воздух является более холодным, чем хладагент. Хладагент охлаждается и начинает конденсироваться в жидкость. Вода, остающаяся под высоким давлением, но при более низкой температуре, затем перекачивается в осушитель.
4 Компрессор является рабочим компонентом в блоке охлаждения. В системе он работает как насос, всасывая испаренный хладагент из испарителя, и нагнетая его в конденсатор.
5 Выпуск низкого давления используется для наполнения и опорожнения системы.
6 Выпуск высокого давления используется для наполнения и опорожнения системы.
BAS

1 Блок управления/панель управления
2 Воздуходувка
3 Теплообменник
4 Линейный регулятор вентилятора
5 Шаговый двигатель, свежий воздух/рециркуляция
6 Шаговый двигатель, распределение воздуха
7 Шаговый двигатель, регулирование тепла
8 Регулирующий клапан
1 Блок управления регулирует работу компонентов системы в зависимости от уставок значений на
панели управления.
2 Воздуходувка нагнетает воздух через фильтр, расположенный в стенке капота, и передает его через испаритель или теплообменник.
Избыточное давление, создаваемое вентилятором, в сочетании с выходными отверстиями в кабине, создает равномерное распределение температуры.
3 Назначением теплообменника является нагревание воздуха на входе в кабину.
Охлаждающая жидкость, нагретая в двигателе, проходит через каналы теплообменника, и нагревает охлаждающие ребра. Если через теплообменник не проходит нагретая охлаждающая жидкость, то теплообменник будет охлаждаться и перестанет излучать тепло.
4 Линейный регулятор вентилятора регулирует вентиляционный воздух кабины. На регулятор
вентилятора постоянно подается 24 V, и он управляется переменным напряжением 0-10 V.
5 Шаговый двигатель регулирует заслонку свежий воздух/рециркуляция.
6 Шаговый двигатель регулирует заслонку, которая направляет продувочный воздух.
7 Шаговый двигатель управляет регулирующим клапаном потока воды.
8 Регулирующий клапан открывает и закрывает поток охлаждающей жидкости через теплообменник.
MCC

1 Блок управления/панель управления
2 Воздуходувка
3 Теплообменник
4 Линейный регулятор вентилятора
5 Шаговый двигатель, свежий воздух/рециркуляция
6 Шаговый двигатель, распределение воздуха
7 Шаговый двигатель, регулирование тепла
8 Регулирующий клапан
9 Расширительный клапан
10 Испаритель
11 Датчики температуры
1 Блок управления регулирует работу компонентов системы в зависимости от уставок значений на
панели управления и значений датчиков. Это необходимо для поддержания нужного климата в
кабине.
2 Воздуходувка нагнетает воздух через фильтр, расположенный в стенке капота, и передает его через испаритель или теплообменник.
Избыточное давление, создаваемое вентилятором, в сочетании с выходными отверстиями в кабине, создает равномерное распределение температуры.
3 Назначением теплообменника является нагревание воздуха на входе в кабину. Охлаждающая жидкость, нагретая в двигателе, проходит через каналы теплообменника, и нагревает охлаждающие ребра. Если через теплообменник не проходит нагретая охлаждающая жидкость, то теплообменник будет охлаждаться и перестанет излучать тепло.
4 Линейный регулятор вентилятора регулирует вентиляционный воздух кабины. На регулятор
вентилятора постоянно подается 24 V, и он управляется переменным напряжением 0-10 V.
5 Шаговый двигатель регулирует заслонку свежий воздух/рециркуляция.
6 Шаговый двигатель регулирует заслонки, которые направляют продувочный воздух.
7 Шаговый двигатель управляет регулирующим клапаном потока воды.
8 Регулирующий клапан открывает и закрывает поток охлаждающей жидкости через теплообменник.
9 Назначением расширительного клапана является подача в испаритель определенного количества
жидкости, которая может испариться. Когда жидкость проходит через расширительный клапан, давление и температура носителя падают.
10 Испаритель расположен вертикально на передней части устройства климат-контроля.
Хладагент доходит до кипения в испарителе за счет тепла, создаваемого воздухом, проходящим
через охлаждающие ребра испарителя. Воздух, проходящий через охлаждающие ребра испарителя, выделяет тепло и охлаждается перед тем, как он достигнет кабины.
11 Температурный датчик располагается за охлаждающими ребрами испарителя, и посылает
сигналы на блок управления, информируя его о текущей температуре. Датчик защищает испаритель от обледенения путем отсечения питания к компрессору.
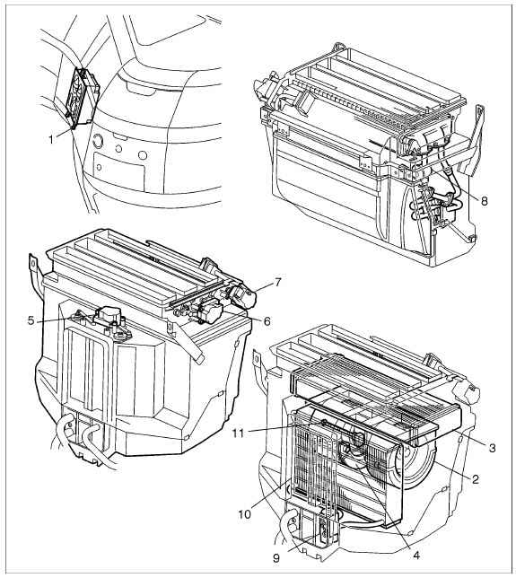
ECC

1 Блок управления/панель управления
2 Воздуходувка
3 Теплообменник
4 Линейный регулятор вентилятора
5 Шаговый двигатель, свежий воздух/рециркуляция
6 Шаговый двигатель, панель распределения воздуха/пол/оттаивание
7 Шаговый двигатель, воздушная смесь
8 Электромагнитный клапан
9 Расширительный клапан
10 Испаритель
11 Датчик температуры, испаритель
12 Датчик температуры, температура кабины
13 Датчик температуры, теплообменник
14 Датчик наружной температуры
1 Блок управления регулирует работу компонентов системы в зависимости от уставок значений на
панели управления и значений датчиков. Это необходимо для поддержания нужного климата в
кабине.
2 Воздуходувка нагнетает воздух через фильтр, расположенный в стенке капота, и передает его через испаритель или теплообменник.
Избыточное давление, создаваемое вентилятором, в сочетании с выходными отверстиями в кабине, создает равномерное распределение температуры.
3 Назначением теплообменника является нагревание воздуха на входе в кабину.
Охлаждающая жидкость, нагретая в двигателе, проходит через каналы теплообменника, и нагревает охлаждающие ребра. Если через теплообменник не проходит нагретая охлаждающая жидкость, то теплообменник будет охлаждаться и перестанет излучать тепло.
4 Линейный регулятор вентилятора регулирует вентиляционный воздух кабины. На регулятор
вентилятора постоянно подается 24 V, и он управляется переменным напряжением 0-10 V.
5 Шаговый двигатель регулирует заслонку свежий воздух/рециркуляция.
6 Шаговый двигатель регулирует заслонки, которые направляют продувочный воздух. В зависимости от установки заслонки направляют воздух к верхним воздуховыпускным отверстиям (на уровне панели), нижним воздуховыпускным отверстиям (на уровне пола) и системе оттаивания, либо в различных комбинациях.
7 Шаговый двигатель регулирует заслонку смешивания воздуха и, соответственно, часть воздуха, который поступает прямо от кондиционера, минуя теплообменник.
8 Электромагнитный клапан открывает и закрывает поток охлаждающей жидкости через
теплообменник.
9 Назначением расширительного клапана является подача в испаритель определенного количества
жидкости, которая может испариться. Когда жидкость проходит через расширительный клапан, давление и температура носителя падают.
10 Испаритель расположен вертикально на передней части устройства климат-контроля.
Хладагент доходит до кипения в испарителе за счет тепла, создаваемого воздухом, проходящим
через охлаждающие ребра испарителя. Воздух, проходящий через охлаждающие ребра испарителя, выделяет тепло и охлаждается перед тем, как он достигнет кабины.
11 Температурный датчик располагается за охлаждающими ребрами испарителя и посылает
сигналы на блок управления, информируя его о текущей температуре. Датчик защищает испаритель от обледенения путем отсечения питания к компрессору.
12 Температурный датчик кабины посылает сигналы о текущей температуре кабины на блок
управления, чтобы блок управления регулировал систему поддержания предустановленной
температуры в кабине.
13 Вентилятор используется для нагнетания воздуха в кабину, чтобы поддерживать текущую
температуру воздуха.
14 Датчик наружной температуры посылает сигналы о текущей наружной температуре на блок
управления.
Вся информация в