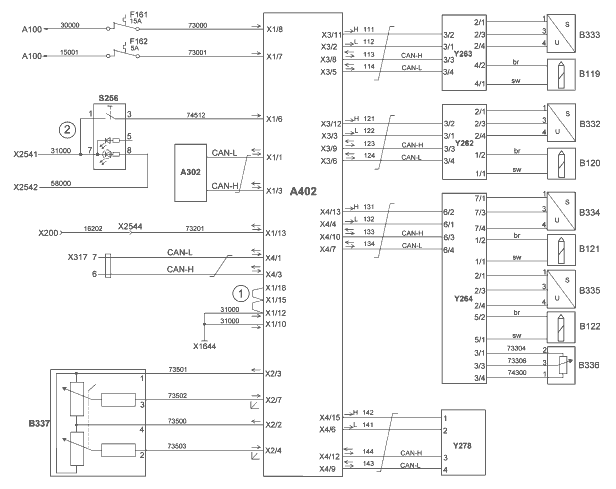
Электросхема тормозной системы EBS 2 KNORR MAN TGA
EBS с 2 мостами
- A100 Центральное лектрооборудование
- A302 Центральный компьютер 2
- A402 Устройство управления EBS
- B119 Датчик скорости вращения переднего моста слева
- B120 Датчик скорости вращения переднего моста справа
- B121 Датчик скорости вращения заднего моста слева
- B122 Датчик скорости заднего моста справа
- B332 Датчик тормозной накладки 1-моста справа
- B333 Датчик тормозной накладки 1-моста слева
- B334 Датчик тормозной накладки 2-моста справа
- B335 Датчик тормозной накладки 2-моста слева
- B336 Датчик ALB заднего моста
- B337 Тормозной датчик EBS
- F161 Предохранитель EBS/ABS электропитания клапана регулирования давления
- F162 Предохранитель управления EBS/ABS
- S256 Клавишный переключатель повышения порога проскальзывания ASR
- X1644 Точка массы кабины рядом с центральной электрической сетью
- X200 Штепсельный разъем 37-конт. Диагностика (MAN-cats)
- X2541 Распределитель потенциалов 21-штырьковый Линия 31000
- X2542 Распределитель потенциалов 21-штырьковый Линия 58000
- X2544 Распределитель потенциалов 21-штырьковый Линия К
- X317 Розетка прицепа ABS
- Y262 Модуль регулировки давления переднего моста справа
- Y263 Модуль регулировки давления переднего моста слева
- Y264 Модуль регулировки давления заднего моста
- Y278 Модуль управления тормозами прицепа
-------
- 1 Распознавание выпадения штекера: Пружина короткозамыкателя зафиксирована посредством X1/15 отсека блока управления в подсоединенном состоянии. В неподсоединенном состоянии Pin X1/12 и X1/18 замкнуты накоротко.
- 2 Для ASR с ESP S256 заменяется на S788.
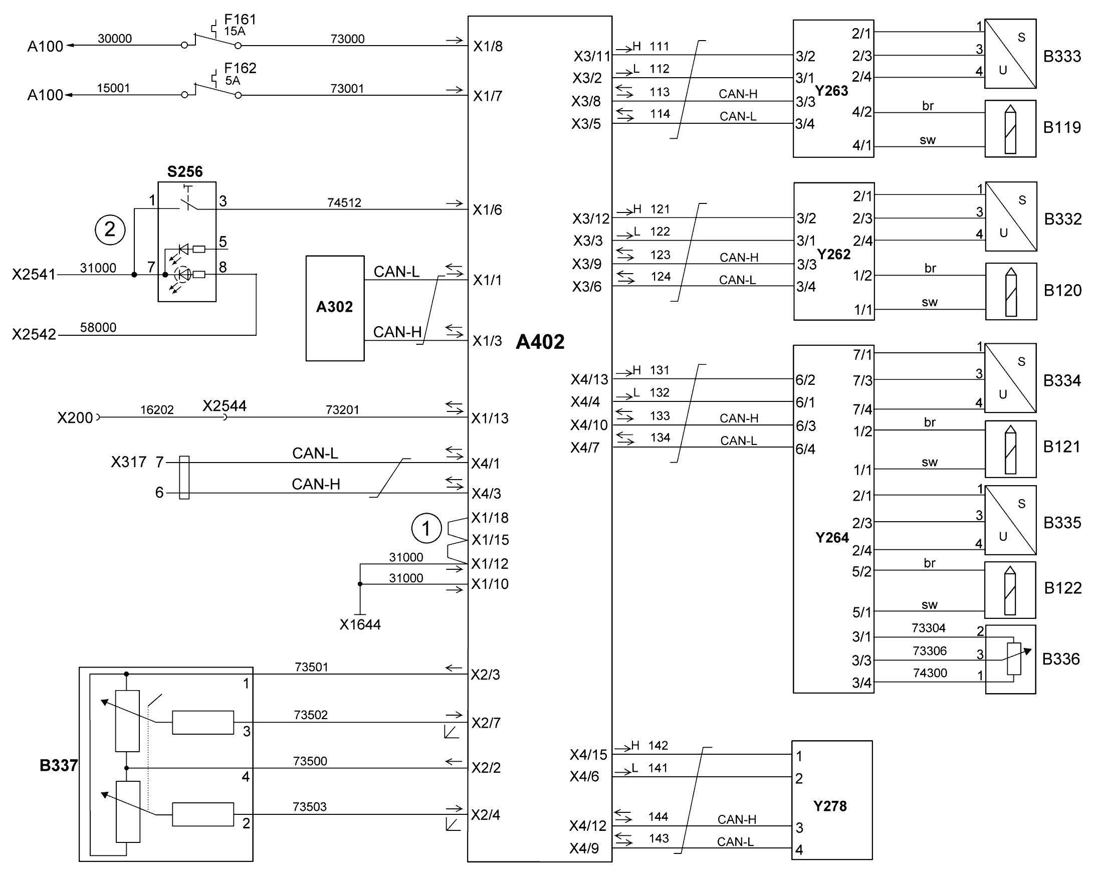
EBS с 3 мостами/4 мостами
- A100 Центральная электрическая сеть
- A302 Центральный компьютер 2
- A402 Блок управления EBS
- B119 Датчик частоты вращения переднего моста слева
- B120 Датчик частоты вращения переднего моста справа
- B121 Датчик частоты вращения заднего моста слева
- B122 Датчик частоты вращения заднего моста справа
- B332 Датчик тормозной накладки 1-го моста справа
- B333 Датчик тормозной накладки 1-го моста слева
- B334 Датчик тормозной накладки 2-го моста справа
- B335 Датчик тормозной накладки 2-го моста слева
- B336 Датчик ALB заднего моста
- B337 Тормозной датчик EBS
- B529 Датчик тормозной накладки дополнительного моста справа
- B530 Датчик тормозной накладки дополнительного моста слева
- B537 Датчик тормозной накладки 2-го переднего моста слева (отсутствует в модели с 3 мостами)
- B538 Датчик тормозной накладки 2-го переднего моста справа (отсутствует в модели с 3 мостами)
- B591 Датчик частоты вращения 2-го переднего моста слева (отсутствует в модели с 3 мостами)
- B592 Датчик частоты вращения 2-го переднего моста справа (отсутствует в модели с 3 мостами)
- F161 Предохранитель EBS/ABS электропитания клапана регулирования давления
- F162 Предохранитель управления EBS/ABS
- S256 Кнопка повышения порога проскальзывания ASR
- X1644 Точка массы кабины рядом с центральной электрической сетью
- X200 Штекерное соединение 37-конт. Диагностика (MAN-cats)
- X2431 Датчик-распределитель тормозной накладки слева
- X2432 Датчик-распределитель тормозной накладки справа
- X2539 Датчик-распределитель тормозной накладки слева
- X2540 Датчик-распределитель тормозной накладки справа
- X2541 Распределитель потенциалов 21-контактного провода 31000
- X2542 Распределитель потенциалов 21-контактного провода 58000
- X2544 Распределитель потенциалов 21-контактного К-провода
- X317 Розетка прицепа ABS
- Y262 Модуль регулировки давления переднего моста справа
- Y263 Модуль регулировки давления переднего моста слева
- Y264 Модуль регулировки давления заднего моста
- Y278 Модуль управления прицепа
-------
- 1 Распознавание выпадения штекера: Пружина короткозамыкателя зафиксирована посредством X1/15 отсека блока управления в подсоединенном состоянии. В неподсоединенном состоянии Pin X1/12 и X1/18 замкнуты накоротко.
- 2 Для ASR с ESP S256 заменяется на S788.

