Электросхемы автобусов B11R VOLVO
Все схемы в высоком качестве в
Содержание электрических схем
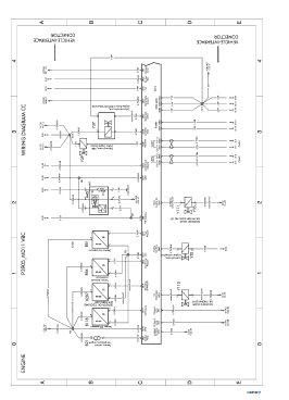
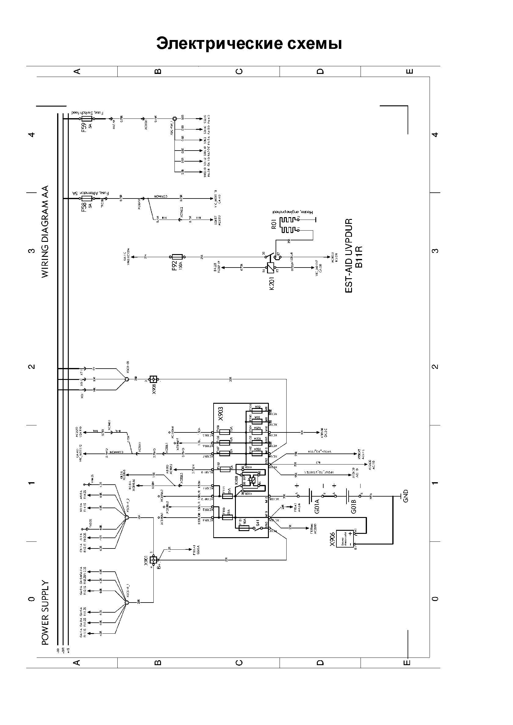
- AA Электропитание
- AB Ключ зажигания и разводка питания
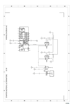
- AC Двигатель стартера и генераторы переменного тока
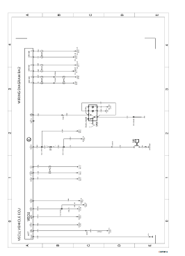
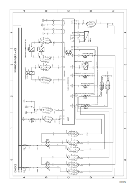
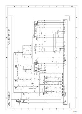
- BA VECU, электронный блок управления автомобилем.
- BA2 VECU, электронный блок управления автомобилем
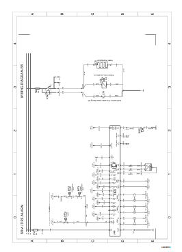
- BB BBM / Пожарная сигнализация
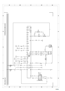
- BC BIO / ШИНА ВВОДА-ВЫВОДА
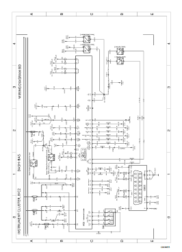
- BD Комбинация приборов, BIC2
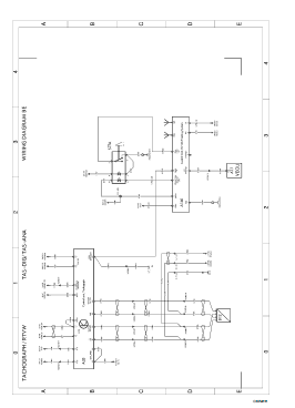
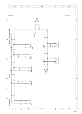
- BE Тахограф / RTVW
- BF Система "Алколок" (предотвращение вождения автомобиля в нетрезвом состоянии)
- CA Интерфейс двигателя.
- CB DNOX2
- CC EECU D11 Блок управления двигателем
- CC2 EECU D11 Блок управления двигателем
- CC3 EECU D11 Блок управления двигателем
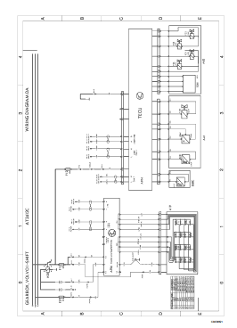
- DA Коробка передач, система Volvo I-shift
- DA2 Коробка передач, ZF Ecolife
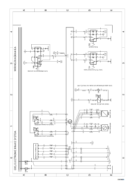
- EA EBS, Тормозная система с электронным управлением
- EA2 EBS, Тормозная система с электронным управлением
- EB APBE, Автоматическое отжатие стояночного тормоза
- FA ECS, пневмоподвеска
- FA2 ECS, пневмоподвеска
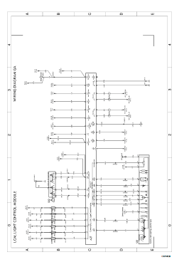
- GA LCM, модуль управления световыми приборами.
- GB Передние фары
- GB2 Передние фары
- GC Боковые огни
- GD Задние фонари
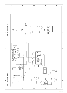
- GE Стеклоочиститель, омыватель, звуковой сигнал
- GG Буксировка
- JD Информационный центр с расширенными функциями
- JE TGW
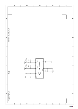
- JF Шлюз FMS
- JG Переключатели аудиосистемы
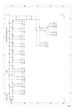
- XA ШИНА J1587 / J1708
- XB ШИНА J1939-1
- XC ШИНА J1939-2 и J1939-3
- XD ШИНА J1939-7
- XE ШИНА DBUS
- YA Интерфейс кузова
- ZA Масса




















Перечень компонентов
- A03 Комбинация приборов {BD 0 B}
- A14 Блок управления, EMS (система управления двигателем) {CC 0 C} {CC2 0 C}
- A16 Блок управления, ECS, подвеска с электронным управлением {FA 0 E} {FA2 0 A}
- A17 Блок управления, VECU, ECU автомобиля {BA 0 D} {BA2 0 A} {BE 2 E}
- A19 Блок управления, GECU, избиратель передач ECU {DA 0 D}
- A21 Блок управления, EBS, тормозная система с электронным управлением {EA 0 C} {EA2 0 A}
- A27 Блок управления, LCM, модуль управления световыми приборами {GA 0 C} {GD 0 A} {GB 0 A} {GC 0 A}
- A30 Блок управления, SWM, модуль рулевого колеса {JG 1 C}
- A33 Блок управления, тахограф {BE 0 B}
- A41 Блок управления, содержит B23, B06 и Y17 {DA 2 D}
- A42 Блок управления, содержит B26, Y21, Y22, Y23 и Y26 {DA 3 D}
- A43 VIC2 {CC2 1A}
- A45 Вода в топливе {CC 2 B}
- A80 Блок управления, подогреваемый осушитель воздуха, с электронным управлением {BA 1 C} {BA 0 C}
- A90 Блок управления, BBM, кузовостроительный модуль {BB 0 C} {AB 0 D}
- A124 Пусковой двигатель {AC 1 D}
- A125 Блок управления, DYNAFLEET, TGW II {JE 0 D}
- A133 Трубка "Алколок" {BF 1 D}
- A146 Блок управления, система слежения RV165 {BE 2 D}
- A914 Блок управления, I-shift TECU, электронная система коробки передач {DA 2 C}
- A917 Блок управления, DNOX2 ECU {CB 1 C}
- A918 Блок управления, датчик NOx {XD 2 C}
- A919 Блок управления, AIC, информационный центр с расширенными функциями {JD 4 B}
- A920 Блок управления, AIC SATELLITE, спутниковый информационный центр с расширенными функциями {JD 0 D}
- A921 Блок управления, БЛОК РЕГИСТРАЦИИ AIC, блок регистрации информационного центра с расширенными функциями {JD 3 B}
- A924 Блок управления, MODEM AIC, модем информационного центра с расширенными функциями {JD 1 B}
- A926 Блок управления, блок ECU коробки передач {DA 0 C}
- A927 Блок управления, GECU, Ecomat 5 {DA2 0 C}
- A928 Блок управления, коробка передач Ecomat 5 {DA2 2 D}
- A929 Блок управления, TECU Ecomat 5 {DA2 3 C}
- A942 Блок управления, шина ввода-вывода BIO {BC 1 C}
- A946 Блок управления, шлюз FMS, система управления автопарком {JF 1 C}
- A951 Блок управления, блок ECU AIC {JD 0 C}
- A961 Блок управления, блокировка системы "Алколок" {BF 2 C}
- B03 Датчик, клапан ножного тормоза {EA 0 B}
- B04 Датчик, обороты двигателя, коленвал {CC2 2 B}
- B05 Датчик, обороты двигателя, распредвал {CC2 2 B}
- B06 Датчик, давление воздуха, бачок {BA 4 C}
- B07 Датчик, уровень топлива 1 {BD 3 D}
- B12 Датчик, тахограф/спидометр {BE 0 D}
- B13 Датчик, скорости колеса, левого на 1-м переднем мосте {EA2 0 D}
- B14 Датчик, скорости колеса, правого на 1-м переднем мосте {EA2 0 D}
- B15 Датчик, скорости колеса, левого на 1-м заднем мосте {EA2 1 D}
- B16 Датчик, скорости колеса, правого на 1-м заднем мосте {EA2 1 D}
- B21 Датчик, температура охлаждающей жидкости, двигатель {CC 0 B}
- B25 Датчик, педаль акселератора {BA 2 C}
- B29 Датчик, уровня шасси, левый заднего моста {FA2 2 D}
- B30 Датчик, уровня шасси, правый заднего моста {FA2 2 D}
- B32 Датчик, скорость вращения вентилятора охлаждения двигателя {CA 1 D}
- B37 Датчик, давления и температуры наддува {CC2 2 B}
- B40 Датчик, индикатор износа тормозной накладки, левый 1-го переднего моста {EA2 0 D}
- B41 Датчик, индикатор износа тормозной накладки, правый 1-го переднего моста {EA2 0 D}
- B42 Датчик, индикатор износа тормозной накладки, левый 1-го заднего моста {EA2 1 D}
- B43 Датчик, индикатор износа тормозной накладки, правый 1-го заднего моста {EA2 0 D}
- B49 Датчик, угол поворота автомобиля {EA 1 D}
- B50 Датчик, скорость рыскания {EA 1 D}
- B51 Датчик, давление топлива {CC 1 B}
- B52 Датчик, уровня воды, водяной сепаратор {CA 1 B}
- B54 Датчик, давление в картере {CC 1 B}
- B57 Датчик, давление воздуха, упругие пневматические элементы подвески, левый задний {FA2 0 D}
- B58 Датчик, давление воздуха, упругие пневматические элементы подвески, правый задний {FA2 1 D}
- B66 Датчик, падение давления SCRT {BC 1 D}
- B69C Датчик, охлаждающая жидкости, ретардер {DA 2 D}
- B97 Датчик, температура выхлопных газов, верхний катализатор {CA 3 E}
- B98 Датчик, температура выхлопных газов, нижний катализатор {CA 2 E}
- B115 Датчик, давление DPF {CA 2 E}
- B118 Датчик, давление масла {CC 0 B}
- B119 Датчик, уровень / температура масла {CC2 2 B}
- B207 Датчик, давление на охлаждающей масляной форсунке {CC 1 B}
- B904 Датчик, низкий уровень гидравлической жидкости вентилятора двигателя {BD 1 A}
- B906 Датчик, нажатие тормоза 6*2 {BB 1 E}
- B910 Датчик, давление воздуха ECS передняя левая сторона {FA2 0 D}
- B911 Датчик, давление воздуха ECS передняя правая сторона {FA2 0 D}
- B914 Датчик, уровень шасси - левая сторона переднего моста {FA2 1 D}
- B915 Датчик, уровень шасси - правая сторона переднего моста {FA2 2 D}
- B918 Датчик, низкий уровень гидравлической жидкости сервоусилителя рулевого управления {BD 1 B}
- B920 Датчик, уровень топлива 2 {BD 4 D}
- B922 Датчик, температура нижнего SCRT {BC 2 E}
- B923 Датчик, температура/уровень жидкости Adblue SCRT {CB 4 D}
- B927 Датчик, давление гидравлического масла {BB 2 D}
- B930 Датчик, повышение температуры scrt DNOX2 {CB 3 A}
- B930_ Датчик, температура верхнего SCRT DNOX2, гибрид {CB 3 B}
- B940 Датчик, индикатор износа фрикционных накладок тормоза, пневматический тормоз справа {EA2 2 D}
- B941 Датчик, индикатор износа фрикционных накладок тормоза, пневматический тормоз слева {EA2 3 D}
- B942 Датчик, обороты колеса, пневматический тормоз справа {EA2 3 D}
- B943 Датчик, обороты колеса, пневматический тормоз слева {EA2 3 D}
- B948 Датчик, давление и температура воздушного фильтра {CA 0 D}
- B950 Датчик, индикатор износа фрикционных накладок тормоза Biartic, пневматический тормоз справа {EA2 3 D}
- B951 Датчик, индикатор износа фрикционных накладок тормоза Biartic, пневматический тормоз слева {EA2 3 D}
- B952 Датчик, обороты колеса Biartic, пневматический тормоз справа {EA2 4 D}
- B953 Датчик, обороты колеса Biartic, пневматический тормоз слева {EA2 4 D}
- B971.1 (BHL) Датчик, температура пожара, EMS {CA 4 C}
- B971.1 (B11R) Датчик, температура пожара, генератор {CA 4 C}
- B971.2 (BHL) Датчик, температура пожара, генератор {CA 4 C}
- B971.2 (B11R) Датчик, температура пожара, компрессор {CA 4 C}
- B971.3 (BHL) Датчик, температура пожара, корпус термостата {CA 4 C}
- B971.3 (B11R) Датчик, температура пожара, над PTO {CA 4 C}
- B971.4 (BHL) Датчик, температура пожара, стартер {CA 4 C}
- B971.4 (B11R) Датчик, температура пожара, стартер {CA 4 C}
- B972 Датчик, температура пожара, HVJB {BB 0 B}
- B973 Датчик, температура пожара, воздушный фильтр {BB 0 B}
- B974 Датчик, температура пожара {BB 0 B}
- B977 Датчик, тормозное давление 1 {BD 4 C}
- B978 Датчик, тормозное давление 2 {BD 4 C}
- D1 Диод, VECU {BA2 2 B}
- D2 Диод, BBM {AB 1 D}
- D3 Диод, очиститель ветрового стекла {GE 1 C}
- DIA2 Диагностический разъем для Ecolife {DA2 1 E}
- E06 Фонарь, задний ход {GG 2 D}
- E07L Фара, противотуманная левая {GB2 3 B}
- E07R Фара, противотуманная правая {GB2 3 B}
- E09L Фонарь, стоп-сигнал левый {GG 3 D}
- E09R Фонарь, стоп-сигнал правый {GG 3 D}
- E10L Фонарь, задний габаритный огонь левый {GG 0 D}
- E10R Фонарь, задний габаритный огонь правый {GG 1 D}
- E13LR Фонарь, указатель поворота левый задний {GG 1 D}
- E13RR Фонарь, указатель поворота правый задний {GG 2 D}
- E920 Лампа, активна гибридная система {BC 3 D}
- FL2A Передняя фара, левая {GB2 1 D}
- FL3A Передняя фара, правая {GB2 2 D}
- G01A Аккумулятор {AA 1 D}
- G01B Аккумулятор {AA 1 D}
- G02A Генератор 1 {AC 2 C} {CC3 0 C}
- G02B Генератор 2 {AC 2 C} {CC3 0 D}
- GND {AA 1 E}
- GND1 Электрический центр {ZA 1 E}
- GND2 Передний мост {ZA 2 E}
- GND3 Задний мост {ZA 2 E}
- GND4 {GG 0 E}
- GND5 Передние фары {ZA 3 E}
- GND6 Блок цилиндров {ZA 4 E}
- GND7 Рама {ZA 4 E}
- GND8 Бак охлаждающей жидкости {ZA 4 D}
- GND9 Рама {ZA 4 D}
- GND10 {ZA 0 D}
- GND11 {ZA 0 D}
- GND12 {ZA 0 D}
- GND13 {ZA 0 D}
- GND14 Задний мост BHL {ZA 2 E}
- GND16 {ZA 2 D}
- GND24 Заднее_ограждение_GND {ZA 0 E}
- GND25 Заднее_ограждение_GND {ZA 0 E}
- H01 Звуковой сигнал, с пневмоприводом {GE 3 B}
- H02 Звуковой сигнал {GE 3 B}
- M01 Электромотор, очиститель ветрового стекла {GE 1 C}
- M02 Электромотор, насос омывателя ветрового стекла {GE 0 D}
- M03 Электромотор, насос высокого давления омывателя фар {GE 0 D}
- M04 Мотор, стартер {CC3 2 C}
- OBD2 Бортовая диагностическая система {BD 0 D}
- R01 Нагреватель, предпусковой прогрев двигателя {AA 3 D} {CC3 3 B}
- R08 Резистор, оконечный шины CAN {XB 0 A}
- R10 Обогреватель, водоотделитель {BB 3 C}
- R904 Резистор, оконечный DBUS {XE 4 C}
- R904_H Резистор, оконечный DBUS {XE 1 C}
- R905 Шланг линии всасывания с подогревом {CB 2 D}
- R906 Шланг нагнетательной линии с подогревом {CB 2 D}
- R907 Резистор, оконечный CAN2 {XD 0 B}
- R908 Шланг обратного потока с подогревом к баку DNOX2 {CB 3 D}
- R909 Фильтр с подогревом DNOX2 {CB 3 D}
- R910 Шланг обратного потока с подогревом к насосу DNOX2 {CB 2 D}
- R911 Резистор, диагностика CRT {BC 1 D}
- R913 Резистор, J1939-2 FMS {XC 3 C}
- R914 Резистор, гибридная лампа {BC 3 D}
- R916 Резистор, гибридная лампа {BC 3 C}
- R917 Резистор, телематика {JD 2 A}
- S01 Выключатель, основное освещение, селекторного типа {GA 1 D}
- S02 Выключатель, на колонке рулевого управления дальний / ближний свет {BA 2 B} {GA 0 B}
- S06 Переключатель, рычаг управления стеклоочистителями, селекторный тип {BD 0 C} {GE 2 A}
- S08 Выключатель, блокировка дифференциала, задние колеса {EA 3 A}
- S11 Выключатель, подъемник тележки, селекторного типа {FA 2 C}
- S12 Выключатель, главный выключатель аккумулятора {AB 0 C}
- S14A Выключатель, нажимной, звуковой сигнал {GE 3 D}
- S14B Выключатель, нажимной, звуковой сигнал {GE 3 D}
- S15A Выключатель, ключ стартера {AB 1 C}
- S15B Выключатель, питание стартера {AB 1 B}
- S16 Выключатель, нажимной, пневматический звуковой сигнал {GE 3 D}
- S24 Выключатель, на рулевой колонке - замедлитель, селекторного типа {BA 3 B}
- S31 Выключатель, TCS, система распределения тягового усилия {EA 3 D}
- S32 Выключатель, включение тормоза {EA 4 D}
- S34 Блок выключателей, нажимных на рулевом колесе {JG 1 C}
- S40 Выключатель, главный выключатель аккумулятора {AB 0 C}
- S45 Выключатель, индикатор положения блокировки сателлита дифференциа-
- ла, задние колеса, нормально замкнутый или нормально разомкнутый. {EA 2 D}
- S50 Выключатель, индикатор давления стояночного тормоза, нормально разомкнутый {BA2 2 D}
- S68 Переключатель бесконтактный, уровень охлаждающей жидкости, нормально замкнутый. {CA 0 B}
- S68_ Датчик, уровень охлаждающей жидкости {CA 0 A}
- S70 Выключатель позиционный, датчик потока, рулевое управление с усилителем, нормально замкнутый {BB 3 C}
- S77 Выключатель, аварийный вызов {JD 1 B}
- S77A Выключатель, аварийный вызов {BE 3 C}
- S901 Выключатель, остановка двигателя задний {AB 4 D}
- S902 Выключатель, поднятие/опускание {FA 3 B}
- S904 Выключатель, аварийное выключение {AB 0 B}
- S905 Выключатель, замедлитель {BA2 2 C}
- S907 Выключатель, пуск двигателя задний {AB 3 D}
- S908 Выключатель, включение пуска двигателя задний {AB 3 D}
- S911 Выключатель, EGG {EB 1 B}
- S915 Выключатель, укорачивание стоек {FA 0 B}
- S925 Выключатель, система "Алколок" {BF 1 C}
- S943 Выключатель, Буксировка ВКЛ/ВЫКЛ {GG 0 B}
- S946 Датчик, сервисный гибридный {AB 0 C}
- S947 Выключатель, полный электропривод {BC 0 D}
- U03 Модулятор, EBS, задняя ось {EA2 1 D}
- U04 Модулятор, EBS, 3-я ось {EA2 3 D}
- U08 Модулятор, EBS, передний {EA2 0 D}
- U11 Модулятор, EBS, последний прицеп, biartic {EA2 3 D}
- U12 Напряжение, преобразователь 12 В, биксенон {GB2 2 B}
- V03 Диод, передние наружные световые приборы {GB2 2 C}
- V04 Диод, передние наружные световые приборы {GB2 2 C}
- X09 Скользящий контакт, звуковой сигнал {GE 3 D}
- X901 Разъем аккумулятора + {AA 0 B}
- X903 VPDU спереди с главным реле и главным выключателем {AA 1 C}
- X904 VPDU сзади с реле преднагрева {AC 2 B}
- X906 Розетка внешнего зарядного устройства {AA 0 D}
- X907 Разъем заземления {ZA 1 D}
- X908 Соединение +30 {AA 2 B}
- XCB720R Задние фонари правые {GD 2 D}
- XCB721R Задние фонари левые {GD 2 D}
- XCB722R Задние противотуманные фары правые {GD 2 D}
- XCB723R Задние противотуманные фонари левые {GD 1 D}
- Y02 Электромагнитный клапан, блокировка дифференциала, задние колеса {EA 2 D}
- Y25 Блок электромагнитного клапана, уровень управления, пневматическая подвеска {FA 1 B}
- Y33A Форсунка 1 {CC2 1 D}
- Y33B Форсунка 2 {CC2 1 D}
- Y33C Форсунка 3 {CC2 2 D}
- Y33D Форсунка 4 {CC2 2 D}
- Y33E Форсунка 5 {CC2 3 D}
- Y33F Форсунка 6 {CC2 3 D}
- Y35 Электромагнитный клапан, вентилятор охлаждения двигателя {CC 1 D}
- Y36 Электромагнитный клапан, управляемая ось {BB 3 C}
- Y37 Блок электромагнитных клапанов, моторный тормоз / AVU (блок воздушных клапанов) {CC 3 B}
- Y39 Блок электромагнитных клапанов, VEB {CC 3 B}
- Y40 Блок электромагнитных клапанов, передний мост, пневматическая подвеска {FA 0 B}
- Y47 Электромагнитный клапан, вентилятор охлаждения двигателя {CA 2 D}
- Y110 Электромагнитный клапан масляного термостата {CC 1 D}
- Y111 Электромагнитный клапан, масляная форсунка охлаждения поршня {CC 2 D}
- Y900 Блок электромагнитных клапанов, ECS, ось тележки {FA 1 B}
- Y901 Электромагнитный клапан, отключение подачи топлива {BA 1 B}
- Y902 Главный клапан EGG {EB 1 D}
- Y911 Электромагнитный клапан, впрыск SCRT {CB 3 A}
- Y912 Электромагнитный клапан, нагрев воды SCRT {CB 3 D}
- Y914 Электромагнитный клапан, управление давлением PCU/R {EA 1 B}
- Y915 Электромагнитный клапан, управление давлением PCU/L {EA 1 B}
- Y937 Электромагнитный клапан, APBE {EB 0 C}
- Y938 Электромагнитный клапан, APBE {EB 1 C}
